Fórum témák
» Több friss téma |
Fórum » LED-es index
Témaindító: Einstein21, idő: Márc 29, 2006
Témakörök:
Van benne igazságod . Ámbátor egy kismotoron a kutya sem fogja ezt méricskélni. Forgalomban pedig senki sem ezzel foglalkozik hogy most az hogyan is villog csak jelezzen.
Hozzátenném hogy eléggé érdekes számomra hogy kipróbáltam vagy 3 fajta indexrelét és mind másképpen indult és villogott (gyártófüggő ez is). Ha jól olvastam akkor a szabály szerint 60-90 villanás per perc, amit például én már inkább túl gyorsnak is tartanék. Momentán a cél egy figyelemfelkeltő lámpa villogtatása traktoron.
Sziasztok segítséget szeretnék kérni!
BMW E46 kapott szép ledes hátsó lámpákat és sajnos azt vettem észre, hogy ha bekapcsolom a vészvillogót jobb és a bal nem egyszerre villan fel. Olyan 0.5mp kb különbség. Elég hülyén néz ki mikor be-ki riasztom az autót. Van erre valami megoldás? Ötleteket előre is köszönöm!
Szeretném ezt a dolgot megépíteni magamnak ami az alábbi videón található.
Ledes motoros dzseki videója (facebookos) És segítséget szeretnék kérni, hogy hogyan működhet. Valószínűleg az index és a féklámpa rá van kötve egy jeladóra és van egy vevő a dzsekiben ami vezérli a ledeket. Na de mégis ezt hogy lehet megvalósítani? Nagyon izgatja a fantáziámat a téma, amikor megláttam, hogy mindez vezeték nélkül eldobtam az agyam
Semmi extra. Kell egy három, vagy négycsatornás univerzális adó, és ennek a vevője. Pl. Elmes RP501 adó vevő, ezek négy csatornásak. Bővebben: Link A többi a varrónő dolga
Amíg készíted, gondolkodj azon, hogyan fogod kimagyarázni a rendőröknek a dolgot.
Jól néz ki a cuccos de ha ezt közúton használod ,az első kilométeren levesznek a rendőrök a motorról !
Nem hiszem. Hiszen ez egy öltözék és nincs szabály ami tiltaná.
Pedig van. Nem ismerem betű szerint, de nem lehet csak úgy, mindenféle lámpákat szerelni az úton közlekedő gépekre mert megtévesztő és figyelemelterelő, ami tulajdonképpen balesetveszély-fokozó lehet. Az, hogy a mindenféle fényhatást a motoros kabátja adja közlekedés közben, szerintem súlyosbító körülmény.
Törvényben rögzítve van, hogy előre, hátra és oldalra milyen fényeket adhatnak, kell adniuk a közlekedésben résztvevőknek.
A gépekre van, a kabátokra nincs. Furcsa is lenne, ha nem öltözhetnél szabadon.
A hozzászólás módosítva: Okt 31, 2016
Lehet szabadon öltözni, de arra mindenféle villogó izét rakni már nem lehet. Az lenne szép, ha mindenféle ilyet engednének, szép kis karácsonyfák közlekednének.
Ilyen szabályról még nem hallottam. Tudnál mutatni ilyen rendelkezést? Az emberek azért nem öltöznek karácsonyfának mert értelmetlen nem pedig azért mert tilos.
És például régebben miért kellett leszerelni a házilag beépített pótféklámpát műszakivizsga előtt ? Mert egyszerűen nem adták meg a vizsgát amíg le nem szerelted !Sőt ! AZ alávilágításért és a kék ledes ablakmosófejért is büntettek a rendőrök .
A hozzászólás módosítva: Okt 31, 2016
Nekem úgy tűnik, nincs jogosítványod, vagy ha van, nem sokat vezetsz. Hidd el, bizonyos autókon a futófényes irányjelzés már eléggé megtévesztő tud lenni, hát még egy ilyen a motoros hátán. Tuti, hogy büntetnének érte. A közlekedés nem játék, bármennyire is annak tűnik pár embernek.
3. § (1) Aki a közúti közlekedésben részt vesz, köteles c) úgy közlekedni, hogy a személy- és vagyonbiztonságot ne veszélyeztesse, másokat közlekedésükben indokolatlanul ne akadályozzon, és ne zavarjon. Szerintem ebbe belefér. Lehet, hogy van konkrétabb törvény is, annyira nem néztem utána. Az emberek pedig azért nem csinálnak karácsonyfát magukból/autójukból, mert tilos. Hidd el, jelentkező lenne bőven. Perpillanat a LED-es nappali menetfény a sláger, mert szabad. A hozzászólás módosítva: Okt 31, 2016
Kerékpárosokra vonatkozik: A KRESZ utolsó módosításában már elfogadja a villogókat is. Valamint a világításnak nem kötelező a kerékpáron lennie. Megengedett sisakra, hátizsákra lámpát/villogót felszerelni. Innen egy lépes a motoros
![]() Magának a járműveknek a világítóberendezéseire szigorú szabályok vannak. Értem amire gondolsz, de például motoros esetén sehol sem tiltják szabályok szerint ezt a dolgot. Azt, hogy a rendőr mit szól mindehhez, az más kérdés. Húzzon elő egy paragrafust. Személy szerint üdvözlőm azokat, akik kivilágítják a kerékpárjukat. 10W-os led reflektorral, villogtatva, beállítás nélkül, elvakítva a szembejövőt. Ennyit a zavarásról, karácsonyfáról.
A kerékpár és a motor nem egy kategória. Akár írhattad volna azt is, hogy a kerékpártól a személyautóig két lépés.
Valószínűsíthetően egyértelműen le van írva, mi a szabályos világítás. Ami nem szabályos az szabálytalan, tehát tilos.
Járművekre igen. Személyekre nem. Nincs paragrafusban, hogy biciklin nem tarthatok a kezemben egy viharlámpát
Ami nincs tiltva, azt szabad. Amit szabad, az szabályos A hozzászólás módosítva: Okt 31, 2016
A járművekre van előírás a ruhákra nincs. Ne kavard össze a két dolgot.
Valamivel több mint harminc éve van jogosítványom és évi 60000km körül megyek. Kiszámolhatod ha akarod mennyit vezettem már. Ennek viszont semmi köze a témához. Ne a levegőbe beszélj idézz ide egy jogszabályt ami tiltja a ruházat kivilágítását.
Van egy ilyen rendelet: (2) Az azonos feladatot ellátó és azonos irányba mutató páros számú világító és fényjelző berendezések elhelyezésének és alakjának - az aszimmetrikus járműveket kivéve - a jármű hosszirányú függőleges felezősíkjára szimmetrikusnak, az általuk kibocsátott fény színének és fényerejének pedig azonosnak kell lenniük és a berendezéseknek - ha a rendelet másként nem rendelkezik - egyszerre kell működniük.
Namármost a bőrdzseki ennek ellent mond. A másik szabály: csak E akármennyi minősítésű világítóberendezés szerelhető fel a járműre, alkalmasint még bukósisakodnak is DIN vagy ISO szabványnak megfelelőnek kell lenni, és az sem a motoron, hanem rajtad van.
Hol van ebben az a rész ami a ruházatra vonatkozik?
Nemigazán értlek benneteket..
![]() Nem azt kérdezte, hogy ez szabályos-e, vagy sem, hanem azt, hogy ezt technikailag hogy lehet megoldani. Lehet, hogy a gyerkőc dzsekijét akarja átalakítani, hogy menő legyen a kis játék cross motorjával. Csináld meg, aztán majd várjuk a fejleményeket... ![]() De az irányjelzőnek ne zöld legyen a színe, hanem narancs.
Bocs nincs facem ,és nem is fogok még miattad sem belelépni, kar hogy csak ide bírtad feltenni.
Köszi
1: Nem Ő tette fel a FB -ra, Ő csak linkelte.
![]() 2: Regisztráció és bejelentkezés nélkül is megnézhető a videó. A hozzászólás módosítva: Dec 25, 2016
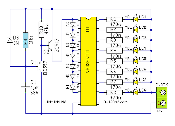
Hello! A minap szórakoztam egy ULN2803A-val, és rájöttem milyen könnyen lehet belőle analóg "sorrendi Led vezérlőt" készíteni. Fel is tettem egy kivezérlés indikátort belőle. De most az alapötletet néhány alkatrésszel kiegészítve készítettem egy "futó index" áramkört. Az "ütemet" továbbra is az index relé biztosítja. Természetesen ha a relé nem működik kis terheléssel, akkor szükséges a terhelését kialakítani a relének. Nyolc Led van a vezérlőhöz kapcsolva, de alkalmazható lehet több Led soros kapcsolásával is. Pld. egy Led szalag tagok szétbontása esetén (pld. amiben hármas soros csoportok vannak) egy-egy csatornán három-három Led alkalmazható és nem szükséges a soros korlátozó ellenállás. Egyébként csatornánként kb. 120mA terhelésig alkalmazható az IC. Természetesen az R1..R8 ellenállásokat a Led-ek feszültsége és árama szerint kell meghatározni. 470ohm-al kb 20mA lesz a Led-ek árama, egy sárga Led esetén.
Jó szórakozást!
Köszönjük!
![]() Idézet: Hova? „Fel is tettem egy kivezérlés indikátort belőle.”
Üdv! Azóta néhány modellnél széria felszerelés.
Megtaláltam! Érdekes, mert kerestem, de nem volt meg. Most meg hipp-hopp!
A hozzászólás módosítva: Márc 7, 2018
Sziasztok!
Én indexet szeretnék "bűvölni a Babettámra. Tudom, tudom... Létezik gyári relé és kapcsoló is, csak lámpákat kellene szereznem. Viszont, Nem szeretném lekötni a háromszor 10W teljesítményű világító tekercsből egyiket sem. ezért egy külön áramforrású irányjelző rendszerre gondoltam. Ha lehet, az egyszerű LED-es villogó áramkörét használnám. A megoldás érdekessége hogy gyárilag is felváltva villog az első és a hátsó index. Tehát megfelelő kapcsolás mellett nem kéne megépítenem duplán az áramkört. Viszont hiába próbáltam bárhogy matekozni, a melléket kapcsolásra jutottam. A kérdéseim: 1: 100µF ellenállással működőképes ez az áramkör? (90villanás/perc) 2: A 4 soros és 4 párhuzamos AAA 950 mAh-s 1,2V-os akku meddig lehet képes működtetni az indexet? 3: Az egyszerű LED-es villogó esetében két 10KOhm-os ellenállást használnak. csökkenthető-e a méret? A LED-ek adatai ott vannak a rajzon. 4. Ha valaki tudja hogy egy a lentihez hasonló, a fent leírtaknak megfelelően működő kapcsolás, hogyan lehetséges egy lehetőleg 57x39 mm méretű dobozban az ne tartsa vissza magát bár ha lehet megfelelő tapasztalat, és rutin hiánya miatt az IC használatát mellőzném... 5. Bocs ha túl színes lett...
Ha csak egy oldalt visszaolvastál volna a témában ...
A hozzászólás módosítva: Máj 9, 2018
|
Bejelentkezés
Hirdetés |
















