Fórum témák

» Több friss téma
Fórum » Padlófűtés vezérlés
 
Témaindító: Hegede, idő: Dec 8, 2008
Témakörök:
Lapozás: OK   60 / 107
(#) zoszka válasza Ragen hozzászólására (») Okt 24, 2016 /
 
Nem egészen... Meleg ág és keverőág állandó aránya. A primrkör hőmérséklet (meleg ág) változása arányos a kevert ág (padló előremenő) eredő hőmérsékletével, ha a tömegáram állandó.
A hozzászólás módosítva: Okt 24, 2016
(#) Ragen válasza zoszka hozzászólására (») Okt 24, 2016 /
 
Kicsit megis adódtak, az előre menőre meg a kevert ágra gondoltam én is, mert az a bemenet. De akkor a 3 útas keverő a jó megoldás. Az eredeti rajzzal.
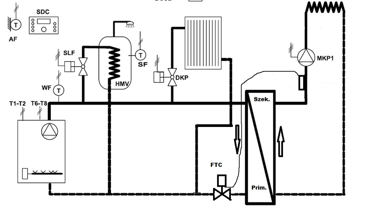
(#) VIM válasza Ragen hozzászólására (») Okt 25, 2016 /
 
Ha a hőcserélős megoldásról van szó a gyártók megoldásai között lehet válogatni de például amiről ITT szót ejtettem abban nem kellett alkalmazni az összes járulékos elemet a padlófűtési oldalon. A rajz amit mutattál erről a megoldásról abban sem a szekunder körbe kell tenni a szabályzót, csak az érzékelőjét. Nálam legalábbis így jól működik.
(#) jdani hozzászólása Okt 25, 2016 /
 
Üdv. Betonozáskor (nem padlófűtés), használunk a betonviz sok kavicsot, homokot, és egy kis vizet.
Padlófűtés estrich betonozáskor is ugyanúgy, olyan arányban kell használni ezeket az anyagokat?
És mi van ha sima betonnal öntöm le?
(#) jdani válasza jdani hozzászólására (») Nov 22, 2016 /
 
Most nézem, rosszul írtam. Betonozáskor, homok, kavics, cement, víz?
A másik kérdésem, a szoba ahova akarok, fa parkett van. Ezt fel kell venni, láthatok hozzá, vagy majd erre teszik a fóliát szigetelést, stb?
(#) weend válasza jdani hozzászólására (») Nov 22, 2016 /
 
Sima beton is jó, csak ajánlott 0,4 sóderből keverni. A parkettát én felszedném, gondolom alatta beton van.
(#) jdani válasza weend hozzászólására (») Nov 23, 2016 /
 
Mi a helyzet az esztrichel?
Nemrég betonoztunk, Duna-dráva cementet, és apró szemes sódert. Ugyanúgy jó lenne az ilyen padlófűtéshez?..
Valahol valami olyasmit olvastam, hogy ilyen célra olyan betont (estrich) használnak, ami alkalmazkodik a hideg - meleghez. Gondolok itt tágulásra.

Parkettot én is felszedném, de neked mi az érved, miért szedned fel?
A hozzászólás módosítva: Nov 23, 2016
(#) VIM válasza jdani hozzászólására (») Nov 23, 2016 /
 
Szia! Az estrich szemcsenagysága olyan, hogy a csővezetékhez hozzá tud tapadni, megfelelően körül tudja venni a hőátadás érekében. Az apró kavicsos beton semmivel sem rosszabb, mint az estrich beton. A másik dolog amire oda kell figyelni, hogy a tágulási (diletációs) hézagot ki kell alakítani a betonozott felületek széleinél a helyiségekben. Ha ez kimarad, a burkolatok felpattognak a felületről. A parketta anyaga nem erre a fűtésmódra van rendszeresítve eltérő tágulási együtthatójával a betonhoz képest és rossz a hővezető tulajdonsága (szigetelőleg hat). Ha azt veszed figyelembe, hogy a fa szárad, veszít a nedvességtartalmából az idő előrehaladtával, akkor hogyan marad rögzítve a fűtött felületen mozgásmenetesen? Vannak jó kötőanyagok de az azokból kipárolgó gőzökre is gondolni kellene .... Amit még esetleg meg lehetne említeni a hideg burkolásnál, hogy a falszegély szegőt utólag kell a felület burkolt aljzatára tenni és nem fordítva (burkolója válogatja, mi a meglátása a négyzetrácsos avagy a diagonál forma alkalmazásánál).
(#) jdani válasza VIM hozzászólására (») Nov 23, 2016 /
 
Akkor nem csinálok azzal hülyeséget hogy, az ebédlőben lévő parkettát felszedem. És mi a helyzet az alatta lévő szurok rétegnek? Az maradhat, még ha nem is tükörsima az egész felület, vagy azt is le kell kaparni?
(#) VIM válasza jdani hozzászólására (») Nov 23, 2016 /
 
Most őszintén .... szerinted milyen szag lesz a lakásban a hátralévő időben? Most mondtam, hogy a kötőanyagok és annak gőzeit nem mindegy, hogy meddig és mit szagolja az ember.
(#) tibibalogh520 válasza jdani hozzászólására (») Nov 23, 2016 /
 
Szia!
A bitumen maradhat nyugodtan, hiszen erre fogod tenni a fóliát, majd a hőszigetelést. Ezek után, erre fog kerülni, a padlófűtés csöveit tartalmazó betonréteg.
Tehát a hőszigetelésnek köszönhetően a bitumen semmiféle plusz hőt nem fog kapni, amitől bármi káros anyag kiválhatna belőle!
Mondhatni, még hidegebb környezetben fog lenni, mint eddig volt.
(#) VIM válasza tibibalogh520 hozzászólására (») Nov 23, 2016 /
 
Szia! Hát én nem bíznám a véletlenre ezt a bitumen dolgot, hogy nem fog érződni a szaga, mert régen nem K3 bitumen és ettől korszerűbb anyagok voltak terjedőben. Ki kell próbálni, remélhetőleg nem lesz probléma ....
(#) tibibalogh520 válasza VIM hozzászólására (») Nov 23, 2016 /
 
Szia!
Mint írtam, még akkora hőnek sem lesz kitéve, mint eddig volt!
Eddig vajon érezték a szagát?
No meg az összes olyan helyen, ahol régi parketta van lerakva, vajon érzik a szagát?
(#) VIM válasza tibibalogh520 hozzászólására (») Nov 23, 2016 /
 
Nem mindenki csak temperálásra használja a padlófűtést, no meg hát csak melegen van tartva az az anyag. Vegyél a kezedbe egy darabkát a K3-ból és szorongasd egy kicsit ... pedig csak testhőmérsékletűre lesz melegítve.
(#) tibibalogh520 válasza VIM hozzászólására (») Nov 23, 2016 /
 
Aztán mi által lesz az melegen tartva?
Nem a padlófűtés lesz parkettával burkolva!
Szerinted a most épülő házakban, a padlófűtés alatt lévő szerelőbeton hány fokos lehet, ha a hőszigetelés normálisan van elkészítve?
(#) VIM válasza tibibalogh520 hozzászólására (») Nov 23, 2016 /
 
Maradjunk annyiban, hogy engem nem kell meggyőznöd, mert én biztosan nem kérdeznék meg ilyesmit mástól, hogy ezt a bevonatot rajta hagyjam-e. Fáradságos munka leszedni egy akkora felületről ... mindenki maga dönti el, hogy megteszi vagy nem de jó ha tudja a szagok eredetét mitől is van, ha van.
(#) tibibalogh520 válasza VIM hozzászólására (») Nov 23, 2016 /
 
Látom, kerülöd a konkrét válaszadást a kérdéseimre.
Vajon miért?!
(#) VIM válasza tibibalogh520 hozzászólására (») Nov 23, 2016 /
 
Már régen off a diskurzus ezen része, de bátorkodtam azt feltételezni, hogy a felszedett parketta vastagsága és a hátralévő hasznos szintmagasság, ami még hátra van a burkolat szintjéig az nem fog megengedni normális rétegződést. Legfeljebb hővisszaverő tükör és a hat centi beton plusz a burkolat egy centi. A diletációs szegőnél pedig mindig nyitott a felület ahonnan ki tud szabadulni az a szag, de ne legyen igazam, mert nem tartom ésszerűnek, hogy ezt bárki is megkockáztatná ha kicsit is belegondol a következményekbe.
(#) tibibalogh520 válasza VIM hozzászólására (») Nov 24, 2016 /
 
Ugye, most viccelsz?
Ha te belemennél egy ilyen konstrukcióba, akkor megrendelőnek is csapnivaló lennél, nem hogy fűtésszerelőnek!!!
Még-hogy kihagyni a hőszigetelést... Felháborító a feltételezésed is!
A hőtükör ebben az esetben -önmagában- nulla!!!
Gyanítom, hogy nem készítettél még padlófűtést, de az általad elmondottakból arra a következtetésre jutottam, hogy ne is vetemedj ilyesmire a jövőben sem!
Bocsáss meg a véleményemért, de látszik, hogy fogalmad sincs a műszaki hátteréről!
(#) VIM válasza tibibalogh520 hozzászólására (») Nov 24, 2016 /
 
Tisztelettel megköszönöm megtisztelő figyelmedet irántam.
(#) weend válasza jdani hozzászólására (») Nov 24, 2016 /
 
Szia!
Az estrichkel csak az a gondom, hogy drága. Bár nem ismerem a lehetőségeidet, van-e hely betont keverni, mennyi beton kell, tudsz-akarsz-e keverni. A padlót azért szedném fel, mert feleslegesen csökkentené a belmagasságot, későbbiekben esetleg gondot okozna, ha vetemedik és mozog. A bitument hagyhatod, nem árt a vízszigetelés. Ha esetleg alulról beszivárogna a víz, a szigetelő anyag magába szívja, és egyből elveszti a szigetelőképességét. Én sima betont raktam az említett szemcsenagyságú sóderből, öt köbmétert dolgoztam be, a hatvan négyzetméteres házba. A diletácíót 2cm-es hungarocell csíkokból alakítottam ki, két harminc négyzetméteres területre. Nálam csak padlófűtés van az egész házban, 380 méter csövet tekertem le.
(#) jdani válasza weend hozzászólására (») Nov 24, 2016 /
 
Hali. Víz nem jön fel, mert dombon van, és 70centi az alap. (a föld szine felett) Gond az lehet esetleg, hogy az egyik helységben csempe van (erre emhet a padlófűtés), a másikban meg parkett. Na most ha a parkettot felszedem, akkor olyan ... 3-4 centi marad a két helység között, ahol mindkettőbe lesz padlófűtés.
(#) weend válasza jdani hozzászólására (») Nov 24, 2016 /
 
Hát neked kell eldönteni, most még felszedheted, de ha később gond van, ráfizetsz. A parketta helyére tegyél több szigetelést, így egyforma magasságra kerülnek a helyiségek padlószintjei.
(#) jdani válasza weend hozzászólására (») Nov 24, 2016 /
 
Ja, erre gondoltam én is. Oda menne vastagabb szigetelés, és le van tudva. Fürdő nappali, és folyosó, ide minden esetre szeretnék fűtést. Háló és gyerekszoba, oda nemigen. Konyha... Kérdéses.
Szerintetek?
(#) weend válasza jdani hozzászólására (») Nov 24, 2016 /
 
Hát erre megint azt tudom mondani, hogy jól gondold meg! A jóhoz nagyon könnyen hozzá lehet szokni, utálsz majd a hideg padlón járni. Ismerek egy pár embert, aki már bánja, hogy kihagyta pl. a hálókat. Mondjuk engem az motivált, hogy előző házamban radiátoros rendszer volt, utáltam a csöveket festegetni, leszerelni a radiátorokat minden festéskor. De ez már a múlt, itt most semmi cső semmi radiátor, és mindig meleg van.
(#) jdani válasza weend hozzászólására (») Nov 24, 2016 /
 
Ez az, én is hallottam párat aki megbánta, hogy ide-oda nem tett padlófűtést..
Van egyébként olyan nagyon-nagyon durva számítás, ami megmondja, hogy pl 1nm re mennyibe jönne ki a padlófűtés?
Mondjuk ami csak a rétegeket illeti. Fólia, szigetelés, vashalo, cső, beton.
(#) weend válasza jdani hozzászólására (») Nov 24, 2016 /
 
Ilyenről még nem hallottam, szerintem akkor a legolcsóbb, ha te magad szerzed be az anyagokat. A neten mindent megtalálsz, vasat a vastelepről, ötrétegű csövet épületgépészeti boltból, szigetelést az építők boltjából. Azért nem árt egy jó szakember ismerős, aki érti is, amit magyaráz. Ha volt gyerekszobád, és van egy kis érzéked, sokat tudsz spórolni a saját munkával.
(#) jdani válasza weend hozzászólására (») Nov 24, 2016 /
 
Pont Így terveztem én is. Van pár ismerősöm aki magának készített ilyen fűtést, azok segíthetnek, és van szaki, aki eljön és csinálja a spécibb munkákat.
Ilyen hogy szigetelés lerakás, meg cső tekergetés, meg tudjuk oldani saját erőből is.
(#) Robid válasza jdani hozzászólására (») Nov 24, 2016 /
 
Nem gejzírként feltörő vízre kell gondolni, csak a talaj nedvessége ha bejut a betonon keresztül , +új nyílászáró,+ egy két hőhíd , tökéletes recept a penészhez.
(#) VIM válasza jdani hozzászólására (») Nov 25, 2016 /
 
Azt, hogy egy négyzetméter kialakítása mennyibe kerül, az az anyagok beszerzési árától és a felület teljesítményének csőfektetési elrendezősétől is függ. Régebben itt felraktam egy kis ismertetőt de ha kutakodsz az oldalon akkor a képek között találsz konkrét számítást is.
Következő: »»   60 / 107
Bejelentkezés

Belépés

Hirdetés
XDT.hu
Az oldalon sütiket használunk a helyes működéshez. Bővebb információt az adatvédelmi szabályzatban olvashatsz. Megértettem