Fórum témák
» Több friss téma |
Mielőtt kérdezel, a következő két dolgot ellenőrizd!
I. A helyes tápfeszültségek megléte.
II. A kimeneten van-e egyenfeszültség.
Élesztés.
Ezt én építettem, és még kézi rajzolással készült a panel. Azért említem ezt, mert ha meg is találom (jó eséllyel meg van, mert igyekszem logikus rendet tartani), akkor is csak pauszon, vagy kockás papíron lesz meg.
Kérdésem a következő lenne vajon ez a 2 potméter mire is szólgálhat ? (timmer) t-amp 1050 . Be front panelen van .
A hozzászólás módosítva: Jan 15, 2017
Szia!
Nyilván a hangerőszabályzók lesznek. Külön potik a két csatornának.
Igaz nem volt egyértelmű a kérdés . A timmer potik mire szolgálhatnak..??
Sziasztok,
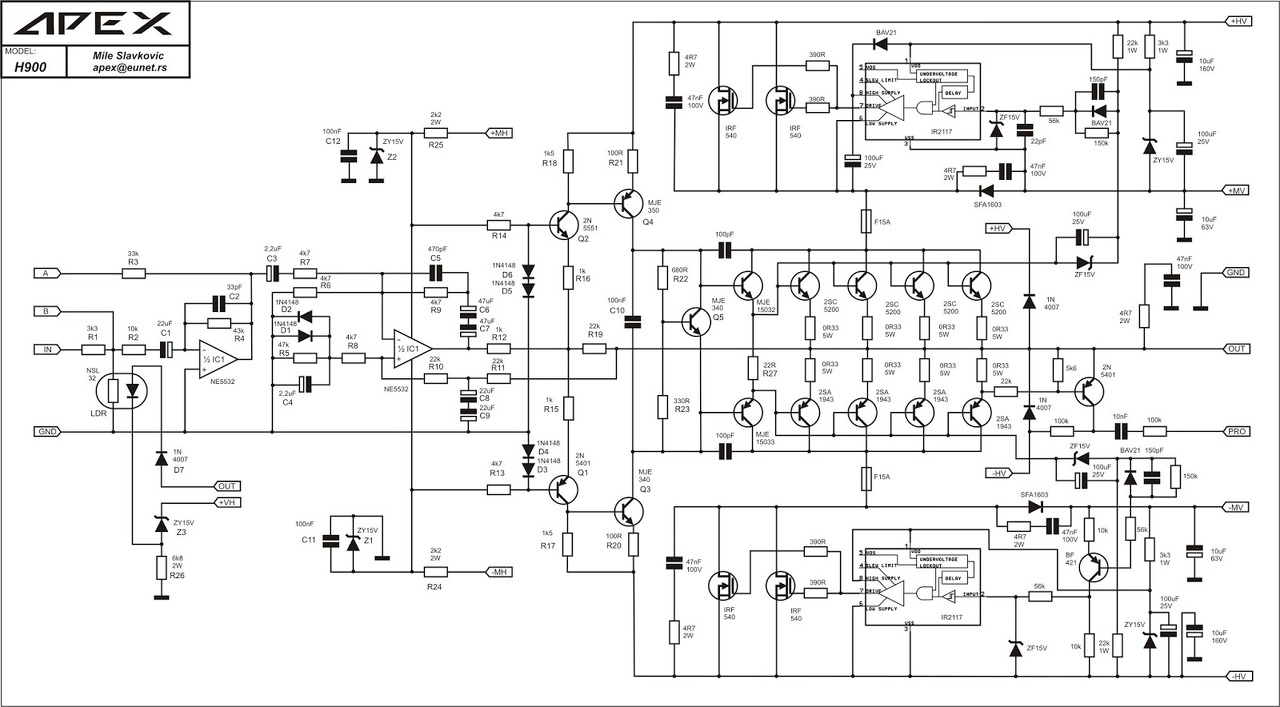
Ezt az APEX H900-at utánépítette-e már innen valaki? Ha igen, kíváncsi volnék a tapasztalatokra, mivel egy ismerősöm érdeklődött nálam, építené-e neki egy ilyet? Na mondom oké, de a H-osztályú témában nincs tapasztalatom, és nem szeretnék a cimbinek csalódást okozni. Előbb inkább kérdezősködöm. Állítólag ez a végfok 900W-os 4 ohmon. Teljes kivezérlésnél a 4 pár végtranyó mennyire lehet biztonságosan munkaképes, főleg a SOA paramétereket tekintve? Ki mit gondol a kapcsolásról, az esetleges problémákról, buktatókról?
Ez mit tud? Úgy nézem, hogy ez elég komoly teljesítmény is... Lehet kicsit talán sok is.
Tranzisztorok számából ítélve kb 600w 4 ohmon. 8-on olyan 400w környéke..
Ez a Matti Otala féle erősítő a ±24V-os teljesítménytáppal 30W-ot ad le 8Ω-on a számításom szerint.
Szia! Mikor az OUT feszültség HV/2, akkor van a terhelés maximuma a végtranzisztoron. Ez 50V kollektor-emitter feszültség és 3A kollektor áram táján lehet. Ennyit elbírnak a jelzett tranzisztorok.
Diyaudio-on építgetik, találsz hozzá mindent Bővebben: Link
Köszönöm, mindjárt átnézem azt a linket, amit küldtél!
Mondjuk az elég jó, éppen megfelelő, habár nekem 6 ohmos hangsugárzóim vannak.
Szia!
Úgy nézem két darab 110/120V-os trafó primer tekercse van sorba kapcsolva 220/240V-os üzemhez, ezen belül a különálló trafóknak osztott, szimmetrikus tekercselése van. A két trafón összesen 4db. 110/120V van. A két szekunder a 16/17. ponton csatlakozik az egyenirányítóhoz, a szekunderek másik ága a 15. ponton közösítve van és ez a középleágazás. Gyakorlatilag egy a világon bárhol használható univerzális kapcsolás, szimmetrikus táphoz. Biztos van magyarázata, hogy miért duplázták a trafót, de ezt nem tudom.
Köszönöm szépen,s várom
Az OFF téma is eléggé látogatott, oda beírhattad volna.
Törölt esetleg a felhasználó vagy mi a gond ??
Nem törölt a felhasználó, csak hibaüzenetet ír mindig, ha el akarom küldeni az üzenetet.
Szia!
Lehetséges, hogy a mellékeltben látható az oka a hibaüzenetnek. De ez itt OFF..
Köszi, de nekem jól van, ha ő tiltott be, akkor azzal nem tudok mit kezdeni.
Jó reggelt.
Reloopnak igaza volt az erősítőmmel kapcsolatban. A 100V os kimenet a két végfok között van. A táp +- 80V. Ami fáj a szerkezetben hogy SKT-s a végfok, egy fetesnek jobban örültem volna. Bár ekkora teljesítményű IC-t még nem láttam eddig, adatlapja szerint 200W, max fesz +- 95V. Belül dupla tranzisztor lehet mert 4 kimeneti ellenállás van. Meglepetés csomagba vettem szóval nem tudtam mi van benne. Van jó tapasztalat ezzel az IC-vel?
Én úgy emlékszek, limiter szabályzás, de nagyon rég volt.
Sziasztok.
Szerintetek így erre az oldalra fel szerelhetem a feteket? nagyjából 1cm lenne a Fetek között.
Számomra szokatlan ez a fajta borda gyártási technológia. Van némi aggodalmam a hővezető képesség kapcsán. Fog ez hőt elvonni, csak talán nem annyit mint amennyit a mérete jósol.
Hasonló bordát láttam fent talán.a Conrád oldalán . Es elég jó hő tulajdonságokkal bírt. Bár ebből a képből nem sok minden derűl ki
. Idézet: „Bár ebből a képből nem sok minden derűl ki” Mivel az eredeti kérdés és az eredeti kép hárommal lentebb volt ![]() Hogy a kérdező kérdésére is legyen válasz: - Hűt az így is, - De ha a fenekére vannak csavarozva a FET-ek, akkor még jobban, - Ha pedig nem fekszik, hanem áll, akkor méginkább...
Már jelezte valaki hogy e nem olyan jó mintha az egész egy darabból lenne öntve. De ettől még kért belőle
és nem csalódott benne. Ha tudnánk olyan erővel préselni a Fetet a bordára mint ahogy ezek a kalitkák vannak belepréselve, akkor lehetne jelentősége. De mivel a gyenge pont a Fetek bordára való hőátadása szerintem elenyésző az öntött vagy a préselt borda közti különbség. Főleg hogy ez kialakításánál fogva aktív és nem passzív hűtésre való inkább. És elég vastag s szerelő felület. Eddig nem okozott csalódást, de lemérni nem tudom.
A borda ügyön átlendülve, megemlítetted az egyik legfontosabb részletet, a félvezető felfogását. Sokáig magamnak sem akartam elhinni, hogy úgy gyártják ezeket a lapos tokozásokat, hogy a tervezett felfogásuk csak részlegesen alkalmas a feladatra.
Nálam több TDA7294-es erősítő építése kapcsán gyűlt össze az a tapasztalat ami alapján ma már kizárólag a kengyeles megoldásokat látom ideálisnak.
A puffer kondik a tápnál (a kapacitáson kívűl) hogyan befolyásolják az erősítő működését,"szólását"?Mire kell odafigyelni a puffer kondik választásánál?
|
Bejelentkezés
Hirdetés |













és nem csalódott benne. Ha tudnánk olyan erővel préselni a Fetet a bordára mint ahogy ezek a kalitkák vannak belepréselve, akkor lehetne jelentősége. De mivel a gyenge pont a Fetek bordára való hőátadása szerintem elenyésző az öntött vagy a préselt borda közti különbség. Főleg hogy ez kialakításánál fogva aktív és nem passzív hűtésre való inkább. És elég vastag s szerelő felület. Eddig nem okozott csalódást, de lemérni nem tudom. 




