| Fórum témák 
 
 » Több friss téma | Fórum » Házilag építhető fémkereső 
				A PI kersőnél földkiszűrésre tud-e valaki valamit. Köszi.				 A hozzászólás módosítva: Jan 26, 2017 
				Eljutottam a Arduino Nano-s géppel odáig, hogy nyélbe ütöttem. Nagyon éles talajtesztek még nem voltak, mert a fagyott föld, és a rajta lévő tábernyás moláka még ezt nem teszi lehetővé. A gépben jelenleg kétféle talajszürést és diszkriminációt programoztam le. Lehet váltani közöttük. Az egyik valami olyasmi lehet, mint a Fortunáé. Ha pontosan beállítom, akkor jó. Ha kissé lejjebb állítom, akkor jónak jelzi a talajt, ha följebb, akkor vasnak. A másik fajtánál a teljesen analóg gépekhez hasonlót próbáltam leprogramozni. Ez atomstabil. Se téglára, sem ferritre nem jelez, ha úgy van állítva. A diszkriminációnál is többféle beállítás van. Persze mindez egy elég bonyolult módon beállítható gépet eredményezett. Ha analóg lenne, akkor 16poti, váltókapcsoló és forgókapcsoló lenne rajta. De így megúsztam 4 gombbal, és egy menürendszerrel. 
 
				gratula						 
				Üdv! Tesoro golden sabre light fémkereső tekercseit lehet e így bekötni, működne így vagy sem? 
				Az adó, és a vevő tekercsek külön árnyékolással kell hogy menjenek. A rajzon nem látni az árnyékolást. Annak is van jele.						 
				Értem, köszi ! Tehát az árnyékolásokat, a panelnál kell a gnd-re kötni, ugye? 
				Én a fejcsatiban közösítem az árnyékolásokat. De ha sok a tüskéd a csatlakozóban, akkor akár a panelon is lehet.						 
				Aha , pont erre gondoltam én is hogy ott a csatiban közösítem! Te milyen csatit szoktál használni? Én jobb fajta 5 pólusú xlr csatin gondolkodtam , hogy azzal csinálom meg! 
				Ilyesmit használok. Tetszés szerinti tű számmal választhatod. Csati 
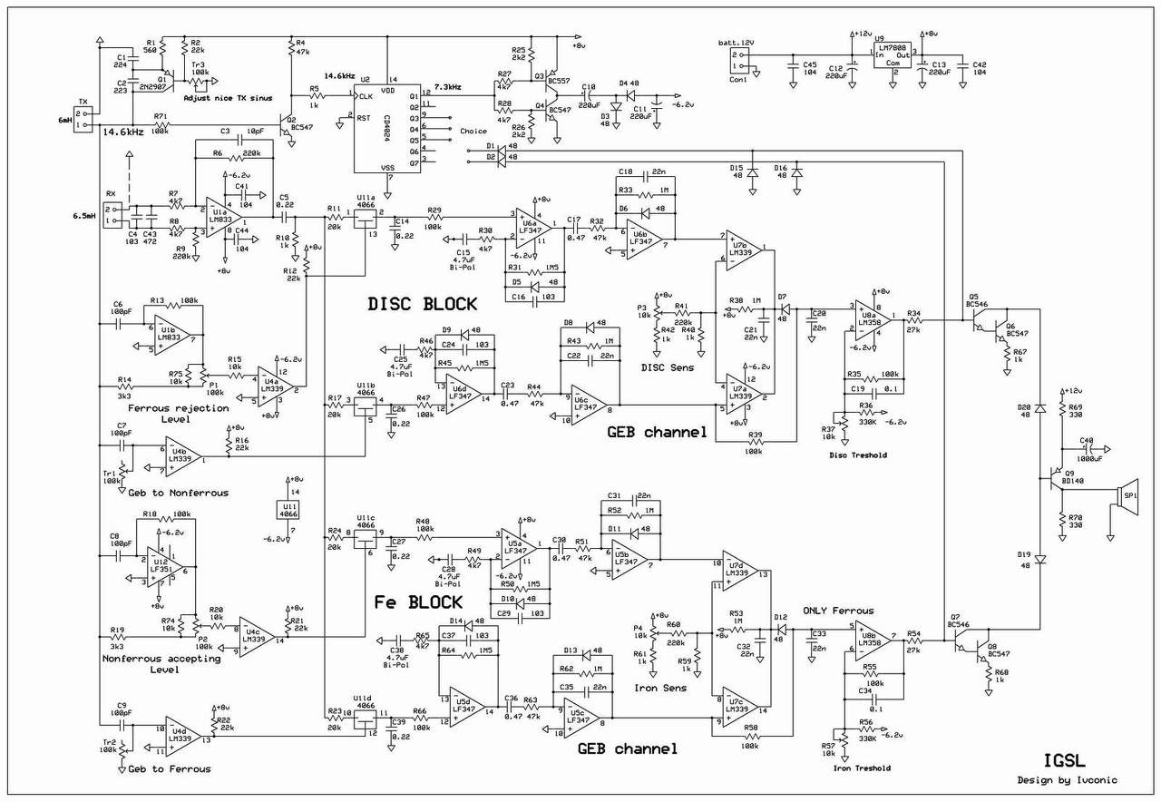
				Üdv! Valaki esetleg aki már megcsinálta itt az igsl fémkeresőt , az tudna küldeni egy jó felbontású képet?? Sehol nem találom, csak olyan minőségben, amin nem lehet az alkatrészeket kiolvasni! 
				Miért nem a nyák-tervről próbálod, vagy a kapcsolásról?						 
				Azt szeretném!  A kapcsolási rajz borzasztóan csúnyácska , zavaró , hogy az alkatrészek értékét nehéz kiolvasni(IGSL) , a tgsl-nél ilyen probléma nincs, ott minden jól látható a rajzon! 
				Köszönöm! Már régóta kerestem ilyen felbontásban! Egyet nem értek a rajzon , mégpedig azt, hogy a cd4024 ic 5,6,9 lábainál a dióda bekötés miért nincs egyszerűen berajzolva , és miért nem 3 dióda van a rajzon? Miben különbözik a a tgsl-töl? 
				Az egyik drót megy a jó találat hangfrekijére, a másik pedig a vas hangfrekijére. Az osztó IC-ből ki van vezetve 3 frekvenciájú hangfrekvenciás jel. Te döntöd el, hogy melyik találatnál melyik frekvenciájú hangot szeretnéd hallani. Oda drótozod.						 
				Az frankó! Egyébként azért is szeretném megépíteni az igsl-t is, mert ott nem volt ilyen jellegű probléma egy összerakott géppel sem mint a tgsl-nél, több videót megnéztem, és egyébként sem írnak olyan hibákról ami a tgsl-nél adott! A videókból azt szűrtem le , hogy jobb , stabilabb , érzékenyebb gép mint a tgsl. Te mit gondolsz erről ? 
				Azt gondolom, hogy az IGSL egy megduplázott TGSL. Csak a fázisdetektorban használt kapcsolóeszköz a különbség. A TGSL-eknél az egyik instabilitási hiba az, hogy némelyik nyák vonalvezetése nem helyes. Az IGSL nyákja sem iskolapélda, de nem olyan gáz, mint némelyik TGSL nyák. Helyes nyákra rakva egykutya mindkettő. De mindent összevetve, az IGSL jobb gép, mert hallod a vasat is. 
				A helyesen megtervezett nyomtatott áramkörön rengeteg múlik. Egy helyes nyákon lévő TGSL lenyom egy hiperszuper digitális nagyágyú kapcsolást, amit rossz vonalvezetésű nyákra van szerelve. A legutóbb belinkelt gépem sem az első nyákra sikerült. Két vezetéket máshogyan kellett elhúznom. Ez miatt bukott az első. 
 
				Üdvözletem! Szeretném azzal kezdeni, hogy egy hete olvasgatom a fórumot, és egyre inkább összezavarodom. Nem tudom eldönteni , hogy melyiket építsem meg. Hogy tervezzem a nyák-ot. Izgalmas elektronikai kihívàst látok benne , aztán mehetek lengetni. Sokmindent építettem már, a csöves végfoktól a modern mikrovezérlős kütyükig. Hobbysta vagyok, a fejlesztgetés nem az asztalom. Legfeljebb a tunningolás. Melyiket ajánlanátok? Szivem az analógok felé húz. A régi rádióépítés jut róla eszembe, meg az audio cuccok. Valamint kérem a tisztelt egybegyűltek szakértelmét avégett, mert szereztem egy nedap márkájú lopásvédő berendezést melyben nyákból maratott keresőfej és ferrites ( gondolom én) adóantenna volt. Késöbb rakok fel képet róla A hozzászólás módosítva: Feb 8, 2017 
 
				Kedves hobbi fémkeresők! Apukám Bu13 néven volt fent a fórumon, utólag olvastam több bejegyzését. Sajnos október 2-án hirtelen agyvérzésben 80 évesen elhunyt. Utolsó pillanatig aktívan dolgozott, fejlesztett, csetelt, egy óriási műhely van tele rajzokkal, műszerekkel, tekercsekkel és egyebekkel azt sem tudom pontosan mik. Ha valakit érdekel és az ő emlékére is tovább építené, fejlesztené, hasznosítaná ezeket, kérem jelentkezzen a 30/2812700-s számon. Köszönöm 
 
				Csak ki ne tessék dobni semmit se!!! Öszinte részvétem! 
 
				Részvétem. Ha itt most a dolgok értékesítéséről van szó, akkor fel kell tenni mindent reális áron ide az apróhirdetések közé, és el fog kopni. Nekem küldött egyszer email-ben egy kép részletet a műhelyéről, valóban sok minden van ott...						 
 
				Őszinte részvétem!						 
 
				Őszinte részvétem, megdöbbentett a hír. Furcsa volt, hogy régóta nem szólt itt, pedig sokat beszélgettünk privátban is. Nehéz elfogadni, hogy többet már nincs.						 
 
				köszönöm az együttérző sorokat, további sikeres fejlesztést mindenkinek, hajrá!!!						 
 
				azt sem tudom mi micsoda....						 
				Kipróbáltam élesben a gépet. Tetszik. A kétféle talajkiegyenlítés közül az egyik féle nem szereti a szántást, de valamivel érzékenyebb. A másik félével rámehetek a szántásra is, akár 18, akár 25 kHz-en. De kissé elmarad az érzékenysége. Levegőben ugyanaz, de talajban észrevenni. Az ID szám számolására kellene valami jobb algoritmust kitalálnom. Nem egyszerű dolog. Elég könnyű lett a gép, és rövidre össze lehet tolni. 65 centisre. Málhazsák vígan elnyeli. 
				Most rápróbálkozok arra a számolásra, amit az IDX diszkriminációja juttatott az eszembe. Ott egy potméterrel osztják le a talaj és a diszk csatorna jeleit, így állítva be a kívánt diszkriminációt. Ezt az áramköri részt frankón le lehet matekolni. A kapott eredmény vélhetőleg arányban lesz a tárgy okozta fáziskülönbséggel.						 
 
				Üdv! Olvasgattam mesterkedésed, igazán klassz kis kütyüt hoztál össze. Minden elismerésem annak aki tud programozni! 
				Üdv! Te nagyon tudsz!! Szép munka!!   | Bejelentkezés Hirdetés | 




















