Fórum témák
» Több friss téma |
Sziasztok! Van egy sony HTP-32SS DVD házimozi
rendszerem és ennek a rádióerősítőjével van baj. Vmi kóbor áram lehetett a konnektorban mer mióta bedugtam azóta ezt írja ki. PROTECT. A hibaelhárító szerint ez van le írva:Szabálytalan áram érkezett a hangsugárzóktól. A rádióerősítő néhány másodperc múlva automatikusan kikapcsol. Ellenőrizze a hangsugárzók csatlakoztatását és kapcsolja be újból a készüléket. Ha a probléma továbbra is fennáll, forduljon a hivatalos Sony szakszervizhez. Le ellenőriztem a hangfalakat. Nincs bajuk. Másik ami ír hogy szervíz de hátha meg tom csinálni. Valami ötlete van valakinek? ez a leírása: Bővebben: Link
Szia! Ha szerinted semmi baja akkor húzd ki 10sec-re,dugd vissza és adj neki egy reset-et.Ha ez nem jön be akkor belemászhatsz jobban.
Valahol olvastam itt az oldalon ezt a Sony protect problémáról, szerintem elszált a végfokod
Jah erre én is gondoltam,amit forma1 irt,ha esetleg kibontod írd meg a végfok típusát,vagy ha konkrét hiba van akko egy pár képet rakhatsz,egyelőre ellenőrizd az összes csatit és hogy nincs-e zárlat valameik kimeneten.
Egy ismerős átnézte azt mondja valami "gracer" baja van:S nem tudom mi ez még nem hallottam róla. Zárlat nincs benne azt mondta. Próbáltam hogy áramtalanítom és reset de nem ment. Megnéztem még1x a hangfalakat amit ír hogy arrol kaphatott áramot de tuti nem. Volt egy memória törlés is mer elv lehet ez is baja de semmi. Ma szétszedem és rakok fel róla képet. A végfok pontosan nem tom melyik az, de képekről szerintem ti meg tudjátok mondani, mer igazábol csak gyűtöm az infokat hogy ismerős megcsinálja.
Szia!A végfok az amelyen a 6db. kondi van egymás mellett.A vezérlő rész pedig az amin a procik vannak.A "gracer" én sem tom mit jelent és a gugli sem ad rá semmi hasznosat.
hello!
szerintem graetz hídra gondolt ő,de szerintem csak mondott rá valamit a haverja mert ha a táp részen lenne zárlatos az egyenirányító híd akkor maximum füstöt írna ki,nem értelmes szöveget.Esetleg szakadt lehet,de szerintem a végfok halhatott be neki.
Húzd le a megjelölt csatlakozót, ha így beindul, akkor valamelyik végfok IC rossz.
Hello! Ha az a "grace" graetz-et jelent akkor mérd ki a tápfeszeket,ha valameik ágon több mint 10%-os eltérés van akkor probáld cserélni a graetz-et,ill. ellenőrizd a pufferkondit.Az a "kóbor áram" a tápot is tönkrevághatta.
S ziasztok ! N ekem van egy nagyon régi erősítőm és sajna már nem szól , be be kapcsol de hallgat sajnos , E lőtte szolt de már nem rá kötöttem csomó hangszórót , az volt a baj nem vagyok nagy zseni de szerintem a végfok a hibás ! N a most el kezdtem keresni de nem találtam vég végfok . M eg kérdeztem egy hozzá értőt és ö mondta keressek hűtőbordá t rá erősített csipet vagy mit XD É n kerestem de nem találtam , de már sajna a panelen ki lövi a biztosítékot , hol lehet a zárlat hogy tudjam meg ?
Na akkor ezt most érhető nyelre lefordítanád lécci??
Azt próbálta mondani hogy a rádiója nem működik és nem találja a hibát, kereste az erősítőt hátha az a hibás de nem találja de ha kimegy a biztosíték nézd meg az alkatrészeket és a nyákot is nem-e karcoltad össze a vezető sávokat vagy nem -e mentek ki egy alkatrész és erősítőből vannak integrált példányok is vagy lehet hogy nincs is rajta borda mert a teljesítménye ezt nem indokolja szerintem ha öreg akkor lehet hogy nem bordát hanem az erősítő házát használták hűtéshez nézd meg a szélén levő tranzisztorokat
Mi a francért nem lehet az ilyen hozzászólásokat előre moderálni. Vagy például egy olyan feltétel hogy bizonyos számú karakternek írásjeleket, nagybetűnek kell tartalmaznia. Vagy ennyire nem képesek a tisztelt modik? Többször jeleztem, válasz persze soha!
Köszönöm!
Igen, beindul így is és protect ki írja, de akkor tuti végfok
Köszönöm mindenkinek.
Van egy autórádió végerősítőm Tipusa :Roadstar AM-311.
Ha valaki tud segíteni a bekötésében , nagyon megköszönném. Szeki
Szia!
Dobj Fel pár képet,hogy rajzoljam rá mi hova megy.Kép nélkül többet nem tudok segíteni csak annyit,hogy nézd meg az adatlapját.
Üdvözlök mindenkit!
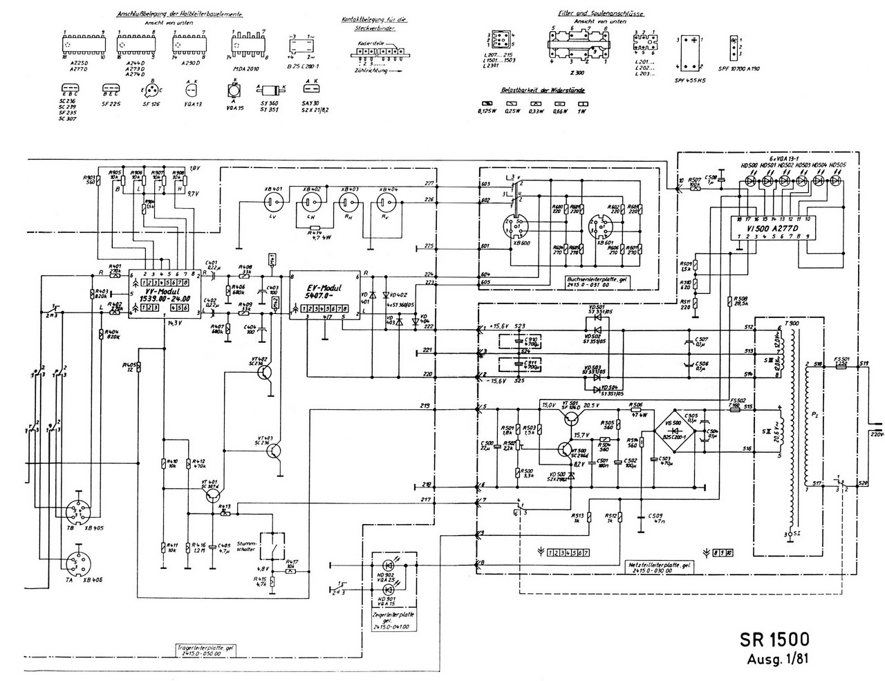
Adott egy RFT Akkord sr 1510-es erősítő (az erősítő tudom, hogy sokaknak túlzás erre a józságra, de nevezzük annak). A probléma valószínűleg nem igényel túl bonyolult javítást: a két gyári hangszóróval használom (sztereó)(korábban az egyik oldalon egy nagyobb ellenállású hangfal is volt csatlakoztatva, ennek köze kell hogy legyen a hibához). Amikor a készülék bemelegszik, az egyik oldal (mindig ugyanaz) sisteregni, zizegni kezd (ekkor csak a zizegés hallatszik). Ha az ember ilyenkor a hangszínt megváltoztatja (a mélyhangot lejjebb tekeri) egy darabig még visszaugrik, aztán menthetetlenül zizeg. A végerősítő tranzisztort kell cserélni az érintett oldalon? Vagy mi lehet a baja? Ha kihúzom azt az oldalt, a másik oldal vígan dalol a végtelenségig. Mellékelem a kapcsolási rajzot.
vt301 és vt302 a rajz szerint. Esetleg mérjek valamit?
Néhány info a készülékről: http://www.radiomuseum.org/r/stern_sonn_stereo_akkord_sr1500sr_15.html http://retronom.hu/node/14318
Ez a rádió rádióként vagy erősítőként használva viselkedik így? A mellékelt rajz nem tartalmazza a hangfrekvenciás erősítő részt. A vt301 és a vt302 nem a végfok tranzisztorai. Ha meg szeretnéd javítani akkor nem "esetleg" hanem biztosan kell mérni "valamit".
A készülék kapcsolási rajza és leírása a Magnósok évkönyve 1985. 222. oldalán található.
A sztereó végfok 2 db MDA2010 ( TDA2010 ) típusú IC. A hozzászólás módosítva: Feb 5, 2017
Erősítőként van használva (rádióként nincs is értelme, keleti normájú). Rádióként nem kísérleteztem vele. Két erősítő bemenet van, mindkettőnél ez a hibajelenség.
Az enyémben nem emlékszem IC-re (most nincs szétszedve), és korai évjárat. Ez lehet a másik fele a rajznak
A hozzászólás módosítva: Feb 5, 2017
Ez sem teljes, pont a modul, amin a hiba lehetséges nem látszik.
Itt egy kép. Mivel hangszínszabályzó mozgatást írtál ezzel kapcsolatban a A274D ( TCA740 ) integrált áramkör van kapcsolatban. Ezen a C19 és C20 jelű 1 µF-os elkókat kicserélném első körben és letesztelni, van-e változás. A hozzászólás módosítva: Feb 5, 2017
Ez gondolom abból a füzetből van kifotózva. Vélelmezem, hogy a képen a végerősítőt látjuk. Ha jól sejtem, akkor a két kondenzátort a hűtőborda környékén kell keresnem (vagy ha nem, akkor ott, ahol két IC tanyázik, szerencsére 1980-ban nem lapátolták ezeket vödörszám a készülékekbe.
Azért remélem nálam is feliratozva van a NYÁK. Szerintem kimérem, hogy melyik tartozik a hibás oldalhoz, és csak azt cserélem. Honnan tudom majd melyik oldal melyik? Elnézést hogy ilyen szájbarágósan írom, az egyes alkatrészeket tudom azonosítani, kiforrasztani, beforrasztani, de a működésükkel nem vagyok tisztában. Most a BEAG APT-100 van szétszedve, szerintem 1-2 hét múlva tudom csak megejteni (el kell jussak a LOMEXbe venni egy kondenzátort, plusz kell egy szabad délután).
Ez nem a végerősítő. A kép bal alsó sarkán olvasható is, ez a meghajtó ( szabályozó ) modul. Ez a hangerő , balansz, magas és mély potméterrel van kapcsolatban.
De valószínűleg ezen lesz a hiba, mint korábban írtam. A hozzászólás módosítva: Feb 5, 2017
Rendben, szétszedem és megpróbálom majd beazonosítani. Ha nem sikerül, akkor lefényképezem, pár hét múlva beszámolok.
Találtam a készleteimben két megfelelő kondenzátort. Az egyik lábai a henger egyik végéből indulnak (újabb nyugati gyártmány), a másik lábai a henger két oldalából (régebbi magyar gyártmány). Gondoltam megszemlézem, hogy melyikre van szükség.
Kiszereltem a dobozból a készüléket. Valóban egy önálló nyákon lakik ez a modul. Megkerestem a két kondenzátort, az újabb konstrukciónak megfelelőek (1 db cserém van, így nem fogtam hozzá). Az egyik kondenzátor körüli fehér felfestés mintha picit sárga lenne (megfolyt?), de nem pukkantak ki. Ezután visszaszereltem a modult, majd teszteltem. A bal (LV) kimeneten tapasztalható a búgás. Nem tudtam előcsalni magát a fő hibát (LV-n csak erős sercegés/búgás hallatszik, zene nem), de a háttérben folyamatos búgás tapasztalható (csak ezen a csatlakozáson, időnként abbahagyja, kipróbáltam, rádióüzemnél is csinálja). Olyan, mintha valami (rövidzár?) védelem lenne (?) . Miután a hangszín modul csatlakozóját lehúztam (amin a hangerő, hangszín változtatható ellenállások vannak) továbbra is hallható volt a búgás (a zene nem). Ha az egyik gyári hangszórót hasonló paraméterű hangszóróra cserélem (mindegy melyiket), a búgás gyengül. Továbbra is ezt a két kondenzátort javasoljátok cserére?
Mérd meg, hogy az IC-k mekkora tápfeszültséget kapnak meg. Ezt a panelen a 3 lábú csatlakozó 1. számú lába. Az utolsó képen a nagy ( 1000 µF ) kondenzátor + felén tudod mérni.
Mivel itt nem lehet 15 V-nál több, mert könnyen elszállhat és csak a csere segít. Továbbá ellenőrizd, hogy a modul csatlakozó test pontjai jól érintkeznek-e. A hozzászólás módosítva: Feb 19, 2017
|
Bejelentkezés
Hirdetés |













