Fórum témák
» Több friss téma |
Fórum » Digitális forrasztóállomás
Ilyesmiket én is találtam, de nekem egy működő rajzra lenne szükségem ami 80w-os pákához alkalmazható.
A lustaságnak nincs határa...
De jófej leszek, segítek még így is: - az egyik linkemen pl. egyet kell kattintani és ott van - ráadásul le van írva, hogy hőelemes a cucc, szóval kb. bármilyen hőelemes pákához való kapcsolás megfelelő neked, annyi csak benne az extra, hogy a kapcsolót (fet/triak) és a trafót úgy kell megválasztani, hogy 80 Wattot képes legyen kezelni - de ha kisebb a teljesítmény, akkor sincs baj, csak lassab fűt fel/után. A hozzászólás módosítva: Jan 26, 2018
Egy orosz oldalon találtam egy másik Aoyue állomás rajzát. Azt is a gazdája fejtette vissza. A kapcsolás 90%-a egyezik az enyémmel. Megkeresem és felrakom. Az adatlapja szerint az is 70W-os, kerámia fűtőbetétes. A hőmérséklet érzékelés nem tudom hogy van megoldva, mert a pákához csak 2 szálon megy a delej, plussz egy az ESD.
Na ez lenne az. Aoyue Int2900. Ennek mintájára lassan elkészülök az enyémmel is. Papíron már megvan, csak szeretném rendesen megcsinálni, hasonlóan ehhez.
Köszi, hogy jó fej voltál, de idő hiányában nem külföldi linkeket akartam végig olvasgatni. Amit linkeltél, néhány firmwaren kivül nem találtam mást. A másikat láttam már, ahol a belseje van lefényképezve...Majd megfejtem, ha több időm lessz merre kattogtassak és melyik linkeden, hogy "ott" legyen...
A hozzászólás módosítva: Jan 26, 2018
Ja értem, neked nincs időd olvasgatni, nincs időd keresni, tehát valaki szánja rá a saját idejét és röptesse a szádba a sült galambot, lehetőleg most.
![]() Nos én most idő hiányában nem akarom leírni, hogy hol is vannak kapcsolási rajzok.
Semm baj! Eddig is megkímélhetted volna magad, az időpazarlástól, mert nem azért kértem segítséget a fórum lakóitól, hogy te hozzászólásokon keresztül lustázzál, és sültgalambozzál, majd megsértődjél, amiért nincs kapacitásom többszáz oldalas külföldi fórumokat átnyálazni, és hálálkodni neked a használhatatlan linkekért. Ha linkelek akkor azt a lényegre mutatóan teszem, hogy használni tudják, vagy bölcsen csendben maradok.
Na elkészült a műremek, meg lehet köpködni
Ez az első, hogy ilyet csináltam.
A táp része egy az egyben a korábban linkelt Int2900 tápja.
Van benne pár érdekes dolog. Pl.: az Atmega8 RESET láb szabadon; AREF egy kondival GND-re kötve; az Atmega8 bal oldalán a Mov. Sens. nevezetű kapcsoló egy "tilt switch", vagy minek hívják, nem értem mindek oda a Zener, ha jól mértem, szerintem ha leteszem a pákát, simán földre húzza a lábat. Most valami szimulátorban össze kellene raknom, hogy lássam, hol mi szaladgál a vezetékeken. * 4 szűrőkondi lemaradt, nemsokára pótolom. A hozzászólás módosítva: Jan 27, 2018
Gratulálok! Profi igényes munka. Nem próbáltad az AVR-t kiolvasni? Egy kínai LCF mérőből próbáltam és sikerült, de egy kvarc teszterből is a PIC16f628-at. Egyik sem volt tiltva olvasásilag...
Egyelőre még nem próbáltam, kellene egy AVR programozó. Mivel úsznám meg legolcsóbban? Nem akarok sokat költeni rá, mert nem AVR-el szeretnék foglalkozni. Most MSP430-at tanulok.
Én Ezt építettem meg a Zombee által telvezett verziót, ott lessz a firmware nyákterv stb. Ez egy stk500 klón HV rész nélkül. Tökéletesen működik usb-ről AVR studio 4-el. De ITT beszerezhető összeépítve is. Atmega8-hoz a Topi fejlesztésű doper is jó, a cikkek között megtalálható. Ahhoz nem kell smd usb chip...én abból az atiozer nyákost építettem de működött. Pár száz forintért kaphatók usbasp és egyéb cuccok vaterán, ebay-en. Nekem ez utóbbi nem vált be...
A hozzászólás módosítva: Jan 27, 2018
A Cikk MEllékeltem amit megépítettem és működött jól, de a Zombee féle stk500 jobb.
A hozzászólás módosítva: Jan 27, 2018
Azt kellene kinyomoznom, hogy mivel méri a hőmérsékletet. 5 szál megy a pákához, egy ESD, kettő a "tilt switch", és kettőn megy a fűtés/érzékelés. Szobahőmérsékleten 6.6 Ohm az elenállás és 0 mV-ot mérek. Ha felfűtöm 200 °C-ra, akkor ~20 Ohm és 4.2 mV, 300 °C-on ~30 Ohm és 7.4 mV, 400 °C-on ~40 Ohm és kb. 10 mV. Az értékek csak közelítőek, úgy mértem, hogy bedugtam a pákát, felfűtött a beállított hőfokra, majd kihúztam és mértem.
A fűtőszállal sorba kötött hőelemmel (k-type thermocouple) - legalábbis szerintem. A Hakko T12 klónok is ilyenek, ahhoz szerintem találsz kapcsolást.
Szóval lekapcsolt fűtésnél kell feszt mérned - és persze kell hidegpont kompenzálás is. A hozzászólás módosítva: Jan 27, 2018
Hőelem. Még beültetve nincs az orosz rajz, de informállak ha kész....
Had zavarjam a társaságot egy kicsit!
KB megjött mindenem az állomáshoz, Ahogy irtam is anno, jelen pillanatban 358N erősítőv van Hakko 907 es klon pákám, melyik lennena a megfelelö megoldás akkor a körbepakolására? Potis? Fix értékes? Vagy tegyem be dugdosósba panelba és probálgassak?
Először is el kell dönteni, hogy milyen ez a klón. Ha jól emlékszem termisztoros pákád van (hidegen kb. 44 Ohm a termisztor, és kb. 4 Ohm a fűtőszál).
Én mindenképp a potist javaslom, legalábbis ha nem tudod pontosan, hogy milyen erősítésre van szükséged. Vagy ha flexibilisre tervezed, azaz lehet hogy lecseréled a Hakko klónt valami másra. Az előző oldalon felraktam egy képet az én tervemről, ott az erősítés tág keretek között változtatható, és kapcsolható a termisztor áramgenerátoros táplálása is - bár ez kicsit túlbonyolított és nem tesztelt megoldás.
Köszönöm, akkor visszalapozok! Igazság szerint nemnis nagyon akarom túl bonyolitani.
Mivel a PID-et úgyse tudom jól megirni igy pl nem lesz valós idejű hőmérsékletkiirás... mert kb tizedmásodpercenként irna ki akkor új értéket. Első körben csak a müveleti erősítőt szeretném tesztelni, dugdosósba PIC nélkül, hogy tudjak számolni! De akkor össze vetem az " én talált kapcsolásomat" a tiéddel! Aztán felteszem ide hogy mire jutottam.
Hát akkor induljunk a kályhától!
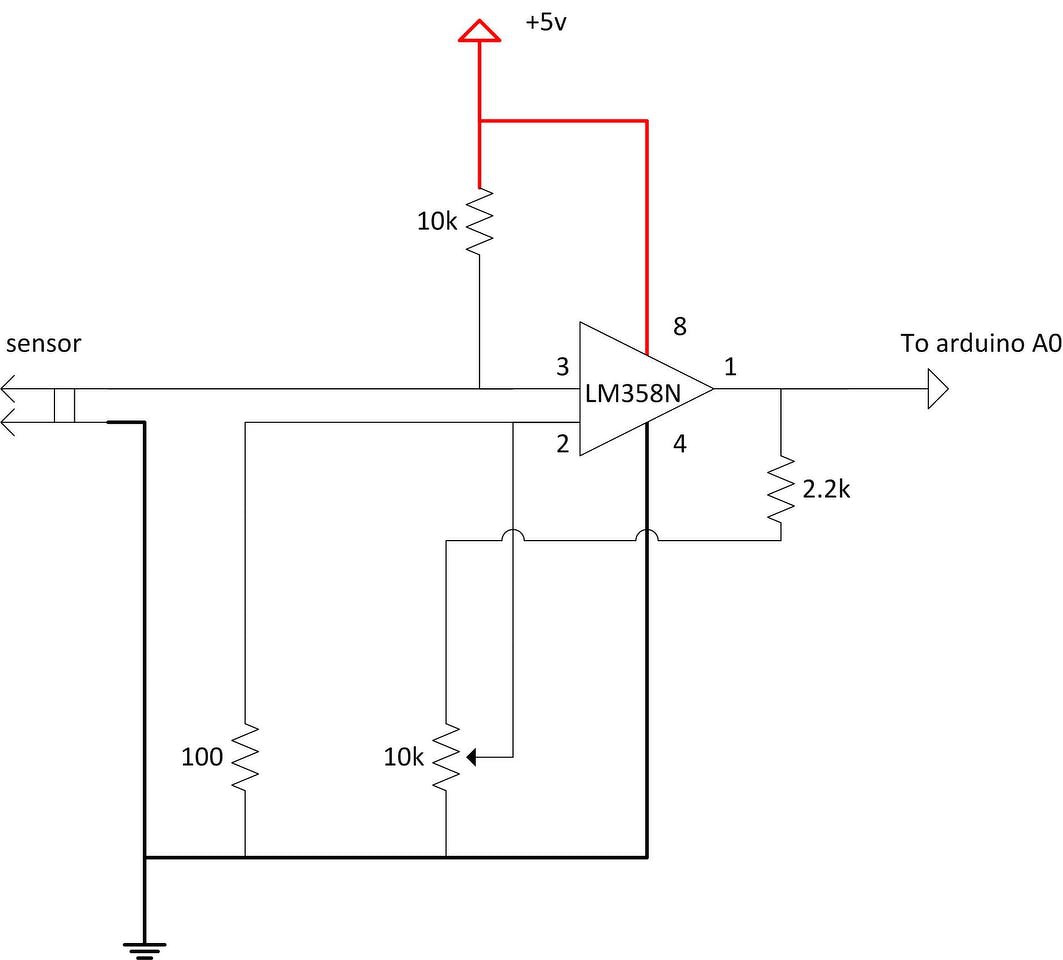
Tegnap összeraktam dugdosósba a csatolt kapcsolást a termisztor kb 30fokon 50 Ohm 140 fokon kb 125 Ohm! Viszomt a potit teljesen felcsavarva is csak 1.6-1.8 V ig esik a feszültség! Milyen képlettel tudnám kiszámolni a helyes ellenállásértékekkel, mert szerintem nem a legjobb, ha találgatással keresem azt! Meg annyi hogy a 2.2 k-s ellenállást 820 Ohm ra cserélve a minimum fesz leesik 0.7-0.8 ra A felső határt még nem tudom mert a fűtést még nem kapcsoltam rá! A hozzászólás módosítva: Jan 30, 2018
A 10 kohm-os poti GND-n lévő lábát az OPA 2-es lábára tedd.
A hozzászólás módosítva: Jan 30, 2018
Minek kellene történnie?
Mert én nem látok változást az értékekben! A hozzászólás módosítva: Jan 30, 2018
Csak egy apró kitérő!
Tekertem azt a potit mint az a bizonyos gyerek a bugocsigát... Teljesen lehúzva !10,3! gondoltam rossz a multiméter, elővettem a másikat, azzal is 10,3! Rámértem a 7805-re 11,56 ot ad ki, volt még belőle 5 darab (ugyan az a rendelés) mindegyik ott szort! Elrontották a feliratot? a kis távolkeleti kolléga pedig félrecsomagolt? Ellenőrzött 5 voltal táplálva mar rögtön barátságosabb! Szinte biztos hogy az eredeti kapcsolással fogom tudni a maximumnál 5 volt környékére állítani! De a pákát most csak 230 fokig tudtam fűteni mert a nejem hamarabb feljött a mosásból, és hát ugye én megint a villanytűzhelyet használtam tesztre! De amúgy 5 volt mellett se változott, akár GND-n akár 2 lábon volt a poti! Minek kellett volna történnie?
A 10k-s potiddal párhuzamosan van kötve egy 100 Ohmos ellenállat. Miért?
Foggalmam sincsen!
Nem értem a műveleti erősítő működését igy csak a talált kapcsolásra tudok hagyatkozni!
Amit írtam a 10k poti lábát a GND helyett a 2-es lábra, 2,2kohm felesleges. A kimeneten max poti állásnál (12200/100)+1=123 szoros bemeneti feszültséget kell mérj. A szenzor áram : 5/10000=0,0005A.
Tehát pl. 50 ohmnál 25mV kerül az OPA bemenetére, vagyis a kimeneten kb. 3,075V-ot kellene mérni. A hozzászólás módosítva: Jan 30, 2018
Akkor leveszem a 2.2k -s potit és tesztelem!
OFF: műveleti erősítőnek van 1 invertáló (+) és 1 nem-invertáló (+) bemenete, valamint egy kimenete.
A nemivertáló erősítőkapcsolás esetén az erősítendő jel a "+" bemenetre kerül, a "-" bemenetet pedig egy feszültségosztóval állítod be, ez szabályozza az erősítést. A feszültségosztó 2 sorba kötött ellenállás a kimenettől a föld felé, és a két ellenállás közötti pontot vezeted az "-" bemenetre. A 2 ellenállást nevezzük Rf-nek és Rg-nek, előbbi a kimenet és a "-" közötti, utóbbi a "-" és a GND közötti. Az erősítés pedig mindig 1 + Rf / Rg Bár a kapcsolásod működik, de nekem nem tetszik. De csináltam hozzá egy számolótáblát, csatolom. A 3 sárga hátterű mezőt állítgasd, a Pot_GND a poti középső lába és a föld közötti ellenállás (ez határozza meg a gain-t, azaz az erősítést), a 2 Rterm pedig a termisztor minimális és maximális állása. Ez utóbbit mérni célszerű, de a neten is körülnézhetsz, ha jól tudom valahol 45 és 160 fok között lesz. Pár dolog: 1. A kimenet nem mehet VCC fölé, sőt, mivel nem rail2rail ezért bőven VCC alatt lesz. Ezt tesztelheted úgy, hogy a "-" bemenetet földre kötöd, a "+" bemenetet pedig VCC-re, így komparátorként működve a leadható max. feszt adja a kimenetre az opamp. Ez alá pár tized Volttal lődd be a maximumot. 2. Ebben a kapcsolásban az alkatrészek tűrése is sokat számít, a 100 Ohm ellenállásod 5% tűréssel 95-105 Ohm között lehet, ezeket méréssel pontosítsd. Az Re a VCC és a "+" bemenet közti 10k-s ellenállat 3. a poti itt csak nagyon szűk sávban használható, én ezért szeretem a 3296 típusú potikat - a "sima" 3/4 fordulatos nagyon küzdős 4. a tábla elvileg csak eredő ellenállás és opa gain számítást tartalmaz, valamint Ohm törvényt, de ettől függetlenül nem vállalok garanciát arra, hogy hibátlan. A hozzászólás módosítva: Jan 30, 2018
Valóban.... a javasolt változtatás után 0,03 és 3,,005 között tudom állítani 52 Ohm mellett a kimeneti feszültséget. A következő lépés, megnézni, hogy remélhetőleg lineáris a változás, hogy a számoláshoz a képlet megirható legyen
Sziasztok!
Kérnék egy kis tippet ( ), hátha tud segíteni valaki.Van egy FAHRENHEIT 28011-es forrasztó állomásom. Megvagyok vele elégedve, de sajnos nagyon szegényes a forrasztóhegy választéka. Esetleg valaki tud arról, hogy másik gyártó forrasztóhegyi jók lehetnek hozzá? Nézelődök, de nem nagyon találtam még hasonlót sem ... |
Bejelentkezés
Hirdetés |






Ez az első, hogy ilyet csináltam. 





