Fórum témák
» Több friss téma |
Ha már 2 topikba is beírtad a kérdést akkor legalább írtad volna ugyanazt. A 230V mi AC vagy DC? A 60V körüli vagy 48-75V azt feltételezi hogy szabályozni is kell, amit valószínűleg egyébként is kellene, már ha stabilan akarod tartani a kimenet feszültségét. A primer elrendezés lehet push pull, de ekkora feszre már akár híd is.
Két topicba írtam, mert mindkét megoldás jó nekem. Ha váltakozófesz a kimenet az is jó, ha egyen az is jó. Ez egy elektromos robogóba kerülne beépítésre, és ezzel a kütyüvel fűteném télen az akkukat. Ez a fűtés egy film technológiás fűtőelemet táplálna a robogó saját akkujairól. A cél hogy legyen egy 48-75 v bemenet esetén nagyjából stabilan 230V kimenetem ( a kimeneten úgyis termosztát van, ez követelmény a túlmelegedés elkerülése miatt, így olyan nagyon nem kritikus a kimenet teljesen stabil szinten tartása). A filmnek tök mindegy hogy egyent kap vagy váltakozót (alapesetben 230V váltakozófeszre van méretezve). De aminek DC a kimenete az ugye DC-DC konverter, aminek váltakozó, annak inverter a neve. Ezért ment két topicba, és ezért különbözik mégis a két beírás.
A hozzászólás módosítva: Nov 25, 2016
Akkor elég egy push pull 494-gyel, még fesszabályozás sem nagyon kell, legfeljebb valamivel kevesebb feszt kapnak a filmek. Az AC egyszerűbb lenne 12V esetén mert lenne hozzá kész trafó a szünetmentesekből, viszont annak a hatásfoka nem éppen jó, 2A körül felvesz üresjáratban is. A DC-re meg találsz megoldást a cikkemben (12V-230V inverter), az gyári. Egy 494, 2 FET meg a trafó. A feteknek négyszer-ötször nagyobb feszültségtűrésűeknek kell lenniük mint a primer fesz, és a trafót a lehető legkisebb szórásúra, azaz a legszorosabb csatolásúra kell megcsinálni, különösen a két félprimer vonatkozásában (gyűrűmag előnyben).
A 12V bemenet az, amit szeretnék elkerülni. Alapvetően a robogóban van jelenleg 5 db 12V zselés akku sorbakötve. Az akkus táplálásra menet közben lenne szükség, és nem volna szerencsés csak az egyik akkut terhelni az áramkörrel. Nem szeretném a nagyon asszimetrikus terhelést, sokkal szerencsésebb lenne mondjuk a 60V ból kihozni a szükséges 4A körüli áramot, mint egy akkuból a majdnem 20A értéket. A 12V-ra amúgy lenne gyári megoldás, ezt bármelyik inverterrel kivitelezhetném. Köszönöm amúgy, a cikkedet meg meglesem.
Miért nem veszel 60V ra méretezett fűtőszálat nem egyszerűbb?
Nem nagyon van a piacon megfelelő fűtő akármi, ami ilyen feszültségről üzemelne. Ez a "fűtőfilm" 25 cm széles 10 centinkét vágható, és méterenként 40w a fogyasztása. 45 C° amit tud, bár igen, 230V kell neki. Azt gondoltam elég lesz a fűtés a töltés idejére, mert ekkor természetesen rendelkezésre áll a 230V hálózat. Az ára nagyon csábító, mert méterenként 900 Ft volt. Egy 24V ra méretezett, és szélesebb fajta már 3000 Ft/méter áron vehető, ez azért már sok. Azt gondoltam egyszerűbb lehet egy fesznégyszerezőt összerakni vagy egy invertert, esetleg DC-DC konvertert.
Sziasztok. A BSS elektronikán talált egyik kapcsolásról kérdeznék. Az ic-t kicserélhetem CD4049-es típusra? A végfetek IRFZ44N-ek lesznek (6-6db) és egy volt szünetmentes tápegység 800W-os trafóját hajtják majd. 6-800W körüli lesz a teljesítmény a 220V-os oldalon nem? Persze tekintélyes hűtés fejében... A válaszaitokat előre is köszönöm!
Mod.: Ha az IRFZ44-ek nem mis volnának valami alkalmasak,akad 4db IRF3205-ös power hexfet is. A hozzászólás módosítva: Jan 21, 2017
Valóban tekintélyes hűtésre lesz szükség, ha a feteket néhány mA árammal akarod gyorsan ki-be kapcsolni...
Sziasztok!
Ezen kérdésemre lenne valakinek ötlete?
Ezek az inverterek (direkt ,de emlékeim szerint rájuk is van írva) hogy laptop töltőt,és egyebet nem lehet róla üzemeltetni. Ilyen kicsi invertertől nem lehet csodát várni.
Van több olcsó inverterem azok hibátlanul viszik.
Lehet hogy a szűrő,vagy a kapcsoló üzemű tápban lévő puffert nem bírja. Ha van másik inkább akkor használd azt, egy inverter módosítása nem egyszerű dolog. Lehet mire ezt módosítanád hogy megfeleljen a te igényeidnek már összeraksz egy olyat ami univerzálisabb. Tudom hogy ez nem sok segítség de sajnos ez ilyen,én is szívtam már inverterek miatt.
Ok, köszi!
Igazán nincs mit,én köszönöm hogy segíthettem.
sziasztok. nincs valakinek egy kapcsolása 12v - 230 v max 1 A re?
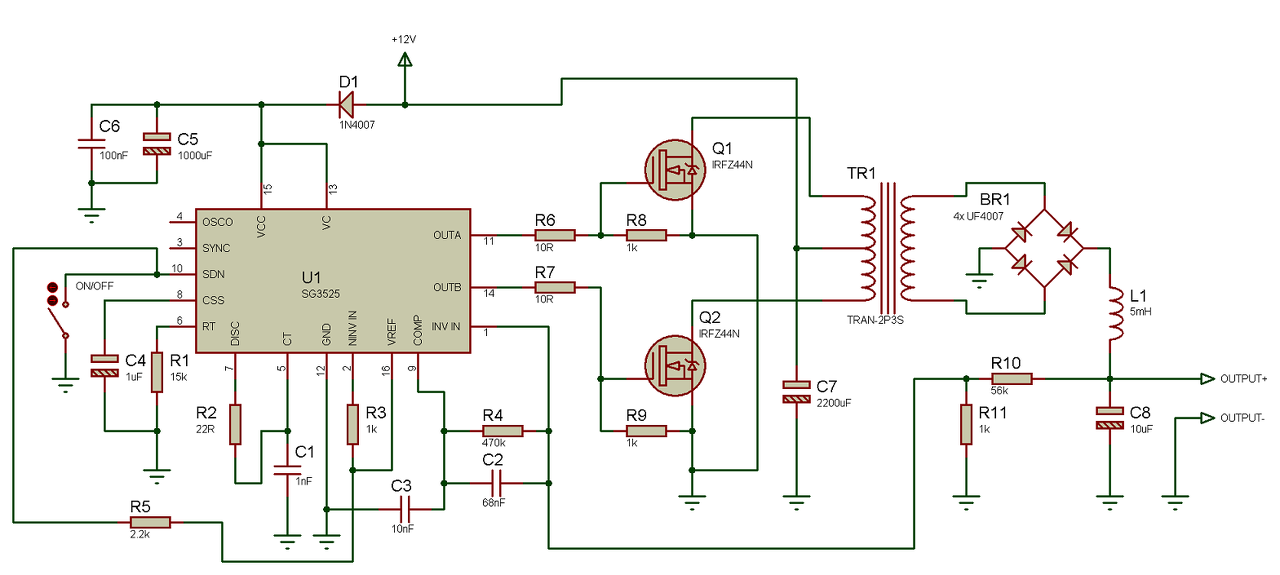
De, a cikkemben lévő kapcsolás kb. annyit tud. Ha azt bonyolultnak találod és/vagy nincs szükség szabályozott feszültségre akkor pedig itt van ez, amihez trafót tudsz bontani egy rossz szünetmentesből, nyilván olyanból kell amelyik 12V-ról működött. A rajzon két akku van, de ugyanúgy működik egyről is.
A kitöltés (a 230V feszültsége) állítható a DTC lábon lévő potival, a relés-nyomógombos áramkör pedig az akku túlmerülés elleni védelmét látja el, adott feszültségérték alatt a relé bont, tiltja a vezérlést, és nem is kapcsol vissza. A trafó, a rajta lévő primer és szekunder elemekkel együtt gyári készülékből lett kiapplikálva, és 600W-nyi terheléssel működtette akinek készítettem.
Ha csak 50Hz-es négyszöggel hajtod akkor jó lesz.
A hozzászólás módosítva: Jún 7, 2017
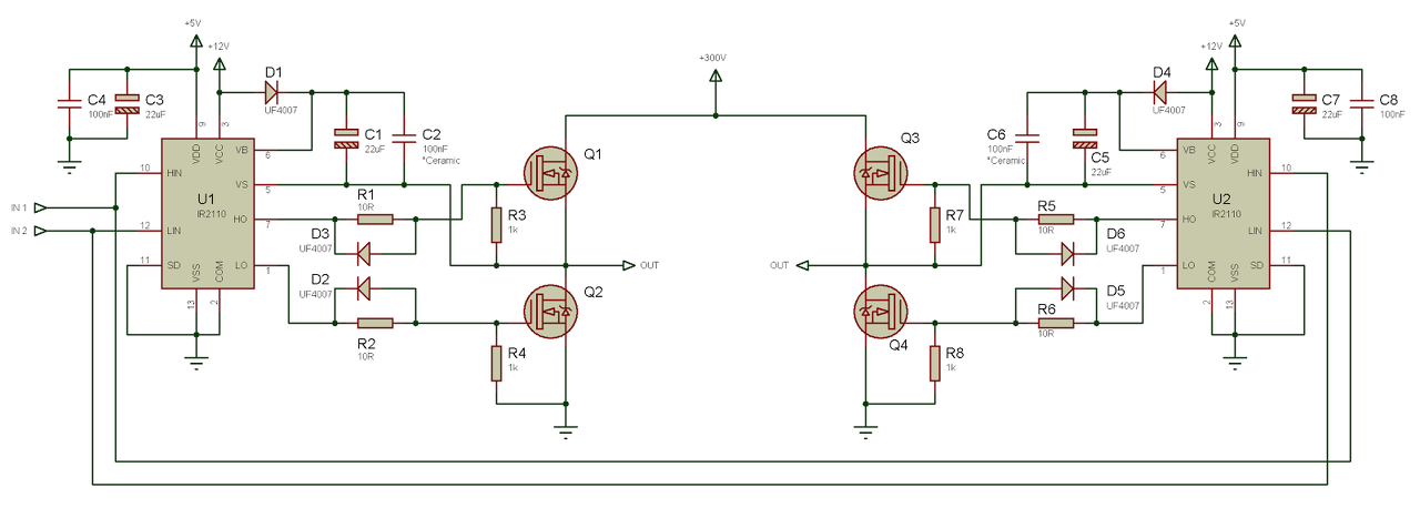
Négyszöggel? :/ szerintem felvázolom az egészet és úgy talán jobban tudsz segíteni. A történet a következő: Adott egy sg3525-el vezérelt kapcsolás ami 50 khz kapcsolgatja a feteket (irf3205), EE55 magot hajtanék, ezután ezt egyenirányítva pufferelve kapnék 325 VDC amit aztán egy EG8010 + IR2110 segítségével kapcsolgatnék 50hz H BRIDGE móban, ennek margójára még annyit hogy ez egy module és állítólag pure sine wave jelet generál, persze itt még jön az hogy először csak kicsibe,és ha működik akkor nagyba. EE55 magból van itthon 25db. linkelem a kapcsolásokat hogy átláthatóbb legyen mit is szeretnék
Még annyit hogy irf3205 ből sem 4-et szenvedtetnék hanem 40et egyszerre! a lényeg hogy tiszta szinusz legyen a vége és 5-10kw bírjon!
Ez a EG8010 18-20kHz körül hajtja a feteket itt nem lesz elég az IR2110 20 fettel.
Összesen 20-20-20-20 fetet akarsz? Én inkább kevesebb fetet használnék nagyobb teljesítményűeket. Esetleg rakhatsz a fetmeghajtó kimenetére még + fetmeghajtót de ennyiért már vehetsz nagyteljesítményű szigetelt fetmeghajtót. Pl 1EDI60N12 vagy esetleg optoizolált leválasztást és még azt kicsit pluszban megbikázni. Ugyan ez a primeren is. Bár erősen kétlem hogy 12V ból valaha is kihozol egyben 10kW-ot mivel túl nagy áramok lennének. Én emelném a helyedben a feszültséget. Feltételezem hogy akkumlátorok.
Ez a Eg8010+Ir2110 50hz hajtja a feteket. (linkelem a modult http://www.lz2gl.com/data/power-inverter-3kw/eg8010_datasheet_en.pdf) gondolkodtam én is a fetmeghajtón, de gondoltam előbb kérdezek aztán csinálom. igen tudom 12v legalább 1000A kéne, ezt úgy oldanám meg hogy több 8-10 autó aksit párhuzamosba kötnék,azért nem akarom kötni sorosan mert nem egyforma kapacitásúak az aksik! Visszatérve 10kw csak max csúcsba kéne de soha nem használnék 10kw egyidejűleg! a lényeg hogy van egy kis Weekend házam nincs elektromos áram bevezetve, sőt lehetősgem sincs rá, kút van víz van pipa csak áram nincs ugye ez a nagyobb baj, és szeretnék néha oda kimenni megpihenni és szeretném megépíteni hogy e feltételnek is eleget tegyen mert ugye elektromos áram nélkül ma nem igen lehet létezni. még ide annyit hogy gondolkodom az aksik utántöltésében is szél és napkollektoros megoldáson is. még annyit hogy ha így ami a témáról folyik kivitelezésben valódi szinuszt kapnék???
Igen ez minden bizonnyal valódi szinuszos.
Ha pl lenne egy elfekvő nagy 50Hzes trafód azt is csinálhatnád hogy a 12V oldalon modulálod a feszt szinuszosan a trafó szekunderére és a primeren leveszed a feszkót. Akkor nem kell duplán teljesítményfokozatot építeni és a DC_DC konvertert teljesen elhagyhatnád. pl egy 2kVA es trafó bőben elég és az csúcsban tudni fogja neked a 10kVA-t is. Kérdés hogy mennyi lenne az effektív terhelésed. Hatásfokban is elég jó lenne.
hmm... nem hangzik rosszul az ötlet, pl öreg régi ipari hegesztő trafóról ez kivitelezhető lenne? tudatosan használnám, gondolok itt arra hogy porszívózás közben nem szárítanám a hajam úgy hogy még a sütőben is pirulna a rakott krumpli, szóval egyidejűleg nem terhelném túl a rendszert, világítást megoldanám led izzókról stb stb szóval tudatosan ahol csak lehet ''spórolnék'' a feszkóval. effektíve szerintem ha kb számolom 1-1,5kVA világítás, tv, meg egykét apróság és azzal a másfél kVA nagyon jóindulatú voltam magamhoz! esetleg ilyen nagy trafót hol lehetne beszerezni???
A hozzászólás módosítva: Jún 8, 2017
Hegesztő trafó megfelelő lehet de el kell távolítani a közbülső szóró vasmagot hogy jobb legyen a csatolása a prim/szekundernek. Továbbá kevesebb menet fog kelleni mivel ide 12V-hoz kb 6-7V os szekunder menetszám kellene. A maradék szórási induktivitás pont jót tesz és szépen ehet majd szűrni a kimenetet pár kondival hogy ne maradjon négyszöges.
Végszóként még annyit, ha megépítem a rendszert tökéletesen tudnám működtetni az egyéb háztartási eszközöket ?? mosógép, mikró, sütő, kávéfőző stb stb ?? esetleg még ha lenne valami hozzászólásod, észrevételed, tanácsod szívesen várom mielőtt belefogok. Útközben ha elakadok majd kérdezek, igazat megvallva nem igen építettem még invertert elméletileg tudom mi fán terem, gyakorlatilag úgymond tapasztalatlanul állok a kihívás elébe.
Sziasztok, szép napot mindenkinek! A kérdésem az lenne, hogy mennyibe kerülne kb. egy olyan inverter ami 12v-ból csinál 230v-ot? A felhasználási célom, egy akumlátorról üzemeltetni éjszaka egy 10W-os rovarcsapdát mivel zavaró horgászat közben a sok szúnyog
Szia!
Nem lenne egyszerűbb, egy 12 voltos rovarcsapdát építeni? |
Bejelentkezés
Hirdetés |












