Fórum témák
» Több friss téma |
Szia! Láthatóan H-osztályú az erősítő, az alacsony tápból a +56V-nak is meg kell lennie. A hibás csatorna +112V-ra kötött teljesítményfélvezetőjének lábai között nincs zárlat? Ezt a mérést a tápkondik maradéktalan kisülése után végezd!
Találtál hozzá rajzot? Szerk.: több mint 200V-os feszültség van a kezed alatt, tudsz vele szakszerűen bánni? Egyáltalán nem amatőrnek való feladat. A hozzászólás módosítva: Máj 5, 2017
Találtam kapcsolatot a 2 tápfesz között. 2darab FQP70N10 es fettel találkoznak. Ijennel még nemvolt dolgom. Pozitiv oldalon S-ra megy +56v D-re +112. Negatív oldalon S-ra -112 D-re -56!
Pozitív pldalon egyik fet átvezetett állandóan és itt kuszhatott át a 112volt szerintem. Kivettem és most rendben van a biztosítókon is a +-56v. Viszont ugyan az a tünet ég a clip és csökkent a hangerö. Szakképzett villanyszerelö vagyok. Bekapcsolt állapotban végeztem a méréseket. Rajzom sajnos nincs semijen. A hozzászólás módosítva: Máj 5, 2017
Rajz hiányában sajnos nem tudok pontos útbaigazítást adni.
A Clip jelzés és a halkan szólás között a beépített limiter lehet az összekötő kapocs. Ezen az APEX rajzon tanulmányozhatod a H-osztályú erősítő felépítését. Ha az előtted lévő készülék is az igen elterjednek számító NSL32 LED vezérelt fotoellenállást tartalmazza, akkor onnan visszakeresheted a Clip-LED-et vezérlő áram forrását.
Sziasztok.
Javításra hoztak egy Skytek Pro240 típusú "végfokot". Az összes aktív alkatrész teljes pusztulását látva, elgondolkoztam, hogy van e értelme belekezdeni... No mindegy, csere minden. Labortápos indítást követően igen torzít a szerkezet mindkát oldala. Kapcsolási rajz persze nem fellelhető... A meghajtó tranzisztorok erősen melegednek. Nyugalmi áram beállítást nem lehet a megszokott módon állítani. Kirajzoltam a panelt Tina-ban, és igen érdekes megoldás tárult elém (nekem legalábbis)... Bár tudom, hogy a kínai tömeg termékeknél bármi előfordul, de, hogy egy kvázikomplemmenter kapcsolás "P" típusú véggel legyen megoldva, én még nem láttam soha. Természetesen a panel szitázva van, csak! a végtranzisztorok nem. Így totóztam kicsit míg rájöttem a turpisságra (az össze végtranzisztor teteje le volt robbanva felismerhetetlenné téve az azonosítást). Látva a T3, T4, T5 (2SA1015, 2SC1815) típusait, a szimulációban a BC182, 212 közelítk meg legjobban terhelhetőségben.. A végfokban 2SA940 volt, jobb híján T1820 végtanyókat tettem bele (ez van itthon). Indítást követően, a pozitív félperiódust vágja erősen. Ha az R6-ot (18k) csökkentem, akkor 11,5Kohm értéknél a színusz normalizálódik. Ekkor a szimuláció szerint 4ohm-on, 0,775V bemenó jelnél, 1KHz-en 2X40V tápfeszültségnél 46W teljesítmény jön ki műterhelésre. A melegedő meghajtó tranzisztorokat érdemes cserélni BD 139-140re? A megszokott BD139 es tranyóval működő nyugalmibeállítás itt szóbajöhet? A hozzászólás módosítva: Máj 6, 2017
Kössz a rajzot,sokat segített.
Az én erölködömben egy bizonyos LCR0202 es (Analog Linear Optical Coupling) ledes fotocellás cucc van. Erröl találtam adatokat. Namost ehez kapcsolódik a bemenetre 2sa1015 meg 2sc1815 tranyók. Ezek közül a 1015-ös zárlatos. Továbbá a fotocellás cucc alsó része ahogy fekszik a panelon körül az alsó része minta megvolna gyürődve talán a melegedéstöl vagy túlságosan fölmelegedett mikor forrasztották mert látszik hogy volt ki-be forrasztva elözö javítás alkalmával. Kérdésem az hogy ezt lebiom-e mérni üresen az ellenálását meg ha adok kb1-1,5v-ot a led-re és ugyis hogy müködik-e.? Meg ha mondjuk kivenném a körböl ugy beindithatom e az erösitöt próbára? Hejreállna a hang mivel nincs ami leszabájoz.? A clip leded tranzisztor kapcsolja,2sc1815 3darab sorba kötve. Az elsö bázisát ahogy nézem a kimenetröl kapott jel erössége nyissa meg ellenálásokon diódákon keresztül. A hozzászólás módosítva: Máj 6, 2017
Feltételezem a zárlatos 2SA1015 eltávolítása eleve megszünteti a felesleges csillapítást.
Az optocsatoló LED-jének valószínűleg van soros ellenállása, a rajta eső feszültségből számolható a LED áram, aminek nullához kell közelítenie kivezérlés nélküli állapotban. Ha a hibás tranzisztor eltávolítása után észlelhető még a LED árama, akkor fel kell derítened, hogy miből táplálkozik.
Szia! Ezzel a panellel van szerelve?
SIKER!
2sa1015 ki,hangerö fel! Hejreállt a rendszer. B oldalon(a jó oldal) szintén nyugalmi hejzetben jelen van a +112v,a negatín oldalon -56 normális. Kicserélem ugyanazt a fetet mint A oldalon és készen lessz. Mitől történik ijen hogy átüt a fet és elmászkál a nagyobbik tápfesz?
Fogadd elismerésem, hogy higgadtan és balesetmentesen végezted a javítást!
A FET esetleg gyenge széria volt, vagy túlterhelés áldozata lett, sajnos nem szolgálhatok pontos magyarázattal.
Köszönöm. Meg a SEGÍTSÉGETis!
Az eredeti feteket nemtudom beszerezni,de hasonlót igen. Ön szerint mijet válasszak legyen nagyobb a feszültség türése vagy inkább a nagyobb áram terhelhetöségre menjek? Az eredeti fqp70n10 es 100v 57A Rendelkezésemre áll irfp140N 100v 30A.
A helyettesítőnek a határadatokon kívül impulzusviselkedésben és maradék-ellenállásban is kompatibilisnek kell lennie.
Látogass el ezzel a kérdéssel a Tranzisztor helyettesítés témába! Szerk.: A Farnell elérhető számodra? Bővebben: Link A hozzászólás módosítva: Máj 6, 2017
Nem egy erőmű
![]() Cseréld fel T5 kollektor-emittert a szimulációban és úgy végezd el a Tranziens analízist!
Sziasztok!
Tudna-e nekem valaki Universum V46012 erősítő kapcsolási rajzban segíteni. A koppanásgátló relé nem húz be, de ez a javításom előtt is át volt hidalva. A két STK-s végfog le volt égve, cseréltem, 60W-os izzó sorbakötve a 230-al, de halványan felizzik az izzó, de hang az nem jön ki, ha áthidalom a koppanásgátló relét akkor sem nyekken meg. Minden led rendesen világít, a kijelzője működik, csak épp hang nem jön ki belőle.
Szia! STK4044 van benne?
Igen, STK4044XI
Az IC-k kimenetén van egyenfeszültség?
Az IC-k bemenete megkapja a hf-jelet?
Sziasztok!
Egy kis segítséget szeretnék kérni,van egy kenwood ka-92b típusú erősítőm. Zene hallgatás közben pukkantak egy kicsit a hangfalak,lekapcsolt a relé. Áramtalanítottam majd vissza de semmi, nem húz be a relé. Belenéztem és az előerősítő résznél egy ellenállás és 2 kerámia kondi elfüstölt,kicseréltem őket de még mindig semmi. Mást nem látok benne hibásnak külsőre. Szerintetek mi lehet még esetleg a probléma? Köszi.
Szia! Keress hozzá kapcsolási rajzot és add meg mely pozíciószámú alkatrészeket találtad hibásnak. Mérd meg a tápfeszültségeket és vesd össze a rajzzal! Mérd meg a végerősítő kimeneti egyenfeszültségét még a relé előtt!
Bejelöltem a cserélt alkatrészeket,én még a 2SA1124 és a 2SC2632-re gyanakszom.
Amikor lekapcsolt a relé, utána szétbontottam és bekapcsoláskor a kijelző működött rendesen, nem volt semmi rendellenes azon kívül hogy a relé nem húzott be. Amikor 0-ról emeltem a hangerőt felfelé,akkor füstöltek el a bejelölt alkatrészek. Egyéb külsérelmi nyomot nem találtam. A hozzászólás módosítva: Júl 17, 2017
Nem igazán látom a jelölésedet. Tudnál pozíciószámot írni, vagy a mellékelt rajzon jelölni?
Pirossal jelöltem,az előzőn is. C25(10pf),C29(470pf),R39(100ohm)
A kondenzátorok meghibásodására egyelőre nem találok okot, a 100 Ω-os ellenállás elégése félő, a TA2040 hibájából következett be. Ha zárlatos tranzisztorod lenne a meghajtásban, akkor R37 és R41 is elszenvedte volna ezt a melegedést.
Az egyenfeszültségek hogy állnak?
Még nem nagyon volt időm sajnos a gyerkőcöktől komolyabban neki ugrani,csak amit felületesen láttam azt javítottam. Még nem méregettem. Kis hangerőn következett be a baleset,és ahogy a hangerőt emeltem csak akkor füstölt el az ellenállás, a két kondi szerintem nem szált el csak egymásra voltak hajolva és mindkettő rá az ellenállásra. Amelyik közvetlenül az ellenálláson pihent azon van egy kis kormolódás nyom. Akkor szerinted felesleges a két tranzisztort kicserélni? Elsökörben bennem is a végfok hibája merült fel,csak probáltam inkább nem rá gondolni,mert nem egyszerű szerezni olyat.
A hozzászólás módosítva: Júl 17, 2017
A mérés nélküli alkatrészcserének nem vagyok a híve. Lehet éppen rossz a tranzisztor, de semmi garancia, hogy nem fog az is egyből tönkre menni.
Méregettem egy kicsit:
Relé lábain 71v és 68v-ot mértem. relé előtti 3db ellenállás -0.17v,1,6v,1,6v relé melletti ellenállás 0-0v nagy elkó 71v kisebb elkó 40v. Írd hogy mit mérjek meg és mérem.
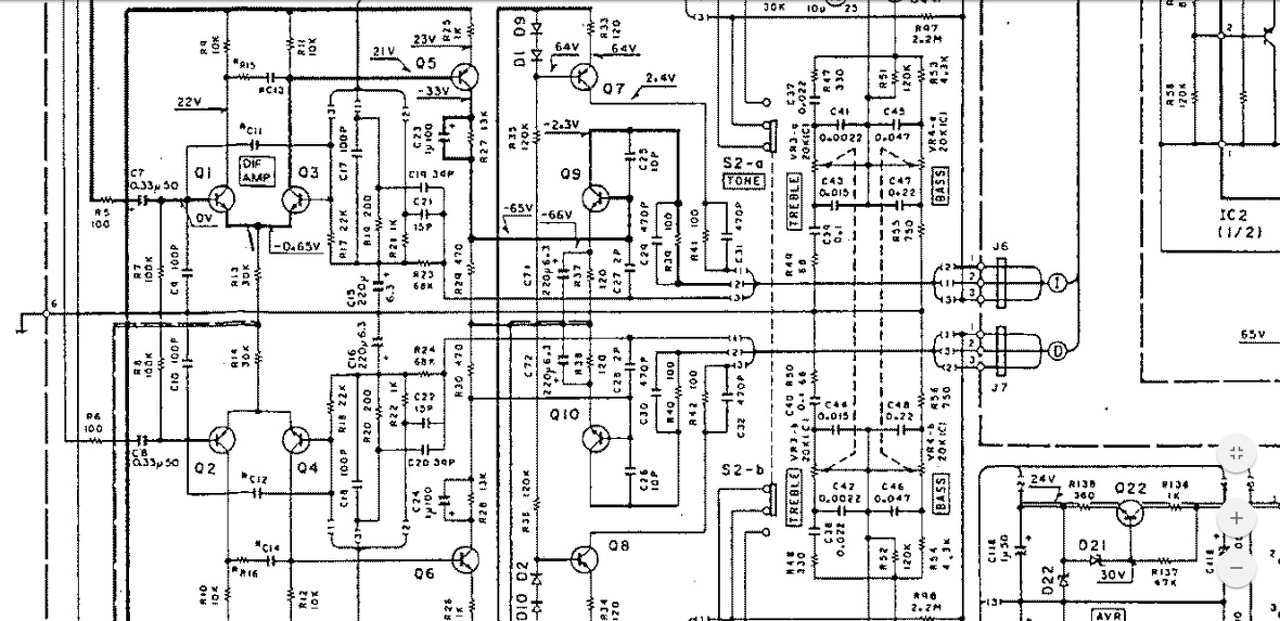
A kimeneti egyenfeszültséget mérd meg, valamint Q7 és Q9 kollektorfeszültségét szintén testhez képest, jelölve annak testhez viszonyított polaritását.
Q9:70v kollektor negatív
Q7:70v kollektor pozitív testhez képest. A kimeneti egyent hol mérjem meg? |
Bejelentkezés
Hirdetés |




Így totóztam kicsit míg rájöttem a turpisságra (az össze végtranzisztor teteje le volt robbanva felismerhetetlenné téve az azonosítást). 








