Fórum témák
» Több friss téma |
Sziasztok!
Összeraktam én is ezt a Led villogtatós dolgot..Azonban van velem egy kis problémám..amikor a jack elosztoba beledugom elégge hallhatóan lehuzza az 5.1 hangminőségét..Valamint peldául ha kihuzom az 5.1et és a helyére bedugok egy fülhallgatót a led rögtön kikapcsol.. Mik lehetnek a problémák?Mit kéne módosítanom rajta? Amiket felhasználtam: 12V neoncső 12V 200mA-es adapter BD241C tranzisztor Jack elosztó kábelek breadboard
Pontosan melyiket csináltad meg?
Erről lenne szó.
Ez kettőshibás rajz.. se bázisellenállása nincs a tranyónak, se előtét a ledeknek..
![]() Persze a B-E átmenet direktben bezavar.
Hmm sejtettem valami hasonlót..
Ugye a lednél nekem nem kell szórakoznom az ellenállással mert 12v-os neoncsövet használok ledek helyett.. A bázisellenállásról küldenél egy módosított kapcsolást? Valamint az ellenállás nagysága mekkora legyen ? A hozzászólás módosítva: Dec 17, 2016
A jack melegpontja és a bázis közé tegyél egy akkora ellenállást, hogy a neoncsövet kellően kivilágítsa.
1 kohm nagyságrendben talán jó. Mennyit fogyaszt a cső? Kb. mekkora fesz jön be jack melegpontra?? A hozzászólás módosítva: Dec 17, 2016
Eléggé kezdő vagyok a témában..Mit takar a jack melegpontja? :/ A cső 5W
Gondolom a használt channel lesz a melegpont. A hozzászólás módosítva: Dec 17, 2016
Az 5.1-ről mekkora feszt kap.
Ha a cső 5 wattos, fogyaszt max 0.4 ampert, oda 20 mA bázisáram kb elég. Kiválasztod majd az optimális bázisellenállást pl. 470 ohm -1 kohm között, hogy ne is terhelje be az 5.1-et, de elég fény is legyen. Erről ennyit lehet elmondani.
Helló!
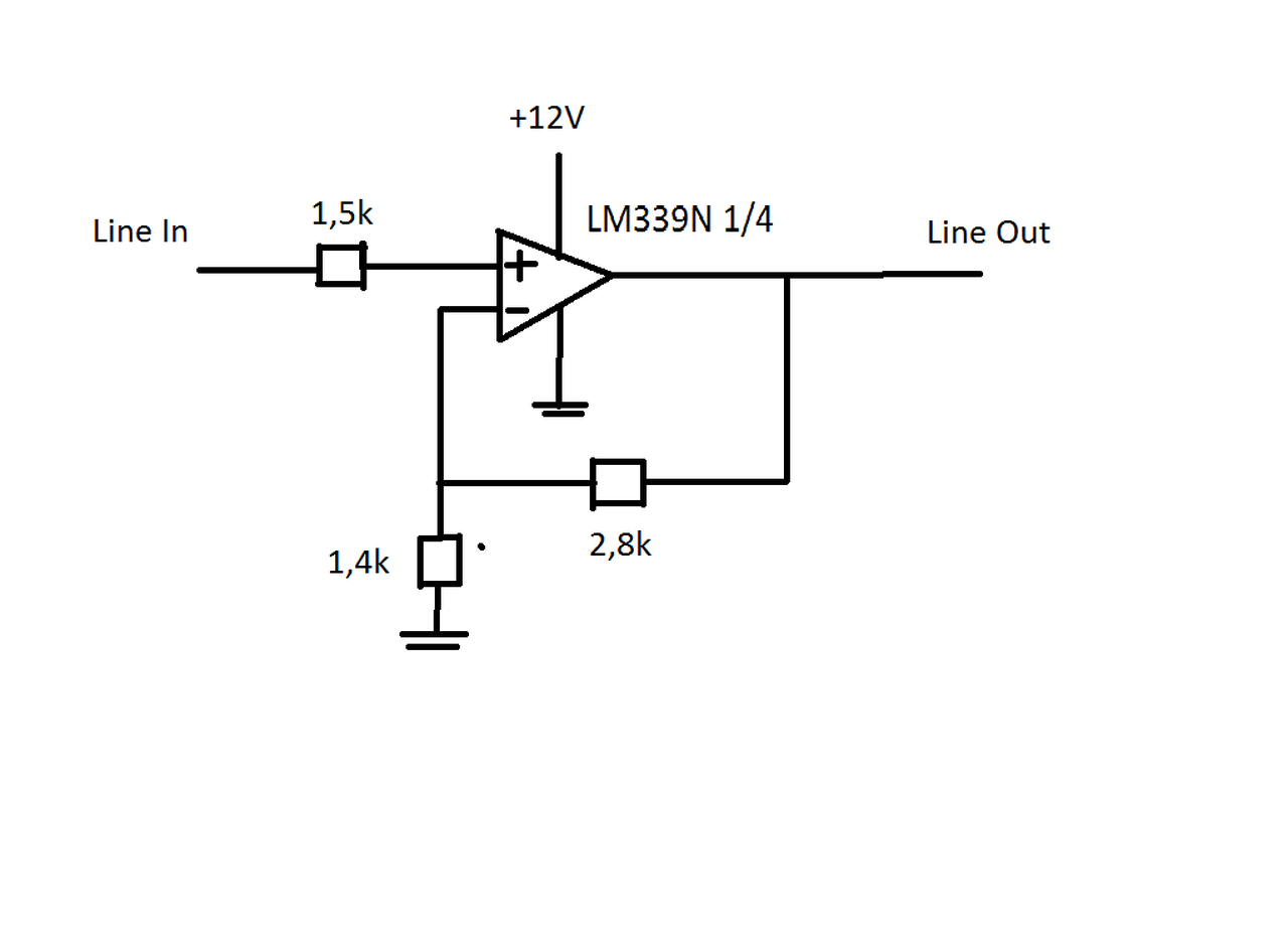
Elég kezdő vagyok, autodidakta módon próbálom elsajátítani a szerelgetés fortélyait ![]() Építettem egy ilyen áramkört, de nem bírom működésre bírni. A Line Out egy TIP31C-s tranzisztorba fut bele. Az a probléma, hogy ha a negatívat nem csatlakoztatom sehova akkor folyamatosan ég, zenére kicsit pulzál. Ha viszont bekötöm a földet, akkor egyáltalán nem csinál semmit, nem is világít. Hol rontottam el? (Bocsi hogy paintben rajzoltam meg )
Hello! Ez több szempontból nem megfelelő.
- Az LM339 komparátor, nem műveleti erősítő. Tehát nem kellene hozzá visszacsatolás, elég lett volna a "-" bemenetre leosztod a tápból azt a feszültség szintet, ami felett bekapcsolná a tranyót. - A "+" bemenet lóghat a levegőben, hanem egy ellenállással a GND-re kellene kötni a bemenetnél. (Ha lóg a bement, akkor magas a szintje, mert a bementi áram felhúzza a bementet.) - Az LM339 kimenete nyitott kollektoros, tehát így nincs munkaellenállása a komparátornak és tulajdonképpen nincs ami kinyissa a végtranyót. Viszont a maximális kimenti áram nem lehet több, mint 20mA. Tehát a táp és a kiment közé, 12V esetén 600ohm-nál kisebbet nem tehetsz. - Ha a kimenet mags szintű, akkor ez a felhúzó ellenállás egyben meghatározza a tranyó bázisáramát is. Tehát a terhelésnél ezt figyelembe kell venni. Mert a TIP kollektorárama a bázisáram*a bétánál nem lesz nagyobb. - Az IC "+" bemenete és a GND közé egy diódát érdemes kötni, mert a bement nem kaphat -600mV-nál nagyobb negatív feszültséget. (Anód a GND-n és célszerű a soros 1,5k-t növelni, hogy ne terhelje majd a jelforrást.)
Ohh, azt hittem, hogy ez az IC 4db erősítő. Köszönöm a gyors választ, akkor inkább beszerzek egy LM358-ast!
Oké, de a bázisba tegyél azért áramkorlátozó ellenállást, mert az nem túl szép dolog, ha az IC túláramvédelme korlátozza ezt az áramot. Valamint lezáratlan és védelem nélküli bemenet ott is hasonló gondokat fog okozni. Valamint azt is át kell gondolni milyen jelforrásra kötnéd rá a bementet. Jelenleg az LINE szintű bemenethez célszerű alkalmazni.
Helló! Ismét megpróbáltam egy áramkört megépíteni, mégpedig ezt. Egy LED szalagot villogtat(na). Ha telefonból kapja a jelet, akkor tök szuper, működik rendesen, azonban ha a PC-be dugom be, akkor nem villog. Amikor először bekapcsoltam az utóbbi módon, a zene mellett erősebb sercegés hallatszódott, majd a tranzisztor elé kötöttem egy 1K-s ellenállást és így már alig észrevehető a zavar, de akkor sem működik. Mi okozhatja ezt?
A hozzászólás módosítva: Márc 18, 2017
Hello! Lehet hogy valami megpusztult az összekötés során. Mert nem tudni muvel tápláltad, és az hogy volt összekötve. Ha két hálózati tápú dolgot kötünk össze, és nem a GND kapcsolódik először össze, akkor a két készülék között folyó áram tönkre tehet bármit, ha nincs védelem.
Persze ezek csak fikciók, mert nem tudom mit tettél. De az nagyon gyanús hogy "sercegett". Amúgy ez a kapcsolás nem kaphat egyenfeszültséget, viszont a becsatolás egyenáramú. VAgy is nincs leválasztó kondi a bemeneten. Alapvetően nem kell, de feltétele, hogy a jelforrásból egyen feszültség ne jöjjön. A tranyót bázisát pedig illetlenség közvetlen az IC kimenetére kötni, mert eben az esetben a bázisáramot csak az IC belső áramvédelme korlátozza. Az, hogy nem működik (már párszor leírtam) csak egy bites információ. )Na jó, két bit, mert serceg is..) De nem derül ki belőle semmi. Még az sem, hogy a Led-ek világítanak állandóan vagy sem, vagy látható-e valami működés. Vagy is mérni kellene és pld. ellenőrizni működik-e még egyáltalán a kapcsolás. Mondjuk egy 1,5V-os elemből feszültséget adni a bemenete, hogy világít-e a Led. És mérni feszültségeket. De az ilyen leegyszerűsített kapcsolásnál, pld. az is gond, hogy nincs a bemenet a GND-re lekötve. Ha a bement szakadt, akkor világítania kell a Led-eknek. Ha rövidre zárod a bemenetet, akkor pedig el kell aludnia. Ez is lehet egy próba, de illene a bemenettel (Bemenet-GND) párhuzamosan egy pld. 100kohm-os ellenállást kötni.
Ismételten elgondolkoztam azon, hogy miért ne lehetne a 2017-es HE találkozó versenykiírása a zenére villogó LED.
![]() Persze úgy, hogy Proli mester nem nevezhet, mert egyébként más "LED-be sem rúghat"
Én csak a virtuális Led villogtatásnál vagyok jelen, mert nem építek ilyesmit. Ráadásul ki nem állom ha valami a szemebe villog. Elég volt a "nemvillogó fénycsöveket" nézni vagy 40 éven át..
Két külön tápegység táplálja. Az az érdekes, hogy ha telefonba dugom be, akkor hibátlanul működik, villog ahogy azt kell. Mint írtam ezelőtt, PC-nél viszont meghal, egyáltalán nem ég a led.
Próbáld ki amiket írtam. Remélem az áramkört tápláló tápegység negatív pontját is összekötötted a PC GND-vel. Mert valami egyszerű triviális hiba van.
Idézet: Az lehet, de IC kimenetre akkor sem kötünk rá így tranzisztort, mert rövidzárban van. A bemenet pedig kisimpedanciás, úgyhogy teljesítmény -vagy impedancia illesztő -vagy kisimpedanciás fokozattal kell meghajtani (pl. fejhallgató kimenet, mint a telefonon). „...ha telefonba dugom be, akkor hibátlanul működik...”
Hogy milyen jó szeme van Jánosnak. Nekem fel sem tűnt az 1,5k. De ezen az alacsony impedanciás bemeneten lehet segíteni, ha az 1,5kohm helyett 33kohm-ot, az 1µF helyett 47nF-ot használsz.
Sziasztok!
Segítségre lenne szükségem.Van pár használaton kívüli ledes ízzóm amiből zenére villogó fényt szeretnénk alkotni 2-3 felhasználásával.A képeken látható dolgaim vannak.Tudnátok segíteni mit kellene beszerezni és összekötni? köszi szépen.
Ezt a zenére villogtatást TIP31-el úgy is el lehet érni, ha nem jack-re kötöm rá, hanem a hangszóró pólusaira?
HA a LED-eket megfordítod és beteszel egy pár kohm-os bázisellenállást, akkor még működhet is.
hmmm...késő.rákötöttem, most már a hangszóró se szól!
megöltem a hangszóróm?
Ha leveszed róla, akkor sem? A tranzisztor bázis-emittere áramkorlátozás nélkül lehet, hogy zárlatban ment (egyébként sem akarja 0,6-0,7V fölé engedni). Esetleg kimehetett egy biztosíték az erősítőben...vagy elszállt az adott oldalban valami.
Ne kapkodj! Nem bírtál várni 1-2 órát és meg lett a baj. Ebben felállásban sehogyan sem fog világítani a LED-sor, ha megfordítod sem, mivel igen sok LED van sorban. Ha jól látom egy E27 foglalatú "izzó", akkor pedig az sanszos, hogy 230V-os, nem? Mégis hogyan világítana 9V-ról? Egyébként is feleslegesnek tűnik a tranzisztor, ha a végfok kimeneti feszültsége meghaladja a LED-sor nyitófeszültségét, akkor mehet akár közvetlenül rá, persze soros ellenállást oda is rakni illik! A hozzászólás módosítva: Feb 11, 2018
nekem diódának tűnik.
PC belső hangszóróira raktam rá. másik hangszórót sem szólaltat meg. bár az 8ohm-os. ezmeg csak 4ohm. szóval gondolatm elmehetett valami az alaplapon...gondolom az amplifier chip. szoftveresen nincs letiltva, mérések szerint elmegy a chipig az impulzusok, már amennyire én tudok mérni... =)
PC-re aztán igazán felesleges villogó LED-eket barkácsolni, amikor szoftveresen olyan látványorgiát varázsolhatsz a képernyőre, amilyet nem szégyellsz.
Sziasztok! Zene ütem villogót szeretnék készíteni, ami 12 V-os áramforrásról működne és kb. 40 kis teljesítményű ledet működtetne. Azt szeretném, hogy a zene ütemére villognának a ledek. Rengeteg kapcsolási rajz van az interneten, én egy olyat szeretnék, ami működik. A segítséget előre is köszönöm
|
Bejelentkezés
Hirdetés |




















