| Fórum témák 
 
 » Több friss téma | 
				A következő ic-k (EL-driver) közül tudja valaki hol lehet kapni valamelyiket? Sp 4422 mc 33441 d 305 sb 6540 zsp 4422 
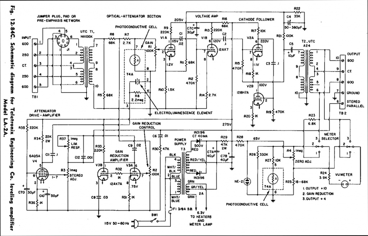
				Miután a felsorolt el driver ic -k beszerezhetetlenek csak nem hagyott nyugodni a dolog és tovább barkácsoltam.Az órákból bontott el fóliák elégtek de egy kollegámtól kaptam bontott pda fóliát.A pda-ból az eredeti meghajtó áramkört sikerült müdködőképesen kioperálni,de én saját meghajtást akartam hozzá csinálni.Sikerült az alábbi rajzból.Trafónak egy 6v-os adapter trafóját használtam forditva bekötve.Ha a fet és a tekercs közé bekötöttem egy 33 ohmos ellenállást akkor 110v csúcstól csúcsig kimenőfeszt kaptam a fólián.Igy eredeti fényerővel világított mint a pda-ban. Megpróbáltam soros ellenállás nélkül is akkor jóval nagyobb kimenőfeszt (400v) és fényerőt kaptam.Ez a fólia bírja de valószínűleg nem mind tolerálja a nagyobb feszt. 
				Képek! 
				:wave: Sziasztok! Új regisztráltként engedjétek meg, hogy Boldog, békés Újesztendőt kívánjak mindenkinek. És mindjárt segítséget, tanácsot is kérjek: Kigondoltam, hogy EL-fólia megvilágításő küszöbvédőt teszek az autómba. Vásároltam EL fóliát . http://www.plastform.hu/vfolia.htm Vettem invertereket. http://www.conrad.hu/conrad.php?name=Products&cid=VkZaU1ZrMVZNVVZWV...ZPUT09 http://kepfeltoltes.hu/view/100101/inverter_www.kepfeltoltes.hu_.jpg Összeraktam. Sikerült. Világít. De a próbánál (üzem közben zenét hallgattam) a közelben lévő + fütyülést is adott a zene alá. Tartok tőle, hogy az autóban is fütyülni fog.   Kérdésem: - Milyen (nem túl bonyolult módon) tudnám ezt a füttyöt elhallgattatni. Nem az EL kikapcsolására gondoltam.   Előre is köszönöm a tanácsokat. 
				Szia! Biztos lehetsz benne ! sajna az inverterek "teleszemetelik"a táphálózatot is (mivel a kinaiak kihagyják a zavarszűrés elemeitt!/költséghatékonyság!/)ezenkivűl a meghajtás mágneses és villamos tér sugárzása nem csak mérhető--HANEM hallható is lessz! Nem véletlen, hogy az autóHIFI-sták mi mindent elkövetnek a megszüntetésére(külön akku-invertáp a csomgtérben-extra zavarszűrők az egész kocsiban ) Nem megoldhatalan , csak IDŐ+KÖLTSÉG igényes......   
				:worship:  Hát ez remek kilátás! Node, egyelőre inkább nem zenélek majd nyitott ajtónál. Kompromisszum.     Köszönöm. :worship: 
				Én 2 db 3x35 cm-es, fehéren világító szalagot vettem. A számlát "eltüntettem" (az asszony elől    ), de emlékeim szerint 6400 körül volt. Karácsony előtt. 
				Ha valaki meghajtót akar épiteni,akkor megtaláltam a nec ns sorozat rajzát. Bővebben:TRS-NS-102...TRS-NS-217 valaki értelmezze már,nekem furcsák ezek a rajzok. 
				Ezek csak a tranzisztoros végfokok. ( Az elvi rajzokat nézve... )						 
				Helló mindenkinek! Most kaptam egy EL fóliás LCD kijelzőt. Csinálni szeretnék hozzá egy invertert. Az lenne a legfontosabb kérdés, hogy elegendő a transzformálás előtt csak megszaggatni a feszültséget, vagy "valódi" váltakotó feszültség kell? Az azért vetődott fel bennem, mert az adatlapok RMS értéket írnak, és nem biztos, hogy megengedett, hogy legyen egyenáramú összetevője. (Hallottam, hogy vannak olyan eszközök amiből egyenáramú összetevőnél "elfogyik az anyag", de ez nem az EL). Tudja-e ezt valaki? Előre is köszönöm az infót. Üdv.: Komlósi 
				Sziasztok! Van egy ilyen el-fóliás sör reklámom ami sajnos tönkre ment. 12Vdc-ről hajtottam kb 1órát ment utána lekapcsolt, a benne lévő két IRF840 közűl az egyik tűz forró volt és a nyák is megkormosodott. Kimértem mindent és a fetek nem mentek tönkre, minden rendben van viszont az oszcillátor nem indul be. Sajnos az IC-n nincs semmi típus jelzés. Egy 18lábú IC melynek az 1-2 lába hajtja a Feteket,a 6 7 8 9 10 11 12 13 lábak mennek a tranyókra amik a fóliákat kapcsolgatják futófény szerűen és a 14-es láb a táp amit egy 7805 stabilizál neki. Találkoztatok már ezzel a vezérlő ic-vel? 
				Hali! Egy 400Hz-es négyszöggel rángattam egy trafót, de a másik oldalon valami kegyetlenül csúnya jelalak jelent meg. Most megpróbálom másik trafóval, de nem fűzök hozzá sok reményt. 
				Bár látom régen nem érkezett új hozzászólás a témában, de azért hátha még érdekel valakit. Találtam egy jónak tűnő megoldást! Bővebben: Link Itt nincs trafó, és a videóban ami a lapon van egész jónak tűnik a megoldás. Én mindenesetre ki fogom próbálni. 
				Hello! Trafó az ugyan nincs, de tekercs van. Mert ez egy StepUp konverter. üdv!						 
				Igen, ez egy stepup, és éppen ez az, hogy szerintem egyszerűbb, mint trafóval szórakozni. Egy tekercset akár megtekerni is egyszerűbb, mint egy trafót. Meg a koncepció is tetszik. Egyszerű is.  Ha lesz időm, holnap ki is próbálom. 
				Megépítettem a fentebb linkelt kapcsolást, és működik, de van egy szépséghibája a dolognak, ami nem tudom természetes-e(szerintem nem). A fólia zúg! Világít, perceken keresztül ment, semmi baja, viszont zúg, no nem nagyon hangosan, de hallhatóan, ez miért lehet? 
				Hello! Nagyon nem csodálkoztam rajta. Hiszen a fólia tulajdonképen egy kondi, Te meg 150Hz-el rángatod. Abba meg erők képződnek.. üdv!				 A hozzászólás módosítva: Júl 3, 2013 
				Igaz, erre nem is gondoltam.  Akkor nem aggódok e miatt. 
				Az idézett linken lévő kapcsolás ezzel volt megoldva, de szerintem ki fogom próbálni 400Hz-el is. Meglátjuk javul-e tőle.						 
				Kipróbáltam 400Hz-el is, a helyzet változatlan.   Dobozolva nem igazán fog hallatszani a zúgás, így ennyiben hagyom a dolgot. A hozzászólás módosítva: Júl 4, 2013 
				Sziasztok! Hátha alapon felteszem a kérdést: Talált valaki eddig beszerezhető IC-t? Olyan kéne, amihez nem kell trafó, csak induktivitás. Vagy bármiféle áramkör jó, csak működjön, és ne kelljen bele trafó. Ja meg legyen beszerezhető az alkatrész. És az se hátrány, ha olcsó.  Szerk.: bár úgy nézem, hogy házilag nem nagyon lehet építeni ilyet.   A hozzászólás módosítva: Szept 19, 2014 
				üdv..:  Már jó régen nem volt hozzászólás de lenne egy kérdésem? Modell távirányítóba szeretnék háttér világítást, ezt a panelt találtam Világító fólia A kérdésem az lenne, hogy a távomba 2 cellás lipo aksi van ami 8.4 V teljesen feltöltve ill 6 V alá nem igazán meríthető, tudnám-e oda használni a belinkelt panelt? 
				Üdv mindenkinek! Szükségem lenne egy kis segítségre EL világító fóliával kapcsolatban. Egy kapcsolás szerint egy 6aq5 elektroncső hajtana meg egy EL fóliát, úgymond AC audió jellel kéne villogtatnia a fóliát. A probléma csak az, hogy az eredeti kapcsolás alapján AC 20V nál több nem jön le a csőről, de a fólia AC 60-110V az üzemi feszültsége. Hogyan működhet ez így, esetleg van kisebb feszültségű EL is? XVIII. Csak egy helyen kérdezz! A fórumon egy kérdést egyszerre csak egy helyre tegyünk fel. A hozzászólás módosítva: Máj 4, 2017 
				Üdv, remélem jó témához írok! Rendeltme egy magyar boltbol EL wire-t. Amint megjött, ki is próbáltam tápról 12V DCvel, előtétellenállással, majd mivel nem működött, 24Val is, de nem hozott nagyobb sikert ez sem. (Tettem mindezt azért, mert a webáruházban a "led" menüpont alatt volt a termék) Mikor utána néztem a működési elvének, készítettem egy "tápot" (1kHz) neki, de azzal szakaszosan, töredezetten világított, gyenge fénnyel. Nem maradt más, mint hogy vettem ugyanabbol a storeból egy 12Vos tápot (1000ft), de ezzel is ugyanúgy világít (gat) csak, és a kívánt hosszban (2m) egyáltalán nem világít, csak rövidebb távokon. (A termék tesztelve lett, és működött, amint az az emailezgetésekből kiderült) Hát itt tartok most... 
				Utána néztél...hogy ezek min. 100V AC feszültséggel működnek?						 
				Utána néztem, igen. Mint írtam a hozzá készített gyári táppal is ugyanolyan szegényesen "világít". A 12/24 DC valószínűtlen, hogy kinyírta?! +a gyári 12Vos táp 5m-ig ajánlott, akkor miért csak kisebb méretűeknél (10cm) jó? Ez már a kisebb baj... 
				Hello! (Próbáld meg a "Válasz" gombot használni") Ha azt írod "12V-os táp", az azt jelenti, hogy 12V-ot ad le... Ha azt írtad volna, hogy 12V-ról működő EL "zsinór" tápegység...azt értenénk. Meg "mondanánk", hogy mérd meg a kimenetén hány volt (AC) van...meg szkópon is megnézheted, hogy tényleg "AC". De az sem ártott volna, ha megmutatod a linket, hogy mit vettél. Valamint elképzelhető, hogy a "zsinór" vége rosszul lett elvágva és talán zárlatos, vagy valahol sérülés van rajta. Ez ellenállásmérővel elvileg kimérhető. A hozzászólás módosítva: Júl 27, 2017 
				Nyáron találkoztam az el wire technológiával, de nem tudom, pontosan hogyan is működik. Találtam ugyan leírásokat róla a neten, de ezek számomra ellentmondásosak, ezért szeretném itt megkérdezni, hátha valaki ismeri a pontos működését. A szerkezeti rajz szerint két drótszál, közöttük foszfor. A leírások szerint talán egy kondenzátor lemezei közé helyezett foszfor, ahol a változó eletromos mező gerjeszti a foszfort, és azért drótszál, mert átlátszó fémlemezt nehezebb csinálni. De az egyik leírás szerint rettentően hatékony, mivel nem termel hőt, a másik szerint 1W energiával csak pár lumen nyerhető ki, ami messze nem tűnik hatékonynak. Azt sem tudtam eldönteni, hogy tökéletes szigetelő réteg van-e a két fegyverzet között, vagy folyik rajta valamennyi áram? Van, aki csinált házilag, másnak meg nem sikerült, pedig ő is betette a foszfort nagyfeszültségbe. Igazából hogyan működik ez a dolog, és mekkora lehet a hatásfoka? Ha elveszik energia, az hová tűnik? 
				Üdv! Az OFF-ban is nemrég volt szó róla.  Házilag nem éri meg ilyeneket barkácsolni, az aliexpressen pár dolcsiért 5 méternyit már kapsz. Bővebben: Link A hozzászólás módosítva: Okt 26, 2017 | Bejelentkezés Hirdetés | 















