Fórum témák
» Több friss téma |
Fórum » Szünetmentes táp javítása, élesztése
Témaindító: Thomas10100, idő: Aug 13, 2006
Témakörök:
Fénycsőkondi 4,2 uF. 2 db sorbakötve jó. Nem próbáltam még passzív PFC fojtóval, de akár jó is lehet. Bár méretre kisebbek, mint amiket eddig összeraktam.
A hozzászólás módosítva: Okt 5, 2017
Ha már itt vagyok, lenne még egy kérdésem hátha tudsz segíteni.
Egyik ismerősömnek van egy APC Su700i NET szünetmentese. Az utóbbi időben elég furcsán viselkedett, hol nem akart bekapcsolni, hol bekapcsolt üzemelt is rendesen, de közben az összes led világított. A kondikat átnéztük többségük már kiszáradhatott. Átkondiztam, megy is szépen, de van egy kis bökkenő. Akkuk benne vannak bedugom a hálózatra felvillan az összes led 1mp-re relék kattannak elindul a töltés. Ha kihúzom a konnektorból 3db relé a 3,4,5 továbbra is meghúzva marad és 290mA-t kajál be. Ugyan ez van, ha bedugom bekapcsolom megy rendesen majd megnyomom a kikapcsolt, kihúzom a hálózatból ismét megy a 3 relé 290mA fogyasztással. Annyit még megfigyeltem, hogy ha megnyomom kb 1mp-ig a kikapcsoló gombot akkor kikapcsolnak a relék és nincs áramfelvétel, ez akkor is működik ha bekapcsolás nélkül csak bedugom a konnektorba majd kihúzom (ha visszadugom a konnektorba ismét felvillannak a ledek és megy a töltés). Olyan mintha nem venné észre kikapcsolt állapotban, hogy a hálózat elmegy és a reléket nem kapcsolja le. Hol érdemes keresgélni? Nincs hozzá kapcsolási rajzom se. (Előtte is gyilkolászta már az akkukat, szóval lehet a kiszáradt kondik okoztak valami galibát, talán valamelyik félvezető, komparátor vagy valami megsínylette?) A hozzászólás módosítva: Okt 6, 2017
Üdv!
Elméletileg lehetséges ups töltése ups-el? Van egy apc amihez írtam a szerver menedzsmentet, de idővel kinőttem. Van egy 1050w-os HP amivel nem kompatibilis a szerver, viszont az valódi szinuszos. HP-nek még nem tudom mennyi van a kimenetén és hogy lehet-e állítani. Lehet hogy csak ezen múlik, hogy az apc-t fogja tölteni? Mert ha mondjuk kiad 220-at azt lehet az apc kevésnek véli.
Elméletileg lehet, ha sorba kötöd őket. Csak nincs semmi értelme.
Normál esetben a bemenetük (hálózat) párhuzamosan van kötve, a kimenetük pedig egymástól független. Kivéve nagyobb szinkronizálható, párhuzamosítható szünetmenteseket, de ebben az esetben sem fordulhat elő, hogy egymást töltik.
Nem teljesen értem hogy miért mondod hogy nincs értelme.
Az első ups kimenetét hozzá kötöm a második ups bemenetére. Így ha elmegy a hálózat akkor az az első átvált akkusba és továbbra is tölti a másodikat amíg van benne szufla. Ha elfogy, akkor a második ups átmegy akkusba és pár perc múlva lekapcsolja a dolgokat, majd leáll. Szerintem ez így teljesen rendbe van, csak az a kérdés, hogy az első ups mikor akkusba van, akkor az a feszültség tetszik-e a másodiknak, mint szünetmentes hálózati feszültség. Mondjuk az apc-t lehet állítani hogy +- mennyi V lehet a tűrése amit még normál hálózati feszültségnek tekint. Mivel az első valódi szinuszos, ez se lehet probléma. Esetleg az első akkusba való áttérésekor a második egy pillanatra anomáliát érzékel, az is átmegy akkusba és kérdés hogy visszatér-e. Ja igen és a frekvencia...
Üdv!
Nagyobb akkubank? Van ahol 40 percet is kibír 40 kW 3 fázison. Ennyi idő kell pl a berendezésnek az inert anyag átnyomásához, hogy ne menjen tönkre, + az áramszolgáltatóval a kontakthoz, hogy visszajöne az áram, és mikor, melyik betápon. A hozzászólás módosítva: Okt 8, 2017
Miért? Szerinted van értelme? Ahelyett, hogy egy UPS-re nagyobb akkupakkot tennél és időnként ellenőriznéd a teherbírását?
Üdv kedves fórumtársak!
Sikerült szert tennem egy DELL UPS 1000W (J718N) típusú szünetmentes tápegységre, ami állapotát tekintve hibás! Feszültség alá helyezve nem csinál semmit sem, nem reagál a bekapcsolásra sem semmilyen formában! Ezen hibájáról tudtam a megvételkor, tehát tisztába voltam vele, hogy lesz vele némi munka majd! Szemmel látható fizikai sérülés vagy meghibásodás nem látható a panelokon sehol sem! Egyedül az LCD kijelzőn volt némi füstölődésnek vélt, de véleményem szerint csak beporosodás vélhetően az aktív hűtés miatt. Ez könnyedén egy simítással eltüntethető volt! Ezt már csak azért is szedtem szét s néztem meg, hogy nem-e esetleg az LCD panelon keletkezett-e valami probléma, de látszólag az is teljesen sérülésmentes! A berendezés előélete számomra ismeretlen, s nagy valószínűséggel valami osztrák vagy német "használt import" eszközről van szó! Akkumulátor egyenlőre nincs még hozzá (36V-ról üzemelne, amihez 3x12V/9Ah akku kellene majdan), de azt gondolom, ennek hiánya nélkül is be kellene kapcsoljon! Kérdésem az volna, hogy ki milyen irányt javasolna a hiba feltárásának ügyében? (Mert bár nem vagyok nagyon jártas a témában, de szeretném működésre bírni!) Ha esetleg valaki tudna hozzá egy szervizkönyvet szolgáltatni, az is nagy segítség volna, mert a Google nem talált ilyet! ![]() A mellékelt fotók egyenlőre netesek, mert nem voltam lő távon belül a masinával, de ha kell, akkor készítek róla a napokban fotókat, a könnyebb segítségnyújtás érdekében! Segítségeteket előre is köszönöm!
Egy szünetmentestől nem illik elvárni, hogy akku nélkül bekapcsoljon. Egy ilyen jobbfajtától különösen. Ettől függetlenül lehet hibás. Ellenőrizd a biztosítékokat! A bejövő oldal felől kövesd le, merre megy a szufla! Ha megtaláltad a segédtápot, van-e valami a kimenetén? Lehet külön akkutöltő segédtáp is.
Ez a szünetmentes nem indul el akku nélkül.
A kettős konverziójú szünetmentesek működési módjából adódóan soha nem kapcsolja a bejövő feszültséget közvetlenül a védett kimenetre.
Vannak kettős konverziójú szünetmentesek, amik kapcsolják. De azok nem online szünetmentesek.
Ha valaki tud tanácsot adni örűlnék neki.
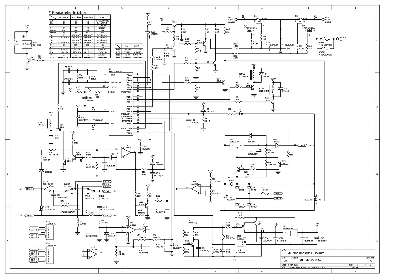
Van egy pcm powermat bnt-600a tipusú szünetmentesem. Sajna valami lehetett vele mert nem kapcsol be, vagyis semmi életjelet nem ad ki. 12v os 7ah litium aksi van benne. Mértem a feszültségét, ami nekem gyanus 4,23 volt. Nem tudom meddig merülhet. Néztem azt is hogy ha a szünetmentesbe vissza kötöm, akkor esetleg töltő feszt kap, de akkor is csak a 4,23 v ot mértem. Tehát lehet hogy a 12-14 vos töltő fesz is hiányzik. Ötlet hogy mi baja lehet? Kapcsolási rajzom van ha az segithet.
Először is egy jó akkut kell belerakni. Ez ugyanis döglött.
A rajz nagyon szép, csupán nem sokat tudunk megállapítani belőle, mert a vezérlő processzora olyan, mint a fekete doboz. A beégetett program határozza meg, mi hogyan működik.
Legalább egy 12V os jó akksit, akár kocsiét kössél rá, az indításhoz! Pont ahogy "erbe" is írta, legtöbbje nem indul, míg nincs meg a normális akksifesz. a 4,33 V, 99,99%-ba, halott!!
Sziasztok!
Segítségre lenne szükségem. Valószínűleg behalt valami alkatrész a szünetmentesemben. Eaton Ellipse ECO 500. Olvastam hasonló hibajelenséget a fórumon. Új akksival is próbáltam de ugyanaz a jelenség. Kihúzom a tápot, beesik a feszültség 183 Voltra terheletlenül, terhelésnél pedig azonnal lekapcsol, az egyik nagyobb trafószerűség körül elég nagy a zizegő hang. Van ötletetek mely alkatrészek körül kellene vizsgálódnom? Köszönöm!
Fiskars Powerserver 20 Battery Start Switch. Gábor, lefotóztam a panelon ezt a csatlakozót, nem lehet, hogy ezzel lehetne valahogy elindítani a szünetmentest akkuról, hálózat nélkül? Elsősorban ezt kellene megvizsgálnunk, hátha ezzel be lehetne indítani, hogy pl. rövidre zárjuk a 3 érintkező valamelyikét?
A hozzászólás módosítva: Dec 3, 2017
Szia, Szkóppal kellene jelalakot nézni, lehet a freki ment el, de lehet, hogy zárlatos lett a trafó.
Meglehet, de rajz, cagy visszarajzolás nélkül, nagy durranás lehet a vége....
Hát igen, az biztos, hogy rajzot nem találtam erről a készülékről, sem pedig service manualt. Az lehet egy megoldás, hogy visszarajzolom, de most nem sok időm van erre. Viszont javítgatom ezt a készüléket, de nem találom benne a hibás alkatrészt. Egy olyan hibája van, hogy ha rajta vannak az akkuk, akkor amikor kikapcsolom a bemenetén a bejövő 230V-ot, akkor átvált akkus üzemre, szépen megy az akkukról, de vissza már nem vált a hálózati üzemre, hanem kivágja a biztosítékot. Utána ha újra bekapcsolom, akkor újra elindul az inverter rész, de az akkus üzem/hálózati üzem átváltást nem csinálja. Biztos, hogy az inverter panelon van a hiba, mert a másik ugyanilyen inverter paneljával meg rendben működik. 3db meghajtó IC, IR2110-es szállt el, az a része, amelyik meghajtja a végtranyókat. A többi IC a méréseim szerint jó volt, de a biztonság kedvéért kicseréltem azokat is, mert nem akartam, hogy megint eldurranjon amiatt, hogy esetleg nem vettem észre valamit. Úgy néz ki az inverter része elindult, stabilan megvan a kimeneten a 230V, bár szkóppal még nem mértem meg a jelalakot. Tehát az összes IC-t kicseréltem benne, a két stab IC-t, meg két kis FET-et is. A tranyók jók, ellenállások is jók, 1-et találtam ami szakadt volt, de az csak a venti áramköréhez volt, szóval ehhez a hibához nincs köze. A diódákat is végigmértem, azok is jók. Már csak a fóliakondik vannak. Nem tudom, hogy azok közül melyik lehet rossz, mert van vagy 60-70db belőlük a panelon. Kicsit már tanácstalan vagyok, mert minden jó a panelon, de az akkus üzemről a hálózati üzemre való átváltást nem csinálja, hanem kivágja a biztit.
Szia.
Nem lehet, hogy valamelyik relé érintkezője be van ragadva, égve? Szünetmentesben már találkoztam ilyen problémával. Olyan is volt, amikor relé hiba miatt akkus üzemben a betáp oldalon is kiadta a feszültséget...
Igen, ez volt a következő ötletem, de jó volna Gery78, ha tennél fel egy fotót a panelről.
Nem sok elszállt fet-meghajtóval találkoztam eddig, annak nyomós oka lehetett, D-G zárlat, ami vitte a zenert is a G körben. A nagyfesz rész szűrő kondiait cserélni kellene, általában 104/2KV, mert egyenáramúlag nem biztos, hogy kiméred, s váltóban már vezet, mert átütött.
Sziasztok!
A panelon csak egyetlen relé van, de az mind az akkus üzemben, mind a hálózati üzemben behúzva marad, mindkét inverter panelon. Két keszülék van az egyikben rendben működik az inverter panel. Ez egy online színuszos készülék egyébként. Úgy indult a problemája, hogy amikor a terhelés rajta volt, és az egyik visszaváltás során (akkus üzemről hálózati üzemre) felrobbant a készülékben a 7815-ös stab IC. Ez sokmindennel kapcsolatban van és magával vitte a 3 db IR2110-es meghajtót is, meg a venti körében egy TIP47? Tranyó emitter ellenállását és a biztit is. A végtranyók is jók nem zárlatosak. Elkókat is cseréltem benne, így azok is frissek. A többi IC-t is kicseréltem, mert egy ilyen táprobbanás után nem voltam benne biztos, hogy azok nem kaptak-e pofont. A diófákat kétszer is átmértem, és összehasonlítottam a másik panellal is, szinte mV-ra ugyanazt mutatja a Fluke multiméterem diódavizsgálója. Minden alkatrészt összehasonlító méréssel mértem meg a másik jó panelhoz képest, már csak a fólia kondik vannak amiket még nem vizsgáltam. A nagyfesz kondik nekem is gyanúsak, mert kicsit repedezettnek tűnik a burkolata. Alig látszik csak lámpafénynél, ha úgy fordítom a panelt és megcsillan a fény rajta. Ezek egyébként RIFA kondik, jó minőségűek. Nemsoká teszek fel képet a panelról.
Annyi már elég, ha egy kicsit repedt, biztos melege volt belül.
Ezeket a képeket készítettem a panelról.
Üdvözlöm a fórumozókat.
Teljesen analfabéta vagyok az elektronikához, ezért a segítségüket kérném. Szükségem lenne egy 1500W-ot tudó szünetmentes tápegységre. Újakat csak horror áron találtam. lenne ötletük, hogy hogyan lehetne lényegesen olcsóbban hozzájutni egy ilyenhez?A helyen ahol lakunk, elég sűrűn van áramkimaradás.10-15 percig kellene bírnia, addig be tudjuk üzemelni az aggregátort. Válaszukat előre is köszönöm! Tisztelettel :Jánosi Anikó A hozzászólás módosítva: Dec 12, 2017
Szia, Én most vettem egy ilyet, 1500/3000W -os és csak 24€. Nem hiszem, hogy találsz olcsóbbat. Az idő, a rákötött akkutól függ.
Hát az a 7-8 e Ft igen-igen barátságos, amit találtam újat, az bőven 100 e fölött volt. Nekem is jó lenne használt, még ha akkut is kellene bele venni, csak nem tudom hogy lehet-kell kipróbálni hogy jó-e, mert úgy hallottam, hogy van amelyiket be sem lehet akku nélkül kapcsolni, meg amúgy is teljesen analfabéta vagyok az elektronika terén.
Hol vetted?
Ha ha "ilyet"-re kattintasz, megadja a pontos linket. Aliexpress, egyébként, de ez nem a reklám helye
Ez nem kifejezetten szünetmentes, hanem a "Power Inverter 3000W Peak 12V DC To 230V AC Modified Sine Wave Converter 1500W" tehát be kell kapcsolni, csatlakoztatni az eszközöket. Ha leírod, milyen célra kell, tudok tanácsot adni, hogyan kell, vagy alkalmas-e a feladatra. Mivel "modified Sine wave" elméletileg minden elektromos berendezésnek menni kell róla. A szünetmentesekben 2 féle létezik a a "Back" & "Smart" az első trapéz váltó áramot állít elő, s olcsóbb is, viszont a motorok nem igazán szeretik, de van hozzá "simító" kapcsolás, ami szerintem ebben is van, ezért működnie kell róla. Sajnos még nem érkezett meg, így pontos mérésekkel nem tudok szolgálni. A másik fajta UPS az teljesen szinuszos, ezért jóval drágább, mert sokkal több komponenst, vezérlőt tartalmaz. Ennek az előnye, hogy akár a bontóból vett használt, de jó akkumulátorokkal is működik s kibírja a megfelelő Ah kapacitás a 10-20 percet. Előnye, hogy az akkumulátor vészes kimerülése előtt csipog, majd lekapcsolja, tehát nem megy mély kisülésbe, utána feltölthető. Mivel a standby áramfelvétele nagyon kicsi, maradhat állandóan bekapcsolva + egy csepptöltő az akksin, ami pótolja ezt a merülést, s egy egyszerű kapcsolással megvalósítható ugyanaz az átkapcsolás, amit a szünetmentesek is használnak áramkimaradás esetén. |
Bejelentkezés
Hirdetés |

















Ez nem kifejezetten szünetmentes, hanem a "Power Inverter 3000W Peak 12V DC To 230V AC Modified Sine Wave Converter 1500W" tehát be kell kapcsolni, csatlakoztatni az eszközöket. Ha leírod, milyen célra kell, tudok tanácsot adni, hogyan kell, vagy alkalmas-e a feladatra. Mivel "modified Sine wave" elméletileg minden elektromos berendezésnek menni kell róla. A szünetmentesekben 2 féle létezik a a "Back" & "Smart" az első trapéz váltó áramot állít elő, s olcsóbb is, viszont a motorok nem igazán szeretik, de van hozzá "simító" kapcsolás, ami szerintem ebben is van, ezért működnie kell róla. Sajnos még nem érkezett meg, így pontos mérésekkel nem tudok szolgálni. A másik fajta UPS az teljesen szinuszos, ezért jóval drágább, mert sokkal több komponenst, vezérlőt tartalmaz. Ennek az előnye, hogy akár a bontóból vett használt, de jó akkumulátorokkal is működik s kibírja a megfelelő Ah kapacitás a 10-20 percet. Előnye, hogy az akkumulátor vészes kimerülése előtt csipog, majd lekapcsolja, tehát nem megy mély kisülésbe, utána feltölthető. Mivel a standby áramfelvétele nagyon kicsi, maradhat állandóan bekapcsolva + egy csepptöltő az akksin, ami pótolja ezt a merülést, s egy egyszerű kapcsolással megvalósítható ugyanaz az átkapcsolás, amit a szünetmentesek is használnak áramkimaradás esetén. 



