Fórum témák
» Több friss téma |
Szia!
Köszi a topik tippet. Este nem akadtam rá. A kapcsolásról az előző hozzászólásomban írtam. Üdv.
Szia!
A PWM ~634Hz-en megy most. Ilyen kondim volt itthon. Ez elég lehet? Vagy sok? A PWM amúgy jó. Az 555 3. lábán 6V-ot mérek. Köszi.
Motornál jó az a frekvencia, ha nem zavar, hogy esetleg hallható. Egyszer már elmélkedtem ezen, hogy vajon okoz-e járulékos kopást, hogy zizeg a tengely, de nem jutottam eredményre Ha a FET et próbálod gondolj arra, hogy a BUZ11 ugyan jól bírja a gate feszültséget, de általában a FET-ek csak 10V körüli feszültséget szeretnek maximálisan.
A hozzászólás módosítva: Jún 21, 2014
Sziasztok!
Ha egy 3V DC táplálású 0,12 W-os motort szeretnék meghajtani 24 V DC-s táppal. Feszültségosztással, ha beteszek elé egy 525 ohmnyi ellenállást, akkor elvileg 3V jut csak a motorra, nem? Ez így szerintetek kivitelezhető? Köszi, Zs.
A baj az, hogy a motor árama nem állandó, hanem terhelés függő. Ezért az egyszerű előtét ellenállás nem alkalmazható. Használj 3 V -os stab IC -t, vagy DC/DC konvertert.
Üdv!
Szeretnék egy feszültségmérőt készíteni 16bites ADC konverterrel egy tápegységbe. Mivel a konverter 5 voltig mér, szeretném leosztani a feszültséget egy feszosztóval, vagy helitrimmerel, vagy ellenálláshálóval. Mennyire működő megoldás ez? Főleg arra gondolok, hogy esetleg a hőmérséklet miatt elmászik az egész, ha sokáig tartom bekapcsolva. Köszi előre is
A feszültség osztót fix ellenállás hálózattal kell megoldani. (ahogy a multiméterekben is van) Az ellenállás hálózatot nagypontosságú, kis hőfoktényezőjű ellenállásokból célszerű megvalósítani. A legjobb, ha beszerzel direkt erre a célra gyártott vastagréteg ellenállás hálózatot. Nem olcsó, de biztos megoldás.
A hozzászólás módosítva: Okt 14, 2015
Egy 1000Ft-os eBayes feszültség mérő modult se pontosabb, nem? Ha 0.1%-os ellenállásokból összerakom + ADC, az is van annyira jó?
Ha ennyire aggódsz, rakj be egy hőmérő szenzort, és ezzel pontosíts! Viszont ahhoz, hogy a 16bites mérésed tényleg 16bit legyen, a referencia feszültségednek tükörsimának kell lennie. Nem is a tápfeszültségnek, 16bit-nél az már szóba sem jöhet. A vezetősávokat úgy kell vezetned, hogy mikor bekapcsol egy LED, az áram miatti feszültségesés ne emelgesse a referencia feszültséged GND-jét se!
Az ADC-nek is biztosan van hibája, ezt is kalibrálnod kellene minden irányban. Az Ebay-es feszültségmérő a kijelzővel 10bit-es ADC-t használ a saját 3V3-as tápfeszültsége a referencia. Átlagol sokat, a pontossága azért nem annyira tökéletes. A hozzászólás módosítva: Okt 15, 2015
Az a lényeg, hogy az otthon épített mérő szinte biztos hogy pontosabb
Ez 100%. Az Ebay-esnek az az előnye, hogy már készen van!
![]() Egyébként nem változik az ellenállások hőmérséklete nagy mértékben, szerintem ez elhanyagolható. A 16bit ADC-vel meg átlagolj, és kapsz kb. 14bit valós felbontást, ez már bőven elég, 0-100V-ig mérhetsz, 6mV-os felbontással. Ez több, mint kellene. De ha csak 13bit-ed van, ami tényleg valós, és pontos, akkor is 12mV a felbontásod. Bőven elég, majdnem két tizedes jegyet kapsz. Az átlagolás miatt pedig nem ugrálni fog a kijelzés, hanem el lesz kenve, tehát nem 12mV-ként fog változni a mért feszültséged, hanem apróbb lépésenként. A hozzászólás módosítva: Okt 15, 2015
Egy tápegység feszültség/áram mérőjének (inkább kijelzőjének) nem kell olyan fene nagy pontosság. A tekerőjének a beállítási pontossága sem túl nagy, meg egy tizedes pontosság bőven elegendő. Azért heli trimmert mégsem raknék bele.
A hozzászólás módosítva: Okt 15, 2015
Sziasztok!
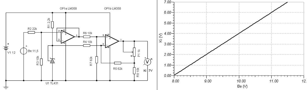
Szükségem volna egy kapcsolási rajzra. Van egy eszközöm ami 8-11,5v-os feszültséget ad ki, ezt kellene átalakítani úgy hogy 0-7v közötti értéket tudjak mérni. Köszönöm
Hello! Nem éppen a feszültségosztó témakörébe tartozik, de kétségtelen az is van benne..
Mondjuk nem írtad mekkora tápfesz áll rendelkezésre, és hogy a 8-11,5V terhelhető-e. Egyébként a megoldás, hogy elsőként le kell vonni a 8V feszültséget a bemenő feszültségből. Majd a fennmaradó 11,5-8=3,5V feszültség változást, kétszeresére kell erősíteni. De én elsőként leosztottam a 8V-ot a 2,5V referencia szintjére és azt vontam ki. De mivel a 22k/10k osztó, a feszültség változást is leosztja, nagyobb erősítés kell, mint kettő. (A műveleti erősítő tokjában két OPA van, csak a TINA nem tartalmazza a második erősítőt. Tehát ott a lábszámozás nem jó és tápfesz sem kell kétszer.)
Autónak a fordulatszám jeléről jön le ez a fesz. tehát a 12v az jó, az a bizonyos 2,5 voltos (változást) kellene nekem 7 voltos változássá alakítani. röviden egy feszültség mérőt szeretnék rátenni erre a jelre és ez mutatná a fordulatszámot (x100-as értékben).
Amik vannak ledes fordulatszámjelzők ne555-el abból építettem már 3-at is de valamiért nek működnek, a legelső amit bontóból vettem az ment, amit én lemásoltam egyik sem. Ez a kapcsolás alkalmas arra amit én szeretnék, bocsi hobbi szinten értek hozzá. Köszi
Természetesen használható. Feltéve, hogy tényleg ott, így és az jön le feszültségben, miről leveszed. És az, terhelhető a bementi ellenállásokkal.
A fordulatmérő kapcsolások amit készítettél/másoltál is megjavítható, kis türelemmel és hozzáértéssel.
Sziasztok!
Automatikus macskaetetőt (3db góliát elem 4,5V) szeretnék 12V 7Ah akkumulátorról működtetni a gazdaságosság reményében. Felső tartályban száraz táp és naponta 1-3x programozott mennyiségű kaját adagol. A max mennyiség esetén sem forog a motor 5 secnél hosszabb ideig. Lehet-e következtetni az elemekből áramfelvételre és az alapján tudnátok-e feszültségosztót javasolni, vagy mérjek? Esetleg stab. IC lenne a megoldás? Előre is köszönöm.
Hello! Ha feszültségosztót szeretnél használni, akkor nyilván nem vagy jártas az elektronikában. Mert az szóba sem jöhet ilyen helyen. Főleg hogy a jó hatásfok lenne a cél. Inkább használj ilyen StepDown modult. Ez kapcsolóüzemű feszültség csökkentő 3A terhelhetőségű. Tehát bármely analóg szabályozónál jobb hatásfokú. Remélhetőleg a motorhoz a 3A elegendő lehet. Mert három góliátból szinte "akármekkora" áram kivehető induláskor.
Köszi a választ! Valóban nem vagyok jártas az elektronikában. Először LM7805-tel gondoltam megoldani, ami lehet, hogy szintén rossz ötlet, fogalmam sincs. Illetve sejtettem, hogy talán 1,5A-nál esetleg nagyobb áramról lehet szó. Aztán jött ez a feszültségosztós elképzelés. Gondoltam, nagy teljesítményű ellenállásokat bele, azt' kész. Hát így. A tanácsot köszönöm, kipróbálom.
Sziasztok!
Ha egy általános feszültségosztóban az R2 egy változó ellenállású elem, akkor milyen módszer alapján számítható a kimenő feszültségből az R2 értéke? Az R1 állandó értékű. Köszi!
Hello! Ugyan úgy mint normál esetben. Csak R2 minimum és maximum értéknél is meg kell határozni a feszültséget. És R2 változtatására ezt a tartományt fogja bejárni. (Egyébként hogy ki az R1 és R2 az csak megállapodás, nem törvényszerű.)
Ha pedig a "visszafelé számítás" okoz gondot, akkor a soros kapcsolásra vonatkozó szabályok a mérvadók. Vagy is az áram közös, a feszültség pedig az ellenállások értékének arányában oszlik meg. Tehát U2/U1=R2/R1. Természetesen ha a bementi feszültség az ismert, akkor U2=Ube-U1, vagy U1=Ube-U2. (Kischhoff I.)
Sziasztok,
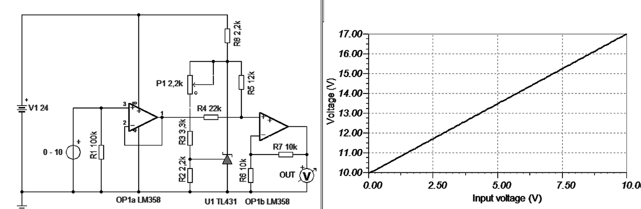
Egy haszongépjármú motor tempomatját szeretném hobbilag külsőleg vezérelni. A motorvezérlőnek elvileg 10V tol 17V ig kell jelet adni. Ezt két lépcsőben szeretném először tesztelni majd megvalósítani: 1. Egy 24V os tápegységről feszültségosztóval megvezérelni, hogy lássam működik-e. Ehhez szerintetek egy 1kohmos egyszerű potméter megfelelhet? Elvileg csak jel áram, működhet, igaz? 2. Amenyiben megállapítottam, hogy működik, ipari vezérlő analóg jellével vezérelném az viszont 0V tól 10V -ig ad jelet. Létezik valami egyszerü elektronika amivel arányosan leoszthatnám a meglévő 24V -ot az analóg jellel? Köszönöm, Gergö A hozzászólás módosítva: Jan 2, 2018
Hello!
1. Lehetséges, de ismerni illene azért a motorvezérlő terhelését. 2. Nem tudni számodra mi az egyszerű, mert nem a 24V-ot kellene leosztani, hanem az y=ax+b képlettel egy egyenest 0..10V-ot 10..17V-ra konvertálni, ha jól értem. Ahol az a=0,7 és b=10. Maximum a 24V táp áll rendelkezésre.
Sziasztok! Abban kérem a segítségeteket,hogy 25 Kv egyenáramot hogyan tudnék mérni 600v os műszerrel.Plazmavágó pilot ivet mérném.Köszönöm.
Nincs ott 25 kV. Ne próbálkozz digitális multiméterrel! Analóg műszerrel 1:10-es, majd ha belefér 1:5-ös osztóval próbálkozz. 2-7 kV között lehet. Ha külső gyártó dobozkáját használják, azon szerepel a várható érték.
|
Bejelentkezés
Hirdetés |













