Fórum témák
» Több friss téma |
Vonali jelet szeretnék színezni pl telefon, keverő, média lejátszó stb stb... Ezt egy aktív hangszínnel tenném aminek kész a kapcsolása. Az így előállított hangot szeretném a végfokhoz illeszteni. A végfok egy TDA IC vagy akár egy Quad. Tehát a preampot a hangszín után és a végfok elé szánnám. Ilyen helyzetben számít hogy invertálok vagy sem?
Ne kötekedj velem, hanem olvasd el azt, amit javasoltam.
- Elég zagyva, amit írsz, utánanéztél? - Én sem fogom a drága szabvány-kivonatot pusziért elkótyavetyélni, még ha tőled kapnám, akkor sem. Üdv!
Szia! Nekem ez van.
A melléklet felhasználói kérésre törölve. A hozzászólás módosítva: Máj 8, 2020
Moderátor által szerkesztve
Általában a teljes átviteli láncban illetve egy adott készülékben is célszerű a bemenet és kimenet között megtartani a polaritást, de csak akkor jelentkezik ebből észlelhető probléma, ha egyszerre két átviteli utat is kialakítasz, az egyikben az invertáló készülékkel, a másikban pedig nem invertálva, ami miatt egyszerre hallgatva a kettőt részleges kioltás keletkezhet. De önmagában az invertáló OPA-s kapcsolásnak csak annyi a hátránya amit írtam. Ha nincs bajod a zajával, akkor nem kell változtatni! Vonali jelszinten 100 dB jel/zaj viszony is megvan, ha ennél több kell, vagy a bemeneti jelszint jóval kisebb (pl. dinamikus mikrofon) akkor kell váltani kis feszültségzajú OPA-ra, neminvertáló kapcsolásban.
Amúgy meg inkább a hangszínszabályzó elé, a bemenet(ek)re kellene előerősítőt tenni! És célszerű lenne foglalkozni a jelszintek számszerű értékével.
Értelmezhetetlen a hozzászólásod.
Csak téged minősít hogy képtelen vagy megérteni amit írtam és bármilyen érvényes önálló érvelésre. Elolvastam amit linkeltél és abból idéztem az általam korábban írtakat alátámasztó példákat. Ha te magad elolvastad és megértetted, akkor miért lőttél ekkora öngólt, hogy pont arra hivatkozol ami téged cáfol? Az meg egy implicit hazugság hogy szabvány kivonatról írsz miközben senki nem kért tőled ilyet. A szabvány számát kérdeztem tőled amiről állítólag beszéltél. Valójában nem létezik olyan szabvány amiben az általad írtak lennének. Ha a lakcímedet kérdezik akkor azt sem mondod el mert túl drága a lakás??? A dB számítás módjával sem vagy tisztában, vagy lusta voltál számolni, az általad tippelt értékek nyilvánvalóan hibásak. Egyszerűen színtiszta félrevezetés minden amit itt összehordtál a témában.
SZia! Kösz a rajzot egy schematikus ábrát kérhetnék hozzá?
Szia! Sajnos nincs ezt egy kapcsolási rajzról alakítottam ás Sprint Layoutra.
Jelenleg a konstrukció úgy engedi meg , hogy először hangszínezzek és utána erősítsek. A jelszintek szám szerű értékeinek kialakításában kérném a segítséged. Sajnos a dolognak ezen részéhez nem értek. Szimulátorban teszteltem a kapcsolásom de a valós megoldáshoz át kellett méreteznem az erősítését a hangszínnek. Tapasztalati úton állítottam be fülre az egészet. Nem tudom matematikailag mi lenne a helyes. Amit a szimulátorban jónak véltem az valójában már torzított nagy emelésnél. A gyári keverőm hangszínje is tud torzításig emelni bemenő jeltől függően. Nem tudom hogy valójában átszámolva mi lenne az iskola példája egy ilyen rendszer megtervezésének. Tudnál ebben nekem segíteni?
Ez azért egy hosszabb folyamat. Itt nagyon lassú lenne végigvezetni rajta. Telefonon jobb lenne, nekem olcsóbb felhívni téged és elmondani mint órákat tölteni a fórumon. Ha komolyan gondolod hogy rendszertervet szeretnél készíteni, akkor segítek.
Sziasztok. A Castone erősítőm elé építenék előfokozatot. Az volna az előfok célja hogy a bejövő maximum 200mV-ot 775mV-ra emelje (A 200mV RMS érték.) Erre a célra egy TL081 ic-t gondoltam felhasználni aminek 1x9V tápfeszültséget tudok biztosítani. Már csak annyi volna a kérdésem hogy 1x9V tápról nem fog torzítani?
Hello! Nem fog torzítani. Ha a táp 9V és az OPA kimenete nem közelíti meg csak maximum 2V-ra a tápfeszültséget, akkor a kimenti jel csúcstól-csúcsig értéke elérheti az 5V-ot. Ennek RMS értéke 1,76V. Tehát kb. 15dB tartalék lesz a kivezérelhetőségben.
Rendben,akkor nekiállok összedrótozni az áramkört.
Sziasztok.
A cikkek között megtalálható, hordozható mikrofon előerősítővel kapcsolatban kérdezem, hogy 9 V helyett 12-14 V-tal táplálva szükséges-e az áramkör módosítása? Ő lenne az. Egy Blaupunkt autós rádió kimenetét hajtanám vele, ami nem igazán vonali kimenetet ad, hanem olyan 80-90 mV-ot. A végfok már készen van, TDA 1562-vel, és mélynyomó célokat fog szolgálni. Köszönöm a válaszokat! Tuma
Hello! Nyugodtan használhatod 12V-ról is. De gondolom nem az " autós rádió kimenetét", inkább a bemenetét szeretnéd hajtani vele. Esetleg a rádió kimenetéről ezt az erősítőt.
Nem kell félned, nem megy tönkre tőle.
De az R5 ellenállást meg kellene növelni, mert így túl "nagyot" erősít (mikrofon erősítő lévén). Legyen mondjuk 1KOhm.
Szia!
Igen, rosszul írtam, kicsit már fáradt vagyok. Szóval a Blaupunkt kimenetéről hajtanám ezt az előerősítőt, mert a TDA-s végfokot a 90 mV nem tudja kihajtani, főleg mély tartományban. (A Blaupunkt Car 2003-as rádiónak nincs gyári kimenete, a végfok előtti "vonali szint" történt megcsapolásra, és ennek a jelszintje túl alacsony a kivezérléshez.) Megvettem az alkatrészeket, holnap nekilátok tervezni. Tuma
Szia!
Köszönöm, egyébként nekem másik megoldás jutott eszembe. A 2.2kOhm-os potit cserélném nagyobbra, 100k-ra, mert ilyenből van egy marékra való. Inkább az R5-öst növeljem? Vagy megépítem és kísérletezem velük, a cél, hogy 90mV bemenőből vonali kimenet, kb 1V legyen. Tuma
Oké, de Gafly tanácsát is fogadd meg, mert könnyen túlvezérelődhet az erősítő, lévén hogy ez 1-2mV nagyságú jelek erősítésére való.
Végre elkészültem vele. Gafly tanácsára az 1kOhm-os ellenállást építettem be. Potinak egy bontott 10k-s lett használható.
Mérni még nem mértem ki, de működni működik, a próba megvolt, szépen szabályozható. A potméter bekötését néztem, kipróbálom úgy is, hogy felcserélem a szabályozó és visszacsatoló lábakat. A kimeneti 22 mikrós elkó helyére érdemes lenne jó minőségű fóliakondit tenni, vagy az már kevés lesz? Nyáktervről és a kész kapcsolásról teszek fel képet. Üdv: Tuma
Hello! A 22µF minimális értékét az R8 határozza meg. Mivel az 1kohm , így jogos a 22uF. fóliában az viszont már egy aktatáska méretű..
Szia!
Igen, ez már nem az a kategória, hogy akár 4-6 mikrósra cseréljem, így az marad változatlan. Átforrasztottam a potméter két lábát, felcserélve azt, így a szabályozó láb nem testre került, hanem a visszacsatolásba.Nos nem volt jó ötlet, borzasztóan túlvezérelhető, akár tönkre is tehető vele, és nagyon gerjedékeny. Vissza a kapcsolási rajz szerint. A bemenetre tettem a kondi elé egy 47k ohmos ellenállást, és táblagépről teszteltem. Igen szép átvitelt adott, ahhoz képest, hogy nem egy audiofil kapcsolás. Mérések alapján, ha a bemenő jel 103mV nagyságrendű, a potméter végállásban 793mV-os jelet adott ki. Kiforrasztottam az ellenállást, és ugyanazon bemenő jelnél potméter félállásban mértem a 793-at. Lényegében az a gondom, hogy a megcsapolt autós erősítő sem állandó jelszintet ad ki, hanem folyamatosan változót, ahogy tekerem a potmétert. Emiatt 0 és 230mV között ingadozik a jelszint, így a trimmer felejtős, marad a 10k potméter. Erre akad valami jobb ötletetek? Köszönöm a válaszokat!
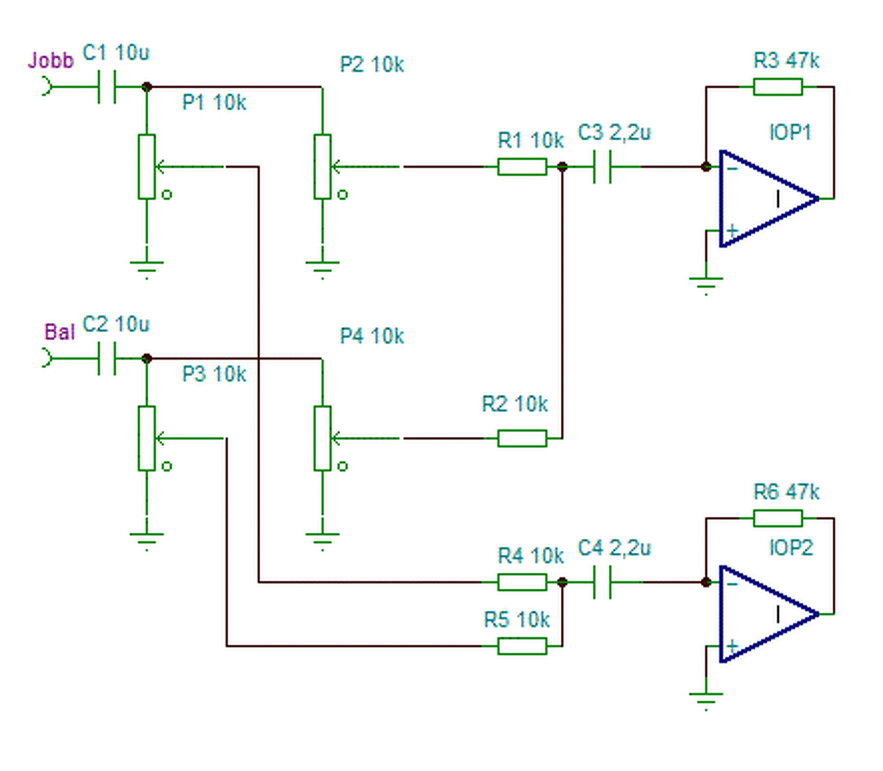
Sziasztok szerkesztgettem egy előerősítőt . rá pillantanátok ? , minden jó e lett.
Sziasztok. A kapcsolàst meg is építettem. Tökéletesen üzemel ,Anyit módosítás volt a bemenetre 1Uf került fólia.A kimenet 10Uf-et elhagytam. Zajtalan
Sziasztok!
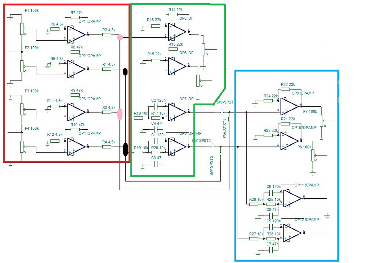
Építettem egy komplett "rendszert". Arra lennék kíváncsi, hogy szerintetek mit lehetne javítani a kapcsolásokon? Mi az ami hiányzik ebből az előfokból.
Szia! Annak érdekében, hogy az észrevételeimmel a helyes irányba tereljelek megtennéd, hogy pár szóba összefoglalod milyen elvárásoknak kell megfeleljen ez az előerősítő?
A bemenet egy hangszínnel indul. Ez nincs a rajzon mert az külön téma. A hangszín egyből ide az első 4 potméterre csatlakozik egy panoráma kapcsoláshoz. Amin a 4 potméter valójában 2 sztereo. A 2 hangszínezett jelből csinál sztereót vagy qvadrót vagy monót ahogy épp tekergetem. A végén 4 végfokot hajtok meg amiből 2 darab váltható sima/szub üzemmódban lehetőleg egyező feszültség szinttel és ezek mellett van egy a 4 kimenettől független sztereó szub kimenet.
A földre húzó ellenállások hiányoznak a bemenetekről a rajz szerint. Valójában 10k földre húzó van minden panelen. A kritérium, hogy szub váltáskor ne legyen alacsonyabb a jelszint és a váltás a másik 2 csatornát ne érintse. A független kimenet használatakor ne változzon a másik 4 fokozat jelszintje. A hozzászólás módosítva: Jan 17, 2018
Ha nem akarod, hogy a potik sercegjenek, akkor előtte és utána tegyél be csatoló kondenzátort. A legkisebb bemeneti, vagy kimeneti feszültség is kiváltja ezt a hibát.
Az 5 és 6 számú műveleti erősítőből alakíts ki invertáló keverőt lásd ICa! A hangszín után amúgy is túlzás ekkora erősítés beállítása. Az 1-4 műveleti erősítőkre semmi szükség. A keverő fokozatnak adhatsz 3-5-szörös erősítést, többre nem hiszem, hogy lenne igény. Csak zajt és gerjedékenységet vinnél be vele. A szűrőt kösd a keverő kimenetére, mert csak alacsony impedanciáról hajtva tudja a megfelelő átvitelt produkálni. Az átkapcsoló fogadhatja a sima jelet a keverő fokozat kimenetéről és akkor feleslegessé válik a 9, 10 opa. Az megfontolnám, hogy egy ilyen összetett rendszerben az aluláteresztő inkább állítható legyen.
Magyarázd el légy szíves, hogy a panorámára miért nincs szükség és ,hogy a keverőnek miért kellene invertálónak lennie?
A belinkelt invertáló keverővel kevesebb a zaj és a torzítás, nem is beszélve a stabilabb működésről. A műveleti erősítők számával a gerjedés valószínűsége növekszik.
A panoráma szabályozás elvesztését nem tudom miből szűröd le. Tanulmányozd a mellékelt ábrát! |
Bejelentkezés
Hirdetés |

















