Fórum témák

» Több friss téma
Fórum » Propeller Clock
 
Témaindító: vicsys, idő: Jún 3, 2005
Lapozás: OK   466 / 489
(#) janigel válasza Pritam hozzászólására (») Feb 11, 2018 /
 
When are you in Hungary?
Or post?
A hozzászólás módosítva: Feb 11, 2018
(#) janigel válasza Pritam hozzászólására (») Feb 11, 2018 /
 
This should be used.
Read more: Link
(#) janigel válasza Pritam hozzászólására (») Feb 11, 2018 /
 
These should be used in yours
(base and rotor)

Read more: Link
A hozzászólás módosítva: Feb 11, 2018
(#) Pritam válasza janigel hozzászólására (») Feb 11, 2018 /
 
Hi Janigel,
Sorry,I could not understand what do you mean.
I live in India.
And following shop not shipping to INDIA.
(#) janigel válasza Pritam hozzászólására (») Feb 11, 2018 /
 
Forget URC-1.
New wiring diagram
New program
Use TSOP4836 and try it out.
(#) janigel válasza Pritam hozzászólására (») Feb 11, 2018 /
 
This can be a good solution to the wiring diagram.
Read more: Link
(#) janigel válasza Pritam hozzászólására (») Feb 11, 2018 /
 
If that helps

Rotor-PCB.lay
    
(#) Pritam hozzászólása Feb 11, 2018 /
 
Hi ,
Thanks for quick reply.
Actually I already make this remote with this drawing.
My clock also working fine.
Only some times, buttons needs to press 2 or 3 times.
Actually,I wanted some upgraded version .
Here is my Remote.
(#) janigel válasza Pritam hozzászólására (») Feb 11, 2018 /
 
HI!
Both should be replaced.
New Type: TSOP4836 = 36 Khz
Test.
A hozzászólás módosítva: Feb 11, 2018
(#) Pritam hozzászólása Feb 12, 2018 /
 
Hi,
Ok, Tomorrow I will be replaced both and then check it .
Please tell me that is it working with following schematic (including Rtc)
or original schematic ?
Thanks..
(#) (Felhasználó 122012) válasza Pritam hozzászólására (») Feb 12, 2018 /
 
The wiring diagram is small, not seeing anything.
(#) Hp41C válasza (Felhasználó 122012) hozzászólására (») Feb 12, 2018 /
 
Let's use the search function on this forum (Keresés).
Here are the results searching for "prop_628" in file attachements.
(#) Pritam hozzászólása Feb 12, 2018 /
 
Hi Godypapa, Hi HP41c..
Thanks for replying..
It's my pleasure that you are responding me..
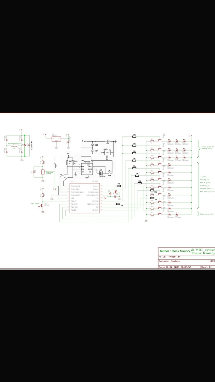
Actually I already make Pov Clock which is done by Mr. Henk Soubry.
Now I want to make some upgraded version.
In this forum,here are lots of files and lots of discussions about upgraded version.
So I am confused to choose right documentation.
Can you please help me to choose right version and for that which files I need to use?
(Propeller Schematic + lay , Base schematic + lay, Remote schematic + lay.)
+ code.

Thanks.....
(#) Hp41C válasza Pritam hozzászólására (») Feb 12, 2018 /
 
Base with 16F628A, 16F648A, 16F88:
schematics
Program version 2.18 in the attachement.

RC5 remote control:
schematics
program

Rotor with 16F628A, 16F648A:
program

Base.asm
    
(#) Pritam hozzászólása Feb 13, 2018 /
 
Hi again.
Thanks for replying.
Base schematic is very small. Can't see anything .
Please send big one.

Now I have material for Rotor and Remote control and I am going to make Rotor and Remote.
Can you please send me .lay files for all ?
I am also trying to make PCB at home .
Thanks again ..
PRITAM .
(#) Pritam hozzászólása Feb 14, 2018 /
 
Hi everyone.
Sorry, if something went wrong from me.
A hozzászólás módosítva: Feb 14, 2018
(#) Hp41C válasza Pritam hozzászólására (») Feb 14, 2018 /
 
Sorry for the link. Here is a larger one.
About the pcbs:
Since when this version was built and tested i was not practiced in making PCBs i have not lay files. The PCB depends on what kind of parts You can use, what case to fit. You can find several plans on this forum. Try to search (keresés) in flie attachements (fájlmellékletben).
A hozzászólás módosítva: Feb 14, 2018
(#) Pritam hozzászólása Feb 15, 2018 /
 
Hi Hp41c.
Thanks for reply.
I m collecting material now.
Getting late because doing job in company.
Please tell me wich is good from following .
TSOP1738, TSOP1736 OR TSOP4836 ?
And I have IR led pair (Both Receiver and Transmitter led ) .
But don't know that part name and details.
Can I use both for Base and Propeller?
Thanks again ..
(#) Hp41C válasza Pritam hozzászólására (») Feb 15, 2018 /
 
Hi,
the remote control program sends packets with modulation at 36kHz so use of TSOPxx36 with 36 kHz center frequency is the best choice. Since TSOP17xx feshioned out any replacement part with 5V Vss, 36kHz center frequency can be used but the pinout of these devices can be different.
IR LED can be used on the base, IR phototransistor can be used on the rotor to detect the rotation.
(#) janigel válasza Pritam hozzászólására (») Feb 15, 2018 /
 
Hi.
TSOP4836 infrared receiver (base / rotor).
BP103 photo receiver transistor (rotor)
LD274 infrared transmitter LED (base / remote control)
(#) janigel válasza Mircsof hozzászólására (») Feb 15, 2018 /
 
Szia Mircsof !
Megjött a MTD6501C vezérlő, és ki szeretném próbálni a lágy indítóval, amit elküldtem Neked.
Te nem reagáltál még az e-mailre, biztos nem jutottál még el az eredményig.
Tudsz nekem egy bekötési rajzot küldeni az IC PWM vezérléséről ?
Az a kérdésem, hogy az R1 hogy van bekötve, (mert ellentmondás van a MICROCHIP panel és a rajz között), és mi az a Vlogic (controller side).
Vagy ez a +5V ami a PIC et táplálja?
Ha ezt így bekötöm, akkor már a PWM jelet várja?
A Vcc milyen feszültség legyen?
Várom a segítséget köszi.
Üdv janigel
A hozzászólás módosítva: Feb 15, 2018
(#) Pritam hozzászólása Feb 15, 2018 /
 
Hi Janigel, Hp41c.
Thanks.
Sorry for another stupid question.
Which is best from following?Big one or Small one?

https://www.google.co.in/amp/s/www.westfloridacomponents.com/wfc/am...2.html

Or

https://www.engineersgarage.com/electronic-components/7805-voltage-...tor-ic
A hozzászólás módosítva: Feb 15, 2018
(#) janigel válasza Pritam hozzászólására (») Feb 15, 2018 /
 
Hi.

Rotor = small
Base = small or large
A hozzászólás módosítva: Feb 15, 2018
(#) Pritam hozzászólása Feb 15, 2018 /
 
(#) Pritam hozzászólása Feb 16, 2018 /
 
Thanks...
(#) garikmogilev hozzászólása Feb 16, 2018 /
 
My version PCB of the propeller clock 16F628A. Some ideas are borrowed from the pcb Patexati. For LEDs 0805. Due to the small size of the board, the zener diode is eliminated and the capacitor is inserted at a higher voltage. Phototransistor used ordinary, artificial lighting does not affect. The PCB is assembled and tested. The holes serve as a conductor from the coil, when using the hdd motor, you need to come up with another solution.
A hozzászólás módosítva: Feb 16, 2018
(#) Mircsof válasza janigel hozzászólására (») Feb 17, 2018 / 1
 
Szia!
Megkaptam a e-mailt, át is néztem nagyjából, de sajnos megint huzamosabb ideig nem lesz időm az égvilágon semmire...
Mellékelek egy adatlapot amit látható, hogy a VCC max értéke 14V lehet (min. 2V).
FG Motor speed indication output. Motor fordulatszám kijelzéséhez használható kimenet.

Idézet:
„Az a kérdésem, hogy az R1 hogy van bekötve,”

Hát nekem a jelenlegi verzióban konkrétan sehogy, mivel a fordulatszám sehol sincs mérve.

Jelenleg nekem a mellékelt felállásban van bekötve az IC. Szerintem csak simán a 8-as lábára várja a PWM jelet, amit ha megkap akkor az alapján forgatja a motort.
(#) ABU hozzászólása Feb 17, 2018 /
 
Sziasztok!
Ma végre sikerült belekezdeni a továbbfejlesztett 628-as propeller verzióba. Van egy eredeti bázisom is, amit az új rotorhoz én már nem használnék, ha működik nélküle is. Elvileg az eredeti csak bekapcsol egy infra ledet és gerjeszt egy állótekercset, gombnyomásra indít egy motort. Ezt a három funkciót kommersz alkatrészekkel is meg tudom csinálni, felesleges rá picet pazarolni. Az lenne a kérdésem, hogy a továbbfejlesztett 628-as rotornál mik a feltételek a kijelzés megindulásához és pozícióban tartásához? Gondolom kell stabil fordulatszám, az állórészen egy infra led, amely felett elhalad a forgó rész fototranzisztora. Az eredeti bázis programban pwm jellel van hajtva az infra. Számít az valamit, ha én állandó feszültségre kapcsolom?
(#) janigel válasza Mircsof hozzászólására (») Feb 17, 2018 /
 
Üdv!
Eddig Neked semmi nem volt a PWM bemenetre kötve?(vagy igen?)
És úgy hogy állítottad a fordulatot?
Ez így nem világos előttem.
Tudom elfoglalt vagy, de ezt még jó volna ha megválaszolnád.
Esetleg egy ceruzás kapcsolási rajz?
Köszi üdv janigel
A hozzászólás módosítva: Feb 17, 2018
(#) Mircsof válasza janigel hozzászólására (») Feb 18, 2018 /
 
Nem volt rajta semmi, csak lógott a levegőben. Gondolkodtam rajta, hogy a 2550-es bázist egy kicsit átalakítom, de utána felhagytam fele. Az LM3541 vezérlése ami a pic-től érkezik mehetne simán az MTDxxxxx-re is, mivel a picben futó programot be lehet állítani ugy, hogy az LM engedélyező lábát PWM jellel hajtsa meg. Gondolom ez a jel megfelelne az MTD IC-nek is. Lehet majd a jövőhéten megmérem milyen jelalak van ezen a lábon, ha a PWM engedélyezve van.
Idézet:
„És úgy hogy állítottad a fordulatot?”

A 2550-es bázison az előbb említett LM3541 kimenete szabályozható egy potival. Tehát beállítható, hogy a motorvezérló mekkora feszültséget kapjon. Nyilván ha kevesebbek kap akkor nem tudja annyira forgatni a motort, mint a teljes tápfeszültségen (esetemben 12VDC).

U1 a nyákterven és a kapcsolásin is.
Következő: »»   466 / 489
Bejelentkezés

Belépés

Hirdetés
XDT.hu
Az oldalon sütiket használunk a helyes működéshez. Bővebb információt az adatvédelmi szabályzatban olvashatsz. Megértettem