Fórum témák
» Több friss téma |
Fórum » Propeller Clock
When are you in Hungary?
Or post? A hozzászólás módosítva: Feb 11, 2018
This should be used.
Read more: Link
These should be used in yours
(base and rotor) Read more: Link A hozzászólás módosítva: Feb 11, 2018
Hi Janigel,
Sorry,I could not understand what do you mean. I live in India. And following shop not shipping to INDIA.
This can be a good solution to the wiring diagram.
Read more: Link
Hi ,
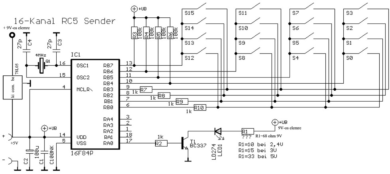
Thanks for quick reply. Actually I already make this remote with this drawing. My clock also working fine. Only some times, buttons needs to press 2 or 3 times. Actually,I wanted some upgraded version . Here is my Remote.
HI!
Both should be replaced. New Type: TSOP4836 = 36 Khz Test. A hozzászólás módosítva: Feb 11, 2018
Hi,
Ok, Tomorrow I will be replaced both and then check it . Please tell me that is it working with following schematic (including Rtc) or original schematic ? Thanks..
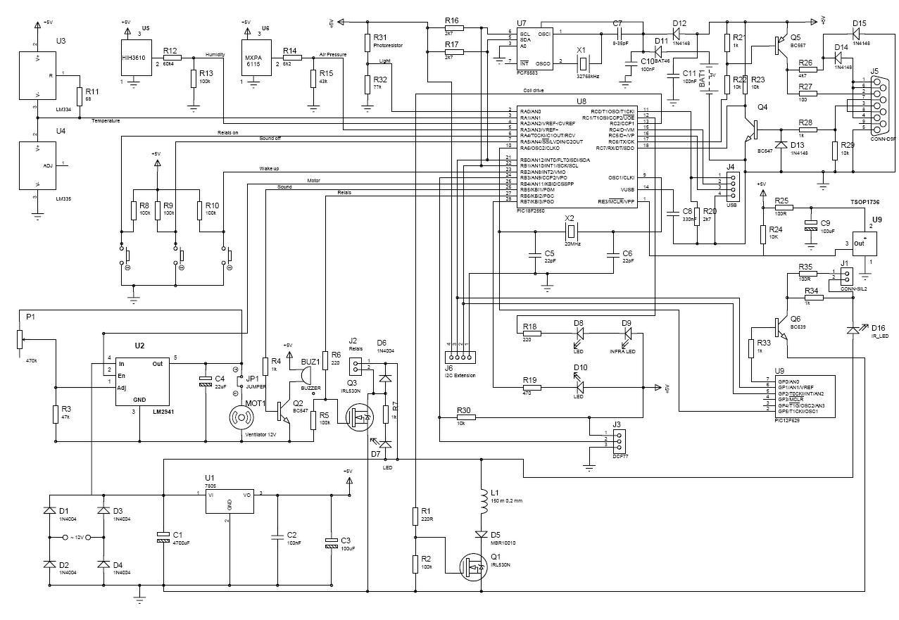
The wiring diagram is small, not seeing anything.
Let's use the search function on this forum (Keresés).
Here are the results searching for "prop_628" in file attachements.
Hi Godypapa, Hi HP41c..
Thanks for replying.. It's my pleasure that you are responding me.. Actually I already make Pov Clock which is done by Mr. Henk Soubry. Now I want to make some upgraded version. In this forum,here are lots of files and lots of discussions about upgraded version. So I am confused to choose right documentation. Can you please help me to choose right version and for that which files I need to use? (Propeller Schematic + lay , Base schematic + lay, Remote schematic + lay.) + code. Thanks.....
Base with 16F628A, 16F648A, 16F88:
schematics Program version 2.18 in the attachement. RC5 remote control: schematics program Rotor with 16F628A, 16F648A: program
Hi again.
Thanks for replying. Base schematic is very small. Can't see anything . Please send big one. Now I have material for Rotor and Remote control and I am going to make Rotor and Remote. Can you please send me .lay files for all ? I am also trying to make PCB at home . Thanks again .. PRITAM .
Hi everyone.
Sorry, if something went wrong from me. A hozzászólás módosítva: Feb 14, 2018
Sorry for the link. Here is a larger one.
About the pcbs: Since when this version was built and tested i was not practiced in making PCBs i have not lay files. The PCB depends on what kind of parts You can use, what case to fit. You can find several plans on this forum. Try to search (keresés) in flie attachements (fájlmellékletben). A hozzászólás módosítva: Feb 14, 2018
Hi Hp41c.
Thanks for reply. I m collecting material now. Getting late because doing job in company. Please tell me wich is good from following . TSOP1738, TSOP1736 OR TSOP4836 ? And I have IR led pair (Both Receiver and Transmitter led ) . But don't know that part name and details. Can I use both for Base and Propeller? Thanks again ..
Hi,
the remote control program sends packets with modulation at 36kHz so use of TSOPxx36 with 36 kHz center frequency is the best choice. Since TSOP17xx feshioned out any replacement part with 5V Vss, 36kHz center frequency can be used but the pinout of these devices can be different. IR LED can be used on the base, IR phototransistor can be used on the rotor to detect the rotation.
Hi.
TSOP4836 infrared receiver (base / rotor). BP103 photo receiver transistor (rotor) LD274 infrared transmitter LED (base / remote control)
Szia Mircsof !
Megjött a MTD6501C vezérlő, és ki szeretném próbálni a lágy indítóval, amit elküldtem Neked. Te nem reagáltál még az e-mailre, biztos nem jutottál még el az eredményig. Tudsz nekem egy bekötési rajzot küldeni az IC PWM vezérléséről ? Az a kérdésem, hogy az R1 hogy van bekötve, (mert ellentmondás van a MICROCHIP panel és a rajz között), és mi az a Vlogic (controller side). Vagy ez a +5V ami a PIC et táplálja? Ha ezt így bekötöm, akkor már a PWM jelet várja? A Vcc milyen feszültség legyen? Várom a segítséget köszi. Üdv janigel A hozzászólás módosítva: Feb 15, 2018
Hi Janigel, Hp41c.
Thanks. Sorry for another stupid question. Which is best from following?Big one or Small one? https://www.google.co.in/amp/s/www.westfloridacomponents.com/wfc/am...2.html Or https://www.engineersgarage.com/electronic-components/7805-voltage-...tor-ic A hozzászólás módosítva: Feb 15, 2018
Hi.
Rotor = small Base = small or large A hozzászólás módosítva: Feb 15, 2018
My version PCB of the propeller clock 16F628A. Some ideas are borrowed from the pcb Patexati. For LEDs 0805. Due to the small size of the board, the zener diode is eliminated and the capacitor is inserted at a higher voltage. Phototransistor used ordinary, artificial lighting does not affect. The PCB is assembled and tested. The holes serve as a conductor from the coil, when using the hdd motor, you need to come up with another solution.
A hozzászólás módosítva: Feb 16, 2018
Szia!
Megkaptam a e-mailt, át is néztem nagyjából, de sajnos megint huzamosabb ideig nem lesz időm az égvilágon semmire... Mellékelek egy adatlapot amit látható, hogy a VCC max értéke 14V lehet (min. 2V). FG Motor speed indication output. Motor fordulatszám kijelzéséhez használható kimenet. Idézet: „Az a kérdésem, hogy az R1 hogy van bekötve,” Hát nekem a jelenlegi verzióban konkrétan sehogy, mivel a fordulatszám sehol sincs mérve. Jelenleg nekem a mellékelt felállásban van bekötve az IC. Szerintem csak simán a 8-as lábára várja a PWM jelet, amit ha megkap akkor az alapján forgatja a motort.
Sziasztok!
Ma végre sikerült belekezdeni a továbbfejlesztett 628-as propeller verzióba. Van egy eredeti bázisom is, amit az új rotorhoz én már nem használnék, ha működik nélküle is. Elvileg az eredeti csak bekapcsol egy infra ledet és gerjeszt egy állótekercset, gombnyomásra indít egy motort. Ezt a három funkciót kommersz alkatrészekkel is meg tudom csinálni, felesleges rá picet pazarolni. Az lenne a kérdésem, hogy a továbbfejlesztett 628-as rotornál mik a feltételek a kijelzés megindulásához és pozícióban tartásához? Gondolom kell stabil fordulatszám, az állórészen egy infra led, amely felett elhalad a forgó rész fototranzisztora. Az eredeti bázis programban pwm jellel van hajtva az infra. Számít az valamit, ha én állandó feszültségre kapcsolom?
Üdv!
Eddig Neked semmi nem volt a PWM bemenetre kötve?(vagy igen?) És úgy hogy állítottad a fordulatot? Ez így nem világos előttem. Tudom elfoglalt vagy, de ezt még jó volna ha megválaszolnád. Esetleg egy ceruzás kapcsolási rajz? Köszi üdv janigel A hozzászólás módosítva: Feb 17, 2018
Nem volt rajta semmi, csak lógott a levegőben. Gondolkodtam rajta, hogy a 2550-es bázist egy kicsit átalakítom, de utána felhagytam fele. Az LM3541 vezérlése ami a pic-től érkezik mehetne simán az MTDxxxxx-re is, mivel a picben futó programot be lehet állítani ugy, hogy az LM engedélyező lábát PWM jellel hajtsa meg. Gondolom ez a jel megfelelne az MTD IC-nek is. Lehet majd a jövőhéten megmérem milyen jelalak van ezen a lábon, ha a PWM engedélyezve van.
Idézet: „És úgy hogy állítottad a fordulatot?” A 2550-es bázison az előbb említett LM3541 kimenete szabályozható egy potival. Tehát beállítható, hogy a motorvezérló mekkora feszültséget kapjon. Nyilván ha kevesebbek kap akkor nem tudja annyira forgatni a motort, mint a teljes tápfeszültségen (esetemben 12VDC). U1 a nyákterven és a kapcsolásin is. |
Bejelentkezés
Hirdetés |


















