Fórum témák
» Több friss téma |
Sziasztok! A mai napon kapta meg hibás Güde 140GC inverteres hegesztőt. A kimeneteken 11V mérhető, (üresjárati feszültsége egyébként 80V). A betápot ellenőriztem, az jónak tűnik, van benne két nagy 400V-os kondi, azokon 308V mérhető. Két hűtőbordán kap helyet két külön panel, az egyiken amiken az IGBT-k (G10N60A) vannak azt láttam, hogy az egyik tiszta korom. Azt gondolom cserélni kell, persze kérdés, hogy miért füstölt el. Szeretnék segítséget kérni, hogy mit hol kellene mérni ahhoz, hogy kiderüljön mi a tényleges hibája. Segítséget előre is köszönöm. Ha szükséges töltök fel képeket róla. A hegesztő egyébként bekapcsol, zöld led világít, közben valami furcsa hangot ad, pittyegő jelleggel, ha az szabályzó potin növelem az áramot akkor gyorsabb a pittyegés.
A hozzászólás módosítva: Dec 14, 2017
A pittyegés olyan mint ha egyik "modul" elindul - leáll a tápfeszültség függvényében. Pl ilyen lehet az UC környezete.
Annyival kiegészíteném az előző hozzászólást, hogy a fő panelen lévő LM324 ic Vcc és GDN közöt mérhető feszültség 13V, az L6386 ic-n pedig 13,68V mérhető. Pár hozzászólással korábban olvastam, hogy ha az L6386-on nincs minimum 11V feszültség akkor el sem indul, akkor ez gondolom bíztató, hogy a mérhető feszültség kb 13V.
Latyakoska: annyira nem vagyok otthon inverteres hegesztőkbe, kicsit tudnád részletezni mi az az UC? Köszönöm
Csináltam pár képet az inverteres hegesztő paneljeiről. Az egyikre ráírtam a mért értékeket is. A bekarikázott diódák D3, D4, D12 lehet csere gyanúsak, a D3-on nem mérhető semmi, D4 esetében mindkét irányba mérhető érték, az egyik a másik másfélszerese, D12 esetében szintén mindkét irányban mérhető, de ott a két érték kb megegyezik. Ezek helyére milyen diódákat kellene venni? Sajnos látszik, hogy már valaki előttem próbálta javítani vagy nem is tudom mit írjak, elnézve azokat a forrasztásokat az LM324 körül. A ventilátor csatlakozója felé menő vezetősáv egyik furat galvánja szét volt égve, azt javítottam de a ventilátor továbbra sem forog.
Képeket ide töltöttem fel mert a túl nagy méret miatt a fórumba nem tudtam feltölteni: https://imgur.com/a/XTxap Minden segítséget előre is köszönök!
Kiforrasztás után a 3 kérdéses dióda közül 2 teljesen jónak bizonyult, a ventilátor körében lévő D3 hibás. Itt a fórumban is megosztott Awelco kapcsolási rajz alapján az a dióda egy BYD77D lehetett. Elnézve azt a kapcsolási rajzot, igen hasonlít a Güde 140GC-re.
Ha valakinek esetleg szüksége lenne rá, itt van egy jó felbontású rajz az awelco-ról, ez olvasható. http://www.emil.matei.ro/img/awelco14res1.png
Sziasztok, műterhelés ügyben szeretnék segítséget kérni mivel oldjam meg ? Van nálam 2 inverteres gép amik elkészültek, de szeretném műterheléssel is lepróbálni ! Köszönöm a segítségetek előre is !
itt olvashatsz róla.
A hozzászólás módosítva: Jan 29, 2018
Üdv!Lenne egy STRAUS ZX7-160 inverter.Túl erős ,30 A-van a potméter és a 3,5 pálcát kényelmesen viszi.Ha megpróbálom 100 A- körül akkor átéget mindent. Vékonyabb pálcával kár próbálkozni,50-es zártszelvényt épphogy össze lehet hegeszteni.A potméter nyákhoz való csatlakozásánál van egy trimmer csavarhúzós potméter , esetleg annak lehet köze?Külső potméter csere?
Szia,
Első lépésként le kellene ellenőrizni a poti megfelelően működik-e. Megvan-e a két szélén a tápfeszültség, forgatásra pedig változnia kell a csúszkán a feszültségnek.
Csatoltam a szóbanforgó készülék kapcsolási rajzát, valószínűleg ez lesz a te géped is csak más néven.
A potméter után vagy egy műveleti erősítő (CA3140) érdemes ellenőrizni, esetleg cserélni. Fontos hogy ne helyettesítsd mással! Remélem segítettem.
Ilyen van nekem is, a potival tudod hozzáállítani az áramot a számozáshoz. Nézd meg a csatikat, ha az U2 ic 2. lábán változik a fesz, a kimenet viszont marad, akkor cserés, mint írták.
Sziasztok!
Telwin Tecnica 151/s inverteres hegesztőhöz keresek szerviz doksit, kapcsolási rajzot, ha valakinek megvan közületek, legyen szíves ossza meg velem. Köszönöm Van tapasztalata valakinek ilyen típusú hegesztő javításával? Még nincs nálam a gép de elvileg bekapcsol, relé behúz, zöld led világít, ventilátor felpörög, talán nagy baja nincs, főleg ha a ventilátor ebben az esetben is szekunder táplálású mint más hegesztő invertereknél.
Szia, Telwin Tecnica 141-161 rajzom van, nem tudom segít-e? Annyira nem ismerem az összes módosítást. Túl hosszú, ezt tudom küldeni most, azt megpróbálom kettévágni, vagy adj egy címet hova küldhetem.
Üdv: Mike
Szép napot mindenkinek!
Végfok hibával javítok egy a nem túl jó minőségűre sikerült képen látható készüléket. Meghajtó panelen a trafó kivételével minden ki van cserélve és a képeken látható jelet produkálja. A kérésem az, hogy bele merjem e tenni az IGBT ket, vagy sem. UC 3846, és TL084 a vezérlőn. Válaszokat megköszönöm. Pista
Szia, Az a kis túllövés jöhet a skóp szondából, egyébként szép a jel, s ott van a kis szünet a 2 jel között, így elvileg nem nyithat össze.
Csúsztasd egymásra a két jelet úgy rögtön látszik, hogy egymásra nyitnak vagy megvan a két jel között a szünet..
Köszönöm a megnyugtató hozzászólásokat, hasonlóan gondoltam magam is.
Holnap egymásra csúsztatom a jeleket és jelentkezem a fotóval,
Íme, itt vannak a beigért képek.
Mit szóltok?
Nekem tetszenek, egy soros égőn keresztül indíthatod.
Köszönöm a biztatást, beindítottam égőn keresztül és működik.
Bekapcsoltam élesben is műterhelésen, azt is viselte. Hegesztéspróbát még nem csináltam, de annak is eljön az ideje.
Akkor már csak jó lesz!
Kellemes Húsvéti Ünnepeket!
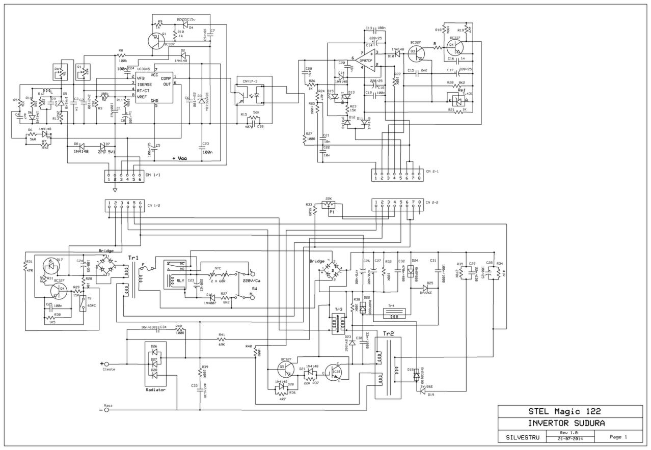
Sajnálom a srácokat, hogy zavarják Önt, bárki sem rendelkezik sematikusan a STEL Magic inverter 120 inverterrel? Találtam ezt a frekvenciaváltót, de vezérlő nélkül. Ez a kép és a vázlat, amit találtam az interneten, de valami rossz
Sziasztok
Adott egy flinke mma350 hegesztő minimum állásnál, elindítom a hészüléket, sokszor a villanyóra meletti kismegdzakítót. Ha rá tudom venni, a kismegszakítót mégis, akor megy rendesen akár max állásban is (persze terheletlenül). Kérdésem, inverzeres hegesztőnél is kell hidegindítás (hegesztőtrafónál halottam más ilyet) inverternél hogy van??? Köszönöm a segítséget.
Szia!
Attól hogy inverteres, kell bele lágyindítás. Elviekben lenni kellene ebben is, lehetséges, hogy hibás ez a része. Nekem is van egy inverteres gépem és nekem is leütötte 10/2-szer. Nekem hibás volt ez a része, de sikerült helyre hoznom, azóta szépen működik és nem volt ilyen jellegű problémám.
Szia, Nem írtad, hány A-es a megszakító? Idővel elöregszik, elgyengül, érzékenyebb lesz, hamarabb leold. Az üres kondik rövid zárként működnek, s nagyon megrántják a hálózatot.
Nem nagy ördöngösség, 33-47 Ohm-mal előtöltik, kb 1-2 sec-ig utána egy relé rövidre zárja az ellenállást, egy 555-el simán megoldható, a relé legyen legalább 30A -es, kismegszakítóból sem árt a 20-as. Én otthon 32-esről dolgoztam, simán behúztam egy vastag vezetéket az órától a műhelyig, és az órai 32 A-esre kötöttem direktbe. |
Bejelentkezés
Hirdetés |













Kellemes Húsvéti Ünnepeket! 






