Fórum témák

» Több friss téma
Fórum » Kapcsolási rajzot keresek
 
Témaindító: Kallai Csaba, idő: Márc 11, 2006
Témakörök:
Lapozás: OK   329 / 385
(#) jani1987 válasza Sebi hozzászólására (») Máj 17, 2018 /
 
Kösz szépen.
A hozzászólás módosítva: Máj 17, 2018
(#) pucuka válasza Kinka István hozzászólására (») Máj 17, 2018 /
 
Ne foglalkozz azzal a csatlakozóval, cseréld ki UHF -re, passzol a helyére.
(#) (Felhasználó 122012) hozzászólása Máj 18, 2018 /
 
Sziasztok!

Egy 12V-os akkumulátorról üzemelő akkumulátortöltőt keresek (repülőgép modellek akkumulátorainak töltéséhez) amelynek kimeneti feszültségét és áramát én tudom szabályozni.
Előre is köszönöm.
(#) Sebi válasza (Felhasználó 122012) hozzászólására (») Máj 18, 2018 /
 
Mekkora feszültségtartományban? Mekkora árammal?
(#) (Felhasználó 122012) válasza Sebi hozzászólására (») Máj 18, 2018 /
 
Bemenő feszültség: akkumulátor feszültség (13,8V DC)
Kimenő feszültség: 3,7V÷12V DC
Kimenő áram: 0,1A÷5A
(#) Sebi válasza (Felhasználó 122012) hozzászólására (») Máj 18, 2018 / 1
 
Ez tudja a megadott paramétereket. Egy schottky dióda sorban a kimenettel megvédi, ha a bemenetet hamarabb elveszed, mint az akkut a kimenetről.
A hozzászólás módosítva: Máj 18, 2018
(#) (Felhasználó 122012) válasza Sebi hozzászólására (») Máj 18, 2018 /
 
Köszönöm!
(#) (Felhasználó 122012) válasza Sebi hozzászólására (») Máj 18, 2018 /
 
IC2 - TL074 típus megfelelő?
(#) Sebi válasza (Felhasználó 122012) hozzászólására (») Máj 18, 2018 /
 
Igen. Ide szinte bármi jó...
(#) reloop válasza (Felhasználó 122012) hozzászólására (») Máj 18, 2018 /
 
A műveleti erősítő legyen LM324-es!
(#) (Felhasználó 122012) válasza Sebi hozzászólására (») Máj 19, 2018 /
 
Elvileg kész a panelterv ...
(#) Sebi válasza (Felhasználó 122012) hozzászólására (») Máj 19, 2018 /
 


Jól néz ki, szép munka!

Azért a 2677-nek nem hiszem, hogy elég lesz a fólia általi hőelvezetés...
A hozzászólás módosítva: Máj 19, 2018
(#) (Felhasználó 122012) válasza Sebi hozzászólására (») Máj 19, 2018 /
 
Valószínűleg nem.
(#) szucsistvan123 hozzászólása Máj 26, 2018 /
 
Heló!

Az lenne a kérdésem, hogy hogyan lehetne azt megoldani, hogy egy mono tolópotival szabályozni sztereó hangot? (monósítás, és kettő darab poti beépítése nélkül)
(#) kadarist válasza szucsistvan123 hozzászólására (») Máj 26, 2018 /
 
Szia!
Például elektronikus úton: Keresés.
(#) szucsistvan123 válasza kadarist hozzászólására (») Máj 26, 2018 /
 
Jó a google-t használtam én is...
Az a baj, hogy többnyire nyomógombosat találtam. Az meg nekem nem jó.
(#) kadarist válasza szucsistvan123 hozzászólására (») Máj 26, 2018 / 1
 
No, akkor van itt egy teljesen analóg, IC nélküli megoldás jFET-el. A kontrolfeszültséget ellenállással szétoszthatod és így két független csatornát tudsz egy potméterrel szabályozni. Bővebben: Link.

A jFET, mint változtatható ellenállás: Bővebben: Link.
A hozzászólás módosítva: Máj 26, 2018
(#) szucsistvan123 válasza kadarist hozzászólására (») Máj 26, 2018 /
 
Köszi!
(#) proli007 válasza szucsistvan123 hozzászólására (») Máj 26, 2018 / 2
 
Azért azt tegyük hozzá, hogy bármennyire is egyszerűnek tűnik egy J-Fet-es megoldás, minőségileg hagy kívánnivalót maga után. Valamint a a J-Fetek között elég nagy a szórás, így nehéz a két csatorna közötti együtt-futást biztosítani. Céláramkörök is nem véletlenül nem ezt a módszert használják.
Pld. egy megoldás..
A hozzászólás módosítva: Máj 26, 2018
(#) Melphi hozzászólása Máj 30, 2018 /
 
Sziasztok!
Keresek egy olyan kapcsolási rajzot ami egy pici áramváltó gyűrűn keresztül nézi a vezetőt és ha azon áram folyik, akkor meghúz egy relét.
Válaszokat előre is köszönöm.
(#) otvenkilenc válasza Melphi hozzászólására (») Máj 30, 2018 /
 
Csak addig van meghúzva amíg áram folyik a körben, vagy öntartóba kapcsoljon? Erre célra használható a reed relé is.
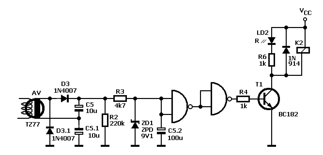
(#) Sebi válasza Melphi hozzászólására (») Máj 31, 2018 /
 
Egy lehetséges megoldás.
A két schmitt-trigger nem feltétlenül kell, ha az áram nem változik széles határok közt.

_AF04.PNG
    
(#) Melphi válasza otvenkilenc hozzászólására (») Máj 31, 2018 /
 
Addig kellene húznia ameddig áram folyik a vezetőben.
(#) Melphi válasza Sebi hozzászólására (») Máj 31, 2018 /
 
Ez teszik, esetleg van valami szöveges háttere a rajznak? Köszönöm.
(#) proli007 válasza Melphi hozzászólására (») Máj 31, 2018 / 1
 
Hello! 10 év fórumozás után, már "illene" egy ilyen egyszerű kapcsolás működését felismerni.
- Az áramváltót egy feszültség-kétszerező követi. (Nem szükséges 1N4007 két 1N4148 is megteszi.)
- A kondik kisütéséről gondoskodik az R2, ha megszűnik az áram.
- Az R3/C5 egy integráló tagot alkot, hogy gyors tranziens, vagy zavar, ne billentse be a relét.
- ZD1 korlátozza a feszültséget 9V-ra. De ez csak akkor helyes típusú, ha az IC tápja is 9V.
- A két kapuáramkör Schmitt-es, hogy az átváltás határozott legyen. Pld. CD4093
- A tranyó meghúzza a relét, ha folyik az áram. R4 a bázisáram korlátozó.
- Az áramkör akkor fog működésbe lépni, ha az áramváltó szekunder feszültsége meghaladja a komparátor (a kapu) bebillenési küszöbértékét, levonva a diódák veszteségét.
(#) otvenkilenc válasza Melphi hozzászólására (») Máj 31, 2018 /
 
A reed relé a legegyszerűbb és legolcsóbb megoldás
(#) Melphi válasza proli007 hozzászólására (») Máj 31, 2018 /
 
Szia!
A leírásnál nem feltétlen a működésére gondoltam.
Köszönöm az információt!
Neked is köszönöm otvenkilenc!
(#) Sebi válasza otvenkilenc hozzászólására (») Jún 1, 2018 /
 
Egyenáramnál igen (féklámpa kontroll 5-6 menettel a csövön), de váltóval nem megy...
(#) otvenkilenc válasza Sebi hozzászólására (») Jún 1, 2018 /
 
Én arra gondoltam, mert nem tudni milyen áramot szeretne figyelni. Az áramváltó alapján váltó, de nem nem biztos. Lehet egyenáram is.
(#) Melphi válasza otvenkilenc hozzászólására (») Jún 1, 2018 /
 
Váltóáramot kell figyelnie, ha elindul a lapszabász gép akkor induljon hozzá az elszívó.
De közben rengeteg cél áramkört találtam olcsón, ide teszem hátha mást is érdekel.
AC Current Sensor
Következő: »»   329 / 385
Bejelentkezés

Belépés

Hirdetés
XDT.hu
Az oldalon sütiket használunk a helyes működéshez. Bővebb információt az adatvédelmi szabályzatban olvashatsz. Megértettem