Fórum témák

» Több friss téma
Fórum » LED-ek áttűnése LM324-gyel
Lapozás: OK   3 / 7
(#) zenetom válasza Kovidivi hozzászólására (») Máj 1, 2008 /
 
á köszi, értem
(#) proba válasza SnoopyRider hozzászólására (») Máj 1, 2008 /
 
Mennyi ledet és hány miliampert ledenként akarsz rákötni?
(#) SnoopyRider válasza proba hozzászólására (») Máj 1, 2008 /
 
kb160 db LED, 50mA ledenként
(#) zenetom válasza Kovidivi hozzászólására (») Máj 2, 2008 /
 
találtam itthon egy PNP tranyót, BC212-est úgy jó lesz, ha ezzel épitem meg meg egy NPN BC182B-vel?
(#) Kovidivi válasza zenetom hozzászólására (») Máj 2, 2008 /
 
szerintem jó lesz, nyugodtan kipróbálhatod. egy led 20mA-t vesz fel, azt bőven tudja a tranzisztor.
(#) kisagyi hozzászólása Máj 2, 2008 /
 
Helló Skacok!!!
Most akkor sikerült voltaképp megépíteni a halványodó (Photonnyalábok) sokaságát?
Érdekelne a dolog.
Ezt a jelenséget egy 12Volt egyenáramú Autóakuról is le lehetne vezényelni?
Van az autómban halványodó belsővilágítás, de az izzós megoldás és hermelin.
Meg lehetne oldani, hogy halványodva aludjon ki és izzon újra fel kb 30-40 led, beborítva az utasteret fényárral?
Persze csak egy ütemben, hogy ne villódzon folyamatossan miközben nyitva van az ajtó.

Várom a szakik válaszát

Laikus kezdő: Agyi
(#) proba válasza SnoopyRider hozzászólására (») Máj 3, 2008 /
 
Az alábbi kapcsolás talán ??? jó lesz Először próbáld ki egy BD 250-nel, de szerintem melegedni fog nagyon (hűtőborda) Azt nem tudom a fényhatás mennyire fog előjönni vele.(esetleg ha három kissebb tranzisztort így bekötsz ezt leellenőrizheted egy-két leddel mielőtt a nagyobbakat megvennéd) Ennyi ledre már lehet valami kapcsolóüzemű megoldást keresnék.

darl.JPG
    
(#) SnoopyRider válasza proba hozzászólására (») Máj 3, 2008 /
 
egy olyan darlington tranzi kb mennyi ledet bírna el gond nélkül, ugy hogy a fényerő is teljes legyen? gondoltam arra is hogy esetleg építek mondjuk 4 kapcsolást és 4 felé osztom a ledeket.gondolom ha 1 kapcsolóra kötöm az összeset akkor mind 1xre indul és nem lesz eltolódás a fényhatások között.ha igy csinálnán 1 potival lehetne szabályozni az összeset?
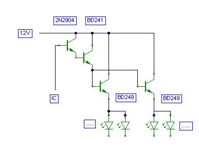
(#) proba válasza SnoopyRider hozzászólására (») Máj 4, 2008 /
 
Ez a kialakítás, ha egy tranzisztorral (1db bd249 + a többi) működik 1 leddel szépen (ezt nem tudom próbáld ki először ) Akkor a bd249 -ek párhuzamos kapcsolásával (a rajzolt módon) szinte bármennyit meg tud hajtani csak hűtőborda kérdése .Szerintem tranzisztoronként 80 leddel gond nélkül működnie kellene ,de lehet a 160 ledet is meg tudja hajtani egy bd249.(igazából a kritikus a melegedés,ha süt a borda akkor vagy nagyobb borda ,vagy mégegy tranzisztor.
Ezen a rajzon nem látok potit, de szerintem ,csak ha azonos tengelyen vannak ÉS elektromosan külön állóak akkor lehet alkalmazni.
A villogás biztosan el fog tolódni a panelek között .
Ha egyszerre villogást akarsz ahoz felesleges több kapcsolás csak a kimenetét kell terhellhetővé tenni valami módon .Ha ez nem válik be akkor is biztosan ki lehet találni valamit.
A rajz úgy nézem megtévesztő a lábszámozás stimmel de a lábak fölötti felirat nem! Az 1 láb a kollektor! a 2 a bázis (ez jó) a 3 láb pedig az emitter.)
Mivel a rajz megkevert ezért a rajzolt darlington sem jó,
talán majd ez.

darl_mod.JPG
    
(#) SnoopyRider válasza proba hozzászólására (») Máj 4, 2008 /
 
igen a lábak fel vannak cserélve,okozott is fejfájást meg "de miért nem megy???? "-et
a poti az R5 helyén van, azzal állítom a villogások közötti szünetet.
Amit rajzoltál az áttünést csinál vagy mind kell a síma villogáshoz.
csak röviden le tudnád írni melyik tranzi mit csinál?
(#) proba válasza SnoopyRider hozzászólására (») Máj 4, 2008 /
 
Ezt az egészet 2n2904 helyett kellene beépíteni a kollektorok + ut, az első tranzisztor bázisa az ic-re, a kimenet szerintem egyértelmű .
Ez annyit csinál szerintem hogy az ic kimeneti terhellhetőségét megnöveli (nem áttűnés ,csak villódzás)
Igazából csak egy nagy terhellhetőségű nagy erősítésű tranzisztort helyettesít.(pl tip121 de az max 5A !!)
Így bővíthetőbb (meg hirtelen ekkora áramra nem jutott eszembe más)
(#) SnoopyRider válasza proba hozzászólására (») Máj 4, 2008 /
 
köszi a magyarázatot, asszem kapizsgálom.
nem akarok értetlenkedni, de azt írtad hogy a mellékelt rajzal helyettesítsem a 2n2904-et, de azon a rajzon is ott van a 2n2094.
most a kapcsolásomban egy tip121 van,de ha már a második ledet rákötöm mindkettő halványul 1 kicsit.
(#) proba válasza SnoopyRider hozzászólására (») Máj 4, 2008 /
 
Akkor bocsánat az a 2904 az természetesen 3904 csak figyelmetlen voltam .És a másik két tranzisztort hozzá kell építeni.
A másik amire nem figyeltem az R6 os ellenállás. Szinte biztos, hogy ez okozza mostmár a halványulást .
A TIP-pel is kipróbálhatod a kollektorát a tápra kösd közvetlenül ne az R6 után ,és az R7 et cseréld ki 240 ohm min 0.5 W -os ra.Így már talán jó lesz.
(#) SnoopyRider válasza proba hozzászólására (») Máj 4, 2008 /
 
kipróbáltam a tip-es megoldást, igy a poti egyik végállásában egyfolytában világítanak a ledek a másikban éppen csak felparázslanak és máris elalszanak.
miért kellene 240ohm-ra cserélni a 100-at?ugy nem csak még kevesebb fesz jut a ledeknek?a 0.5W-os ellenállás azért kell hogy jobban bírja a terhelést?
(#) proba válasza SnoopyRider hozzászólására (») Máj 5, 2008 /
 
Azért mert szerintem ha 12 V ról járatod és 50 mA -t akarsz a ledeknek akkor ez az ellenállás jön ki.
Eddig az R6 meg a leddel sorban lévő ellenállás adta ki ezt az értéket.
És valóban ezért kell a 0.5 W mert eddig két ellenálláson osztódott el ez a teljesítmény.
Amit írtál a potiról az jó vagy rossz,be lehet állítani a jó fényhatást?

(#) SnoopyRider válasza proba hozzászólására (») Máj 5, 2008 /
 
ilyen most a kapcsolás :
igy azt csinálja hogy szépen ahogy kell felerősödik a fényerő, de nem halványul utánna vissza hanem marad teljes fényerőn.a poti másik végállásában meg szépen elhalványul, de onnan meg nem világít fel újra.van ötleted miért lehet ez?(az R7-et kivettem mert ugy számoltam hogy a 3 sorbakötött ledhez nem kell, da hülyeséget írok szólj )

pic2mod.GIF
    
(#) proba válasza SnoopyRider hozzászólására (») Máj 6, 2008 /
 
Először próbáld ki egy leddel + r7 ,Ez a kapcsolástípus szerintem nem igazán szereti a sorba kötött ledeket (nem lesz igazán szép a villódzás inkább csak villogás lesz belőle.Ha így működik akkor ezt próbáld bővíteni párh led+ellenállás.
Ha nem akkor rakd össze az eredeti kapcsolást .Próbáld ki hogy működik-e. Utána próbáld ki ezt az öszvér megoldást.
Így működik-e mindkét led jól?
Ha igen akkor a tip re csatlakozó ledeket próbáld "szaporítani",ha nem akkor pasz.


lm324.gif
    
(#) SnoopyRider válasza proba hozzászólására (») Máj 8, 2008 /
 
az eredeti kapcsolásra párhuzamosan kötöttem a ledeket, eddig 4-et, működik ahogy kell,a fényerő is ok, de már ettől igen csak melegedik a TIP121.tudod hogyan kell kiszámolni hogy mennyi ledet köthetek rá?(persze megfelelő hűtéssel)vagy inkább váltsak darlingtonra?
(#) proba válasza SnoopyRider hozzászólására (») Máj 8, 2008 /
 
Addig rakhatod rá amíg kb meg birod fogni a hűtőbordát,ill el nem éred a tranzisztor határadatait.
Ennek a kiszámolásában nem tudok segíteni Max annyit hogy az 5A ha jól emlékszem a tranzisztorra 50 mA ledekkel max 100 db .
Szerintem a melegedés hamarabb gátat fog szabni a ledek számának.
Egyébbként a Tip 121 is darlington ez után már csak a bd249 eket kell kötni az előző rajz szerint (tip121 E BD249 bázis, BD249 C tápfeszültségre, az BD249 emiterre meg a ledekre ellenállással.
A darlington elnevezés nem tranzisztor típus csak azt a fajta kapcsolástechnikát takarja ,amikor az erősítés növelésére egymás után kötjük a tranzisztorokat A két kollektort össze utána az egyik tranzisztor emitterét a másik bázisára. Így az erősítésük összeszorzódik.
(#) SnoopyRider válasza proba hozzászólására (») Jún 1, 2008 /
 
helló!köszi megint a segítséget,infót, végre tanulok 1 kicsit
a nagy áramfelvétel miatt csak az előtét ellenállást kell nagyobb teljesítméníűre cserélni?
(#) proba válasza SnoopyRider hozzászólására (») Jún 2, 2008 /
 
Ezt most nem értem. Ami a ledel sorba van abból ledenként egy kell,bármennyit kapcsolsz párhuzamosan ugyanannyi áram folyik tehát nem kell belőle nagyobb teljesítményű,vagy a ledeket te az ellenállás után párhuzamosítottad ?(Ha igen, és jól működik, akkor szerencséd van,és így valóban nagyobb telj ellenállás kell.)
(#) SnoopyRider válasza proba hozzászólására (») Júl 10, 2008 /
 
párhuzamosítottam őket, működnek.
Az előtét ellenállás számító progi 51W-os ellenállást mond, de szerintem ez nem lehet jó, mert próbáltam már kb 30 db leddel és ott még nem is melegedett a mezei ellenállás.
(#) proba válasza SnoopyRider hozzászólására (») Júl 10, 2008 /
 
Hogyan kötötted, hány voltot kaptak?
(#) SnoopyRider válasza proba hozzászólására (») Júl 10, 2008 /
 
igy vannak kötve :
hogy hány volt esik rajtuk azt nem mértem, de ugy tűnik teljes fényerővel világítanak ezért szerintem min 3V.

pic1.GIF
    
(#) SnoopyRider válasza SnoopyRider hozzászólására (») Júl 14, 2008 /
 
csak az előtét ellenállást kellene nagyobb teljesítményűre cserélni? a többi alkatrészen nem fog nagyobb áram esni?
(#) zenetom hozzászólása Júl 14, 2008 /
 
Na én is megcsináltam EZT a kapcsolást. Szerintem nagyon jó, csak még nem tudom hova rakjam és milyen színű LEDeket rakjak bele
(#) SnoopyRider válasza SnoopyRider hozzászólására (») Júl 17, 2008 /
 
van vkinek ötlete hogyan lehet növelni a kimenő feszültséget? a bemenet fix 12v
(#) Lucif-R hozzászólása Nov 12, 2009 /
 
Sziasztok,

Előre szólok hogy kispkás vagyok elekronika terén.

Segítségeteket kérném egy áramkör megtervezésében. Arra lenne szükségem hogy mondjuk 10 led egyszerre halványuljon el teljesen majd szépen erősödjön a fényereje teljes fényerőig, és mindezt az áramkör kikapcsolásáig folyamatosan csinálja. Lényegiben egy csillagos égbolt imitálásához kellene ( tehát mondjuk 5ilyet random elhelyezett ledekkel felszerelek és kéken is van ).

Már órákóta kurkászom a netet de sehol sem találtam se kapcsolást se semmit, itt sem nagyon. Talán ez volt a legközelebb de mégsem az igazi mert csak egy erősödés-halványodás ciklust tud.

Lényeg hogy egyszerűen és olcsón összedobható legyen ( esetleg erősödéshalványodás sebessége valamiféle képpen szabályozható legyen ).

Előre is köszönöm a segítségeteket.
Lucif-R
(#) Hp41C válasza Lucif-R hozzászólására (») Nov 12, 2009 /
 
Szia!

Neked egy szimmetrikus háromszög generátor kell, ami az időzítést is elvégzi. Legegyszerűbb eset a műveleti erősítős kapcsolás. Mintapélda az első oldalon. A kimenő feszültségből egy (vagy több) vezérelt áramgenerátort kellene meghajtani, azok kimeneti árama már a ledeket vezérelhetné. Mintapélda a 15. oldalon. A számítási képletek is benne vannak a leírásban.
Mivel a kimenet áramgenerátoros több ledet is sorba kapcsolhatsz, a határt a tápfeszültség szabja meg.

Szia
(#) Lucif-R válasza Hp41C hozzászólására (») Nov 12, 2009 /
 
Hüm Köszi gyors reagálást... nem e lehetne esetleg hogy egy kész kapcsolással lepsz meg engem? Nem nagyon vagyok már a számolgatásokban otthon sajnos. Amellett a 15.oldalon 3 ábra van és nem nagyon tudom az én minimális tudásommal kisakkozni hogy melyik mit stb (de tippem szerint a 15.oldal alsó ábrájára lenne nekem szükségem )
Következő: »»   3 / 7
Bejelentkezés

Belépés

Hirdetés
XDT.hu
Az oldalon sütiket használunk a helyes működéshez. Bővebb információt az adatvédelmi szabályzatban olvashatsz. Megértettem