Fórum témák
» Több friss téma |
Hello!
Azért nyitottam ezt a topikot,mert találtam egy érdekes és látványos kapcsolást, mely felkeltette az érdeklődésem. A kapcsolás itt, a metku.net oldalán, és eredetiben pedig itt, kicsit lejjebb görgetve található meg. A kapcsolás lényege, hogy 2 Ledet villogtat, de nem a szokásos módon, hanem halványítás segítségével. Az első link alján található egy videó, melyen már 3 vagy 4 logikai kaput használnak, de kapcsolási rajz sehol sincs róla. Ebben szeretnék segítséget kérni! Megépítettem az áramkört, nagyon szépen működik, de már régóta keresem a megoldást, hogyan lehetne bővíteni. Akit érdekel, szívesen válaszolok a kérdésekre, és szívesen fogadom a válaszokat is! Köszi
Kapcsolási rajz csak a két ledes megoldásról van, ezt szeretném "bővíteni" még 3 vagy 4 ledre.
Szerintem úgy lehet megoldani,hogy az ic 3-as és 4-es logikai kapuját is megcsináljuk ugyanúgy, mint az első kettőt, és mondjuk a pozitív periódushoz rakunk ledet. Ez a kapcsolás egyébként asszimetrikus háromszögjelet produkál? Mostmár kezdem felfogni a kapcsolást, úgyhogy a topik célja segíteni a "kezdőknek" egy látványos effekt megépítésében. (azért ha vmibe belegabalyodok, szólok )
Linkeld már be légyszives a konkrét kapcsolást, meg amire gondolsz mert fogalmam sincs milyen kettő meg négy kapuról beszélsz.
Mit szeretnél? Hogy mondjuk 4db led egymás után világítson, 'fel-és leúsztatott fényerővel'?
A linkek az első hsz-ben megtalálhatóak, ha átnézed, láthatod miről beszélek.kapuk alatt pedig az lm324-ben található logikai kapukat értem. És amit szeretnék az is benne van az 1.hsz-ben :"Az első link alján található egy videó, melyen már 3 vagy 4 logikai kaput használnak, de kapcsolási rajz sehol sincs róla." - itt nem 2led, hanem 5 fényerejét változtatgatják, és a videón látható megoldást szeretném megépíteni (metku.net-en megtalálható.... )
Mit szólnál ehhez:
555 astabilban órajelgenerátornak, ez vezérelne egy 4017-et. A 4017 kimenetein 1-1 differenciáló tag az 'áttűnések' miatt, utánuk pedig 1-1 műv.erősítős feszültség követő. Ezekről pedig egy ellenállással a ledek. Idézet: „kapuk alatt pedig az lm324-ben található logikai kapukat értem.” Az LM324-ben egy darab logikai kapu sincs, az biztos! :no: Ezért nem értettelek én! LM324 adatlap
Akkor ezt hogyan neveznéd?vagy más neve van? (esetleg komparátor (?) )
Előző hsz-ban köszönöm a tippet,de a jelenlegi kapcsolást kellene kiegészíteni. 4017-es ic-t nem ismerem sajnos... Idézet: „Akkor ezt hogyan neveznéd?vagy más neve van?” Bizony, teljesen más neve van: műveleti erősítő.
Igazad van,bocsi.nem jutott eszembe.jó.
EZT szeretnéd kiegészíteni?
Ha igen, akkor nem kell felhasználni a tok maradék két műveleti erősítőjét, egyszerűen csak párhuzamosan kötöd a többi ledet, ahogyan az a rajzon szaggatott vonallal jelezve is van. Ez úgy fog működni hogy lassan 'feléled' X darab led, aztán elhalványul, de közben a másik X darab led 'feléled'. Ehhez elég a két műv. erősítő. De ha úgy gondoltad hogy egymás után világítson a 4-5db led, akkor a fentebb írt megoldásom a működő alternatíva. Vagy talán a maradék két műv.erősítőt úgy szeretnéd felhasználni hogy egymás után 4db led világítson, egymásba átúsztatva? Ezért kértelek, hogy írd le hogy pontosan mit szeretnél! Idézet: „hát igen.” Hát ****... Ezt mire írtad? Idézet: „Ha igen, akkor nem kell felhasználni a tok maradék két műveleti erősítőjét, egyszerűen csak párhuzamosan kötöd a többi ledet, ahogyan az a rajzon szaggatott vonallal jelezve is van. Ez úgy fog működni hogy lassan 'feléled' X darab led, aztán elhalványul, de közben a másik X darab led 'feléled'. Ehhez elég a két műv. erősítő.” Erre? Idézet: „Vagy talán a maradék két műv.erősítőt úgy szeretnéd felhasználni hogy egymás után 4db led világítson, egymásba átúsztatva?” Vagy erre? Néma gyereknek...
Döntsd el mit szeretnél: kötöszködni, vagy segíteni!
"Néma gyerek" - erre csak annyit, hogy egyből válaszoltam a kérdésedre (mely csak ennyit tartalmazott: "EZT szeretnéd kiegészíteni?"), amit később szerkesztettél meg! Megérdemelnél egy olyan warn-t, amit vki kapott, hogy nem olvassa a fórumot, csak írogat (pedig csak egy oldalt kellene átolvasni...). Kb. 2X írtam le, mit szeretnék: "Amit szeretnék az is benne van az 1.hsz-ben :"Az első link alján található egy videó, melyen már 3 vagy 4 műveleti erősítőt használnak, de kapcsolási rajz sehol sincs róla." - itt nem 2led, hanem 5 led fényerejét változtatgatják, és a videón látható megoldást szeretném megépíteni (metku.net-en megtalálható....) És amit utoljára írtál:"Vagy talán a maradék két műv.erősítőt úgy szeretnéd felhasználni hogy egymás után 4db led világítson, egymásba átúsztatva?" -ez már közelít ahhoz, amit szeretnék, csak olvasd el ezt (vagy az első,vagy a 5.) a hsz-t, és akkor mindent megértesz... Köszi
tényleg ennyire hülyén fogalmaztam??? (Attila86: Tudom mit írnál, de ne tedd
, majd mások )
Meg is írtam félig, de inkább kitöröltem
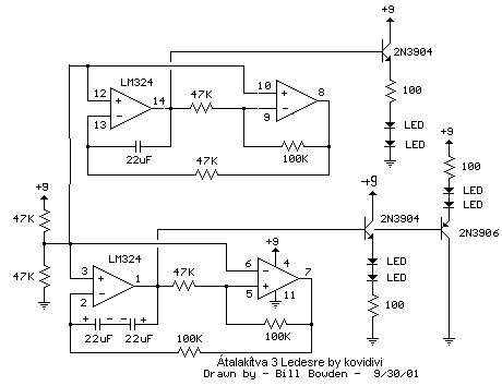
A rajz alapján visszarajzoltam egy érthetőbb formába a kétledes kapcsolást, de megmondom őszintén nem látom át a működését, annak ellenére hogy a kedvenc építőelemeim a műv.erősítők. (Miért nincs pirulós smile?!) Van egy olyan érzésem hogy te ragaszkodsz az LM324-hez, ezzel viszont egyenlőre nem látok megoldást a négyledes verzióra. De már engem is érdekel, töröm rajta a fejem...
törjük rajta együtt a fejünket.köszi.
Közben: Sztem a képen látható kapcsolással megoldható. A 13-as és 8-as lábat összekötő ellenállás változtatásával a sebességet változtatjuk,így a két kapcsolás sebessége akár egymástól függetlenül is változtatható. Természetesen 4 Ledesre is ki lehet terjeszteni,csak egy kondenzátorral meg egy tranzisztorral többet kell beépíteni (+2db led +1ellenállás).
Ez amit rajzoltál, ugyan úgy vezérel két ledet ahogy eddig, csak mellette egy másik led it átúsztatva 'villog', csak más sebességgel.
így van.és ha nem npn, hanem pnp tranyóval csinálod,akkor pedig a második periódusban fog világítani.a kondival trükközve pedig az áttűnés sebességét lehet változtatni.
ja, és ez volt a cél.
Pontosan.
Ha neked erre van szükséged, akkor jó. Én a 4db (vagy több) led egymás utáni fel-és leúsztatására gondoltam.
az kicsit bonyolultabb,és más téma.igen,én erre gondoltam.az meg tényleg egy 555-tel oldható meg, meg egy ic-vel,ami jel hatására lépteti, hogy melyik kimenete legyen magas, és erre egy kondival és egy leddel megoldva már kész is van,amire neked szükséged van.
Akkor ezt jól megoldottad magadnak :hehe: :taps:
ilyen az,amikor vki gondolkodik egy dolgon kb. fél évet, majd felrakja egy fórumba, és saját maga rájön a megoldásra...
érdekes az emberi agy ![]() Off: látom minden személyes infót levettél a profilodból. Pedig a weblapodon voltak jó dolgok.
off: Vki nagyon megijesztett, kiderítette a nevem, lakcímem, rendszámom, pedig sehol sem tüntettem fel...
Nem azért, de ezt én mondtam a #110363-as hozzászólásomban.
Öregem! Te aztán félre tudod érteni a magyart....
"az meg tényleg egy 555-tel oldható meg" -ez azt jelenti,hogy az meg "tényleg úgy van,ahogy írtad"... de én nem pontosítottam ic-t,hanem általánosan írtam... bírom az ilyet...
Én a #110508-as hozzászólásomat, aminek a szövege a következő:
Idézet: „Nem azért, de ezt én mondtam a #110363-as hozzászólásomban.” a #110502-es hozzászólásodhoz írtam válaszként. Én ezzel csak azt igyekeztem megkérdőjelezni, hogy a 555-el léptetős, 4017-es johnson számlálós, differenciáló tagos, feszültségkövetős megoldást én mondtam neked, nem pedig saját ötleted. ( Idézet: ) „ilyen az,amikor vki gondolkodik egy dolgon kb. fél évet, majd felrakja egy fórumba, és saját maga rájön a megoldásra...” "„ilyen az,amikor vki gondolkodik egy dolgon kb. fél évet, majd felrakja egy fórumba, és saját maga rájön a megoldásra...”" -ezt arra írtam ,amit itt kifejtettem. természetesen az 555-ös ic-s számlálós dolog a te ötleted, én csak leírtam újra, úgy ahogy nekem egyszerűbb... bocsi,hogy ismételtelek
Nem kötöszködni akarok, csak meglepett mikor Villám írta hogy ezt jól megoldottad magadnak. Hiszen én már az előző oldalon leírtam a dolgot.
|
Bejelentkezés
Hirdetés |




)







