Fórum témák
» Több friss téma |
Üdv!
Már jó 15-20 éve szereltem ilyet, lehet több változat is volt belőle. Ebben háromfázisú trafó van, először azt kellene megnézni, hogy megkapja-e mindhárom fázist. Nem csak két fázist kap? hibás lehet a dugvillában a bekötés, a kábel, a kapcsoló, a kötések(esetleg a dugaljban megvan a három fázis?) . Ezt nézd először! Kösd le a trafót és mérj a helyén lámpával, műszerrel. Ha jól emlékszem a trafó primerje csillagba van kötve, a ventilátor az egyik fázis és a csillagpont közé van bekötve, így kap 230V-ot. A szekunder azt hiszem delta bekötésű, erre mennek a diódák graetzbe kötve(háromfázisú). Itt 6db dióda van, három a negatívon, három a pozitívon. Ezeket is ellenőrizheted. ( a régebbiekben olyan diódák voltak, mint az autó generátorában, ezekből 3-3 párhuzamosan volt kötve, így 3×6db dióda volt. Ezeket körülményes volt egyesével kimérni.) Nem emlékszem, hogy ebben a hőkioldó hogyan van bekötve? Talán csak az egyik fázisban??? Azt is nézd meg, hogy átad-e, bár ilyenkor világítana elöl a piros lámpa. Szerintem itt valami fázisgond lesz, csak két fázist kap a trafód.
NAGYON SZÉPEN KÖSZÖNÖM!!!! Holnap megpróbálom a javasolt dolgokat,remélem megoldódik a probléma!Az előző tulaj elég gyalázatos körülmények között,egy félig nyitott fészerben tartotta a trafót,ráadásul valaki bele is kontárkodott a belsejébe,a hőkioldó hiányzik belőle!!Ez hat diódás,már arra is gondoltam,valamelyik megadta magát.."Hirtelen felindulásból" meg is rendeltem a HETRÁ-tól egy új PST 203 hidat,de leültem,mert egyáltalán nem hasonlít a régihez,dunsztom sincs,hogyan kéne bekötni.. Ha csak 2 fázisom lenne,akkor nem lenne mérhető feszültség minden szekunder kimeneten.Vagy igen?Igaz,a kábeleket még nem bontottam szét,lehet,h mégsem megy mindegyik..Ismét nagyon köszönöm a tanácsot!!
Megmérted a lényeget, igaz nem áram hanem feszültség. Mindháromnak egyformának kellene lenni, ehhez képest az egyik 68V a másik kettő pedig 49V. Vagy az egyikkel, vagy a másik kettővel gond van. Látatlanban a 68V-os ágban menetzárlat lehet valahol.
Üdv!
Szerintem továbbra is fázisgond. Egyiket nem kapja meg a trafó. A két meglévő fázis között a szekunderen méred a 68V-ot, ami jó érték. a másik kettő szekunderen a kevesebbet. Egy hiányzó fázis esetén is mérhető feszültség mindhárom szekunderen, éppen a fennálló eset szerintem!!
Üdv mindenkinek!Nem fázisgond volt... Kimértem a diódákat,a 6 2 típus volt,a pótlólagosan beépítettnek kétharmada volt a nyitófeszültsége.Nem vacakoltam,inkább beleraktam az új PTS egyenirányító hidat. A különbség ég és föld,3,2-es OK-s pálcával 160-180 A-on olyan varratot csinál a 6-os lemezre is,h csak ámulok...
granpa, mpisti: köszi.
Örülök, hogy beindult a topik. Működik, legalábbis üres járásban, mivel a munkakábelek csatlakozói olyanok mint egy félig elszopogatott negró. Meg azok is amikbe ezeket be kellene dugni. Most ezek következnének. Van ezeknek a csatlakozóknak szabványos neve?
Sziasztok! Egy kis segítséget szeretnék kérni. Van egy hetra 100u hegesztőm. valami el lehet barmolva nála mert csak 1 fokozata működik. Van egy rajzom hozzá. abban kérném a segítségeteket, hogy mit mivel kapcsol össze a kapcsoló az adott fokozatokban? mert valahogy ebből a rajzból nem tudok rájönni és abba se vagyok biztos, hogy gyári kapcsolója van rajta. a segítséget előre is köszönöm.
Sziasztok !
Van egy Hetra 140-es hegesztőm melyben a fokozat kapcsoló meg adta magát, ha tudnátok segíteni egy kapcsolási rajzzal azt meg köszönném, mellékelem az előnézeti képet és a típusáról a táblát. Köszönöm a válaszokat
Sziasztok!
Van egy Hetra ak 100-m trafóm és szeretném megcsinálni az akkumulátor töltő részét szeretném a segítségeteket kérni hogy milyen egyenirányító kell bele és hova kell bekötni ha esetleg lenne egy rajz is róla azt megköszönném! Válaszotokat előre is köszönöm!
Sziasztok.
Hetra 130s-be szeretnék kapcsolót tenni. Úgy került hozzánk, hogy nem volt benne. Milyet,mekkorát tegyek bele? Ganz VGK 16-os beletehető-e?
Ebből aztán sokat látni.
![]() Bemegy két szál, továbbmegy két szál. Mit lehet azon eltéveszteni?
Sziasztok.
Pálcás gép vásárlása elött állok. Max 35.000.ft.om van rá. Inverterek drágábbak is ugye, illetve valamelyik fórumba azt olvastam, hogy azt könnyebb hazavágni. Mi a véleményetek a következő trafókról? http://www.jofogas.hu/vas/Elado_Hetra_hegeszto_trafo_47572276.htm http://www.jofogas.hu/vas/Elado_Hetra_100_160_hegeszto_220_380_v_48...irst=1 http://www.jofogas.hu/vas/Hetra_hegeszto_trafo_44214855.htm Az első a leg tetszetősebb számomra, mert abba van ventilátor. (aztán lehet a többibe is van csak nem látszik) Mennyire lehet melléfogni ilyen hetrákkal? Ezek elvileg viszik a 3,2.es pálcát is? Köszönöm.
Egy kérdést csak egy helyre illik feltenni. Ráadásul ennyi felesleges space irritálni fogja a modikat. Egyébként a Hetra100/160 jó lesz, nekem is van vagy húsz éve.
A hozzászólás módosítva: Máj 13, 2016
Köszi.
Szín az mindegy talán ugye? Vagy ebbe is van hobbi meg profi kategória?
Sziasztok ! Valaki eseteleg tudna nekem képeket küldeni ehy Hetra 100/160 as hegesztő bekötéséről.Kapcs rajz van csak az alpján valami nem jó nálam. Kapcs rajz szerint 1-5 közösítve van nálam pedig 7-3 van közösre kötve. Gondom az hogy 220-ról megy a gép 2 fázisról nem.Ezért kellenének a képek hogy lássam a trafóból jővő vezetékek fizikai helyét a gépben ergó melyik tekercsből hová megy.
Esetleg mailban is elfogadom de ide is jó. ******* Köszi előre is ! Üdv: atag1984 Mod: E-mail címet ne írj ki hozzászólásban. A hozzászólás módosítva: Júl 25, 2018
Moderátor által szerkesztve
Ha addig meg nem teszi valaki, a hétvégén szétszedem az enyémet és lefotózom.
ÜDV!
Nagyon szépen köszönöm Zolika60 !!! Nagy segítség lesz nekem ! ÜDV: atag1984
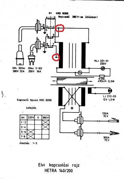
6066-os kapcsoló:
5-1 össze, trafó közös 7 trafó 230V 3 trafó 400V Betáp kábel 230V 6 L1 8 N Betáp kábel 400V 2 L1 4 L2
Köszi !
Ez oké a rajzol néztem én is ezt.De azt nem értem hogy a 7-es kapocsra megy egy vezetékem a trafóba, a 3-as kapocs üres nincs vezeték csak egy rövidzár átkötve a 7es lábra. Bekötve az általad leírtak szerint volt.csak az átkötés a 3-7 között van nem az 1-5 között. Ezért lenne jó egy kép hogy lássam a trafóról jövőket hátha valamit az előző tulaj felcserélt. Ha kiveszem az átkötést a 7-3 között és átrakom az 1-5 re akkor a 3 pont a kapcsolon üresen marad. Csak a 7-re megy a trafóból kábel.Akkor hiányzik 380-nál az egyik fázis.....? A hozzászólás módosítva: Júl 25, 2018
Én nem néztem a rajzot, mert nincs értelme ha a trafóból kijövő vezetékek nincsenek megszámozva. Van 7 vezetéked amit egy kapcsolóba kell bekötni a leírtak szerint. A kapcsolón van 8 hely, ahová be lehet kötni a vezetékeket + van egy áthidalás, nem értem mi nem világos ebben. Egyedül az kellene hogy problémát okozzon, hogy megállapítsd, hogy a trafóból kijövő vezetékek közül melyik-melyik, de ahhoz mili-ohm mérő vagy induktivitásmérő szükséges. Vagy esetleg ha tudod melyik volt bekötve amikor 230V-ról ment, akkor a megmaradt vezeték a 400V, vagy a trafó szekunder oldalára kötsz nehány Volt váltófeszültséget és megméred a primer kivezetéseket.
A hozzászólás módosítva: Júl 25, 2018
ÜDV!
Bekötöttem rajz+leirásod szerint továbbra is 220v-ról megy 2x400-ról nem...kapcsoló jó kimérve,fázisokat cserélgettem de semmi.Ilyenkor mi van......??????
Azt a primer tekercset is mérted? Nem szakadt?
Lehet szakadt a 400V-os primer rész. Mérd meg.
ÜDV!
Primer oldalon 3 kivezetésem a trafóról.Ha bármelyik 2-re rákötöttem a 220-at akkor ment.Héten már a Trakis Hetra szerelőjével is beszéltem ő annyit mondott ha szakadás lenne akkor 220-ról se menne. Primert ezért nem mértem ki. De kimérem majd. Ha szakadt akkor így jártam.Bár 220-ról szépen megy lehet vele hegeszteni minden gond nélkül. Köszi addig is neked,nektek !
Ha mindkettőre kötve van kimeneti feszültség akkor elkötöttél valamit, mert akkor nincs szakadás, nehezen is tudnám elképzelni, mert olyan vastag vezetékből van. Eljut egyáltalán a 400V a kapcsolóig? Ha tennél fel képet lehet könnyebb lenne megoldani a problémát.
ÜDV!
A gyári betápot cseréltem újra gondolván régi oxidos stb.Ezt kizártam.A hosszabítóm is vadi új. 3P+Föld apa anya szintén új.Bekötések a két végén egyformák. Kapcslóra megy feszkó,átkapcsoláskor át is megy a kapcsolt oldalra.Próbalámpával kiprobáltam ok. Multit ma viszem haza mérni,az otthoni kuka...(elkérik..odadom...rosszan hozzák vissza...többeet senkinek...) Úgy mint irtam a 3 bemenetet a trafóba bárhogy variáltam párba 220 ról minden esetben ment. Ha haza értem melóból fényképezek úgy könnyebb lesz. 4 óra után majd rakok képet akkor. Köszi a sok segítséget,nem amatör vagyok műszerészként dolgozom de soha nem szereltem még hegesztőt. Most vettem kb1,5 hónapja kellett az építkezéshez. Azért a kivezetéseket kimérem ohmikusan . Köszi addig is. ÜDV! |
Bejelentkezés
Hirdetés |












