Fórum témák
» Több friss téma |
Fórum » Redőny vezérlés
Témaindító: Antal Miklós, idő: Jan 31, 2006
Témakörök:
Szial. Összeraktam a kapcsolást amit ajánlottál 4017 ic-vel.
De valamiért nem úgy működik,ahogy kéne. Ha a nyomógombot megnyomom, van hogy átugrik és egyből vissza az első reléről a másodikra. Ha lenyomva tartom,akkor pedig bibrálnak,gondolom nagyon gyorsan váltogattja. Mit rontottam el szerinted? Elvileg lenyomásonként kéne egyet lépnie.
Hello! A rajzon elkövettem egy hibát, a 13-as lábat le kell kötni a GND-re. A táp remélem megfelelően van szűrve.
Köszönöm,így már tokéletesen működik.
Természetesen mechanikus motorok.Hát igen ezt a megoldást én is megtaláltam, bíztam benne ,hogy valami olcsóbb megoldást tudtok javasolni.
Esetleg egy rajzod lenne 230v relékhez?
Hogyan lehetne azt megoldani, hogy csak egy bizonyos ideig adja ki a jelet, majd kapcsolja le a kimenetet?
Tisztességes megoldás egy v. két monostabil multi lenne, de egy relénél, akár egy Fet és egy differenciáló tag is megfelelhet. (De a "bizonyos ideig" nem egy műszaki fogalom..)
A "bizonyos ideig" megfogalmazást azért használtam, mert még nem tudom pontosan,hogy mennyi időre kellene kapcsolni. Kb. 61-80 mp.Egyébként egy darab monstabillal oldottam meg én is,csak azért kérdeztem rá,hátha valaki ismer más,esetleg jobb megoldást. Azért köszönöm az eddigi segítséged is.
Akkor a Fet helyett használhatsz egy NE555-öt, a kondi helyett egy 220µF-ot. És nem kell tranyó, az NE meghajtja a relét, és precízebb is lesz az időzítés.
Sziasztok!
Azt hiszem, hogy elég alapvető, egyszerű feladat lesz hozzáértők számára, de én nem tudom a megoldást. Motoros redőnyök lettek felszerelve nálunk, és azt szeretném elérni, hogy a projektor indításakor leereszkerjenek az árnyékolók. A proji ad egy állandó 12V-ot, mikor bekapcsolom, és értelem szerűen megszűnteti kikapcsoláskor. A legegyszerűbben kivitelezni úgy tudnám, ha az egyik távirányító leeresztő gombját záratnám, de csak egy rövid impulzus erejéig, hogy ne tartsa úgy. Összegezve: valaminek adok 12V-ot, az átengedi magán egy rövid ideig, majd visszaáll nyitott állapotba, és csak akkor záródik újra, mikor megint kap 12V-ot. Mivel tudom ezt legegyszerűbben megoldani? Valami monostabil kapcsolás, aminek nem kell külön kapcsoló jel, hanem a táp ráadása kapcsolja... Előre is köszönöm a segítséget!
Kiváló, köszönöm, erre gondoltam, így a projektoros kapcsolás megoldódni látszik.
Van egy ehhez kapcsolódó másik kérdésem is, amit már másik topikban feltettem, de nem kaptam rá segítséget/megoldást. Van egy kis távirányítós 4 relés modul. Annyi a baj vele, hogy ha nyomok egy gombot, akkor a relét addig tartja behúzva, míg mégegyszer meg nem nyomom a gombot, vagy nem szakad meg a kis szerkezet áramellátása egy pillanatra. Ez utóbbit szeretném megoldani a legegyszerűbben. Tehát akármelyik relét húzom be, apár pillanat múlva kapcsolja le a szerkezet tápellátását egy rövid ideig. Előre is köszönöm a segítséget!
Ha SC2272-T4 IC-vel van szerelve, akkor cseréld ki SC2272-M4-re. Az addig ad kimenő jelet ameddig nyomod a gombot. M= momentary, T= toggle
Nagyon köszönöm a választ! Sajnos nem SC2272, hanem ULN2003a. Ez vajon helyettesíthető SC2272-M4-gyel?
Az ULN2003A az nem a távirányító jelét vevő IC, kell ott lennie egy vevő IC-nek is.
Azért gondoltam erre, mert ránézésre ez az IC olyan, mint az SC2272. Ami viszont közelebb van az infra vevőhöz, az egy fele akkora (8 lábú) IC, és sajna nem olvasható, hogy mi a neve...
Én ilyen távirányítót használok. Ebben eredetileg M4 jelzésű IC van. Kiforrasztottam és foglalatot tettem a panelbe. Most a feladattól függően az M4, T4, L4 van a foglalatba téve.
4 csatornás távirányító Azt nem is figyeltem, hogy nem RF a távirányító hanem infra. Ezt eddig nem írtad. A hozzászólás módosítva: Feb 22, 2017
Igen, ez egy kicsit más, de nekem pont nem segít sajnos. Szerintem az enyémben az infrát vevő/dekódoló IC az a 8 lábú kis csoda, aminek nem látható a neve, így nem tudom, mivel lehet kiváltani, hogy csak addig dolgozzon, míg nyomom a gombot...
![]() Igen, kifejezetten infra, ami kell nekem, mert Logitech Harmony a "másik fele". A hozzászólás módosítva: Feb 22, 2017
Amit linkeltem az adó és vevő rész együtt és mindössze 700 Ft. Hozzá egy relé modult alkalmazok még:Bővebben: Link
Ez sem drága, mindössze 850 Ft. A hozzászólás módosítva: Feb 22, 2017
Tényleg nem komoly befektetés, de nekem nem megfelelő. Rádiós táv van eleve a redőnyhöz, de épp az a cél, hogy infrával váltsam ki (a Harmony miatt)
Egyébként az ULN2003a az csak egy sor "kapcsoló"? Tehát ennek nem függvénye, hogy behúzva marad-e a relé vagy sem?
Igen, az ULN2003A csak 7 "kapcsolót" tartalmaz. Valószínűleg a 8 lábú IC-ben futó program adja a relék kapcsoló jelét.
Köszönöm, már én is így gondolom. Ezek szerint a következő lehet a megoldás a problémámra:
Bővebben: Link Ennek a leírásában a következő szerepel: Working Mode: Jog control For example: User press remote button, then relay turns on; user release the remote button, relay turns off Tehát ameddig nyomom, addig zárja a kimenetére kötött reléket. Másik kérdés: az előző kapcsolásban miért használták az ULN2003-at? Miért nem lehet közvetlenül kapcsolgatni a reléket? Köszönöm!
Szia!
Idézet: „Másik kérdés: az előző kapcsolásban miért használták az ULN2003-at? Miért nem lehet közvetlenül kapcsolgatni a reléket?” Mert a relé nagyobb áramot igényel, mint amit a vezérlő áramkör tud + kikapcsoláskor induktív feszültséglökést produkál, ezért közé tesznek egy erősítő-elválasztó fokozatot ( ULN tranzisztora) ...!
Igen, addig zárja a kimenetet amig nyomod a gombot.
A vezérlő IC kimenete nem tud akkora terhelést kapcsolni amennyi a reléknek kell, az ULN2003-t kapcsolja, az már terhelhető.
Sziasztok!
Kérnék egy kis segítséget: lenne egy zsalúziamotorom Somyfy J406 HTM típusú, egyszerre let feszultség alá helyezve a fel és a le irány, amire a reakció hogy a motor leeresztette a zsalúziát és azóta már nem húzza fel, de a fel parancsra zúg és egy nagyon picit megmozditja a zsaluziát, olyan mintha valami vészüzembe kapcsolt volna.. vagy tönkrement? Javitható-e ez az állapot szerintetek lehet-e valami féle biztosíték a áramkörében ilyen esetre? (sajnos a googlizás semmi kézelfoghatót nem tárt fel). Előre is köszönöm!
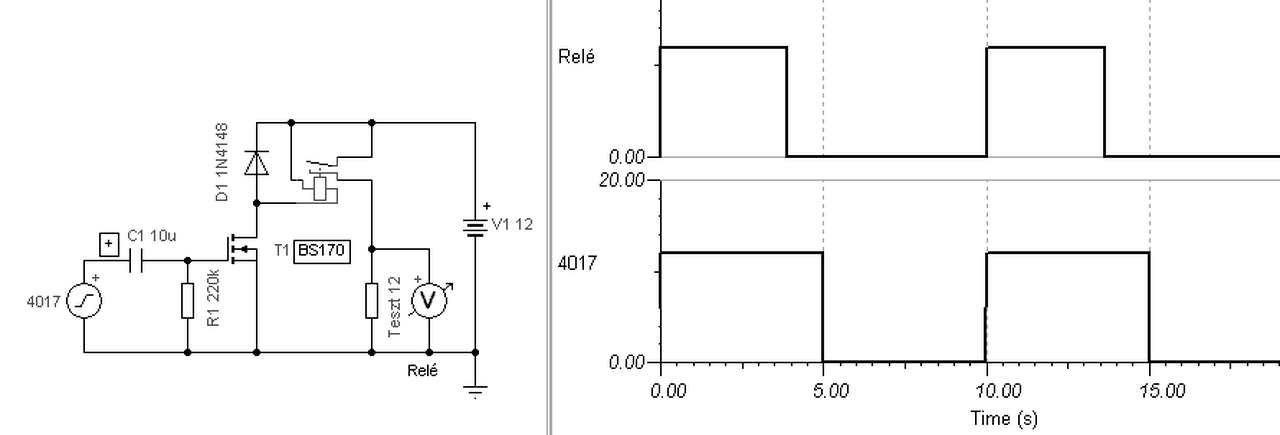
Sziasztok! A 4017-es ic vel működő redőnyvezérléshez nem csinált véletlenűl valaki nyáktervet?
Hello! A Step-4 áramkörre gondolsz? Mert abban sajnos van egy hiba is, az "Ena" lábnak a GND-re vagy az IC 10-es lábára kellene menni.
Szia! Igen arra gondoltam! Láttam, hogy írtad, jogy van benne egy hiba! Ki is nyomtattam, próbáltam nyáktervet készíteni, de nagyon nem megy!
Na meg elbizonytalanodtam az ic-vel kapcsolatban, mert van ebből olyan tipus, amelyik flip-flop, meg olyan is amelyok dekád számlálós! Most akkor melyik a jó?
A CD4017 az csak dekádikus számláló lehet. Azt lehet mondani, hogy flip-flop-ok vannak benne, de az csak a tárolók beceneve. De megrajzoltam számodra, remélem erre gondolsz.
Egy dolog szembetűnő: Ha a redőny eléri a "végállást", ez menni fog tovább, nem kapcsol ki.
Volt egy jobb kapcsolási rajzod erre a célra. |
Bejelentkezés
Hirdetés |















