Fórum témák
» Több friss téma |
Mielőtt kérdezel, a következő két dolgot ellenőrizd!
I. A helyes tápfeszültségek megléte.
II. A kimeneten van-e egyenfeszültség.
Élesztés.
Ilyen egyedi alkalomra vennék RCA-RCA, JACK-RCA kábeleket a nem túl drága fajtából, félbe vágva, felpucolva simán összedrótoznám az elosztót. A kontársága ellenére megbízható működést garantál. A hangerő kiegyenlítését összehozhatod a Hi-Fi készülékek saját szabályzóival. Buli közben nem hinném, hogy menne. A központi hangerőállítást gondolom eddig is a lejátszóval tervezted. Egyebekben Boldog Szülinapot!
Sziasztok! Volna egy kérdésem erősítővel kapcsolatban. Ilyennel még nem találkoztam. Építek egy erősítőt : STK496-090c végfokkal. Működik is, DE. mikor kb 10% hangerőn hallgatom olyan mint ha nem lenne neki elég az áram ( mint ha torz lenne ), ha kezdem hangosabbra venni, ez megszűnik. Nagyon halkan sincs gond. + még , ha egyszerre csak az egyik hangfal van be dugva, akkor is szól rendesen. Bár olyan is van, hogy ha mind két hangfal be van dugva és csak a bal oldali rca van bedugva akkor szól a bal oldal szépen, de a jobb oldalból recsegés hallatszik, mikor mondjuk basszus szól. Remélem érthetően írtam le.Kinek mi az ötlete?
http://www.urbanelektronika.hu/2x50.html ez van benne. Az ötleteket, avagy válaszokat előre is köszönöm.
Szia!
Változik a tápfeszültség értéke a recsegéskor vagy nem? Ha nagyon beesik a feszültség, akkor bizony kicsi a tápja.
Kedves Tibor!
Látatlanban én a tápod hibájára gondolok. Ajánlanám egy jó ember képekkel alátámasztott értekezésének az áttanulmányozását. tkiraaly beírásával, az audio rovat építési tanácsait. Elek
Én nem a tápra gyanakodnék, mivel ha kis meghajtásnál leesne a táp és e-miatt torzítana akkor nagy kivezérlésnék még jobban visszaesne a tápod ami magyarázná a torzítást. De mivel nagy kivezérlésnél nem tapasztalsz torzítást így... Láthatnánk magát a kapcsolást?
Ellenőrizni kell a forrasztásokat, mindegyik szép legyen, ne legyen kásás-kinézetű, matt felületű, vagy darabos.
Jó, ha a bemeneti pontokra menő jel ferritgyűrűn, vagy kis fojtótekercsen (3,3uH-22uH) keresztül megy a panelra, így kevésbé szed össze nagyfrekvenciás zavaró jeleket, amik esetleg gerjedésre késztetik az áramkört. Ha erősen melegszik, miközben a hibajelenség fennáll, akkor valószínű, hogy gerjed. Vezetékezés hibája, hosszú vezetékek, főleg a jelvezeték is okozhatja. A táp szűrése, hidegítése a panelen fontos, hogy megfelelő legyen, a kerámia kondenzátorok inkább 500V-os feszültségre alkalmasak legyenek, a kisebbek hamarabb tönkremennek, ezzel is gerjedékenységet, torzítást, illetve, egyéb hibát okozva. - Nem ártana a hangsugárzókat is megvizsgálni, mert egy kezdődő bajusz-szakadás (membránba bevezető sodrott-szál) is okoz torz hangot kis hangerőnél, nagy hangerőnél meg ki-kihagy a hangja a hangszórónak. Van mit ellenőrizni, de nem unatkozik az ember. ![]() Üdv!
Szia. Egyáltalán nem melegszik. A Tápon nincsen más kondi csak a a 2db puffer. ,de rakok rá, hátha.
Szia. Sajnos kapcsolást nem tudok mellékelni, mert így kaptam a KIT-et össze rakva. Egy másik erősítőbe volt ez beépítve. viszont ott nem volt semmi baja....
Hát ha ott nem volt baja és akitől kaptad még azt is megengedné hogy a tápot megnézd már is közelebb lennél a helyes megoldáshoz. Ha a tápot Te adtad hozzá akkor viszont előfordulhat hogy mégis a körül kell nézelődni esetleg még a forrasztásoknál ahogy már említették előttem.
A hozzászólás módosítva: Nov 11, 2018
Pufferre 100nf ?
Táp gnd jel gnd hogyan összekötve és hol . A hozzászólás módosítva: Nov 11, 2018
Sziasztok
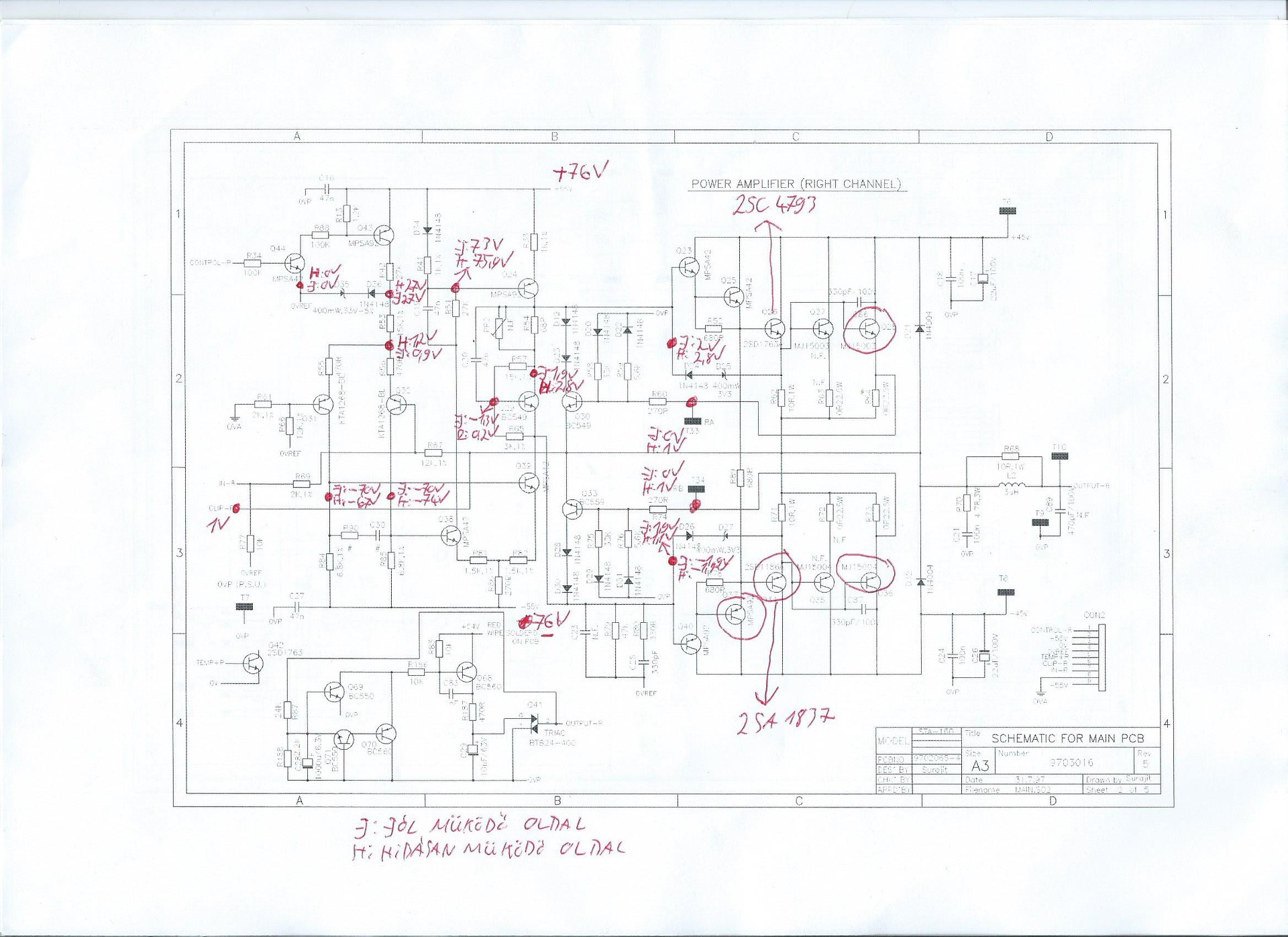
Most hétvégén foglalkoztam a végfokkal! Előzőleg minden ellenállást, tranzisztort, diódát kimértem a hibás oldalon! A mellékelt kapcsolási rajzon bekarikáztam azokat az alkatrészeket amik hibásak voltak! (Itt kértem segítségét a meghajtó tranzisztorok kiváltásában! Végül 2SA1837/2SC4793 párossal lett kiváltva a benne lévő páros(eredeti meghajtók közül csak PNP-s volt zárlatos, de nyilván mindkettő cseréltem)! Végtranzisztoroknak a benne lévő MJ15003/MJ15004 párost raktam, nem variáltam vele! A valóságban csak egy pár van egy csatornán!) A hibás oldal feléledt! Protect jelzés eltűnt! Működik a végfok! Viszont nem hibátlan; Tekerve felfelé a hangerőt (beszéd hangerejétől fölfelé) enyhén elkezd recsegni bizonyos tartományokban a hang! Nem minden zenei részletnél hallatszik ki annyira, illetve annyira talán nem intenzív a recsegés! A recsegés fajtája talán olyan mint amikor egy hangszórót nagyon meghajtanak, nem égett még le, de már elkezd recsegni néhol... Szeretnék rájönni mitől lehet ez! Amit ideáig megtettem; A bemeneten lévő előerősítő fokozatot (végfokozatban lévő differenciál erősítő előtt lévő műveleti ic-s áramkör ami fogadja a bemeneti csatlakozókat) felcseréltem! Az az a végfokozat bemeneti pontjához menő bemenő jelet felcseréltem a két végfokozatnál! Ugyan úgy produkálta a hibajelenséget! Tehát a javított végfokozatnál lesz a bibi! A két végfokozatban felcseréltem a meghajtókat, gondolván arra nem-e a kiváltás végett produkálja ezt a végfok (a másik oldalon a gyári meghajtó tranzisztorok voltak), a hiba ugyanúgy a javított oldalon maradt! Forrasztásokat, alkatrész beültetéseket átnéztem, ott nem találtam hibát! Elkezdtem méricskélni! A kapcsolási rajzon bejelöltem, hogy melyik oldalon mit mértem!A hibás oldalon vannak eltérések, néhány volt mindenhol! Tudom, hogy távolról nem fogja senki megcsinálni! De esetleg egy-két ötletet szívesen vennék a tapasztaltabb, nagyobb tudással rendelkező kollégáktól! A mérésekből esetleg tapasztalatból hátha valaki közelebb vinne a megoldáshoz.. Sajnos szkópom nincs! A segítő szándékú hozászolásokat Köszönöm!
Recsegő hangokat. Kondenzátor szokott okozni. Én átnézném...kerámiákat, elkokat.Tudom át nézted , de nyulott ellenâllás biztosan nincs ? (lehet akár emiter is !)
A hozzászólás módosítva: Nov 11, 2018
Sziasztok!
Meg építettem sokadjára ezt a kis erőművet,csak meg fejeltem még 1-1 tranzisztor párral. Megy is rendesen,csak arra vagyok kíváncsi,hogy a 33,s a 68 óhmos ellenállásnak milyen nagy szerepe van? Ha átvezetést raknék be helyettük füst lenne s hogy így 3-3 végtranzisztor párral mennyi a kivehető teljesítmény? +-60v 4óhom Előre is köszönöm. A hozzászólás módosítva: Nov 12, 2018
A BD 249-250 nem használható +-60V-ra...
Szia! Vizsgáld meg a Q39-et! A bázisára érkező feszültség alapján nyitott állapotban kéne lennie, viszont kollektoráramnak semmi jele.
Sziasztok! Van egy japán rádióerősítőm tranyós végfokkal. Szépen szól, azonban ha a külső jel gyenge és fel kell hangosítanom, hogy halljam, az egyik végfok elkezd forrósodni majd egy idő után kiveri a biztosítékot. Kicserélem újra jól szól. Valami nagyfrekis gerjedés lehet? Ha valaki tapasztalt már ilyet és tudja a megoldást....
Helló. Ha van oszcilloszkópod vagy valakinek az ismerettségi körödből akkor azon látszani fog hogy mi az ok ha nem hallatszik. Akassz a kimentre Ohm-os műterhelést majd adj jelet neki és próbáld reprodukálni azt a helyzetet ahol a hiba előjön. Láttam már olyat hogy a kimeneten levő soros RC tag gnd felöli vége szakadt volt és az egyik periódus sok kis szinusz hullámokból épült fel, amig ránem jöttem az okára eltelt kis idő. Sajnos nem fotóztam le a képet pedig tanulságnak jó lenne, de szerencsére reprodukálható ennek a körülménye.
Köszi. szkópom nincs, de gyanakszom valami nagyfrekis dologra. Megpróbálom a másik végfokkal össze hasonlítani, de talán egy néhány pF-os kondii a végtranyó két lábán, mint aluláteresztő szűrő is számításba jöhet: Szerinted?
Halli. Gyári erősítő esetén az mindig ott van emlékeim szerint, de nézd meg a rajzán. Lehet hogy az a kondi szakadt vagy nincs benne a kapcsolásban ha nincs, akkor épitsd be hátha megoldódik a gond.
No meg lett a hiba. Sajnos az STK Rossz. Visszaépítettem az eredeti helyére a videoton erősítőbe, és sajna ott is ugyan azt produkálja.
Sajna a Denon állítólag nem engedi a kapcsi rajzokat közkézre adni. Így nem nagyon tudom letölteni. De azért még próbálkozom.
Szia! Tekerd fel úgy a hangerőt, hogy nincs csatlakoztatva semmi a bemenetre! A gerjedés egy rossz árnyékolású jelkábel és a hangszóróvezeték kölcsönhatásából is létrejöhet, sőt néha az is elég ha közel futnak egymáshoz.
Már feltekertem de jel nélkül is az egyik csatorna végerősítője nagyon melegszik, de csak akkor, ha fél hangerő fölé tekerem. Nem tudom a hangerő szabályzó nem játszhat-e szerepet, mert kb. fél hangerőnél serceg egyet, miközben tekerem. Lehet, hogy az ultrahang tartományban van a gerjedés, mert hallani nem lehet.
Add meg kérlek a készülék típusszámát!
Egyelőre nem találtam meg a doksiját, a mellékelt rajz hasonlít valamennyire a készülékedhez?
Valamennyire igen, de nyilván nem azonos. A félvezető készlet más és a szolgáltatásai is. Nagyon komolyan nem is tudnék bele menni, mert annyira nem ismerem a kapcsolást. A Darlington végfok talán hasonló, de nem biztos, hogy a végfoknál a baj. Lehet, hogy a gerjedés korábbról ered. Legfeljebb nem hangosítom fel jobban, hogy ne melegedjen. Talán egy szűrővel nem lehetne megakadályozni, hogy magas frekis gerjedés rámenjen a végfokra, vagy egy negatív visszacsatolással megszüntetni?
Készíts egy képet az erősítő panelről, hogy legyen valami hivatkozási alap.
Ha gerjed, akkor elsőként a végfok kerámia kondikat vizsgálnánk, azok hajlamosak tetemes értékvesztésre. Szkóp hiányában a kimeneten lévő Zobel tag ellenállásának melegedéséből következtethetünk gerjedésre. A kísérletezés során érdemes soros izzót tenni az egyik hálózati vezeték ágba, hogy a túláram csak az izzó fényerejét növelje meg, semmint biztosítékot kelljen cserélned.
Ezen az oldalon van egy kép a végfokról, de csinálhatok egyet én is. A biztit, nem azonnal veri ki, hanem egy darabig melegszik, melegszik, és csak mikor már nagyon forró a borda, akkor megy ki a bizti. Olyan, mint mikor a germánium tranzisztorok megfutnak, de az is lehet, hogy egy hőérzékelő be van építve valahova. Persze, az inkább leszabályozna. Lassan már vennem kell T 2A-es biztiket, mert már vagy 3x előfordult.
|
Bejelentkezés
Hirdetés |












