Fórum témák
» Több friss téma |
Hello! Működhet, de..
- Kettős tápfeszültség kell neki. - Nem túl szép, hogy egyenáramot is erősít, így váltogatva az IC offset hibáját is erősíteni fogja. Vagy is koppanni fog átváltáskor. - Ha a kapcsoló olyan, hogy pld. 1-ről 2-őre váltva a köztes állásban szakadás van, akkor nagyot fog puffanni átváltáskor. Tehát fix erősítés értékkel "értelmesebb" a rajz.
A kapcsolót szerintem kiveszem, mivel ez egy gitárkombóba megy, nem lesz szükségem pl a mikrofon bemenetére, csak a kérdés az, hogy egy gitár jelszintjére melyiket hagyjam meg? Én azt mondanám, hogy a cikkben megjelölt kettes pozi lesz a nyerő, ami "tape, sensitive signal, about 100 mV", ez úgy vélem, megközelíti egy gitár jelszintjét, ami mindenképpen magasabb, mint egy mikrofoné, ezzel kiküszöbölöm a kopogószellem-effektust. A táp pedig egy számítógép tápjának +- 12 V kimenete, az tökéletes neki.
Nekem fogalmam sincs, hogy egy gitár mekkora jelet ad. A fokozat erősítése a kapcsolt visszacsatoló ellenállás és az R2 hányadosa, plusz 1. Tehát 1-es állásban 21-szeres az erősítése.
Igen, gitárnál az nagyon sok, de szerintem kiveszem a kapcsolót, és a visszacsatoló helyére teszek egy 20K körüli trimmer potit, azzal aztán lehet kísérletezni
Sziasztok, azt szeretném kérdezni, hogy ha egy keverőpult audio kimenetét elosztom 5 db kis digitális végfokhoz (tehát párhuzamosan mind az 5 végfok bemenetét táplálom róla) akkor ez miben befolyásolja a keverő kimeneti jelét? (halkabb lesz-kisebb jelet kapok vagy épp ellenkezőleg, esetleg torzulást okoz, vagy baja lehet-e a keverőnek stb?) Ha jól gondolom a végfokok bemeneti impedanciája a párhuzamos kötés miatt lecsökken?
És még azt szeretném tudni, hogy a keverő sztereo fejhallgató kimenetére lehet egy-egy végfokot kötni? -lehet baja emiatt a fejhallgató kimenet elektronikájának? ...előre is köszönöm.
A keverőpult kimenete kisimpedanciás, néhányszor 10, 100 ohm körül van. A végfokok bemenete, viszont néhány kohm -tól kb 10 kohm -ig terjed. Lehet párhuzamosan kötni a bemeneteket, a keverőnek baja nem lesz.
A fejhallgató kimenet végerősítője általában max 8 ohmos fejhallgatóval terhelhető, így erre is köthetsz további erősítőt. Azonban ezt nem célszerű megtenni, mert ennek a kimenetnek a jel/za viszonya sokkal rosszabb, mint a vonal kimeneté, a szintje is nagyobb, ezért meglehet szükség lesz a kimeneti szintjének csökkentésére. Pontosabbat csak a keverőpult ismeretében lehetne mondani.
Szia! Nem valószínű, hogy bármi is meghibásodna az összekötések által. Milyen keverőről van szó?
Üdv, Yamaha MG10/2 keverőpultról van szó, és olyan oszlopsugárzóra szeretném kötni amiben nyolc hangszóró van 4 db sztereo végerősítővel, +a mélysugárzó 1 végfok, ezeknek a bemenetére kellene szétosztani a keverőből kijövő jelet...Oké, tehát baja nem lesz de mi lesz a jelszinttel, csökkenni fog?
A hozzászólás módosítva: Szept 4, 2018
A jelszint legrosszabb esetben 1 - 2 dB -el csökkenni fog, ezt viszont egyszerűen tudod korrigálni, már ha egyáltalán szükségét érzed.
Mellékelem a kimeneti impedanciákat, teljesen átlagosak. Ha a végerősítők a szokásos 47 k bementi ellenállásúak, akkor pont kiadja az öt csatorna eredője az 10 k-t, amit az MG10/2 kézikönyve ajánl ideális terhelő-ellenállásnak.
Hú de jó, köszönöm szépen bár én nem értem ezeket a kimeneti meg bemeneti impedancia dolgokat, de ha pont jó lesz az nekem pont elég. Köszönöm szépen, hogy utána néztetek és segítettetek ebben. Üdv.
Sziasztok!
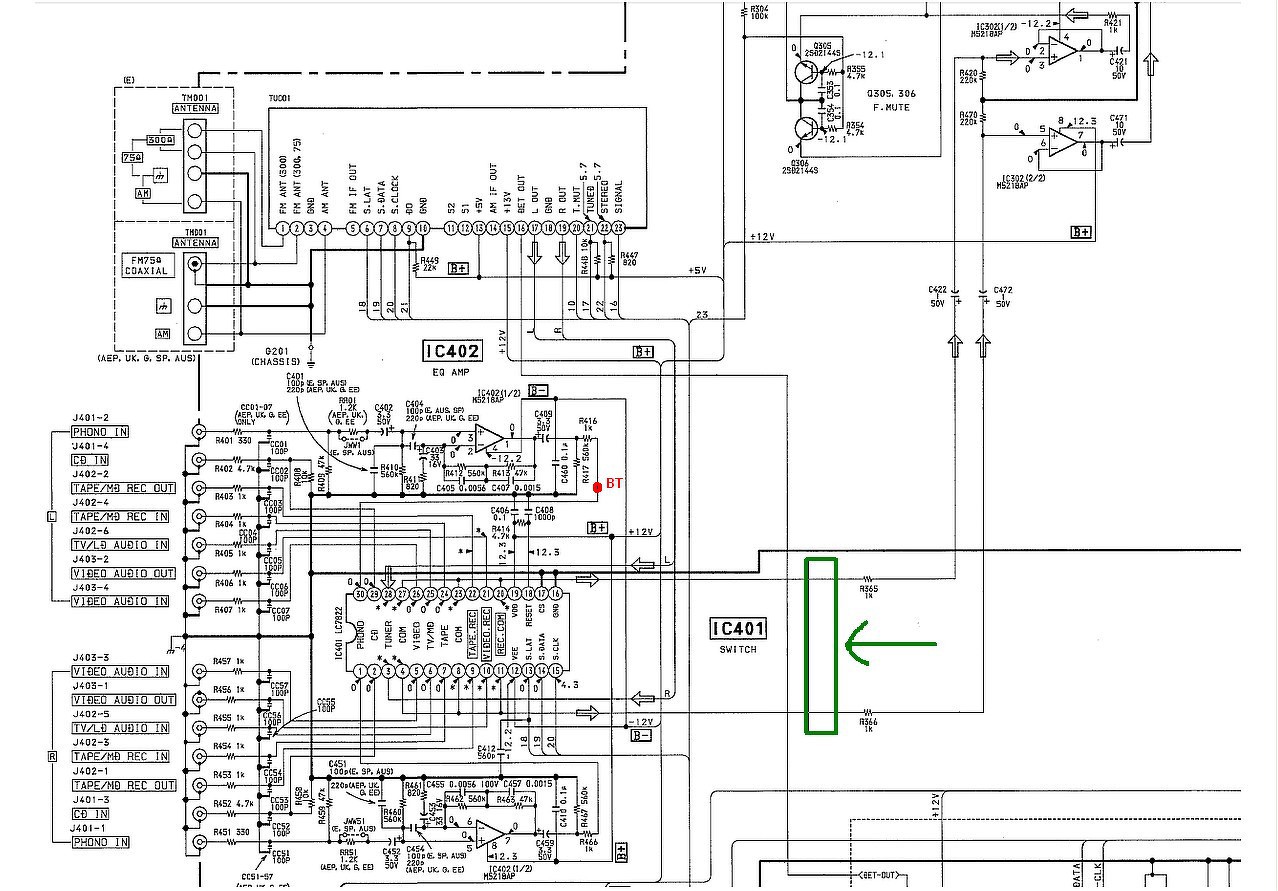
Ha a képen pirossal jelölt részre (az 1K után és a földre) kötök egy Bluetooth audió kimenetet, annak beterhel e (halkabb lesz) a RIAA korrektor kimenete? A hozzászólás módosítva: Okt 1, 2018
Bár nem írtad a BT vevő típusát, de többnyire 32 Ohmos fülest direktben meghajtanak. Ha viszont arra a piros kijelzős ebay termékre gondolsz, annak 100 Ohmos ellenállás van a kimenetén sorosan, meg egy 2,2µF-os kondi. A jelszint csökkenés nem észrevehető, mert kb -1 dB, de az 1kOhm és a 2,2µF miatt az alsó töréspont 73 Hz lessz.
A BT-n van vonalkimenet, azt kötöttem oda. Egy normál, pl CD bemeneten hangosabban szólt, mit jelenleg a RIAA után kötve.
Nem írtad milyen a BT vevőd. Én egy típust mértem ebből van pár darab.
Lehetne tenni az erősítődre egy jack aljzatot, ami a RIAA után lenne kötve úgy, hogyha be van dugva oda valami, leválasztja a RIAA kimenetét. Ekkor nem terhelné az 1kOhm a kimenetét.
A BT vevőt beépítettem az erősítőbe, a panelről kap 5V-t, a BT line in RCA aljzatáról pedig árnyákolt vezetékkel kötöttem az erősítő panelen az 1K ellánállás IC felőli lábára.
Beépítés előtt a BT-t az erősítő CD vagy TV bemenetére csatlakoztattam. Ahhoz képest most nemszámottevően, de mégis kicsit halkabb a hang. Ezért kérdeztem, beterhelhet e a RIAA kimenete. Ha nem uszály, nem pakolnám szét megint a Hifit.
Mi a véleményetek a germániumos előerősítőkről?
Sziasztok!
Van egy opa2134-el megépített RIAA előfokom. Ennek a kimenetére szeretnék 6N2P csővel egy 1-szeres erősítésű tagot építeni. Segítségre lenne szükségem a csöves erősítővel kapcsolatban, mert szinte nulla ismeretem van ezekről az erősítő fokozatokrol.
Zajos, instabil.
Szia!
Katódkövetõ megfelel, talalsz hozzá kapcsolást is.
Értem,csak mert valahol arról olvastam hogy a germánium alapú tranzisztorok sokkal barátságosabb ,kelemesebb hangkarakterekkel rendelkeznek a szilíciummal szemben.Mi a véleményed erről?
A hozzászólás módosítva: Dec 29, 2018
Hello! Ezt vélhetően a gitártorzítók készítésénél olvastad..
Anno az OC, meg ASZ tranzisztorok után megváltás volt a BC109C.
Ha a barátságosabb hang miatt kell, ami a felül sávhatárolt, puhább klippelés formájában nyilvánul meg, akkor ecc82 vagy valamilyen VFL kijelző triódaként használva tökéletes. Szimpla 9-12V anódfeszről elmegy. Természetesen a fűtés energiát emészt, de ne elemekkel tápláljuk.
Sajnos sok butaság is olvasható. J FET korszerubb, szerintem jobb megoldás, vagy jobb minőségű OPA, de csö is előnyösebb.
A germánium alapú tranzisztoroknál még nem sikerült viszonylag széles tartományban lineáris erősítést elérni, ezért ha ezekkel épülni vosszacsatolatlan erősítő, akkor az harmonikusokban dúsabb kimenő jelet adna. Ez szóló hangszereknél kellemes. Még régi sávhatárolt felvételeknél is pozitív hatású lehet. Egy mai hanganyag viszont jó mélyről indul, és a lehetőségekhez képest a jó magasig is tart, ami azzal jár együtt, hogy mindenféle nonlineáris viselkedés borzalmasan elrontja a hangot. Inkább a lineárisabb erősítők felelnek meg jobban. Ha mégis a egy szóló zongora esetén jó lehet egy kissé görbe karakterisztika, akkor jöhet egy kis torzítás, de a germánium sajnos a raktározás során is degenerálódik, így a régi ámde beforrasztatlan darabok is már elhasználtnak minősülnek. Ahogy a kolléga írta inkább cső, vagy jfet.
Sziasztok! Adott egy panoráma kapcsolás. A mellékeltek szerint. A sztereo potikon átlósan forrasztás oldalon van egy átkötés a jel útjához. A kapcsolás jól működött. Annyi volt a problémám, hogy a következő fokozatok "hatottak" egymásra, ezért buffer erősítővé buffer erősítő alakítottam ugyan ezen a panelen. Ez most úgy lett megoldva hogy minden ellenállást és kondit átkötéssel helyettesítettem (földrehúzó maradt a panelon, viszont a rajzon nem szerepel) . A kérdésem az lenne, hogy szerintetek kellene e működnie így ennek a kapcsolásnak? Szükséges lenne e valami modifikáció?
Sziasztok!
Van egy olyan gondom, hogy van egy aktív subwooferem, amit rákötöttem egy házimozi erősítő sub kimenetére, de kevés kimenő jelet ad a házimozi erősítő! Vagyis rendes jelet ad, de az aktív subwooferem az egy panasonic házimozié, ami azzal a sok csatlakozós csatlakozóval kapcsolódik, de van hozzá bekötési rajzom, amivel elértem, hogy bekapcsoljon, majd a subhoz menő bemenetet bekötve szól is csak gyengén, a fejegység, amivel működik, sokkal több, erősebb jelet ad neki, mint a házimozi erősítő! Ha közé iktatok egy deck-et, amin birok jelet erősíteni, akkor szépen szól, de ez így már sok: erősítő,deck, aktív subwoofer! Szeretnék egy olyan jelerősítőt, ami a deckben van! Biztos aliexpressen lehet találni ilyet, de nem tudom hogyan keressem! Tudnátok ebben segíteni, hogy hogyan keressem? Amiket találtam, azok phono-hoz valók, nem tudom az hogy "bírná" a jóval magasabb bemenő jelet, mint amit az erősítő ad!? Szóval nekem olyan jelerősítőt kellene, mint ami egy deckben van, csak "kisebb"!
Szia! Ezt találtam. A képen potenciométer látható, ebből arra következtetek, hogy az erősítést be tudnád állítani.
Az AC csatlakozási pont az feszültségkimenet? Abból lehetne táp. |
Bejelentkezés
Hirdetés |












