Fórum témák
» Több friss téma |
Fórum » Digitális forrasztóállomás
Sziasztok!
Vettem egy ilyen forrasztóállomást. Van valakinek ilyenje? A páka elvileg 50W-os és 480 fokig kellene melegítenie, de 200-nál megáll a kijelzés és smd-n kívül nem tudok semmit sem felmelegíteni vele annyira, hogy megfolyjon az ón. Valamit tudnom kellene, amit nem tudok? (200 fok volna a nyugalmi hőmérséklet)
Contact seller...
De ha 200 a nyugalmi hőmérséklet és ott megáll, akkor lehet, hogy van valahol valami érzékelő, ami érzékeli, ha a pákatartóba visszateszed, vagy nem mozgatod. Lehet, hogy arrafelé van a hiba. Monduk "Buyer pays for return shipping", szóval alapból bukó a történet, de egy emberesebb refund azért talán kiharcolható...
Országon belül van, szóval nem észveszejtő posta. Amúgy pont ilyesmi választól féltem
![]() Köszönöm!
Amit linkeltél, arról az ebay termékről írtam a "Buyer pays for return shipping" részt.
Szóval vagy Kínában vagy, de akkor nem hiszem, hogy ebay-en vásárolnál... Vagy itthon adta el ezt neked valaki, jó eséllyel azért, mert hibás...
Németországban élek, Frankfurtból jött. A linket a megvásárolt terméklistámból másoltam ide, nálam látszik is a termék helye. Amúgy írtam neki, várok 3 napot, de ha szerencsém van és normális az eladó, akkor válaszol már holnap.
Mire felébredtem, itt volt a válasz. Csatlakoztassam újra a forrasztót és próbáljam meg újra párszor. Ha továbbra is fennáll a hiba, küld egy másik pákát, ismert hiba.
Megtettem kb 5x. Most működik. Egy másik páka amúgy valami 4$ kínából. Dear friend, Sorry to hear of this.Please do not worry,we will solve the problem for you. Could you please offer us some video to Youtub or upload to other website when you operate it ? such as my air bridge: https://www.myairbridge.com/eng/en/ Reconnect the solder, repeat a few times. If it still does not work, we send another one, the wrong production series, the problem is known. Our technical staffs might could solve problem for us. Please don't worry, we will do our best to solve this problem for you. Your sincerely
A termék helyét nem is néztem, a "Business seller information" alatt ez szerepelt: "Shenzhen Bai Fu Zheng Electronic Commerce Co.Ltd" kínai címmel, ebből gondoltam, hogy Kínából rendelted.
De mindegy is, a lényeg hogy megoldódott a probléma. Bár a "the wrong production series, the problem is known" dolog annyira nem megnyugtató.
Hát nagyon remélem, hogy valami korrózió elleni wax vagy ilyesmi lehetett a csatlakozón és csak ez okozott kontakt veszést/hiányt. Ilyesmire tippelek a többszöri le/fel csatlakoztatás miatt vagy csak tornáztatott engem a jó szerencséjében bízva
Most bejött neki, remélem tényleg valami ilyesmi volt a gond!
Sziasztok!
Attila86 féle forrasztóállomás II. megépítés után egy apró hibát tapasztalok. Random átvált beállított hőfok kijelzésre majd vissza. Főleg fűtés közben. Mi lehet a gond? Köszi
Ez alatt pontosan mit értesz?
Köszi
Nem ismerem az állomást amit építettél, nem tudom miből van összerakva.
Ha tartalmaz mikrovezérlőt, a leírt jelenség adódhatna abból, hogy a fűtés alatt a tápjára kerülő tranziensek miatt reszetel.
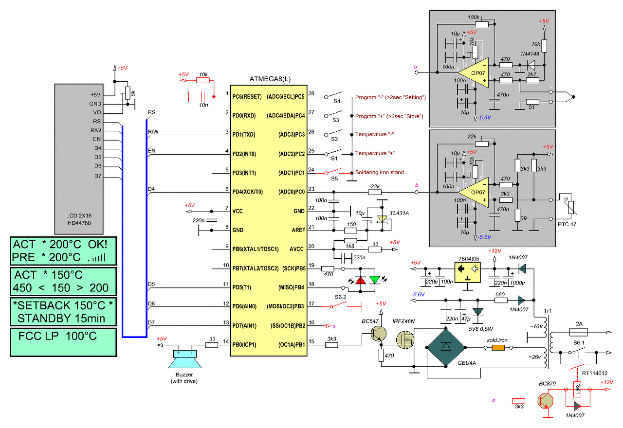
Ezt építettem: Bővebben: Link
Mikrovezérlőt nem tartalmaz
A cikk második oldalàn leírja, hogy hogyan történik az átvàltás a két érték közt, szerintem ott érdemes keresgélned, méregetned.
Én továbbra is javaslom egy Rex c-100 pl ebayről beszerzését. Pontosabb, megbízhatóbb mint az Attila86 féle(én 3 példányt építettem után, semelyik nem működött, mindegyiknek volt valami nyűgje) és szerintem olcsóbb is.
Ebayen a szabályzó úgy hogy sokszor van hozzá ssr is, meg hőszenzor is, max 5000ft.
Hello! Valóban célszerűbb lehet, de " mindegyiknek volt valami nyűgje".. Azért az, a Te hibádra utal, ha háromnak mindig más hibája akadt..
Háromból 3 nem működött nálam, ismerősnél működött, de ott sem igazán volt mondható hogy hú de megbízható, ott is állandóan ugrált a kijelzés, meg hasonlókl dolgok. Szóval lehet mégsem az én hibám. Meg az sem, hogy egyik fűteni nem akart, másik kettő meg levenni a fűtést.
Miért nem kerested meg a hibát? Én 1x építem meg a dolgokat, természetesen nem indulnak elsőre, megkeresem a hibát, kijavítom, és használom. Ez nem olyan, mint a sütemény, hogy ha borzasztó az íze, ki kell dobni. Itt javítani kell!
A hozzászólás módosítva: Máj 16, 2019
Nem érted a lényeget. Két egyforma kapcsolásnak, egyforma hibájának kell lenni. Ha nem egyforma, akkor nem egyforma a két áramkör. Tehát az, kivitelezési hiba, nem tervezési.. De ahogy Kovidivi írja, nem sopánkodni, hanem mérni kell.
Anno készítettem, turbina csapágy rezgésmérő készülékeket. Aztán gond volt a csapággyal, mire az ezzel foglalkozó szakcsoportban a kolléga azt mondta, hogy terezési hiba van benne. Mondta Ő ezt, 5 év után, amikor neki minden évben hitelesítenie kellett a készülékeket. Felhívtam a figyelmét, hogy mielőtt kinyitná a száját, nem ártana gondolkodni. Csak úgy tudtam a főnököket (akik nyilván nem értenek hozzá) megnyugtatni, hogy komplett leszereltettem velük a készüléket, behozták a műhelyükbe és feltetettem a Brüel rázópadra. Mind a 12 csatorna, messze az érzékelő pontosságán beül mért.. A csapágybak egyébként el volt töve, így akik mértek rajta (eltérő mérési metódussal) mértek, így természetesen eltérőeredményeket kaptak. A hozzászólás módosítva: Máj 16, 2019
Azért nem javítottam meg, mert találtam közben ezt a rex c100-at, ami nem igényelt javítgatást, hanem elsőre működött, és stabilan megy, innentől nekem nem érte meg foglalkozni már vele.
Én már építettem meg belőle 3 at mind elsőre tökéletesen működik. Hakko pákával használom őket. Itt a videó rólla.
Sziasztok!
Szerintetek mennyire elmebeteg ötlet egy NodeMCU-val forrasztó állomást építeni? Per pillanat nincs itthon se PIC-em... se semmi más... a netről meg sikerült berendelnem. Van itthon 3 szett Hakko907 de a vezérlő már régebben megadta magát... most rendeltem ebay ről 3 vezérlőt, aztán miután megjött és kipróbálva max 190 fokig fűtötte a hegyet el is olvastam a leírást, hogy thermisztoroshoz való.... Mondjuk ha NodeMCU akkor a lakásvezérlésbe beépíthető a forrasztó a konyhából bekapcsolhatom ha indulok bütykölni!
Simán mehet szerintem, csak az ADC-hez kell hozzálőni az erősítést, és a fet/triak kapcsolást kell megoldani 3v3-ról. Programozni lehet ardu alól
Én arra gondoltam / lehet hogy rosszul/ hogy egy ilyen elven működő fesz osztóval viszem be a jelet
A páka höelemét R2 helyére kötni R1-nek pedig 400 Ohm értéket adni. Átlagosan kb 50-130Ohm között mozog a páka, így 3,3 tápfesz mellett 0,48 és 0,85 közé osztja... ami elvileg jó. Első fűtésnél 150,200,250,350 foknál referencia mérés, aztán a programba korrigálni / átsazámolni az 1023 osztást, ami csak kb 500 lesz / C fokra
A termisztor nem szereti a nagy áramot. Ökölszabályként 1 mA-t olvastam, én egy analóg vezérlőben 9V-ról egy 10k-s ellenálláson keresztül küldtem rá feszt, nyilván ez egy feszültségosztó. A termisztor feszültségét LM358-cal erősítettem a fene tudja hányszorosára, az ment a komparátorra (esetedben az ADC pin). Az LM358 5 Volton elketyeg, és kb. 3,5 Volt amit max ki tud adni, ami már sok lehet a NodeMCU-nak, (nem tudom 5V toleráns-e) szóval ha elcseszed akkor kinyírhatod vele.
A referenciát nem kell túltolni, igazából 2 értékből simán kiszámolod, ha téved 1-2-5 fokot akkor sincs nagy tragédia, a pákahegy és a hőelem között simán lehet 10 fok nagyságrendű eltérés is.
Sziasztok!
Azt szeretném kérdezni töletek hogy egy Ersa 24v 60w páka (3lábú), melyik forasztó állomásal müködne? Szeretnék digitális kijelzöt, nem analogot ha megoldható... ![]() Keresgéltem barátnál is (google) rajzot nem találtam, de a hozzá való állomás horror áron van. Köszönöm.
Ezt megépítette már valaki? Nyákterv esetleg van hozzá? Olyan állomást építenék amibe jó a 2x16-os LCD meg pár cucc. Tud valaki ilyet? 24V-48Wattos pákához szeretném.
A hozzászólás módosítva: Máj 20, 2020
Fájdalommal vettem tudomásul, hogy a jó kis "kattogós" Wellerem kipurcant . Nézegettem az árakat...
Nem érdemes rendbe szedni. Olcsóbb Kinai Hakko utánzatot venni. Meg is jött a héten. Csak most itt az utolsó pár hozzászólásokat olvasgatva ...: - hogyan lehet eldönteni termisztoros, vagy bimetálos a hőérzékelője ? - tetszik ez a kapcsolás amit t4nt1zjeeee belinkelt bár én inkább a FET helyett egy optón keresztül egy triakkal hajtanám meg a pákát , és külön ~3..5W-os NYÁK trafóról a vezérlést. Ilyen a páka : Bővebben: Link Valószinüleg ilyen a fűtő :https://www.ebay.com/itm/5XSoldering-Station-Element-Keramik-Heizung-f%C3%BCr-900M-900L-907-908-913-91-Set/392484505108?ssPageName=STRK%3AMEBIDX%3AIT&_trksid=p2060353.m2749.l2649 Köszi a segítséget !
Hello! Inkább.. termosztoros vagy hőelemes..
Felmelegíted és megméred az érzékelőn a feszültséget. Ha van néhány mV rajta, akkor hőelem. Ha nincs, akkor termisztor. |
Bejelentkezés
Hirdetés |







Ebayen a szabályzó úgy hogy sokszor van hozzá ssr is, meg hőszenzor is, max 5000ft.
a konyhából bekapcsolhatom ha indulok bütykölni!






