Fórum témák
» Több friss téma |
Véleményem szerint ilyen problémát ne mokoz az ajtózár. Tehát az elektronika működik, feléled és várja a parancsot, hogy mit csináljon. Beállítod a programot, start gomb és erre ő azzal kezdi, hogy bezárja az ajtót!
Tehát ott valami más baj van. Első körben, ha mondjuk nincs ajtózár akár rádugva a csatijára, akijelzőnek akkor is életben kellene lennie. Üdv, Palkó.
Köszi a választ! Szerintem is ha gond van az ajtózárral, ki kellene írnia, persze ha be lehet kapcsolni a készüléket. Nagyon nehezen veszem rá magamat, hogy rossz az LCD panel, pedig nagyon úgy néz ki! Valami eljárás van e , amivel legalább nagyjából meg lehetne állapítani melyik panel a hibás?
Sziasztok!
Néztem a mosógép szervíz programját,de hibát nem jelez ki. Mértem az időt centrifuga állásban,1200-as fordulattal. Itt 15 perc a folyamat. Kb. 3 percig nem számol vissza,holott a program már elindult. Szivattyúzott,ruhát rendezgette és elkezdte a centrifugálást. Viszont mikor már elkezdett visszaszámolni,akkor pontos volt. Egészen 7 percig számolt vissza,de ott már vége lett a folyamatnak és leállt. A számláló nullára ugrott. Tehát itt is kevesebb ideig dolgozott a kijelzett időnél. Normális ez?
Szia! Ellenőrizd a motorban a szénkeféket! Ha kettő cm-nél rövidebbek, akkor cseréld ki őket és próbáld ki a gépet! Esetleg lehet próbálkozni, hogy húzol szét a rugókon, de a csere biztosabb! Javaslom, próbáld ki!
Hát azt kicsit már macerásabb lecsekkolni, hogy hol a gond. Elsőkörben a főpanelen meg kellene nézni a tápegység struktúráját. Tehát, hogy hány féle kimenete van a tápnak és azok rendben vannak e. Írtad, hogy 5V, 12V megvan. Egy fotót dobj a főpanel mindkét oldaláról. Ha a főpanel tápja rendben kijelző csatlakozás a következő, hogy megfelelő e a két panel között a kapcsolat valamint a kijelzőn is tuti rendben van e minden táp.
Szia Tivadar !
Vidd vissza az ügyfélnek ! Mosson vele 2-3-at ! Ha nem reklamál , akkor jó . Üdv Jano
Sziasztok!
Segítségeteket kérem. Electrolux mosógépünkben megadta magát a motor. Utolsó mosása kicsit ciripelős volt, hát fogtam magam kicseréltem rajta a szénkeféket, már nem engedte tovább őket a vezetékük így gondoltam ezzel meg van oldva, de sajnos nem. Az új kefékkel el is indul a mosógép, viszi a dobot jobbra balra, de van egy pont ahonnan nem tud elindulni. Csak zúg és annyira befeszül, hogy kézzel sem tudom megindítani a dobot, mindez max 2mp és ezután egy relé kattan és nem történik semmi. A kefék újak, úgy ahogy be is csiszoltam őket. A kommutátort kipucoltam szemre jónak tűnik. Mi az esélye annak, hogy egyszerre fogy el a szénkefe és lesz zárlatos a motor.
Szia! Sajnos, rossz hír, hogy általában a forgórész amikor "közeledik" a zárlathoz, azaz a teljes leégéshez, viszi magával a keféket is! Mármint úgy értem, hogy a hibás forgórész jobban égeti a keféket, ezáltal azok sokkal jobban is kopnak! Ez fordítva is igaz lehet, mert a csükkenő kefe egyre kisebb nyomással nyomódik a kommutátorhoz, ezért egyre jobban fog szikrázni, ami egyre jobban éget a szeleteket, majd esetleg szét is égetheti azokat! Ennek a jelenségnek már hangja is van, minden esetben! Pontosan az, hogy a szénkefék ciripelő, recsegő, zizergő hangot adnak működés közben! Valamint egyre erősebben szikráznak! Végső esetben már olyan erősen, ami miatt a kommutátor szeletek is megolvadnak, esetleg ki is égnek, kiesnek! Ekkor már a forgórész teljesen zárlatos, esetleg még az állórész is tönkre mehet! A kefékről húzd le a vezetéket, majd a műszer két vezetékét egy-egy keféhez téve forgasd meg a forgórészt. Ha egyforma ellenállást mérsz a hurkoknál, akkor a forgórész jó! A rövid kefe nem mindig okoz forgórész meghibásodást, viszont a hibás forgórész mindig égeti a keféket is! Még annyi kérdésem van, hogy amit leírtál a motor megszorulásáról, az a már forgó motornál következik be, vagy úgy, hogy van amikor elindul a motor, van amikor pont úgy áll meg, hogy nem indul el, csak zúg?
A hozzászólás módosítva: Ápr 16, 2019
Szia! Az nem lehetséges, hogy ezek a gépek már a motor terheléséből "tudják", hogy nincs ruha, nincs "igazi munka", ezért nem is megy végig a program, hanem lerövidíti saját maga? Azért gondolom, hogy így lehet, mert az úgynevezett "súly automatikával" rendelkező gépek a motor terhelését figyelik és annak megfelelően állítják be a program időt!
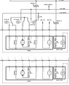
Helló! Itt van 4 fotó. Az LCD panelról mind két oldal , a másikat tápegységnek hívnám, bár kontrol panel néven láttam. A főpanelon van egy - valószínűleg stab. táp, - ami 3,3 V-ot csinál az öt voltból. Ezt kapják meg a vezérlő gombok, így a bekapcs. gomb is . Elküldöm még fotóban a típust is.
Szia!
Köszönöm a választ ez már talán magyarázza a dolgot, hogy mehet tönkre egyszerre 2 dolog. Megszorulás mindig álló motornál jelentkezik. Ilyenkor ha arréb tekerem a dobon lévő kereket és újraindítom a mosógépet akkor már indul a motor. Néha olyat is csinál, hogy nem tudom jobban megfogalmazni, kicsit zúgva remegve, de elindul a motor. Tegnap este szépen megpolíroztam az egyébként jó állapotú kommutátort, hozzácsiszoltam a keféket, kipucoltam a mikákat, kompresszorral kifújtam a motort, de így is csinálja úgyhogy ma megy a tekercselőhöz majd ő megnézi/megcsinálja. Se tudásom se eszközöm nincs, hogy tovább menjek a hiba elhárításával. Azt észre vettem, hogy kommutátor oldalán két szelet alatt van egy barnás elszíneződés.
A képen bejelölt tápegység rész életben van? kimenetén (kimenetein) van stabil feszültség?
A másik dolog a "main relé". A képen bejelöltem két relét. Volt már ilyen hibám, hogy a main relé meghalt és ne mcsinált semmit a gép, viszont ettől függetlenül szintén élnie kellene a kijelzőnek. Nézzük, hogy a fő tápegység rendben van e!?
Annál a bizonyos 2 szeletnél lesz a hiba. Szakadás van.
Szia Janó!
Köszönöm a válaszodat. Az lesz. Üdv: Tityi
Szia! Erre gondoltam én is,csak nem voltam benne biztos...Köszönöm a válaszodat!
Üdv: Tityi
Köszi, ha előbb olvasom, ezt még megpróbáltam volna. Azóta a dolog sügős megoldódása miatt lett egy másik mosógép, ezt meg ripityára bontottam. A ház, dobbal együtt kuka, a többi alkatrész egy dobozban, majd lesz vele valami.
Szia , és köszönöm, hogy foglalkozol velem. A készenléti tápegységnek vannak stabil kimenetei, ez a 12 és 5 V. Ill. amit írtam a 3.3 V van, mást nem tudok mérni. Be van öntve az egész tápegység, úgy, hogy ki kell bányásznom onnan valahogyan, hogy valamit mérni, és cserélni tudjak. Ettől függetlenül, az ajtónyitó biztosan rossz, tehát rendelnem kell. Megnézem a main reléket iks, de szeringtem ha azok nem jók , akkor nincs a többi fesz . sem. Ez zavar engem is, hogy nem megy a kijelző sem! Most így húsvét közepette nem foglalkopzom vele, majd úgy 24.-e körül. Addig is kellemes ünnepeket kívánok!
Sziasztok.
Van egy Electrolux EWT 9125W típusú felültöltős mosógépem. Fűtőszálat cseréltem mert szakadt volt, az a része megjavult rendben van. Viszont a mosás végén nem centrifugál a gép. Úgy sem ha külön oda állítom a programot és csak centrizni akarok. Oda, vissza forgatja a dobot és egy kis idő múlva kiáll a program vége ikonra. Amiket megnéztem, motor szemrevételezésen átment, különösebb nem látszik a tekercsen probléma, illetve a szénkeféket is kivettem de bőven jók. Nem tudom, hogy esetleg van-e rá mód, hogy kimérjem vagy leteszteljem, hogy maga a motor jó-e vagy sem és azért nem centrizik. Szivattyú az jó mert leengedi a vizet bár elég fura hangja van, azt még cserélni akarom csak addig nem akarok rá többet költeni míg a centri része nem javul meg. Dugulás nincs mert minden csövet kivettem kompresszorral átfújtam. Szintszabályzót cseréltem az sem hozott megoldást. Szíj a motoron nem laza. Panelt kivettem, alkatrészek lábait átforrasztgattam az esetleges kontakt hiba miatt. Motorvezérlő triak újra cserélve, illetve az összes elko kondit újra cseréltem. Nem hozott semmi megoldást, továbbra sincs centri csak oda vissza forog a dob. Ebből adódóan a relét is kizárnám mert mind két irányba forog a dob. Valakinek esetleg ötlet a hibára mert nem akarnám még kidobni mert szuper kis gép és egy rozsda folt sincs rajta. A motorra gyanakszom csak nem tudom eldönteni, hogy az jó vagy sem. Előre is köszönöm ha elolvasod és időt szakítottál rám. Kellemes ünnepeket mindenkinek.
Szia! Kérdezném, az mit takar, hogy "szénkeféket is kivettem de bőven jók"? Amennyiben a kefék hossza nem éri el az 1,5 cm-t, cseréld ki őket és próbáld ki a gépet! Első alkalommal én sem akartam elhinni, de szintén ezen a fórumon kaptam biztatást több komoly tudású szerelőtől, hogy bizony a rövid (általam hosszúnak tartott) kefe okoz ilyen jelenséget! Igen, azóta már több gépen is meggyőződtem róla, hogy valóban nagy jelentősége van a megfelelő kefenyomásnak! Esetleg, a második körben ellenőrizd a motor végén a tachogenerátort, hátha az hibás!
Szívesen! Hát igen, így van ez a popszakmába! Ha sürgősen kell, akkor muszáj cselekedni!!!
![]()
Feltehetően az a két elszíneződés már a zárlat jele! Azért nem akar elindulni, amikor éppen azokon állnak a kefék! Pontosan azért is forog tovább, amikor elfordítod onnan.
Üdvözlet!Egy kis segítséget kérnék Bosch Classixx 5 felültöltős hibakeresésében.A három gomb középső talán plusz öblítés és mellette a vasaló ikon egyszerre villog ez milyen hiba lehet mert eddig nem találtam róla semmit.
Hello. Köszönöm az ötleteket. Kefe 2,5 cm hosszú mind két oldalt. Tacho-t mértem a motoron 89 Ohm. Ezek jó értékek?
Fagor 1Fet 313-as hiba kódokat szeretném kérni, ha lehetséges.
Sziasztok.
Samsung WF sorozatú mosógép IC csere. Tisztára szétégett ott. Kérdésem: a 4-es láb szabadon van vagy kötődik valahova? Minden próbálkozásom ellenére nem leltem jó fotót róla. Igyekeztem mindent fotózni. Köszönöm A hozzászólás módosítva: Ápr 26, 2019
Helló!
Most lesz szénkefe cserélve a motorban, a videón pörgetés szénkefe nélkül történik. A csapágyak ilyen állapotban meddig bírhatják még, hangról ítélve? Ha cserélni kéne és kapni hozzá, mennyibe kerülne? Illetve a legfontosabb, csapágylehúzóm nincs, ellenben hőlégfúvóm van. Járható út a melegítés? Illetve a motor végén lévő csigát, szíjtárcsát, vagy micsodát is melegítéssel lehet levenni? A hozzászólás módosítva: Ápr 27, 2019
Időközben meg is lettek az új szénkefék. Univerzálisak, rugó és tok nélküliek.
A régi szénkefe a képen látható. Mivel hegeszteni nem tudok, hogyan célszerű forrasztással az új szénkefe vezetéksodratát rögzíteni? A hegesztés pontját teljesen reszeljem síkba, és annak a helyére, vagy vágjam el a sodratot valahol, és ahhoz forrasszam? Esetleg a saru tövénél tekerjem körbe és valamihez forrasszam, ha átéri az új sodrat? Gondolom idővel eltörhet a forrasztás, így nem ártana megfontolni, miképpen is legyen. A hozzászólás módosítva: Ápr 27, 2019
Szia. Ránéznél kérlek a pénteki hsz-mre?
Fejezné be párom, de elakadt egy kiégett rész miatt. Köszönöm
Szia! A szénkefe sodratát fogd meg vékony csőrű fogóval a végéhez egészen közel és forraszd fel a sodratot majd a felületet ahová forrasztani szeretnéd és azután olvaszd össze. Ha megfelelő teljesítményű forrasztót használsz ami nem igényel hosszú idejű melegítést a művelet alatt akkor nem fog hosszant felfutni az ón a sodraton (amire ha fogóval ráfogtál még hűtve is lesz).
|
Bejelentkezés
Hirdetés |

















