Fórum témák

» Több friss téma
Fórum » Kapcsolási rajzot keresek
 
Témaindító: Kallai Csaba, idő: Márc 11, 2006
Témakörök:
Lapozás: OK   338 / 385
(#) (Felhasználó 122012) válasza MrBrown hozzászólására (») Ápr 11, 2019 / 1
 
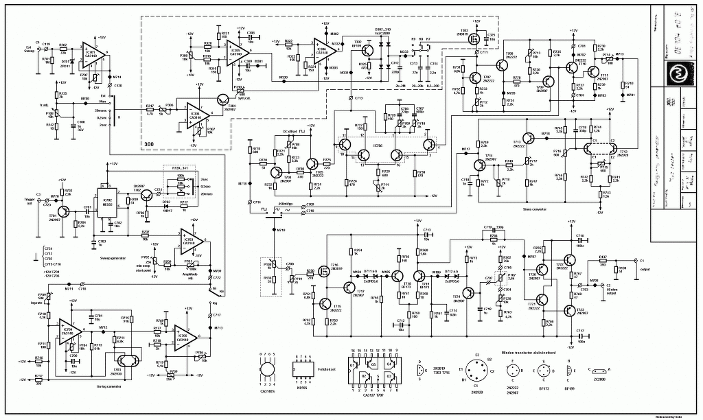
Rádiótechnika 1979/9 és 1979/10 újság
(#) (Felhasználó 122012) válasza (Felhasználó 122012) hozzászólására (») Ápr 11, 2019 / 1
 
Csemegézz ...
(#) MrBrown válasza (Felhasználó 122012) hozzászólására (») Ápr 11, 2019 /
 
Nagyon köszönöm, tartalmas csatolmány.
Mondjuk ebből és csak a nap kijelzőt szeretném megvalósítani, de legalább így tudom hogy a 74141 pazarlása helyett elég oda a 7442.
(#) Alkotó hozzászólása Ápr 24, 2019 /
 
Szükségem van a Kenwood KR-6340 készülék olvasható kapcsolási rajzára. Sajnos amit találtam hozzá az több ponton is szinte értékelhetetlen.
Torrent oldalakhoz nem férek hozzá, ezért ha valaki itt tud megoldást, az töltse le nekem és küldje el (ha ideje/kedve ezt megengedi).
(#) kokozo válasza Alkotó hozzászólására (») Ápr 24, 2019 / 1
 
Nem tudom ez jó e..
(#) Alkotó válasza kokozo hozzászólására (») Ápr 24, 2019 /
 
Köszönöm! Nagyon jó. Sokkal jobb minőségű mint amit én találtam.
(#) naptukor hozzászólása Máj 3, 2019 /
 
Sziasztok!

Van egy hibás, régi OMSZÖV gyártmányú OE-104 Multitester készülékem. Szeretném megjavítani a frekvenciamérőjét, kapcsolási rajzot keresek hozzá.

Néhány helyen találtam szervizkönyvet de a benne lévő kapcsolási rajzok teljesen használhatatlanul rossz minőségűek.
Vezeték vonalak nem látszanak, feliratok nem olvashatók, stb.

Sajnos mindenhol csak ugyanezt a rossz minőségű doksit találtam.
Remélem tud valaki segíteni, előre is köszönet!
(#) vargaf válasza naptukor hozzászólására (») Máj 3, 2019 / 1
 
Itt nézted:
OE-104
(#) naptukor válasza vargaf hozzászólására (») Máj 3, 2019 /
 
Köszönöm a választ, ezt megtaláltam én is. Sajnos ez csak a készülék függvénygenerátorának a rajza. (de a minősége egyértelműen jobb mint amibe eddig belefutottam)
Nekem a frekvenciamérő rajza kellene. Esetleg a teljes rajz ilyen minőségben.
(#) naptukor válasza janigel hozzászólására (») Máj 3, 2019 /
 
Köszönöm!

Sajnos én is csak ezeket találtam
(#) Sebi válasza janigel hozzászólására (») Máj 3, 2019 /
 
Most, hogy látom amit feltettél .GIF az én művem, de a felbontást lerontották(ki tudja merre járt).
Ha ezt megrajzoltam, meglesz a többi is, keresem.
A hozzászólás módosítva: Máj 3, 2019
(#) Sebi válasza naptukor hozzászólására (») Máj 3, 2019 / 1
 
No, meg is találtam...
(#) naptukor válasza Sebi hozzászólására (») Máj 3, 2019 /
 
Huh, hát ez így már sokkal érdekesebb.
Köszönöm, lesz mit bogarászni...
Átrajzoltad a rajzot, vagy hogy történt?
(#) Sebi válasza naptukor hozzászólására (») Máj 3, 2019 /
 
Igen átrajzoltam, másképp nem megy...Valaki kimentette belőle a fentebb csatolt .gif-et - valószíűleg printscreen-nel azért romlott annyira.
(#) naptukor válasza Sebi hozzászólására (») Máj 3, 2019 /
 
Így sem lesz könnyű az alkatrész azonosítók ismerete nélkül, de mindenképpen több mint amit eddig találtam, köszönöm!
(#) szikorapéter hozzászólása Máj 4, 2019 /
 
Sziasztok. Egy funkció generátor NYÁK rajzát keresném. elviekben le lett közölve valamelyik rádiótechnikában. Pontos típusa: генератор Л31 (Generator A31). 10Mhz-ig megy el és az elejében "frekvencia mérő" ként egy IN-9 cső van bent ez jellegzetessége. A képen lévő masina nyákrajzát keresném többnyire, kapcsolási rajz és alkatrész készlet leírását megtaláltam de a nyákrajz híja van. Válaszokat előre is köszönöm.
(#) Ge Lee válasza szikorapéter hozzászólására (») Máj 5, 2019 /
 
Nem emlékszem rá hogy RT-ben benne lett volna, de nem A31-et hanem L31-et kell keresni, mivel az orosz L betű. Orosz fórumokon érdemes nézelődni.
(#) naptukor válasza Sebi hozzászólására (») Máj 5, 2019 /
 
Szia Sebi!

Nem akarnék panaszkodni mert végül is segíteni akartál, de a rajzban amit küldtél sok hiba van (a valóságtól teljesen eltérő bekötés) ami félrevezetheti azt aki ennek alapján akar javítani.

Azért persze köszönöm újra de ezt a rajzot fenntartásokkal kell kezelni.
(#) Sinike hozzászólása Máj 5, 2019 /
 
Szép napot!
Tensel ME-2001 orvosi készülékem ment tönkre. Ehhez szeretnék rajzot, vagy legalább hasonló készülékhez. Ebből a selectív ingeráram részt használtam, ami 200-400 msec háromszögjeleket ad ki. Esetleg csak erre való rajz is érdekel, akkor készítek egy másik áramkört, nyákot..
Köszi
(#) Sebi válasza naptukor hozzászólására (») Máj 5, 2019 /
 
Az én kezemben nem volt ilyen készülék csak az általad is fellelt anyagokból rajzoltam Ha időd engedi, jó lenne, ha pontosítanád - akár egy kinyomtatott példányon, majd azt bescannelve - és elküldenéd. Én szívesen kijavítom, hogy az utánad következőnek még könnyebb dolga legyen.
Amúgy eredeti rajzokon is sokszor van hiba, ami egyértelmű, azt szoktam javítani.
Előre is köszönöm, ha foglalkozol vele.
(#) naptukor válasza Sebi hozzászólására (») Máj 5, 2019 /
 
Szia!

Kinyomtattam a rajzot. A pontosításokat egyelőre a papírra jegyzem le.
De jelenleg csak a frekvenciamérő részével foglalkozok (bár ennek a készüléknek szinte mindene rossz, nagyon belerepült valaki).
Nem tudom meddig tart a türelmem hozzá, majd kiderül...
(#) proli007 válasza Sinike hozzászólására (») Máj 5, 2019 /
 
Hello! Egy orvosi készülék életvédelmi problémákat is felvet. Nem egészen úgy van, hogy készítesz helyette egy másikat..
"Esetleg csak erre való rajz is érdekel" Oké, de egy háromszöggenerátor rajzra gondolsz, vagy az egész készülékre? Mert azért a feszültség polaritást, nagyságot, áramot, is ismerni kell, nem csak a periódusidőt..
(#) Sinike válasza proli007 hozzászólására (») Máj 5, 2019 /
 
Szia.
Hát itt a gond... Anno, 90-ben volt a balesetem. 3 évig jártam gyógytornára, az szuper volt. (Selctív ingeráram) Azóta több készüléket is írattam fel - nem olcsón - de meg sem közelítette azt, ami a gyógytornán volt. (Az egy jó nagy gép volt, másodpercenként jól megrángatta az izmom) Ezek a Tens izék szinte meg sem mozdítják.. Ez a gép - a fenti típus - 40 mA +/- 15%-ot ír, de mivel ezt én potival állítom, lehet, hogy azért gyenge, mert kevés a 40.. Láttam már pár rajzot, de mivel én is félek kicsit, ezért keresek évek óta olyat, aki ÉRT ehhez. Sajnos az akkori orvostechnikai műszerész barátomat már nem tudom elérni... Másik meg nincs.
Ez a készülék túlfeszt kapott, kiment a két végranyó (meg még ki tudja mi, bár a pic megy; 5V stab megvédte)
De jó lenne megjavítani, mert 20 az új..... ;(
(#) proli007 válasza Sinike hozzászólására (») Máj 5, 2019 /
 
Én is inkább a javításra voksolok. Voltam én is Harkányban fizikoterápiás kezelésen. (Interferencia)
Még két gép között is van különbség. Mindegyik maximumon volt, (ugye nem látom mennyi, mert fekszem és ma már varázsszámok vannak rajta..) mégis az egyik "simogatott", a másik meg "húzgált" rendesen. De hogy ez áram/feszültség/szonda függvénye-e nem tudom..
Minden estre a kommersz kereskedelemben kapható készülékek paraméterei "óvatosabbak". Mert ugye "avatatlan kezekben működnek". (Nem mintha az egészségügyi személyzet bármit tudna arról amit tesz..)
De egyik alkalommal felnevettem, és a kezelő oda jött. Az oka az volt, hogy mellettem volt egy "mágneskarika", aminek ráláttam az elejére. Egy régi készülék volt analóg műszerrel. Valaki, a skálán kijavította a "T" betűt és átírta "B"-re. Nos, ennyit a szerviz szaktudásáról.
Egyébiránt szerintem ezek a készülékek hullámformáiról egyértelműen látható, hogy azt villamos emberek tervezik, nem biológus kutatók. A orvostudományhoz annyi köze van, hogy odaadják a dokiknak, és várják, hogy jó ez valamire vagy sem.
Így én meglehetősen szkeptikus vagyok a dologgal szemben. De kívánom hogy teljesen megalapozatlan legyen a véleményem..
(#) Temela hozzászólása Máj 13, 2019 /
 
Sziasztok!

Keresek MC CARLA Alex-400 2x100w-os erősítő rajzát. Nem találtam semmit a neten.

Köszi.
(#) Sinike válasza Temela hozzászólására (») Máj 14, 2019 /
 
Szia. Pedig elég sok találat van. De hogy melyik a Tiéd, ahhoz pontosabb neve vagy száma kell.
Alex 400
Üdv.
(#) nagym6 hozzászólása Máj 21, 2019 /
 
Üdv.
Keresem a Gelka CM68-08 tápegység kapcsolási rajzát, alábbi képen ez van.
Köszönöm.
(#) Temela válasza Sinike hozzászólására (») Máj 26, 2019 /
 
Itt a fotó róla...

Amit találtam az egyik sem hasonlít rá.

SAM_3580.JPG
    
Következő: »»   338 / 385
Bejelentkezés

Belépés

Hirdetés
XDT.hu
Az oldalon sütiket használunk a helyes működéshez. Bővebb információt az adatvédelmi szabályzatban olvashatsz. Megértettem