Fórum témák
» Több friss téma |
Fórum » Kapcsolási rajzot keresek
Témaindító: Kallai Csaba, idő: Márc 11, 2006
Témakörök:
Rádiótechnika 1979/9 és 1979/10 újság
Csemegézz ...
Nagyon köszönöm, tartalmas csatolmány.
Mondjuk ebből és csak a nap kijelzőt szeretném megvalósítani, de legalább így tudom hogy a 74141 pazarlása helyett elég oda a 7442.
Szükségem van a Kenwood KR-6340 készülék olvasható kapcsolási rajzára. Sajnos amit találtam hozzá az több ponton is szinte értékelhetetlen.
Torrent oldalakhoz nem férek hozzá, ezért ha valaki itt tud megoldást, az töltse le nekem és küldje el (ha ideje/kedve ezt megengedi).
Nem tudom ez jó e..
Köszönöm! Nagyon jó. Sokkal jobb minőségű mint amit én találtam.
Sziasztok!
Van egy hibás, régi OMSZÖV gyártmányú OE-104 Multitester készülékem. Szeretném megjavítani a frekvenciamérőjét, kapcsolási rajzot keresek hozzá. Néhány helyen találtam szervizkönyvet de a benne lévő kapcsolási rajzok teljesen használhatatlanul rossz minőségűek. Vezeték vonalak nem látszanak, feliratok nem olvashatók, stb. ![]() Sajnos mindenhol csak ugyanezt a rossz minőségű doksit találtam. Remélem tud valaki segíteni, előre is köszönet!
Köszönöm a választ, ezt megtaláltam én is. Sajnos ez csak a készülék függvénygenerátorának a rajza. (de a minősége egyértelműen jobb mint amibe eddig belefutottam)
Nekem a frekvenciamérő rajza kellene. Esetleg a teljes rajz ilyen minőségben.
Én ezeket találtam :
http://regimuszereklhanzi.5mp.eu/kepgaleria_nagyitas.php?azonosito=...04.gif http://regimuszereklhanzi.5mp.eu/web.php?a=regimuszereklhanzi&o...sYOyPl https://elektrotanya.com/omszov_oe-104_multitester_gepkonyv_ocr.pdf...tml#dl Ez még érdekelhet : https://elektrotanya.com/showresult?what=omszov+oe&kategoria=me...matics A hozzászólás módosítva: Máj 3, 2019
Köszönöm!
Sajnos én is csak ezeket találtam
Most, hogy látom amit feltettél .GIF az én művem, de a felbontást lerontották(ki tudja merre járt).
Ha ezt megrajzoltam, meglesz a többi is, keresem. A hozzászólás módosítva: Máj 3, 2019
No, meg is találtam...
Huh, hát ez így már sokkal érdekesebb.
Köszönöm, lesz mit bogarászni... Átrajzoltad a rajzot, vagy hogy történt?
Igen átrajzoltam, másképp nem megy...Valaki kimentette belőle a fentebb csatolt .gif-et - valószíűleg printscreen-nel azért romlott annyira.
Így sem lesz könnyű az alkatrész azonosítók ismerete nélkül, de mindenképpen több mint amit eddig találtam, köszönöm!
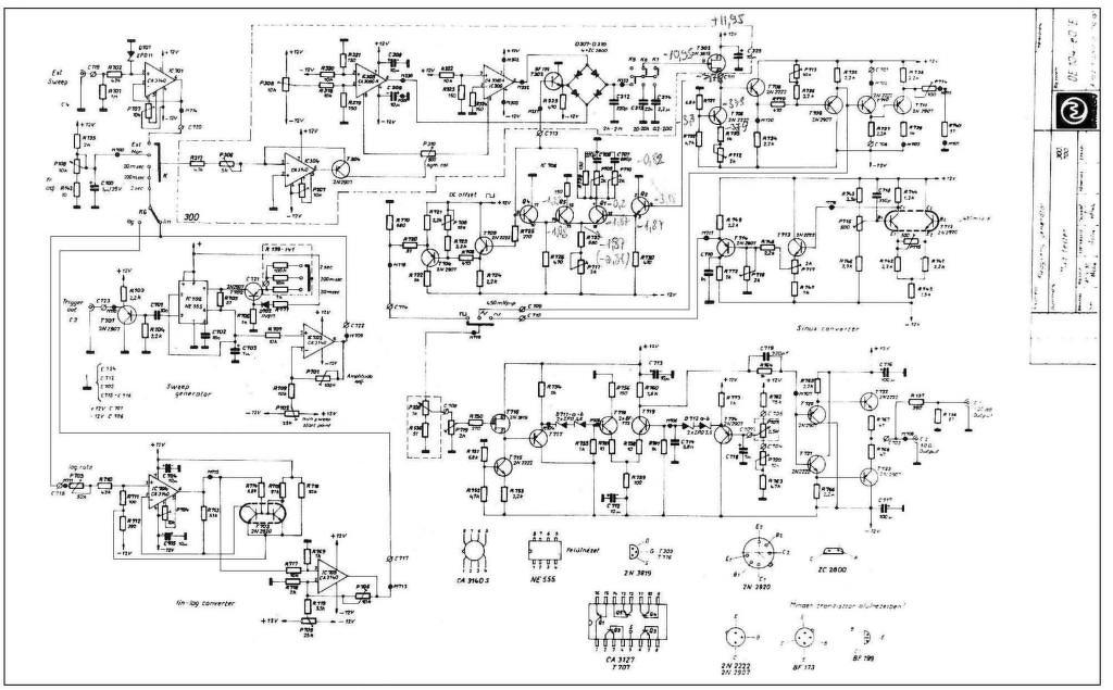
Sziasztok. Egy funkció generátor NYÁK rajzát keresném. elviekben le lett közölve valamelyik rádiótechnikában. Pontos típusa: генератор Л31 (Generator A31). 10Mhz-ig megy el és az elejében "frekvencia mérő" ként egy IN-9 cső van bent ez jellegzetessége. A képen lévő masina nyákrajzát keresném többnyire, kapcsolási rajz és alkatrész készlet leírását megtaláltam de a nyákrajz híja van. Válaszokat előre is köszönöm.
Nem emlékszem rá hogy RT-ben benne lett volna, de nem A31-et hanem L31-et kell keresni, mivel az orosz L betű. Orosz fórumokon érdemes nézelődni.
Szia Sebi!
Nem akarnék panaszkodni mert végül is segíteni akartál, de a rajzban amit küldtél sok hiba van (a valóságtól teljesen eltérő bekötés) ami félrevezetheti azt aki ennek alapján akar javítani. Azért persze köszönöm újra de ezt a rajzot fenntartásokkal kell kezelni.
Szép napot!
![]() Tensel ME-2001 orvosi készülékem ment tönkre. Ehhez szeretnék rajzot, vagy legalább hasonló készülékhez. Ebből a selectív ingeráram részt használtam, ami 200-400 msec háromszögjeleket ad ki. Esetleg csak erre való rajz is érdekel, akkor készítek egy másik áramkört, nyákot.. Köszi
Az én kezemben nem volt ilyen készülék csak az általad is fellelt anyagokból rajzoltam Ha időd engedi, jó lenne, ha pontosítanád - akár egy kinyomtatott példányon, majd azt bescannelve - és elküldenéd. Én szívesen kijavítom, hogy az utánad következőnek még könnyebb dolga legyen.
Amúgy eredeti rajzokon is sokszor van hiba, ami egyértelmű, azt szoktam javítani. Előre is köszönöm, ha foglalkozol vele.
Szia!
Kinyomtattam a rajzot. A pontosításokat egyelőre a papírra jegyzem le. De jelenleg csak a frekvenciamérő részével foglalkozok (bár ennek a készüléknek szinte mindene rossz, nagyon belerepült valaki). Nem tudom meddig tart a türelmem hozzá, majd kiderül...
Hello! Egy orvosi készülék életvédelmi problémákat is felvet. Nem egészen úgy van, hogy készítesz helyette egy másikat..
"Esetleg csak erre való rajz is érdekel" Oké, de egy háromszöggenerátor rajzra gondolsz, vagy az egész készülékre? Mert azért a feszültség polaritást, nagyságot, áramot, is ismerni kell, nem csak a periódusidőt..
Szia.
Hát itt a gond... Anno, 90-ben volt a balesetem. 3 évig jártam gyógytornára, az szuper volt. (Selctív ingeráram) Azóta több készüléket is írattam fel - nem olcsón - de meg sem közelítette azt, ami a gyógytornán volt. (Az egy jó nagy gép volt, másodpercenként jól megrángatta az izmom) Ezek a Tens izék szinte meg sem mozdítják.. Ez a gép - a fenti típus - 40 mA +/- 15%-ot ír, de mivel ezt én potival állítom, lehet, hogy azért gyenge, mert kevés a 40.. Láttam már pár rajzot, de mivel én is félek kicsit, ezért keresek évek óta olyat, aki ÉRT ehhez. Sajnos az akkori orvostechnikai műszerész barátomat már nem tudom elérni... Másik meg nincs. ![]() Ez a készülék túlfeszt kapott, kiment a két végranyó (meg még ki tudja mi, bár a pic megy; 5V stab megvédte) De jó lenne megjavítani, mert 20 az új..... ;(
Én is inkább a javításra voksolok. Voltam én is Harkányban fizikoterápiás kezelésen. (Interferencia)
Még két gép között is van különbség. Mindegyik maximumon volt, (ugye nem látom mennyi, mert fekszem és ma már varázsszámok vannak rajta..) mégis az egyik "simogatott", a másik meg "húzgált" rendesen. De hogy ez áram/feszültség/szonda függvénye-e nem tudom.. Minden estre a kommersz kereskedelemben kapható készülékek paraméterei "óvatosabbak". Mert ugye "avatatlan kezekben működnek". (Nem mintha az egészségügyi személyzet bármit tudna arról amit tesz..) De egyik alkalommal felnevettem, és a kezelő oda jött. Az oka az volt, hogy mellettem volt egy "mágneskarika", aminek ráláttam az elejére. Egy régi készülék volt analóg műszerrel. Valaki, a skálán kijavította a "T" betűt és átírta "B"-re. Nos, ennyit a szerviz szaktudásáról. Egyébiránt szerintem ezek a készülékek hullámformáiról egyértelműen látható, hogy azt villamos emberek tervezik, nem biológus kutatók. A orvostudományhoz annyi köze van, hogy odaadják a dokiknak, és várják, hogy jó ez valamire vagy sem. Így én meglehetősen szkeptikus vagyok a dologgal szemben. De kívánom hogy teljesen megalapozatlan legyen a véleményem..
Sziasztok!
Keresek MC CARLA Alex-400 2x100w-os erősítő rajzát. Nem találtam semmit a neten. Köszi.
Szia. Pedig elég sok találat van. De hogy melyik a Tiéd, ahhoz pontosabb neve vagy száma kell.
Alex 400 Üdv.
Üdv.
Keresem a Gelka CM68-08 tápegység kapcsolási rajzát, alábbi képen ez van. Köszönöm.
Itt a fotó róla...
Amit találtam az egyik sem hasonlít rá. |
Bejelentkezés
Hirdetés |













