Fórum témák
» Több friss téma |
Fórum » Villanymotor bekötése
Üdv! Egy miele s8 type: hs15 porszívó motor bekötését szeretném tudni. A motor tipusa:MRG 412-42/2. Három vezeték megy hozzá, gondolom két sebességű. Feltöltöttem a motorról egy képet. Valaki, ha tudna segíteni, előre is köszönöm.
hello szakik !
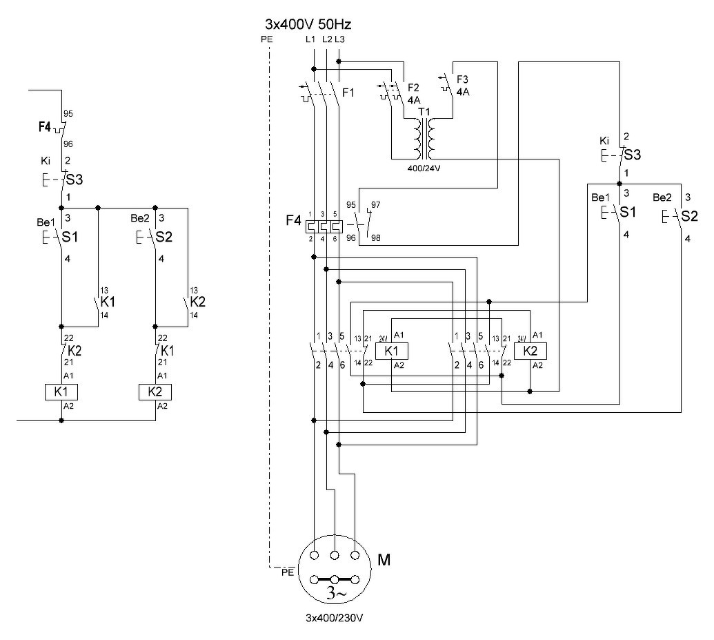
3 fázisu öntartó forgásirányváltó vezérlést kötnék be . Adott hozzá 2db BBC B16-30-22 mágneskapcsoló és 3 db nyomógomb a mágneskapcsoló azon része érdekelne ahová az öntartást kell bekötni esetleg kötött be valaki ilyen mágneskapcsolót ha igen akkor légyszines segítsetek áramutas rajzzal . Az lenne a jó ha külön vezérlés és működtető áram áramutas rajzot rakna fel valamelyikőtök üdv
Szia! A kapcsolási rajz számodra is elérhető lett volna ha beírod a keresőbe a kulcsszót. A mágneskapcsoló érintkezői pedig 1-3-5 és 2-4-6 a főérintkezői a többi a segéd. Szerintem azok működése is fel van rajta tüntetve.
Hadd kérdezzek olyant, hogy itt a megjelölt kapcsolásnál, ha a 2 nyomógombot egyszerre nyomom le akkor az nem okoz zárlatot. Mert szerintem igen, és itt csak azért jelzem ezt, mert a motor felpörgés után tehetetlenségből forog még miután le van állítva, és így gyorsan le lehet égetni, ha "véletlenül" ráindít valaki ellenkező forgásra. Ha tévedek elnézést érte!
Szeretnék érdeklődni, egy fázisú motort is be lehet kötni, 3 fázisú motorvédőre? Ha igen akkor a bekötés úgy van, hogy L1 L2 L3 sorba vagy párhuzamosan van kötve. Egy derítőben lévő 1 fázisú szivattyúról van szó. Leégés elleni védelem miatt gondolkozom ilyenben.
Az emberi butaság ellen semmi nem véd:
![]() Motorvédő kapcsolóra rá lehet kötni az egyfázisú motort is. A háromból csak két póluson vezeted át, a fázis és a nullát is. Nem szükséges sorba kötni, mert minden pólus egyenrangú.
Zárlatot semmiképpen nem okoz a két gomb egyszerre történő megnyomása, mert a két mágneskapcsoló reteszelve van a "másik" (egymás) kiesve záró érintkezőjétől, tehát az fog érvényesülni elsőnek amelyiknek a feltételei teljesülnek a meghúzáshoz. A másik irány azonnali működtetése az a kezelőtől függ és a motorvédő hőkioldó érzékenységétől, hogy az indokolatlan áramfelvételekre mikor szólal meg ha az irányváltás sűrűn történik meg.
Némi apró kiegészítés. Én annó 30 éve úgy tanultam a kapcsolási rajzot, hogy a két nyomógomb mechanikusan is "össze volt kötve", szóval ott is megvolt a reteszelés, persze manapság sincsen ennek akadálya.
A hozzászólás módosítva: Máj 4, 2019
Igen! Akkoriban (de szerintem most is, csak az egyszerűség miatt rajzolnak egy érintkezőt) a páros érintkezőjű nyomógombokat is úgy kellett bekötni, hogy ott is meglegyen a kereszt reteszelés.
Sajnos középiskolás korom óta nem találkoztam ilyennel. Ha bárkinek van ilyen lefényképezett, megvalósított nyomógombjai, szívesen megnézném.
Egy lehetséges kapcsolás mellékelve.
Itt nincs a rajzon motorvédelem, hőkioldó. Annak nyitó érintkezőjét értelemszerűen a ki gombbal sorba köttendő. Keresztreteszelést kiegészítésként a nyomógombok bontó érintkezőjével is fokozható.
Azé ebben is van hiba. Két fázis (L1, L3) közé van bekötve a 230/24 V -os trafó.
Most nyomógomb vagy kapcsolási rajz érdekel. Nyomógombom az van, még kulcsos kapcsolós is, vadonat újak.
Ez a rajz közelebb áll ahhoz amit a téma elején jeleztem mint ami a linken van. Bocsánat ismét hogy okoskodok, de itt a két mágneskapcsoló NC pontján is tényleg keresztül van vezetve de a linken látható képen nincs !!!!
Kössz az észrevételt, kritikát. Javítom majd a rajzomat.
A linkelt rajzon is van kereszt retesz, tehát a bontó érintkezők ott is használva vannak.
Nem kritika, csak észrevétel. Sajnos van, mikor az ember nem látja a fától az erdőt. Ha rajzolod, egyértelmű, hogy az összekötésekre figyelsz, és nem egy beillesztett alkatrész feliratára.
Rendben, bocsánat érte átnézem még egyszer nem akarok senkivel veszekedni, kritizálódni, csak én úgy láttam, hogy rosszul. Elnézést mindenkitől!
A hozzászólás módosítva: Máj 4, 2019
Javítottam, hőkioldóval kiegészítettem a rajzot.
Köszi csekkolom
Vagy erre a rajzra gondoltál? Ezt Te raktad fel még 2012-ben.
Nem! Fényképre, egy jelenleg is működő kapcsolásról. Mint írtam, középiskolás korom óta nem láttam olyat.
A hozzászólás módosítva: Máj 5, 2019
Hello! Nem túl ésszerű a rajz.. Pont azt nem teljesíti gondolom én, ami épp a szándék volt.
Az öntartó érintkezőt, csak a zárókontaktussal értelmes párhuzamosan kötni. Mert így, ha egyik irányba megy és megnyomod a másik gombot, nem történik semmi. Ugyan úgy mint ha nincs bekötve a nyugvó érintkező.
Ez éppen így jó. Nem az a feladat, hogy valamelyik Be gomb egyben Ki gombot is játsszon. Csak akkor álljon le, ha megnyomod a Ki gombot és akkor indul a másik irányba, ha már elejtett az előző kapcsoló. A motor nyer néhány millisecundumot.
Akkor minek bekötni a nyomógomb nyugvó érintkezőjét is?
Én is be szokom kötni a nyomógomb nyitó érintkezőjét is a rajz szerint, ha ilyet csinálok. Tapasztalat, hogy ha a két be gombot egyszerre megnyomják, akkor egy pillanatra behúz mindkettő és zárlat lesz. Hiába nyit a nyitó érintkező a mágneskapcsolón, a mechanika még továbblendül és pillanatra zárnak a zárók. ( tudom, miért nyomják együtt a kettőt, de nagy az isten állatkertje...)
Egyébként ha valaki nem akarja bonyolítani a vezérlést, lehet kapni direkt irányváltó mágneskapcsolókat: Irányváltó mágneskapcsoló Ezek mechanikusan reteszelve vannak, ha az egyik tekercs behúz, a másik már nem tud, hiába kap áramot. Így elég mindkettőt öntartóra bekötni, mindenféle reteszelés nélkül. A hozzászólás módosítva: Máj 6, 2019
Üdv mindenkinek! Nemrégiben vettem egy evig villanymotort és be szeretném kötni egy fázisára ebben szeretnék egy kis segítséget kérni. A motort egy kompreszorhoz szeretném használni így indításkor nagy erőt kellene kifejtenie és ha jól tudom akkor azt úgy tudom elérni hogy ha indító és üzemi kondenzátort is használok....( De ha ez nem így van akkor javítsatok ki) Azt szeretném kérdezni hogy ha a motor deltában van akkor hogy tudnám úgy bekötni egyfázisra hogy a lehető legnagyobb erőt tudja kifejteni indításkor ? Illetve mekkora üzemi és indító kondenzátorra van szükségem ? (1.1kw a motor) Találtam bekőtésről egy képet szerintetek ha így oldanám meg és használnák egy 130 as indító kondenzátort meg egy 65 ös üzemi kondenzátort akkor müködőkéles lenne a szerkezet?
Fázis, Nulla, test. A test a zavarszűrőnek kell.
Némi visszaolvasás a kompresszor témában javallt. Visszacsapó szelepet (tehermentesítő) építs be, akkor nem indul terheléssel a motor.
A hozzászólás módosítva: Máj 13, 2019
Szia! Azért én belenéznék a motor belsejébe, találtam már Miele porszívómotorban triacot, gondolom, a jobb hűtés miatt tették oda. Ezek általában kettős szigetelésű gépek, nem láttam még olyant, hogy háromeres kábel lenne a csatlakozás a hálózathoz.
|
Bejelentkezés
Hirdetés |












