Fórum témák
» Több friss téma |
Üdv!
Ennél egyszerűbb adót már nem lehet építeni 144 Mhz-re. Kristály nélkül sokkal nehezebb lenne az elkészítés, és a stabilitása sem lenne megfelelő.
Csakhogy ezt az adót 144 MHz -re nem készítheted el, sem kristállyal, sem anélkül, ha amatőr lennél tudnád. De ez már nem a kristályról szól.
Údv. Kősz a vállaszókat nincs tőb kérdésem.
Sziasztok
Igaz hogy ha a Rezgokvarc burkolatat le veszuk es le csiszolunk belole akkor lehet modositani a frekvenciajan?
Igen.
De ha te csinálod, akkor az eredmény kétes...
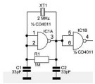
Egy kis segítséget kérnék. Egy HD61380B-as ic-nek kellene órajelet biztosítanom.
Mivel ebben már nincs belső oszcillátor. 2,4 Mhz-re lenne szükségem. Keresgéltem a neten és találtam is egy két jó rajzot. A kérdésem az lenne, hogy a 01 képen lévő rajz szerintem jó lenne nekem, minden megvan hozzá, vagyis az egyik alkatrész más. A rajzon CD4011 van, míg nekem itthon HCF4011 a kettő helyettesíthető egymással? Nem sok mindent találtam erről. A rajz megfelelően működne? Vagy tud valaki egyszerűbb áramkört, ami kisebb helyet foglal?
És még egy apró kérdés, a nem használt kapuk bemeneteit földre kell kötni, jól emlékszem?
Igen. Persze tápra is kötheted (felhúzhatod). Az a lényeg, hogy ne lebegjen.
Üdv!
Én négyszögjelet szeretnék és arra lennék kíváncsi hogy meg-e oldható kvarcal de lehetőleg egyszerűen szóval mi a legegyszerűb kapcsolás amivel lehetséges? Sajnos még nem volt dolgom semmilyen kristállyal úgyhogy nem nagyon értek hozzájuk. De valamiért van egy olyan érzésem hogy nemcsak bemegy rajta az egyen és kijön a rezonált áram. De ezzelegyütt fel is tenném kérdésnek hogy milyen körülmények közt rezonál a rezonátor?
Minden oszcillátor azon az elven működik, hogy a felerősített jelet visszacsatoljuk pozitív fázisban a bemenetre. (ez sokszor akkor is megtörténik, ha nem is szeretnéd, mert a parazita elemeken keresztül sikerül azonos fázisban visszacsatolódni) Ha a visszacsatoló ágban nincs frekvencia meghatározó elem, akkor gerjedésnek hívjuk.
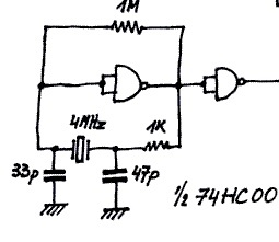
A rezonátorok (meglehetősen sokféle van) frekvenciája meghatározza a rezgések frekvenciáját, a kvarc rezonátorok a nagy körjóságuk, és stabilitásuk miatt kedveltek, mert pontos, állandó, és tiszta spektrumú jelet adnak. Ha csak a frekvencia pontosság a lényeg, akkor felhasználhatók a digitális logikai áramkörökben levő erősítők (inverterek, és kapuk) is. Egy ilyen inverternek (a kapukban is végső soron inverterek vannak) igen nagy az erősítése, ezért ezekkel az eszközökkel keltett rezgések amplitúdója is igen nagy, elérheti a teljes tápfeszültség tartományt is. Erre példát láthatsz a sirály12 előző hozzászólásaiban is, itt a jelformálást (négyszögesítést) a következő erősítőelem (kapu) végzi. Működik a kapcsolás szinte mindegyik logíkai áramkörrel, de célszerűbb Schmitt triggeres bemenetűekkel dolgozni.
Értem és köszönöm!
Sziasztok!
Egy spéci kristályt keresek, hátha tudtok segíteni. Lomex, Ret, Farnell és társai kiestek, mert ott nem találtam. Szóval 73,833333 MHz kristályra van szükségem. Csatolok képet is, hátha segít. Köszönöm, ha szánsz rá pár percet!
Sziasztok!
Az lenne a kérdésem, hogy a kapcsolási rajzon, a kvarcnál lévő kondenzátorok azok beépítettek magába a kvarcba vagy külön kell beépíteni? Mert engem valahogy zavar, hogy csak összekötöm a két lábát és letestelem. Kvarc típusa: hc-49u
A mikrovezérlők adatlapján szokott lenni instrukció, az oszcillátor rezgőkvarcának használatáról. Javasolt az áttanulmányozása. Ezek a kvarcok egy erősítő fokozat visszacsatolásába vannak beépítve, a kondenzátorok értékei függnek a belső kapcsolástól.
A kondenzátorok értékeivel lehet beállítani, hogy a kvarc soros, vagy párhuzamos rezonancián rezegjen be. A kvarc katalógusokban is van ajánlás a kondenzátor értékeire, az ún. terhelő kapacitás.
Köszönöm a válaszokat!
Ennél is oda kell akkor tenni?
Én még nemigen találkoztam olyan kvarccal, amibe a kondik be lettek volna építve. Akkor a toknak 3 lábának kellene lennie, mivel a kvarcok univerzális felhasználásra készülnek nem hiszem, hogy a kondikat beleteszik a házba. Minden alkalmazáshoz más más kondi(k) kell(enek). Léteznek ilyen 3 lábú kvarcok, pl. szűrőkben, de ott is csak az árnyékolás miatt. Valószínűleg csak a rajzon van így. Egyébként nézd ár az ATTiny adatlapját.
Sziasztok tudna valaki segíteni nekem ? Mi a külömbség a két alaktrész között. a kétlábu rezgőkvarcot értem (úgy nagyjából...) de a másiknak miért van 4 lába ? mit kell oda kötni ? Előre is köszi a segítséget.
A hozzászólás módosítva: Okt 1, 2017
A képen lévő tápfeszültséget igényel és a haramdik lábán megjelenik az a frekvencia, ami rá van írva. Ez egy aktív áramköri egység.
És honnan tudom pontossan melyik lábára kell kötni a tápfeszt? mennyit bírnak el ezek az alatrészek ? négyszögjelbe jelenik meg?
1: Az adatlapján rajta van, általában egy sémát követnek az ilyen oszcillátorok.
2: Adatlap szintén, általában 5 V-ról üzemelnek. 3: A kimenet elvileg négyszögjel.
Köszönöm szépen
Arra gondoltam, hogy simán egyszerűen megmérem egy kvarc impulzusát. Rákötöttem 12 voltot, meg az oszciloszkopot egy 3 Mhz -es kvarcra, és azt reméltem, hogy amikor megszüntettem a tápot, akkor majd a "feltöltött" kvarc
, generál egy ellentétes, vagy bármilyen impulzust. De nem sikerult semmilyen jelet sem befogni, az általános zavarjeleken kivul. Félreértem a kvarc müködését, vagy egyébb okbol nem lehet igy semmit sem mérni ?
Nem vagyok benne biztos, hogy bírják a 12 V-ot. A melléklet szerint próbálkozz, 5 V-os tápfeszültséggel.
Úgy általában sikerült elinditanom több féle kvarcot is, ilyen inverteres meg sima tranzisztoros kapcsolással. És ezek után gondoltam, hogy vajon teljesen nyersen, lehetséges lenne e a kvarc által adott impulzust megmérni ?
A rákapcsolt feszültség elméletileg meghajlítja a piezzo kristályt, és ha a feszültség megszünik, akkor reméltem hogy visszarugozva adna valamilyen lecsengő impulzusokat.
Minden bizonnyal ad, ez a lényege, de nem biztos hogy otthoni körülmények között ezt meg lehet mérni.
|
Bejelentkezés
Hirdetés |











, generál egy ellentétes, vagy bármilyen impulzust. 





