Fórum témák
» Több friss téma |
Köszi, meg nem csináltam ilyet, leghamarabb szerdán kerülhet rá sor, mert akkor lesznek meg az IGBT-k. Csak 150 C fokig fogom vasalóval, mert annyit bir el az IGBT, a többit meg majd megoldja a 100W-os pálka.
A hegesztő megy, 1db 2,5mm -es pálca elhegesztve, a pálca leragadásakor leszabályoz, hogy mennyire lesz strapabíró az elválik.
Még egyszer megköszönöm mindenkinek, minden segítő szándékot!
Sziasztok !
Egy Kennedy bobcat-et próbálok megjavítani .Kapcsolási rajzot nem találok hozzá .Esetleg valakinek ? Köszönöm
Így nehéz, tegyél fel képeket róla, s kiderül, mire hasonlít. Próbáld leolvasni a vezérlő IC-k típusát. Meg írjál valami hibajelenséget, az sem árt. Csak ennyi google találat volt a megadott márkára, mert még típust sem írtál.
Üdvözlök mindenkit.
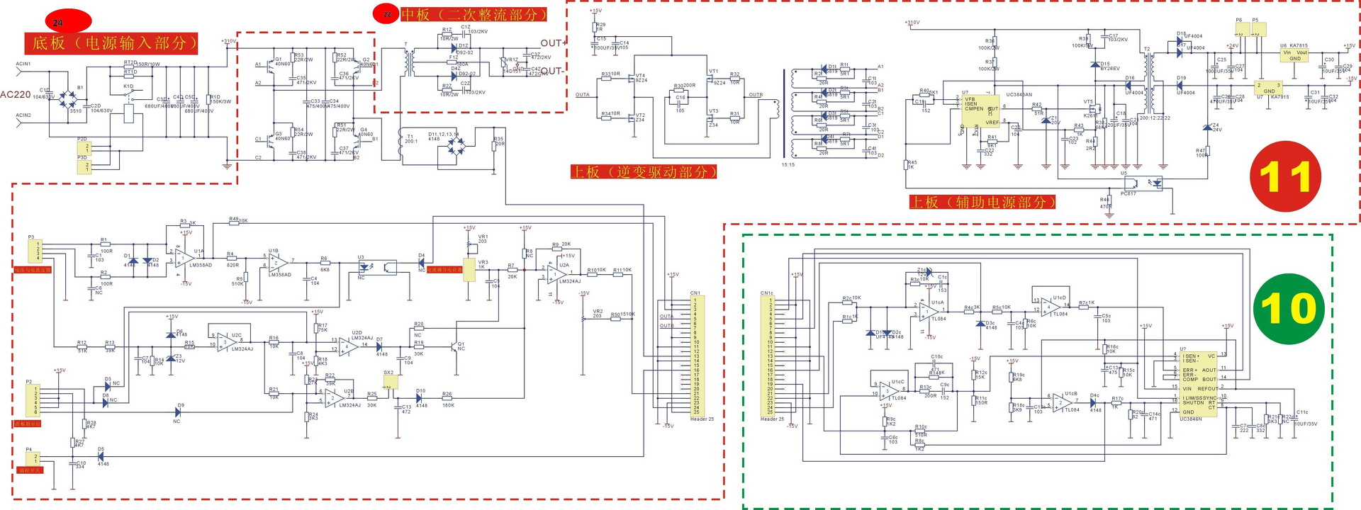
Javításra hozzám került egy ALFAWELD HYPER ARC 200 inverter,végfok hibásan.Négy IGBT volt zárlatos.Kettesével vannak,H hídba kapcsolva.A vezérlője UC 3846N és TL084. Sajnos,még nem találtam hozzá kapcsolást.Ha valaki javított már ilyen gépet,vagy ismeri,netalán van kapcsolási rajza hozzá,kérem ossza meg velem is.A vezérlő része szinte teljesen megegyezik a Pásztor István által föltett képen levővel,amely itt található. https://www.hobbielektronika.hu/forum/topic_post_2160245.html#2160245 Teszek föl pár képet a gépről. Előre is köszönöm. Üdv! Laci.
Szóval a típusa :ETW125 . Még nem tudom hogy mi a hibája mert még bekapcsolni sem mertem .Majd kellő biztonsági intézkedések után ! Pl.:500 w-os izzólámpán keresztül adok neki hálózati feszültséget .Így ha brutális zárlat is van benne nagy bajt nem történhet .
Azért ez így teljesen nem igaz, egyrészt sok az 500W, elég oda a 100W-os is , a másik meg ha a soros égőn keresztül feltöltődnek a nagy puferrek azokban tárolódik annyi energia, hogy simán hazavágja a feteket, vagy igbt-et, ha rossz a vezérlés és nem tilt benne a védelem vagy rossz helyre nyulsz.
A "brutális zárlatot könnyen ki tudod mérni, vagy nem is kell, mert látható nyoma van.
Lehet ennek is annyi vaja volt, hogy a ferdeszemű a gyártási hulladékot pakolta bele, azt is el kell adni valakinek alapon, az enyém is így járt, azóta viszi a 200A-t simán. Venni kell bele jó minőségű IGBT-ket, a linkelt oldalon ott az oszcillogram, ha azt látod, nyugodtan rákötheted a végfokot.
Helló !
Köszönöm. Sajnos a gépnek valami szabályzási problemája van. Első IGBT cseréje útán,elkövettem azt a hibát,hogy nem műterhelésel teszteltem,hanem elektródávl. Persze előtte szkóppal végig néztem a jeleket, de nem láttam semmi rendeleneset. Minimumra letekert árammal nem tudott ívet fogni. Följebb állítottam az áramot,kijelző szerint 50A ig, és durr. Négy tranzisztor szószerint elrobbant.Ekkor a vezérlésbe is tett kárt. A meghajtó trafónál ki kellett cseréljek mindent. Ismét szkópolás,vezérlő IC-é től a tranzisztorok gatejék ig. Nem nyitnak egymásra,jók a jelek. IGBT csere. Most már műtereléssel próbáltam. Egy vastag,fi 2,5-ös huzal ellenállás, értéke 0,5 óhm körüli. Ahogy növeltem az áramot, egy halk pukk,útánna se kép,se hang. Tehát valami nincs rendjén vele. Kapcsolás hiányában nem lessz egyszerű, de megpróbálom vissza rajzolni. Bocs,hogy ilyen hosszúra sikerűltem. Üdv! Laci.
A 2 IC számát írd már le a vez panelom, hátha találok valamit, nekem a 3140- SG3525 páros van a vezérlőn. A gyárilag megadott IGBT-k kerültek bele? Védődiódás, u.a Q(ds) érték.
Egy inverter segédtápja nem indul, az ic jó már 3 is olt benne valami más gond lehet nem bírok rájönni, gondolom valami letilthatja, mert sem segédtápról sem hálózatról nem indul.Jó sok időt fordítottam amire találtam olyan kapcsolási rajzot ami jó hozzá. Ennek birtokban sem sikerül beinditani a segédtápot.Két külső segédtápról inditva a vezérlés jó. A Nagyteljesitményű IGBT-k Diódák jók kiforrasztva is megnéztem.
Szia, Itt van mintakapcsolás, össze tudod hasonlítani. De tegyél be egy foglalatot az IC-nek, míg teljesen szét nem megy a nyák. Ez általánosan használt IC sok dologban, ha minden jó, akkor nekem már az imp Trafóban volt a hiba...
Raktam bele foglalatot, na a trafót még nem néztem. Nem értem mert a HI+ ról megkapja a tápot meg is van a 7 lábán +14 V körül, viszont a ref 5v már nincs semmi, és a kimeneten sincs semmi. Kifogtam volna az összes selejt IC-t.
A trafó teszterrel mérve 5-6 láb között 0,4R és 160uH, a 7-9 láb között 0,13 R, de induktivitást nem írt hozzá akár hányszor mértem. Nem a 7-9 láb között kellene nagyobb ellenállás értéket mérnem ? Trafó lenne a hunyó, ha az akkor idióta vagyok, hogy mit szívtam vele. Bár ezek ritkán szoktak meghibásodni fel se merült bennem, csak a szakadást néztem multival, de az nem volt.
Labortápról indítod az IC-t ? Ugy rémlik 16V alatt nem indul be (startup treshold)
Köszönöm, igazad van amint eléri a 16 V-ot, megjelenik a 8 lábon az 5V ref feszültség és a 6 lábon a kimeneti jel is . Akkor ezek szerint a HI+315V -hoz kapcsolódik 3 sorosan kapcsolt 56K ellenállás ebből viszont a 7 lábon csak a VCC+ 12-14 V között ugrál valamelyikkel vagy minddel gond lesz. Cserélem őket aztán meglátjuk.
A hozzászólás módosítva: Aug 30, 2019
Az adatlapján ott is van (Startup treshold) min 15V, de mérve labortáppal 16V-nál indult be az UC3842 ic.
A rajzon 3- 33K van.Lehet 2 56K elég lenne.
Oké, de a rajz csak hasonló, útmutató, nem a güde 160 gis -é. Az nincs meg sehol.
Nem az ellenállásokkal lesz a gond a 3db 56k/0,5W ost lecseréletem 2db 82K/2W ra kényelmesen elfért. Ugyanugy 12-14V között ugrál a GND és a Vcc között. A hozzászólás módosítva: Aug 30, 2019
Pedig sok az.Én még 56K is raktam ilyen tápba.
Kivettem az egyik 82K ami sorba volt kötve, így 1 db 82K/2 W-al is ugyan az a helyzet, nem változott semmi
A hozzászólás módosítva: Aug 30, 2019
Labortápról mennyi volt az áramfelvétele az ic nek?Van külső zener a tápáramkörben?
A hozzászólás módosítva: Aug 30, 2019
Mit értel külső zénernek ?
Rakok fel képet. A hozzászólás módosítva: Aug 30, 2019
Pedig nincs meg az a 20mAper ezért nem tud indulni.Csökkenteni kell az ellenálást mig el nem indul.Az eredeti ic valószinü válogatva volt,a kommersz meg ugye?rakj bele 56K.
A hozzászólás módosítva: Aug 30, 2019
A 82K felezzem meg, egy párhuzamosan kapcsolt 82k ellenállással.
Helló Laci!
Nekem így első ránézésre ZX-7 szériás panelnak tűnik.Ennek a vezérlése is az általad megadott IC-kel van megoldva!Itt a rajza,hátha használható! Üdv. Miki
És valami?Semmi?Rakj pár mikrót az ic tápjára meg egy 18V zenert biztos ami biztos.Nemigaz hogy nem indul el.
A C017 100µF/ 35 V-os kondit cseréletem újra kis ESR értékü 100µF/50v ra.
Teszek a hátoldalára próbaként mág egy 100µF-ost. A zénert hova rakjam ? A hozzászólás módosítva: Aug 30, 2019
|
Bejelentkezés
Hirdetés |






















