Fórum témák
» Több friss téma |
Fórum » Labortápegység készítése
Javasoltál de nekem kapcsolási rajz kellene!
Keress rá a topic-ban, mindegyik itt van. Van rajz, van amelyikhez NYÁK-ot is tudsz rendelni.
Sziasztok
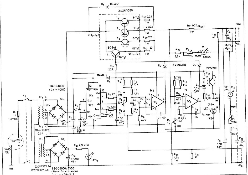
Rádiótechnika 1994/11-12 havi számában megjelent verziót tervezem megépíteni (lévén, hogy félkész NYÁK-ot örököltem, meg alkatrészcsomagot is hozzá) Ha van esetleg valakinek tapasztalata erről a kapcsolásról, az kérem jelezze. (gyerekbetegség, javasolt módosítás...stb) Kettős labortáp lesz belőle (leltem is itthon egy 450W 2x37V-os trafót hozzá)
Egy lehetséges változatát itt is látod a megvalósításnak. Több jól működő példányról tudok.
De hát éppen rajzokat javasoltam!
Köszönöm
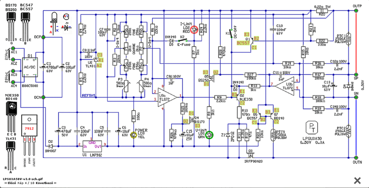
Ötletvadászat céljából elkezdtem nézegetni a topic képeit és pont most jutottam el az általad belinkelt verzióig Megtetszett az LM324-es verzió is, de még csak gyenge felbontásban akadtam rá (v2.7.1), láttam arra is volt kiegészítés, hogy 50V-ot bírja. Leltem egy ideálisabb trafót, amit nem féltek erre a célra. 600W 4x24V (független kimenetek), így 24V alatt elég lenne 1 szekunder és nem kellene annyit fűteni (ehhez még keresek egy előválasztó kapcsolást) 48V-ot trafó felől elbírna még a kapcsolás, vagy mit kellene hozzá módosítanom rajta? 24/48 átkapcsolás kicsit bonyolítaná a dolgot, te mit javasolsz. Hűtőborda nem gond, 200W-os fűtőbordáim vannak (kapcsolószekrényben volt fűtőtestnek használva, de ellenállások kimentek benne, így megkaptam melóhelyről ajándékba 4db-ot)
Én a LM324-es 2.7.4 verzió kicsit módosított változatát építgetem éppen, egy működő próbapanel már készen van, az eredmények tetszenek, most a végleges elkészítés folyik.
Köszönöm
Mekkora trafóval?
Láttam, többen megépítették, csak nálam a trafó miatt kérdéses.
Simán megy 50 volt de még többet is tud nálam 60volt 5A megy sok éve
Bővebben: Link
Egy ipari tápból bontott 24V-os hiperszil. Három független tekercse van, ebből kettőn lesz labortáp modul, a harmadik külön ki lesz hozva az előlapra. A teszteken arra jutottam, hogy max. 24V DC-t tudok majd a labortápból kivenni, ha nagyobbat szeretnék akkor nincs meg a biztonsági tartalék így max. 24V 3A-lesz egy csatorna.
v1.4.2
Alul megjegyzésben D11,D12 (DC OFF IC2 átbillenését gátolja) Én sehol se leltem, rajzon Z2,Z3 zénert van ami ezt látná el, itt csak az feliratozás hibás vagy én vagyok nagyon fáradt? A hozzászólás módosítva: Dec 29, 2019
Köszönöm
Igen láttam a képed és fel is tűnt az 50V-os szekunder felirat, következő üzi neked ment volna A hozzászólás módosítva: Dec 29, 2019
Azt hozzá kell tennem de a képeket ha nézed meglátod te magad is ,ide már komoly hütés kell alkalmazni.
Igazad van. A zénerekre utal a szöveg. Csak azok eredetileg a diódák közé sorolódtak automatikusan, aztán később gyalog "zéneresítettem" őket, de nem voltam ebben elég következetes.
A hozzászólás módosítva: Dec 29, 2019
Láttam.
Az én hűtőtömböm kicsit még a tiednél is komolyabb. Venti nélkül elbír 200W-al (arra tervezték), ebből akarok 4-et beletenni ![]() Amit nem látok, hogy az extra elkót te mire/hova kötötted? A hozzászólás módosítva: Dec 29, 2019
Esetleg elkérhetem a NYÁK-tervet.
(Pdf-ben már megvan-Köszönöm) Nekem viszont régi orosz teljesítmény ellenállásaim vannak, amiknek a mérete miatt kicsit bele kellene nyúljak (na meg sok bontott alkatrészt használok) (csak Sprintlayout-al dolgozom, ha mást használsz, akkor az egészet újra kell rajzoljam) Amennyiben azt nem akarod kiadni, megértem, akkor újrarajzolom. (bár a Rt-s NYÁK-verzió már el van készítve, de jobb szeretem ha elektronikus formában is megvan, ezért valószínű újat gyártok majd.
Az otthoni gyártást a PDF maximálisan kiszolgálja. Ezt tudom elküldeni, esetleg olyan formában ahogy illeszkedik a panelgyártásodhoz (tükrözve, vagy negatív képként, amiket egyébként te is meg tudsz csinálni a meglévő PDF-el).
Ez igaz, mindössze alkatrész típusok cseréje miatt kértem volna.
Döntésed tiszteletben tartom, ezesetben újra kell rajzoljam magamnak-saját verzióm se fogom közzétenni, lévén a tied rajzolom újra, ami a te terved marad
Mivel extra elkot tettem be.véglegesre a panelben csak.valami lett berakva ami 100volt os
Az extra méretű nem fért volna el a.panelen!
A fűtőellenállás és a tranzisztor teljesen máshogy viselkedik egy bordán. Az ellenállás fel tud melegedni 150fokC-ig is, nem lesz semmi baja, míg egy tranzisztort nem kellene 90fokC fölé engedni. És ugye nagyobb hőmérséklet különbség nagyobb hőt tud elszállítani. Majd a tesztek megmondják, mennyit tud a bordád a környezetnek leadni, de venti nélkül kellene legalább egy A4-es méretű, 6cm bordamagassággal, 1-2cm bordasűrűséggel, a bordák pedig függőlegesen kell, hogy álljanak, de lehet, még ez sem elég. Ha a tranzisztort 90fokC-ig engeded, a borda "csak" 65-80fokC lesz a bordánál, és szobahőmérsékleten már csak 45-60fokC deltaT marad. Számolgathatsz is, ha tudod a borda együtthatóját. Egy venti akár minimális fordulaton máris rengeteget számít.
Nem mutattad még meg a bordát, szóval csak az elméletet írom, de ha 4db-ot használsz, az már elég komoly lehet. A hozzászólás módosítva: Dec 29, 2019
Hol van itt fűtőellenállás?
Van gyakorlati tapasztalatod ilyen tápot esetleg épittél ,honnan veszed hogy A4 es borda kell hozzá ? Azt eltaláltad hogy ajánlott megtámogatni ventilátorral ,az nélkül nincs olyan félvezető ami itt túlélne!
Tapasztalataim alapján az EM-1 tökéletesen használható finom kis feladatokra és brutál terhelések esetén is .
Sziasztok !
Egy "kicsit" off !! Szerintetek egy szilárdtest-relé mennyire "örül", ha a tisztán ohmos terhelését egy diódával megfelezem ? (Két 400V/1000 wattos fűtő sorba kötve , de még így is túl meleg...) Köszi !
Azért is ecsetelgettem annak idején azt a rajzot, meg tettem fel róla nyáktervet. Gyakorlatilag az egyik legegyszerűbb kapcsolás, úgy 100V-ig nincs szüksége semmiféle segédtápra sem, és gyakorlatilag 15V és 400V között tetszőleges feszültségig megépíthető ugyanarra a nyákra. Mivel fetes a strapát is jól bírja, és a dinamikus viselkedés némi romlása árán akár 10db FET is párhuzamosan köthető benne.
Egyik hátránya, hogy jelen formájában fordított kialakítású áramszabályozása van, így némileg illeszkedni kell a minimálisan beállítható áram miatt a source ellenállások értékeinek, tehát nagyobb áramokra kisebb, kisebb áramokra nagyobb ellenállásokat célszerű beépíteni. Persze lehetne rajta még tuningolni, jobb referenciával, az áramkorlát átalakításával, valami aktív terheléssel de akkor már elveszítené az egyszerűségét.
Pisti89 hozzászólásaiban szerepel a fűtőellenállás. Olvass kicsit vissza. A borda méretét úgyis a teszt fogja visszaigazolni, jó-e.
A tapasztalatom pedig erre alapozom: Bővebben: Link 100W hőt tud disszipálni, de a félvezető hátlapja 80-90fokC-os! Venti fújja a bordát. Ehhez arányosítok.
Sziasztok!
Bocsi, hogy ide írok, viszont itt vannak a profik ebben a témában. Én most szeretnék megismerkedni az elektronikával (valameddig eljutni ), ehhez a tanuláshoz szeretnék vásárolni egy egyszerű labor tápot és nem szeretnék nagyon mellényúlni a kiválasztásnál. Én 30 000.- alatti értékre gondoltam. Kinéztem egyet: STAMOS S-LS-34 Ebben szeretném kérni a segítségeteket, ötleteiteket. Előre is köszönöm a segítséget.
Szia. Ha ismerkedsz az elektronikával akkor építs egyet, Itt a fórumon van fent jó pár rajz, de Alkotótol tudsz talán még kész nyákot is venni.
|
Bejelentkezés
Hirdetés |














