Fórum témák

» Több friss téma
Fórum » Labortápegység készítése
Egyéb népszerű labortáp témák:
- SMPS labortáp
- Labortáp javítása
Lapozás: OK   754 / 846
(#) kissattila88 hozzászólása Dec 24, 2019 /
 
Sziasztok! Van egy toroid transzformátorom ami AC-ban 21.2V tud. Szeretnék belőle labortáegységet csinálni. Tud valaki ajálani hozza kapcsolási rajzot?
(#) Ge Lee válasza kissattila88 hozzászólására (») Dec 24, 2019 /
 
LPSU, EM-1, 723-as. Mondjuk a trafód áramáról nem írtál, meg arról sem hogy mekkora feszültségre/áramra kívánnád építeni.
(#) kissattila88 válasza Ge Lee hozzászólására (») Dec 24, 2019 /
 
Irtam a feszültséget hogy Ac-ban 21.2v kb ennyit szeretnék Dc -ben is. Arafó 3A-es.
(#) rascal válasza kissattila88 hozzászólására (») Dec 24, 2019 /
 
Szia!

Én ezt építettem meg 10 éve, és teszi a dolgát. Bővebben: Link. Nekem AC 20V-ról megy, és csak 2A-t tud a trafóm, ezért R18 értékét átszámoltam úgy (vagy egy trimmer potit raktam a helyére, már nem emlékszem), hogy a maximális áramkorlát ne az eredeti 3A, hanem csak 2A legyen. Neked pedig a saját trafód maximális áramához kell állítanod, ha ezt építed meg. (A honlapon javasolt 24V-ról nem járatnám, mert akkor egyenirányítva és negatív segéd tápfeszültséggel számolva már a műveleti erősítők nagyobb tápot kapnának, mint amit szeretnek. A 21.2V számításom szerint pont határ eset, picit alatta van a 36V-nak amit a műveleti erősítők még biztonságosan tudnak kezelni. Ha terheled a trafót akkor esik a feszültsége ami ebből a szempontból jó.)

A feszültség és áramkorlát állító potik helyére több fordulatú potit is rakhatsz, ha szükséged van finom szabályozásra. Nekem az egyik így működik, és néha jól jön.
(#) tbarath válasza kissattila88 hozzászólására (») Dec 24, 2019 /
 
Azt a 21,2 Voltot mérted, vagy rá van írva? Ha mérted, akkor terheletlenül, vagy max. terheléssel, azaz 3A körül?
A hozzászólás módosítva: Dec 24, 2019
(#) kissattila88 válasza tbarath hozzászólására (») Dec 24, 2019 /
 
Rá van írva.
(#) rascal válasza kissattila88 hozzászólására (») Dec 24, 2019 /
 
Akár dupla akkora feszültséget is ki lehet belőle hozni kisebb áramterhelhetőség mellett, ezért nem volt alaptalan a kérdés. Bővebben: Link

Érdemes lenne lemérned a trafót üresjáratban és terhelve is. Nálad sem biztos, hogy pont 230V van a konnektorban, ingadozhat is, jó lenne tudni mire számíthatsz a valóságban. Az általam javasolt kapcsolás sajnos nem védi magát a hálózat felől jövő túlfeszültségekkel szemben, másé lehet, hogy igen.
(#) kissattila88 válasza rascal hozzászólására (») Dec 24, 2019 /
 
Amit belinkeltél a Delonhidat azt nem csöves erősitőknél alkalmazák?
(#) rascal válasza kissattila88 hozzászólására (») Dec 24, 2019 /
 
Lehetséges (nem vagyok jártas csöves erősítők témájában, egyenirányítási módszerekre kerestem rá), de felhasználható máshol is.
(#) kissattila88 válasza rascal hozzászólására (») Dec 24, 2019 /
 
Milegyen terhelés?
(#) rascal válasza kissattila88 hozzászólására (») Dec 24, 2019 /
 
Végül 21V / 3A = 7Ohm-ot kellene rákötni. Hogy miből rakd össze? Teljesítmény ellenállásaid vannak? Vagy 24 V-os pákád, esetleg autó izzók? 12V/55-60W-osból 3 sorba kötve, esetleg kettő, de akkor már 5A-is folyhat amit a trafód csak rövid ideig visel el. Ha van több 10 méteres hosszabbítód, vagy más hosszú vezetéked ami elbírja a 3A-t, akkor annak az ellenállása is elérheti a 7 Ohmot. Össze lehet legózni, csak arra kell vigyázni, hogy semmire ne kerüljön nagyobb feszültség, vagy ne folyjon nagyobb áram át rajta, mint amit elvisel. Fokozatosan haladj. Először üresjáratban mérd meg a feszültséget, után 7Ohm-nál nagyobb ellenállásokkal mérj áramot, feszültséget és csak a végén csökkentsd le a terhelő ellenállást 7Ohm-ra.
(#) kissattila88 válasza rascal hozzászólására (») Dec 24, 2019 /
 
Nincsen teljesitmény ellenallásom. Wellerem van katogós 24v 50w-os.
(#) rascal válasza kissattila88 hozzászólására (») Dec 24, 2019 /
 
Azzal kb. 2A-es áram mellett tudsz mérni. Ha le tudod mérni ezzel, és üresjáratban, akkor már kiderül, hogy a ráírt 21.2V mire vonatkozott.
(#) Egri Frédi válasza kissattila88 hozzászólására (») Dec 25, 2019 /
 
Tegyél már fel egy képet a trafóról, lehetőleg olvasható adattáblával és írd már le a méreteit is. Ebből meg lehet - hozzáértőnek - mondani a teljesítményét.
(#) Ge Lee válasza kissattila88 hozzászólására (») Dec 25, 2019 /
 
A feszültséget írtad ugyan, de azt már nem, hogy ebből egy 25V/3A-es tápot szeretnél, vagy egy 50V/1,5A-es-t, esetleg mindkettőt egyszerre.
Idézet:
„Amit belinkeltél a Delonhidat azt nem csöves erősitőknél alkalmazák?”
Hogy egy kapcsolási megoldást hol alkalmaznak az attól függ, hogy éppen hol merül fel a szükségessége. Van ugye a szinusz két félhulláma. Hogy egyenirányítás esetén ezt a két félhullámot egymás mögé, vagy netán egymás fölé tesszük, ez csak a felmerülő igénytől függ. Pl. egy olyan igény lehet az is, amikor 50V-ot szeretne az ember, de csak 21V-os trafó van kéznél. Meg olyan igény egy PC táp is, aminek a hazai 230V-os hálózatban is ugyanúgy kell működnie mint a külhoni 110V-os hálózatban.
(#) Egri Frédi válasza rascal hozzászólására (») Dec 25, 2019 /
 
Ez annak a "Kínai" tápnak egy változata, amire itt -szerintem érdemtelenül- mindenki "köpköd".
Az ár/érték aránya igen jó, ha az igényeidet nem teszed túl magasra. Kezdőknek mindenképpen javaslom ...
(#) kissattila88 válasza Ge Lee hozzászólására (») Dec 25, 2019 /
 
Krestem hogy tudnék feszültséget kétszerezni delonhidat az elektroncso.hu talátam. Meg itt is kerestem a delonhidra mind az össze hozzászólás e témában csöves erősító témában volt.(Ezért gondoltam hogy elsősorban ott alkalmazák.)
A hozzászólás módosítva: Dec 25, 2019
(#) rascal válasza Egri Frédi hozzászólására (») Dec 26, 2019 /
 
Gondolom sok kezdő járhatott pórul, akik mindenfajta számolgatás nélkül elhitték, hogy 24V-os trafóra rá lehet kötni, nem nézték meg a benne lévő műveleti erősítők adatlapját, nem értették meg a működését, csak megtetszett nekik az egyszerűsége, könnyű megépíthetősége. 10 éve mikor megépítettem én is rákötöttem volna 24V-ra, de szerencsére csak 20V-os trafóm volt és emiatt megúsztam baj nélkül. Nem a kapcsolással van a baj szerintem sem, hanem a cikkekben/boltokban ígért paraméterekkel.
(#) Massawa válasza rascal hozzászólására (») Dec 26, 2019 /
 
Ezzel sokat szivtak, de nemcsak az emlitett táp megépitésével. A 24 V-s trafo szinte valamennyi tipikus elektronikai cucchoz veszélyes, ráadásul amiota megemelték a hálozati feszültséget is 230V-ra, a veszély csak növekedett. Egy ilyen "24V-s" trafo üresen és egyenirányitva/szürve könnyen adhat akár 40 V-t is, ami veszélyes még az aránylag primitiv stabilizátorokra is (78xx, LM3xx stb) az IC-ket nem is emlitem...
Valojában a fene sem tudja miért pontosan a ~24 V-s trafok terjedtek el, miért nem pl a 20 vagy 22V-osak?
(#) Medve hozzászólása Dec 26, 2019 /
 
Kedves szakemberek. Sejtem melyik tápról lehet szó, amelyikben az OPA-k a tápfeszültség maximumán járnak. Azon is kell, mert csak úgy tudja leadni a kívánt magas feszültséget. Lehet ezek a problémán javítani úgy, hogy a referencia feszültséget lecsökkentjük és megnöveljük a kimeneti feszültség mintavevő osztóját, úgy hogy a hibajel előállító OPA bemenetére egy jobban leosztott feszültség jusson?
Vagyis például a D8-as 5,6V-os zener legyen a fele, vagy inkább a hozzá tartozó OPA erősítése legyen egységnyi, tehát 6V körüli a referencia. Továbbá a kimeneten lévő R12-R11 ne a felére, hanem negyedére ossza le az összehasonlítandó feszültséget. Igy nagyobb feszültségtartaléka lenne a rendszernek (?) Vagy ha működne, milyen egyéb jellemzők romlanának?
(#) Ge Lee válasza Medve hozzászólására (») Dec 26, 2019 /
 
Nem egyszerűbb eleve olyat építeni ahol részben vagy teljesen független az IC tápja? Pl. ekkora kimenőfeszt sem nagyon lehet máshogy szabályozni.

HVLPSU_TT.jpg
    
(#) _BiG_ válasza Medve hozzászólására (») Dec 26, 2019 /
 
Idézet:
„Vagyis például a D8-as 5,6V-os zener legyen a fele,”

Nem célszerű a zener feszültséget variálni, mert ez a zener-feszültség, ahol a zenerek hőfokfüggése a legkisebb, tulajdonképpen tart a nullához.
(#) Medve válasza _BiG_ hozzászólására (») Dec 26, 2019 /
 
igen, azért jobb, ha az OPA ellenállásait módosítjuk. De most itt csak az elv lenne a lényeg.
(#) xitibi hozzászólása Dec 28, 2019 /
 
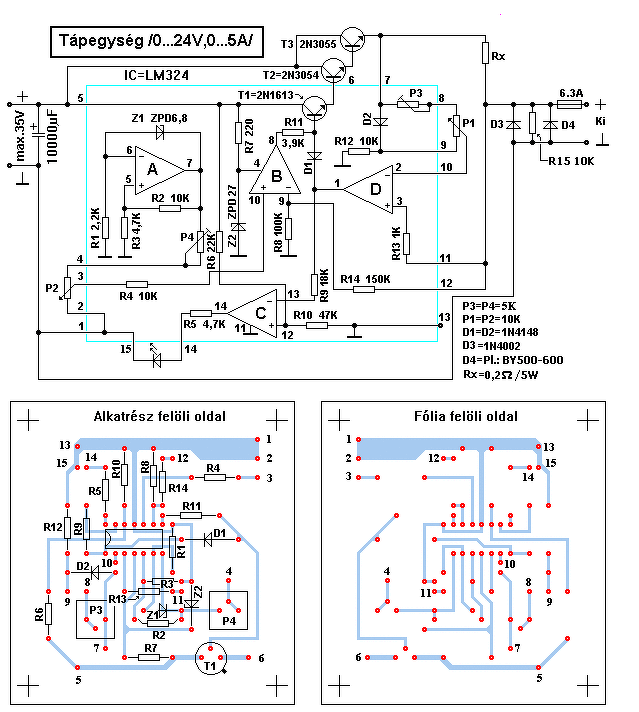
Sziasztok.Van ez a kapcsolás Bővebben: Link pillanatnyilag kb 2A tud és utána működésbe lép az áram korlát, a P3 at már próbáltam állítani ez a legtöbb. Mit kellene cserélnem hogy tudja az 5A? Hűtőfelületen van 4 db 2n3055 párhuzamosan kötve , 0.2ohom 2w ellenállásokkal sorba kötve.
(#) kissattila88 válasza Ge Lee hozzászólására (») Dec 28, 2019 /
 
A trafó Ac 21.2v 3A tud. Ezt szeretném ha tudná dc-ben is. Tudsz rá javasonlni valami kapcsolást?
A hozzászólás módosítva: Dec 28, 2019
(#) CIROKL válasza xitibi hozzászólására (») Dec 28, 2019 /
 
Az Rx mekkora?
(#) xitibi válasza CIROKL hozzászólására (») Dec 28, 2019 /
 
Szia.
0,2ohm 5wat
(#) CIROKL válasza xitibi hozzászólására (») Dec 28, 2019 /
 
Plusz betettél tranzisztoronként 0,2 ohm ot .
(#) xitibi válasza CIROKL hozzászólására (») Dec 28, 2019 /
 
Szia.Igen
(#) Ge Lee válasza kissattila88 hozzászólására (») Dec 28, 2019 /
 
Már javasoltam 4 nappal ezelőtt az oldal tetején hármat is. Vagy írjam le újra?
Következő: »»   754 / 846
Bejelentkezés

Belépés

Hirdetés
XDT.hu
Az oldalon sütiket használunk a helyes működéshez. Bővebb információt az adatvédelmi szabályzatban olvashatsz. Megértettem