Fórum témák
» Több friss téma |
Fórum » Érdekességek
MicroCap szimulátor V10, V11, V12 ingyenesen használható.
Azt az LT-t én régebben egyszer leszedtem, de nem működött, olyan volt mintha tele lenne bug-okkal a szoftver, összevissza csinált mindent, lefagyott, stb. Volt nekem belőle valami régi verzió, az viszont működött normálisan.
Az LTSpice szerintem már elég rég ingyenes, és szereetem is.
Szerintem, ha felveszed a kapcsolatot a szerzővel és ő a beleegyezését adja, akkor teljesen korrekt...
Az LTSpice-ot rendszergazdai jogosultsággal kell futtatni, mert egyébként nem találja a könyvtárakat és ezért lehet hibás a futtatása. Win10 alatt egészen biztosan ez lehet a probléma.
Attól függ hova telepíted. Alapvetően nem kell rendszergazdaként futtatni. Win10x64 alatt futtatom már évek óta külön rendszergazdás indítgatás nélkül.
Ember legyen az "interneten" aki megtalálja
Talán Roland Gallay lehet az egyik szerző. Tovább nem kerestem. Bővebben: Link
Világrengető bírósági hír.:
"-Minden adott volt, hogy XY és társai lopjanak..." Nálam is itt a telken a gázcső, a telek előtt fut a villanydrót. Csak meg kell fúrnom, vagy ráakasztani a dióverőt. ![]() Sőt, ha esik az eső, már lopom is a vizet.
Tovább folytatva: felelőtlenség és hozzá nem értés?
Nem véletlenül mondják, hogy a rendes ember nem azért nem lop, mert nem lenne lehetősége rá....
A hozzászólás módosítva: Jan 20, 2020
Sziasztok!
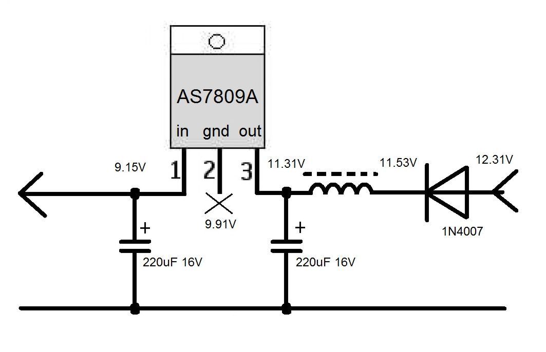
Több db ilyen SP-AVB14G, illetve ICBM9007 néven futó videójel erősítő/4 felé osztó üzemel a környezetemben. Egy ilyennel volt gond tegnap. Hazavittem megnézni mi a baj, a tápot jelző LED világított, elsőre nem tápra gondoltam. Szétszedtem, mérem a tápfeszültséget, kevés...de már a dugasztápból is, akkor ez sima ügy, az a baj. De a 7809 fülén is van feszültség a testhez képest. Na, azt hogyan? Anno visszarajzoltam és ezek szerint hanyag voltam, mert a táp rész nem a megszokott kapcsolást követi...én meg azon átsiklottam. Jobban megnézve az alábbi bekötést alkalmazta a kis kínai. A vicc az, hogy gyakorlatilag 12V-ról táplálva mégis működik! ![]() Gyorsan megnéztem a polcon egy másikat, ami ránézésre ugyanaz. Apró eltérés a NYÁK-on, hogy itt be van kötve a stabilizátor középső test lába, de a ki és bemenet itt is fel van cserélve. Ugyanazzal a 12V-os táppal megkínálva 8,6V a kimeneti feszültsége (a bemenetén), amit kap az áramkör további része. Persze csekély az áramfelvétel, és valahogy átvergődik szegény elektron...de azért elég fura, nem? A hozzászólás módosítva: Jan 22, 2020
Végülis ha nem kell nagy áram, akkor a belső kapcsolás alapján lehetséges.
Szétnéznék a B-E, B-C diódák környékén is
Az előbbi, + R11-R12-Q15-Q16 R17-Q17 R17-R21-D2-R13 R17-R21-Q15-Q16 Az R11 tized Ohm nagyságrend, kérdés az R17 és az R12 ellenállása, elegendő, ha ezek közül egyik relatíve kicsi a terheléshez képest.
Megfordítottam, kapott testet és beállt a kimeneten az elvárt feszültség, ami így már valószínűleg valóban stabil lesz.
Tegnap bontottam egy (70-es - 80-as évekbeli) készülékből egy érdekes alkatrészt.
Gyártója: Tesla Típusa: MA7815 A meglepetés az alján talált: a TO-3-as tokozásba gyárilag bele volt ütve egy E és egy B betű az egyes lábak mellett, mintha tranzisztor lenne! Most rákerestem a neten, és már a legelső találatnál is így szerepel a képeken. Lehet, hogy ez másnak nem újdonság, de engem egy kicsit meglepett.
Tranzisztor gyártósoron készült a tokozása. Vagy akár a chip is.
A 70-80-s években az MA7815 nagyon uj cucc volt, igy könnyen lehet, hogy olyan tokba rakták, amilyen volt. Innen a B-E betü. A Teslanak volt fejlesztö részlege is ahol az uj alkatrészeket gyártották kizárolag belsö megrendelésre - ezek a cuccok ritkán kerültek katalogusba, és nem igen voltak elérhetök a szabad piacon. ( ilyenek voltak a nagyteljesitményü tirisztorok, GTO, meg hasonlo IC-k). Ipari berendezésekben már a 80-s évek elején megvoltak, a piacra sok évvel késöbb kerültek.
Ez simán lehet... A készülék, amiben találtam, egy spekrtofotométer volt, amit nem túl nagy darabszámban gyárthattak.
Csak 12 Voltos PC táp irányba mozdul az intel: Bővebben: Link.
Valójában tök logikus ez a 12V only irány, és helyben előállítani a többi feszültséget ahol szükség van rá. Nem is értem, mi tartott eddig. (Az inteles design guide is csak fél éves: Bővebben: Link)
Üdv! Nem lehet, hogy az Intelnél újdonság? 10 éves AMD-s gépem volt ilyen.
|
Bejelentkezés
Hirdetés |









