Fórum témák
» Több friss téma |
Sziasztok. Nekem olyan problémám lenne, hogy:
Delinghi ESAM 3000 B Bekapcsolás után, kazán felfűt ,gombok világítanak, megnyomva nem indítja a darálót. Külön öröltkávét lefőzi. Teszt üzemmódban a daráló és minden más működik. Miért nem tudok szemeskávébol főzni ? Segítséget előre is köszönöm.
Ha teszt módban megy, főzéskor meg nem akkor vezérlőpanelen lévő processzor programja sérült. Újra kellene programozni, vagy szerezni egy másik panelt. Értesz a PIC programozáshoz?
Nem csináltam még ilyet, de valamikor el kell kezdeni
esetleg tudnál benne segiteni ?
Szerencsére a vezérlőpanelon lévő PIC programja nem védett, így ki lehet olvasni. Szerezni kell egy ugyanilyen jó gépet, annak kiolvasni a programját, utána meg beleírni a Te paneledbe. Ennyi az egész. Vannak buktatók, mint a jó gép beszerzése, esetleg a tulaj nem szeretné, hogy szétszedd, vagy a PIC programozó hiánya. De ha nem gond a pár napos kávégép leállás, akkor elküldöd a panelt nekem én felprogramozom, és visszaküldöm. Vagy elhozod, attól függően, hogy hol laksz. Ha segítség kell akkor a panelról egy éles képet feltehetnél ide, a könnyebb beazonosítás miatt.
A másik gépet meg tudom oldani, a PIC programozót megvásárolnám. Szivesen venném a segítségedet
Sziasztok!
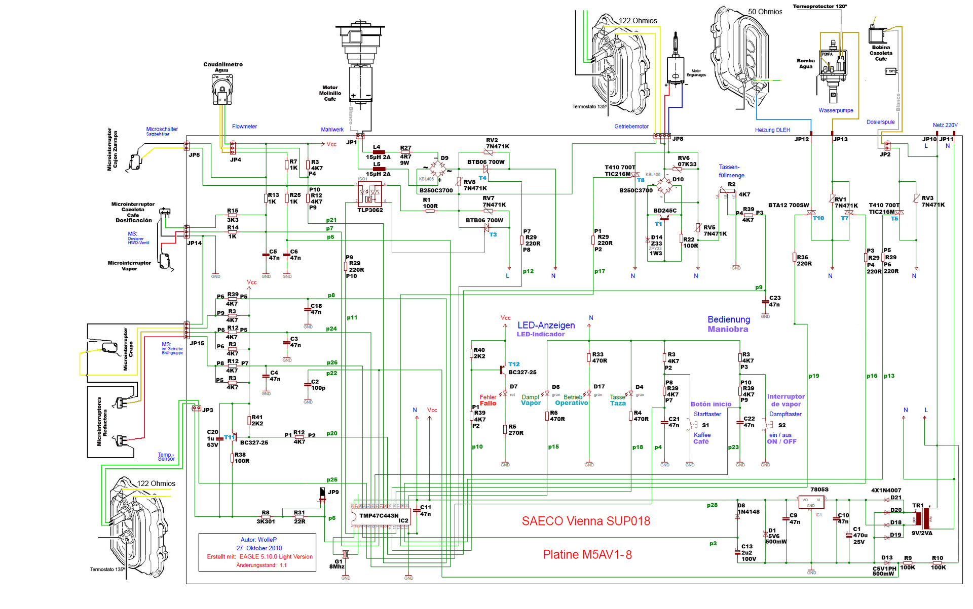
Saeco Vienna SUP 18 tip kávégép vezérlőpaneljével ( M5AV1-8) kapcsolatosan lenne kérdésem. Működés közben a program félbeszakadt, és az adagoló csapóajtaját ( ez egy elektromágnessel működtetett egység ) alacsony frekvencián kis mértékben csapkodta. Közben a visszajelző LED-ek halványan világítottak. Lekötöttem a csapóajtó egységet, és azt direktben 220-ról működtetve rendesen üzemelt. Ezután megpróbáltam többször áram alá helyezni a gépet, és egy durranás kíséretében egy 15 uH 2 A induktivitás (kapcs. rajzon L4 ) kormot köpött. Észrevettem ezenkívül, hogy egy 1K-s ellenállás (rajzon R14) is megégett. A kormos égett alkatrészeket kicseréltem ( induktivitást 4 Amperest kaptam). Áram alá helyezve a panel, sajnos nem ad semmiféle életjelet. Fogyasztásmérővel mérve 6,5W teljesítményfelvétele van. Néhány percig áram alatt hagyva, egy 7805S jelű IC (talán stabilizátor) eléggé felmelegszik (kézzel alig lehet megfogni), zárlatot feltételezek, de nem tudom hol keressem. Mellékelem a kapcsolási rajzot is, hátha valaki megnézi, esetleg tud javasolni valamit, hogy mit érdemes még ellenőriznem. Köszönöm
A zárlat a proci belsejében lesz!! És ott is marad...
Sziasztok!
Egy Melitta caffeo solo perfect milk kávégéppel van gondom. Bekapcsolást követően pár másodpercig villog a bekapcsolást jelző LED, mintha fűtene, illetve van egy rövid kpe teszt, majd a villogás megáll és kigyulladt a gőztelenítés jelzés. A gőzcsapot kinyitva elindul a szivattyú és jön a víz a gôzcsövön, de hideg. Azaz nem melegít a kazán. Kimértem nem szakadt. A rajta lévő hőmérséklet érzékelőnek is van ellenállás értéke. Ki-be kapcsolás T követően ugyanez a helyzet. Hol keressem a hibát? Köszönöm. Üdv Zoli
Szia! Valószínű hogy vízhiányt érzékel a gép, ezért nem fűt. Az áramlásmérő jó ? Ad impulzusokat, és elég gyorsat? A kifolyó víz sebessége jónak tűnik? Sok sikert, üdv, Feri.
Szia! Kicseréltem az áramlásmérőt és ugyanaz a helyzet.
Saecoba jobban otthon vagyok, de hátha segít.
Szerintem a fűtés azért nem indul el mert nem érzékel vizet, valószínű ezért is írja, hogy légtelenítsd. Én a szivattyú/áramlásmérő/vízérzékelőnél keresném a hibát. Ha olyan rezgőszivattyú van benne mint a saecokba, akkor azt könnyű javítani. Egy gumigyűrű szokott elkopni bennük. Az átfolyásmérőt meg szét tudod szedni, jól ki kell pucolni főleg a szűkebb végét.
Sziasztok. A saeco odea giro plus gépem, kávéfőzés közben nyikorgó hangot hallat. A hang a kpe egység felöl hallom. Az egység már beáll ahova kell, a motorok is állnak. Ezek nem nyikoroghatnak.
Mi nyikoroghat? Még olyat is észrevettem,hogy a gép már ki van kapcsolva,kb fél órája,elmentem mellette,és halk sziszegő hangot hallottam. Nem jövök rá,mi lehet ez. És több kávával próbáltam, de nem akar krémes lenni.Mit nézzek át? Köszönöm. Péter.
Nekem akkor nyikorog mikor tömörít, és fel nem megy a KPE a frlső holtpontig. Hiába ki van pucolva, bezsírozva mégis csinálja. Gondolom a kopásából adódóan. Én nem foglalkozok vele.
A KPE mikor volt kipucolva, bezsírozva? Felső szűrő mikor volt takarítva? Mennyi idő alatt folyik le egy eszpresso? A darálója mennyire finomra van állítva?
Szia. A KPE felső holtpontig teljesen csendes. A nyikorgás féleség,csak akkor van,amikor a szivattyú nyomja át a vizet. Hetente pucolom a KPE-t. Kb fél éve vettem,teljesen szét volt szedve,tisztítva,és zsírozva.A daráló most a legfinomabbra van állítva. A kávé előáztatás nélkül számolva 4-5 mp alatt folyik le. A daráló 5 mp-et darál,ami kicsit rövid,de nem megy tovább.
A kis pipát nézd meg a KPE-n amin keresztül kapja a vizet, az nincs e elrepedve. Onnan is észre lehet venni, hogy sok víz van kpe alatt.
Az 5mp kávélefolyás meg az 5mp darálás az nagyon kevés. Olyan 15mp kellene lenni mindkettőnek. Azért nem krémes a kávéd. Megnézem mindjárt a service manuált -nekem talea van azon lehet állítani a darálás idejét menüből- hátha tud ilyet az odea is. Ugye a daráló a legkisebb "pöttyre" van állítva?
Na lehet a tieden is állítani, ha nem optidose-os.
Bekapcs gomb+kávécsésze gomb egyszerre. Ha sikerül belépni akkor a négy led (zacc-piros felkiáltójel-vízkő-zöld felkiáltójel) óramutató járásával megegyezően fog "forogni". Namost. A kávéhosszúság gombbal tudod kiválasztani, hogy növelni vagy csökkenteni akarod a darálási időt, a gőz gombbal meg lépteted.. Maxra tekerve növeled, minre tekerve csökkented. 60tól 150ig tudod állítani 5-ös lépcsőkkel. 80-100 lenne a standard. Nekem is 100 v 110en van. Onnan tudod, hogy max/min-hez értél, hogy a gőz gomb nem villogni, hanem égni fog. Én úgy csináltam, hogy kávéhosszúság maxra, gőz gomb addig nyomogat míg elmúlik villogása a gombnak és egyfolytában világít. Na most vagy 150en. Kávéhosszúság minimumra. És innen mész lefelé 100ig a gőzgombbal. (10szer megnyomod a gőz gombot) ha megvagy kikapcs, bekapcs kávéfőzés.
Ez van, amikor egyetemről frissen kikerült imformatikusok azonnal (és élesben) kávéfőzőt kezdenek tervezni.
![]() Energia besorolásban van az A+ kategória, felhasználói és szerviz szempontból meg a B+.
Nincs ez rosszul kitalálva, hidd el. Ez csak egy plussz finomítás. Ha leírnám a deloghit hogy állítod a hajad felállna.
Még valami eszembe jutott. A zacc mennyire apróra van darálva? Mert lehet a darálón állítani kellene még finomabbra, de ahhoz szét kell kapni kicsit.
A daráló a legkisebb pöttyön van. Nem lehet a menübe lépni,az enyém újabb modell.A zacc szemre elég apró.
Nekem egy Gaggia Brera van, az olyan mint Saeco.
70 gr kávét darál amikor lefőzi a poginak egyben kell maradni és kb 25-27 mm vastag ha kellően finom az őrlemény
Az a 70 g kávé soknak tűnik.
Idézet: „egy csésze kávé készítéséhez 7-11 gramm kávéra van szükségünk” A Gaggia web-oldala szerint. A hozzászólás módosítva: Márc 31, 2020
Ennek a programját nem mostanában végzett informatikusok csinálták, hanem 15-20 éve programozták először, és mérnökök (azóta lehetett pár frissítése). Azért ilyen, mert ebben egy mikrovezérlő van. A mikrovezérlőben pedig minden porttal spórolni kell, nem is beszélve a memóriáról. Itt néhány kilobájtnyi memóriába kell beletenni a teljes programot, és jellemzően assemblyben programozták valószínűleg. Abban pedig mindent, az utolsó bitig külön-külön meg kell írni, nem nagyon lehet memóriafaló, kész megoldásokat használni, mint magasabb szintű nyelvekben, nagyobb memóriás eszközökre.
Cserébe viszont egy mikrovezérlős berendezést nagyon stabilra meg lehet csinálni, meg persze olcsó az alkatrészigénye is. Csak hát ilyen fapados lesz...
Mondanám, hogy vízkőtelenítsd, de sokkal jobb nem lesz. Keveset darál, az a baj. Esetleg még a kávécsatornát pucolnám ki.
Vízkőtelenítés volt,azóta meg vízlágyító párnát használok. A kávécsatorna is tisztítva. A daráló is szét volt szedve darabokra,tisztítva beállítva.Mégis keveset darál.
Még egy dolgot próbálj ki. Vedd visszább a örleményfinomságot eggyel. Mivel időre darál így több kávé fog jutni KPE-be. A második-harmadik kávét figyeld majd.
Ha optidose funkció van benne, akkor darálhat azért is keveset, mert valami miatt nagy a főmotor áramfelvétele, vagy a gép nagynak méri. A nagy áramfelvétel lehet motorhibából, valaminek a szorulásából (KPE), valamerre elszökő áramtól, vagy az árammérő sönt hibájából (vagy a mért feszültség szűrési hibájából), vagy ki tudja még miből...
Az optidose funkció úgy működik, hogy a darálómotor megy "valamennyi impulzusnyit", utána elkezdi a tömörítést. Közben méri a főmotor áramfelvételét. Ha a beállított kávé intenzitáshoz képest (1kávészem-től 3 kávészemig (mild-medium-strong)) túl sok a tömörítés végén az áramfelvétel, a következő főzésnél kevesebb impulzusnyit darál. (Ha kisebb az áramfelvétel, mint az elvárt, akkor több impulzusnyit darál. Így alkalmazkodik a kávé minőségéhez, darálási finomságához, hogy a darált kávé a 7g-10,5g-ig tartományban legyen. Lehet még az is, hogy a daráló impulzusait többnek érzékeli a hall elemes jeladó, és látszólag sokat darál. (Nekem a Talea Giroban pl. legyengült a zacctartály mágnese, és úgy érzékelte az ott lévő hall elem, mintha a tartály nem lenne a helyén.) A darálási időnek különben 8-10 másodpercig kellene tartania.
Üdvözlök mindenkit!
Egy Jura E10-es géppel kapcsolatban szeretnék segítséget kérni. Az utóbbi napokban a következő jelenséget produkálja a gép: Bekapcsolás után az első kávé lefőzésénél elindul a folyamat (darálás, tömörítés stb.) de csak néhány csepp folyadék jön ki a kifolyón, utána megjelenik a jobb alsó sarokban egy ikon aminek a képét csatoltam. A kezelési utasításban nem találtam információt arra, hogy mit jelenthet. Ilyenkor a gőzölő csapot kinyitom, néhány másodpercig jön a gőz aztán az ikon eltűnik és ismét lehet főzni, most már normál adag kávét ad. Mai reggel már kétszer kellett ezt megcsinálni, utána főzött csak rendesen. Szétszedtem a gépet de nem találtam semmi hibára utaló nyomot (folyás, égés, stb.). A kis csövek is tisztának tűntek, viszont ahogy így csináltam egy főzési ciklust, elég sok apró buborékot láttam mindegyik csőben. Légtelenítésre lenne szükség? A gép használtan lett véve kb. egy éve, azóta eddig hibátlanul működött és szabályosan volt szervizelve. Néhány hete csináltam rajta először vízkőtelenítést mert kérte a gép. Lehet ezzel van összefüggésben a jelenség? Előre is köszönöm a segítséget! Üdv: János
Szia. Elég sok a hiba lehetőség. Egyesével cserélgetni elég sok idő és pénz. Ki lehet mérni valahogy,pontosabban? Mikor megvettem,cseréltem a darálóban fogaskereket. Nyakon nem öntöttem,de megzsíroztam a fogaskereket,és a motor csigatengelyét is,és ha már szét volt szedve, a főmotor kerekeit is bezsíroztam. nem lehet,hogy a zsír lefogja? Ide való zsírral csináltam,nem csapágy zsírral.
|
Bejelentkezés
Hirdetés |





esetleg tudnál benne segiteni ? 




