Fórum témák
» Több friss téma |
Köszi a tippeket, ahogy a dolgok állnak (végleg kizártam hogy holmi paszta kiszáradás vagy a hőérzékelő okozza a bajt), tényleg kénytelen leszek beizzítani a pákát
Megírom amint jutottam valamire!
Nekem is rossz volt egy ipari 3,5Kw os lapom. Sok segítség után kiderült, hogy rossz az egyik 450V-os elkó. Csere után, megjelent az E3-as hibakód, de nem műkódótt! Újabb segítségek alapján diódák, majd elkók kiforrasztása, de semmi eredmény. Végül a ventillátor volt a hibás, zárlatos volt. Üj venti és egyből működött! Mielőtt nagyon nekiesnél a pákával, éedemes lenne a ventit letesztelni, a megadott egyenárammal, és polaritás helyesen!
Sziasztok.
Boltban kérdeztem TSV 1 ,,,2 Kérdezték milyen feszültségüt kérek. Foggalmam sincs. 2van sorba kötve. Marpedig fontos igbt védelem. Tudtok valami inföt erről ?
Akkor jöhetnek az elkók és a zénerek! Jó szórakozást!
Szia!
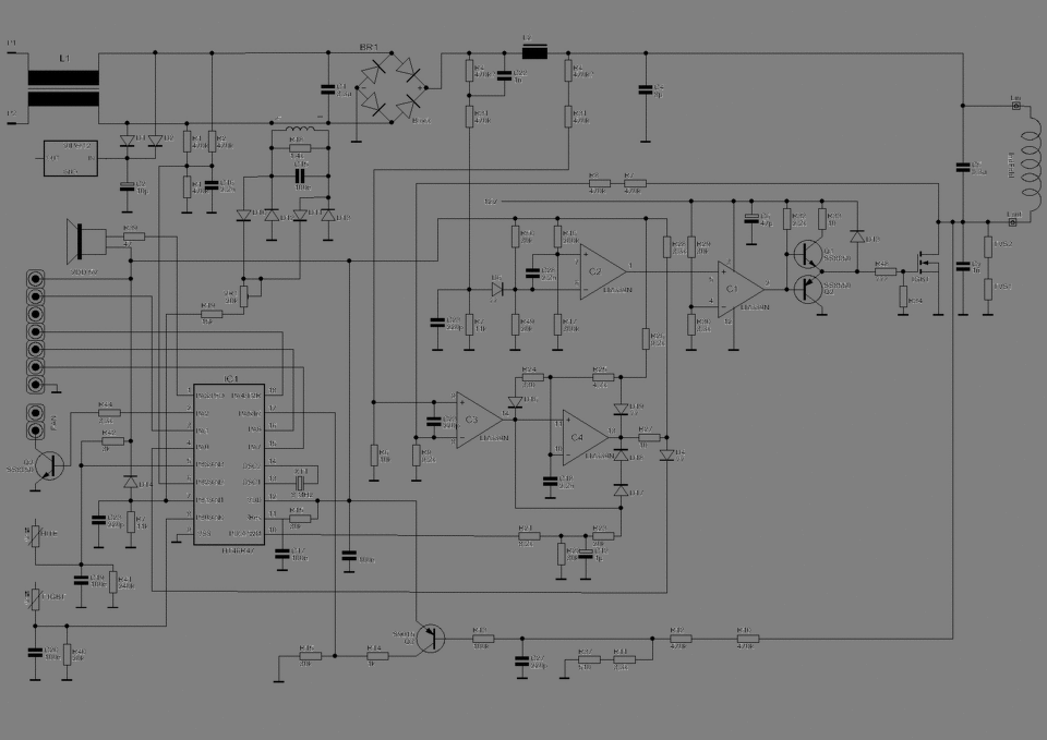
Kiguvadtak a szemeim, mire azonosítottam ezen a rajzon... de szerencsére gondoltam, hol lehetnek..- miért nem csak azt a pici részt csatoltad be és átírva a neveket? ![]() Nézd meg a fet vagy igbt adatlapját, mennyi az Ud vagy Uc max és menj az alá kicsit és osszad el 2-vel.
Sziasztok!
Whirlpool indukciós főzőlap (ACM847/BA) két lapja E47-es hibát ad.Nem találtam olyan leírást amelyik ezt a hibakódot pontosan beazonosítja. A segítségeteket előre is köszönöm.
Ismét volt időm bíbelődni vele.
Úgy fest megvan a hiba. Az 5 voltos regulátor rosszalkodik. (A panelon U204 jelű.) Nagyobb (>100mA) terhelésre jelentősen terheli az input-ját. Így leesik a feszkó az out-ján 4,3V alá is, amire már az interface újraindul. És gondolom a power board mikrokontrollerjei is. A hibás alkarész azonosítója: TS2938 (ebből az 5 voltos, SOP-8) Adatlap: Link Sajnos ilyet nem kapok. Helyette ezt néztem ki: BD50FC0 EFJ Adatlap: Link Lábkiosztásban, specifikációban hasonló. Szerintetek megfelel helyette? (Enable Vcc-re kötve) Vagy ötlet, hol szerezzem be az eredetit? Aliexpress inkább nem (sok idő, hamis is lehet) Esetleg jobb helyettesítő? Köszönöm! A hozzászólás módosítva: Júl 20, 2020
Sziasztok!
Van nekem egy 4 lapos beépített csodám, ami az utóbbi pár hétben, a legkisebb főzőlapján 10kHz környékén sípol amikor kávét főzök (igen, indukciósra való kotyogós). Ugyanúgy melegít, de hallhatóan sípol, meg 20kHz-n is amit már csak mérni tudok. De nem minden alkalommal sípol, csak gyakran. Aggódjak vagy nem ez öli meg? Kb. fél éves a gép.
Találtam egy pont megfelelő lábkiosztásút is a TS2938 helyett, csak ez nem kapható jelenleg TME-nél:
KF50BD (gyártó: ST) Adatlap: Link A hozzászólás módosítva: Júl 22, 2020
Üdv drága szakik.
Igbt meghajtása elvileg plusz minuszos tápegységgel illene meghajtani. Akkor tudom biztosítani a lrzárását. De eddigi rajzok, nagyrészt sima 12...18v közös negatívú kialakitásuak. Nem értem akkor ha építek magam melyik lenbe jobb.
Megjavult a főzőlapom
A hiba a szekunder oldali Feedback Zenerben volt. Tönkrement. És valószínűleg az 5V stab is.Itt a megoldás másik topikban.
Sziasztok!
Hálózati hiba miatt tönkrement a főzőlapom(tartószigetelő eltöréséből lett egy hálózati stobi.). A szervíz szerint is ez tette tönkre. tip: AEG ELektrolux 78031KF-MN A hiba nem kapcsol be E8-hibakód A szervíz cserélni akarta az egyik panelt és vezélőt, de elmondásuk alapján az új panel nem komunikál a régivel, így visszaküldték mondván az egész csere annyi mintha újat vennék. a démász a szakvélemény ellenére lerázta magáról a felelőséget. azt mondták ha nem értek egyet forduljak a fogy. védelemhez. Vírushelyzet miatt elmaradt. lehet mégis kellene de nemtudom tavasz óta ez aktuális tud -e lenni!? Tudnátok abban segíteni, hogy mégi javítható a panel? Meg honnan tudnék kapcsrajzot szerezni hozzá? Így nehéz hibát javítani. Az első panelnek a főáramköri relé nem húz be. A tranyó nem kap vezeérlést de a kr tápot kap Felcseréltem a két panelt látványra teljesen ua. csak van rajta egy átkötés és azt át tettem ennek megghúz a reléje de 3mp mulva elejt és kiírja az E8.at hogyan tovább? a segítségeget előre is köszönöm. István
Szia!
Az első mondatodat alátámaszthatnád képpel is ( 1.). Szervizesnek biztos érhető lehet így is, persze ők nem javítanak..- mi az a "stobi" pl., miféle hálózati hiba miatt tört el az a szigetelő? Pár képet (2., 3., 4...) még felrakhatnál a panelekről is, hátha ismerős valakinek. Ez is sötét egyelőre: "...A tranyó nem kap vezeérlést de a kr tápot kap" - mégis mitől nem kap és mi az a "kr"? KR relé, vagy mi?
Bocsi most olvasva, tényleg nem egyértelmű.
Ahálózati hiba az oszlopszigetelőeltört és a vezeték a szél miatt testre csapódott sroboszkóphatású feszlökéseket okozva. A főáramkör reléje nem húz meg, de vezérlő kőr kap 5v-ot, csak vlmiért nem kapcsol a tranzisztor ez a kérdés miért?
A relén nem látom, 5 voltos-e vagy milyen. Találd meg a gnd-t és ahhoz képest azonosítsd, megvan-e a neki megfelelő tápfesz - mivel nem húz, bármelyik tekercs kivezetésen mérheted.
Ha megvan, akkor a tranyó bázisát mérd meg a gnd-hez képest van-e 0.6-0.7 volt - ha nincs, nem is fog húzni. Utána jönne a keresés, honnan kap vezérlést, melyik smd ic-től, stb... Az, hogy a zárlattól még mi mehetett tönkre a főkörben, csak hosszabb méricskélés mutathatja meg. A panelcserés témát gondold át és közben szintén mérjél, legalább a graetz kap-e 230-at, kijön-e a dc és az egyik 5 µF-on megvan-e a 3 sec-ig a 320 volt környéke.
Az 5 µF lehet 6.8 vagy 8 is, típusfüggő.
Szia! Mint picit fentebb olvashattad, nekem most javult meg a főzőlapom, hála @ferci-nek. Így most van némi friss tapasztalatom, de nincs elektronikai végzettségem.
Nagyon hasonló a tiédhez, képe csatolva. Nekem AEG. Az enyémen a relé tekercse 12 Voltos (30A-t kapcsol), bár nem ilyen kis fekete, hanem nagyobb fehér. A táp kimenetén kétféle feszültség kell legyen a Schottky diódák után, egy DC ~6,3V és egy DC ~14,3V. Nekem utóbbi hajtja meg a relét is, egyéb félvezetőkön keresztül. A relét emlékeim szerint a kisebbik mikrokontroller vezérli. A táp áramkör kapcsolási rajzát megtalálod fenti linkemet követve. Az E8 hiba jelentése, hogy az interface nem tud kommunikálni a power board-dal (PB). Ezt neked mindkét PB-ra kiírja, vagy csak az egyikre? Ilyenkor E betű van a megfelelő oldalon. Amíg ez a hibád megvan, addig meg sem próbálja a relét kapcsolni. 3 panelból áll a készülék. A bal PB, a jobb PB és az interface (IF), amit érintgetsz. A kis átkötés arra való, hogy arról a panelról kap 5 Voltot az IF, amelyiken rajta van az átkötés. Ha a mikrokontroller kiment, akkor baj van. Nekem Renesas kontrollerek vannak (az egész főzőlapban 5 darab), melyeken a speci szerint tiltható a program kiolvasása. Szerintem ezt le is tiltotta a gyár. A te lapodról az enyémhez képest sok helyen kispórolták a biztonsági kondenzátorokat, pedig a helyét látom (a kis kék tárcsa kondik). Ez is lehet oka, hogy elszállt.Próbáld meg csak az egyik, majd csak a másik PB-ról bekapcsolni az IF-t. Átrakva az átkötést. Üzem közben szállt el a főzőlap, vagy nem volt bekapcsolva? Hogyan kell megoldani, hogy kapjak innen a fórumról email értesítést az új hozzászólásokról? Elvileg mindent bekapcsoltam. A fórumnak is írtam, de nem reagált. A hozzászólás módosítva: Aug 24, 2020
Talán az adatlapodon alul, kapcsold be az összes "e-mal......" kérdést... ha mégsem működik, akkor ennyi..
Üdv Mindenkinek!
Megmértem a segéd tápot mindkét panelen megvan az 5v(5,05) és 14v(13,98) IGBT-k nem zárlatosak, kondik mérve jók. A reléhez menő táp 12v megvan. A kijelzők 5v-ja megvan mindkét oldalnál, az átkötés valóban a tápot adja a kijelzőnek Az a panel amire mondtam, hogy nem húz a reléje (1.) ebbe volt dugva a R kijelző ezen van a bekapcsoló gomb a másikba (2.) a L kijelző és term össze van kötve a két panel hogy a két kijelző kommunikáljon gondolom. Ha 2. panelben van az R bekapcsolásra meghúz a relé, 2 0-át mutat a kijelö egy rövid ideig és elalszik a relé elenged kb 3-5mp után. Ha a következőleg megnyomom a bekapcsoló gombot felvillan az E8 és a két E azR kijelzőn a másik nem jelez semmit. Ha átdugom a 1. panelba, bekapcsolom a kijelző 2 0-át mutat egy rövid ideig de a relé nem húz. ugyanúgy viselkedik a következő bekapcsolásra mint az előző panelnél. Viszont ha a 2. panelből kihúzom az kijelzőt és így ismétlem meg, akkor a bekapcsoló gombra behúz a relé!!! és elenged és a következő megnyomásra a kijelző E1-et ír és két e-t, ha mégegyszer megnyomom már csak E8 és Két E érdekes!
Ja kimaradt!
A két panelen mértem azIGBT-k tápját is a kettesen mindkettő 19v az egyesen az egyik 17v a másik 23v és itt nem húz a relé alapból
Az én főzőlapomhoz csak egy vezérlő (Interface-IF) van. Onnan lehet mindent vezérelni. Nekem ha bekapcsolom, akkor a bal panel reléje húz meg bekapcsolás után 1-2 másodperccel, a jobb nem. Elindul a bal ventillátor is. Ha nem nyomok semmit, akkor kb. 5 mp múlva kikapcsol az egész, relé elenged. A jobb panel reléje csak akkor húz meg, ha a jobb oldalon indítom az egyik zónát.
Ha csak áram alá helyezem a főzőlapot, akkor nem húz relé, csak a számkijelzőkön végigfut egy kijelzés. Az E8 hibát a tesztjeim során nekem is csak később detektálta. Nem rögtön, amint áramot kapott az egész főzőlap. Az E1 hibakód jelentése: Compatibility failure. Javaslat: Interface csere Hibakódok innen: Bővebben: Link Próbáld ki, hogy csak az egyik PB-ot összekötöd mindkét IF-szel. Az összekötő vezetékeket kötheted bárhova, csak a polaritásra figyelj, ha nincs kódolva a dugalj vagy a dugasz. Ilyenkor E8 hibád lesz a nem bekötött panelra. De ha a zónát el tudod indítani, melegíti az edényt, akkor ez a PB jó, és az IF-ek is jók talán. Ugyanez a próba a másik PB-dal. Az átkötés ugyebár a tesztelt PB-on legyen. Az ne zavarjon meg, hogy ha nem az eredeti helyén van az átkötés, hanem a másik PB-on, akkor fordítva lesz a kijelzés, balra jelzi a jobb PB-ot, és fordítva. 1.-es panelnak jelölöd a jobb oldali PB-ot, amihez a jobb (R-right) kijelző van kötve, ugye? Kép csatolva az IF-edről. (kérlek a mondataid válaszd el írásjelekkel, nagy kezdőbetűkkel, a könnyebb olvasást segítve )
Sziasztok. Segitséget szeretnék kérni.
Adott egy elektrolux indukciós főzőlap. Az egyik ismerősömnél volt. Most született gyerekük. A házfelújítás közbe a Villanyszerelő szaki kiadta rá a 400 v - ot. Nagy durranás és behalt a szerkezet. A betáp részen megégett mind a kettő panel. Nulla és fázis betápnál hiányzik is belőle 0.5, 0.5 cm mind a két panelon. A folytonossági hibákat javitottan. Az áramköröket lemértem nincs zárlatba semmi. A főzlapot próbáltam indítani de nem indul. Tud valaki javaslatot mit nézzek át még?
Segédtáp van? Ha igen, ki kell venni az IGBT-ket és tesztelni. Nemcsak zárlat lehet, hanem szakadás is.
Először itt az első bekezdésben levőt ellenőrizd (ahogy erbe is írja), megvan-e a két kisfeszültség a táp kimenetén: https://www.hobbielektronika.hu/forum/topic_post_2376758.html#2376758
A hűtőbordán nem volt hőszenzor? Indulni a lap csak az interface-szel fog. Legalább az egyik lapot össze kell vele kötni. Ekkora túlfesznél a védelmi varisztorok nem mentek zárlatba? A hozzászólás módosítva: Okt 29, 2020
Átnéztem a panelt amit kellet cseréltem és javitottam. Már elindul csak van vele gond. Hogy miért csinálja nem jöttem rá. Ha fesz alá teszem elindul ellenőriz utána rendesen készenlétre kapcsol. Ha bekapcsolom hogy megjelenjenek a kijelzőn a számok egy pár pillanatig minden ok utána elkezd ki be kaocsolni. Hallani a két relét folyamatisan kb 5 másodoercenként kattan. A kijelző is elalszik majd visszagyullad.
A hozzászólás módosítva: Okt 29, 2020
Újra is indul a panel, vagy csak kialszik a kijelző majd visszagyullad?
Panelonként egy relé van. Nekem a bal panelon bekapcsoláskor meghúz. Ha a bal panelon kapcsolok be főzőzónát, akkor csak a bal relé marad meghúzva. A jobb nem húz meg, csak ha a jobb panelon is bekapcsolok legalább egy főzőzónát. A relét a panelon levő egyik mikrokontroller vezérli. Ez meg kommunikál az interfésszel. A főzőzóna elindul, melegít? Még azt megírnád, miket cseréltél ki? Kíváncsi lennék ilyenkor mi száll el! A hozzászólás módosítva: Okt 29, 2020
|
Bejelentkezés
Hirdetés |








(a kis kék tárcsa kondik). Ez is lehet oka, hogy elszállt.






