Fórum témák
» Több friss téma |
A klónok CH340 Soros-USB illesztőjének drivere (Letöltés)
Igen, de lerajzolnád az elképzelésed?
Egy kis türelem és papírra fejtem.
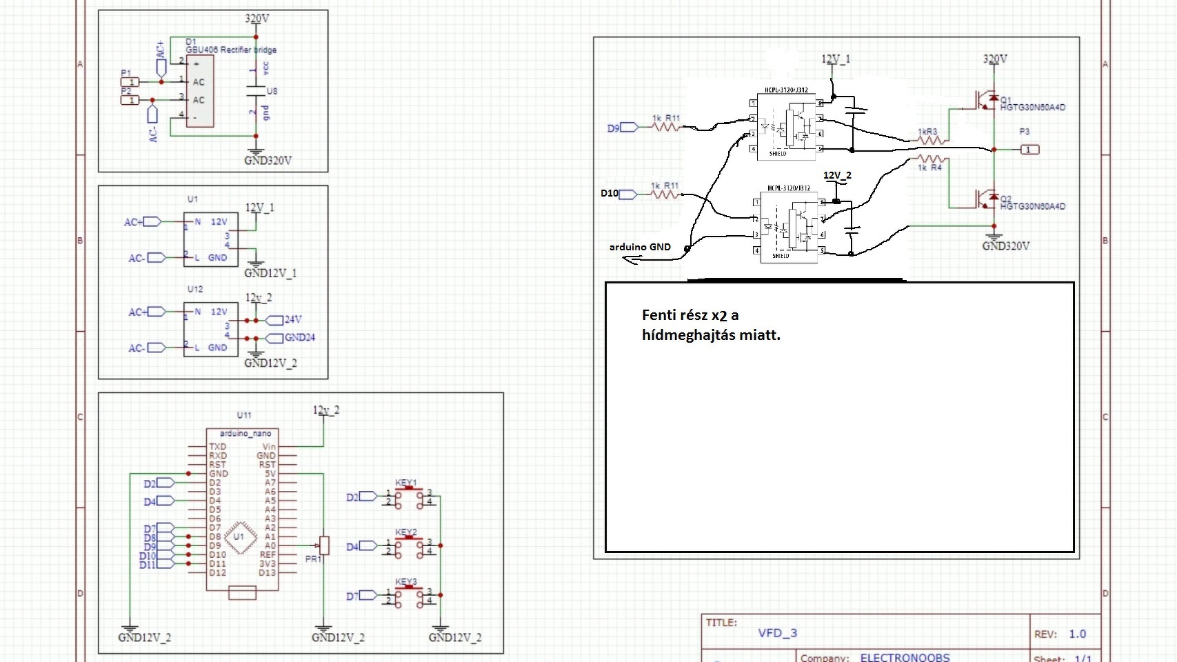
Így képzeltem el, annyi odaírtam a képre hogy a végrészből x4 mivel 4 IGBT-t hajtok.
A kód az marad a már korábban megbeszélt.
Ó jajj. Nem is tudom hogy kezdjem de teljesen hibás. Minden igbt nek kell egy optocsatoló, és minden optocsatolónak külön 15v os dcdc konverter, a felső oldalinak a negativja nem földön van.
A hozzászólás módosítva: Nov 29, 2020
A meghajtóba integrált az opto, akkor minek külön?
Igaz bocsi azt rosszul jelöltem ahol az optodióda megy az az arduino testpontjára csatlakozik, értelemszerűen a másik oldal a nagyfeszültségű rész testjén van.
Szerinted? A felső oldali IGBT emittere 0 és 300 Volt között megy le fel, és ehhez képest 0 15 V tal kell kapcsolgatni az emitter gate között az igbt-t.
Igaz bocsi most látom a felső hídnál a driver chip GND-je a híd közepe, és még egy driver kell oda (mivel 2 IGBT van a képen), jó ezt elrajzoltam, javítom.
Valahogy így lesz az igazi.
Valahogy igy, a dcdc konvertert kapsz a ret kft nél is, de jobb elkésziteni egy e20 meretű ferrit trafón a flyback konvertereket, a ket hidághoz 3 független kell, arra is figyelni kell hogy a primer és szekunder között minél kisebb szórt kapacitás legyen.
De oda gondolom galvanikusan elválasztott DC-DC kell igaz? Bár akkor már 4 tápmodul,vagy egyből egy olyan kapcsoló üzemű táp ami 4x15V-ot ad.
Nem tudom ilyen lehe-e kapni készen, a flyback konverterrel megoldható hogy egy transzformátoron 4 szekunder tekercs van de akkor meg azoknak az egymás közötti csatolt kapacitása is okozhat gondot ekkora feszültségen.
Bővebben: DC/DC Talán ez jó 12V kell a bemeneten és 15V a kimenet, igaz csak 1000V az átütési feszültsége. A hozzászólás módosítva: Nov 29, 2020
Akkor lényegében 1db 12V-os táp amivel 4 ilyet táplálok amik a külön köröket vezérlik?
Igen, de elég 3 is mert az alsó oldali IGBT-k negatívja közös. Ezt a megoldást alkalmazzák ipari inverterekben is, a két tranzisztor azért van az opto előtt hogy ha a kontroller mindkét kimenetét H szintre állítja valami lefagyás stb. miatt, akkor ne keletkezzen rövidzár mert ilyenkor egymásra nyitnak az igbt-k.
Értem, akkor vásárolok hozzá 3 tápot még aztán folytatás következik.
(Őszintén rengeteget szívok vele, de nagyon örülök neki hogy valami újat tanulok.) Ma kaptam pl. A mitsubishi chipekből is ez PS22056 nevű direkt 3 fázisú tömb frekiváltó chip, de ezt majd később áttanulmányozom, ez kicsit bonyolultabb.
Néztem az adatlapokat, RO12-15 helyett jobb lenne az RP12-15S mert az alkalmasabb hálózati feszültség leválasztására 2kV AC-t tud és kisebb a kapacitása a két kör között.
A hozzászólás módosítva: Nov 29, 2020
Nem probléma még nem rendeltem, majd jövő héten fogom megrendelni csak.
1 darab tápról is meg oldható. Csak a felső driverek 1-1 diódán keresztül kapják a tápot (pl. :ES1J).
Gate ellenállásnak nagyon sok az 1k. A gate kisütését lehet gyorsítani diódával.
Tehát akkor elvileg 1x15V is elég lehet?
Diódának gondolom valami ultragyors kell /mondjuk UF4007 is jó lehet?) Az gondolom nem baj ha mind a 4 ic tápja elé rakok, így akkor mindenhol egyforma lesz a diódák miatti feszültség esés. Igen azt tudom, oda ha jól rémlik valami 22ohm körüli érték kell, és visszafele az ic-nek nézően egy dióda ami a lehúzást segíti?
Tulajdonképpen ugyanaz mint az IR2... IC-nél.
Üdvözlet !
Van valakinek tapasztalata az arduino mini (vagy pro mini) lelkivilágával kapcsolatban? A gondom az vele hogy nem hagyja magát programozni arduino IDE alól. Természetesen a mini és az usb soros átalakító is kínai (ft232). (Az usb soros átalakító hibátlanul írja pl az esp8266F modult. Tehát valószínű hogy működik.) A neten található leírásokat végig nézegettem és kipróbáltam de akkor sem hagyja magát. Alaphelyzetben a minin futott egy feltöltött blink ami a mini működését is igazolni látszik. Lehet hogy a bootloadert kéne újra ínom? Vagy mit nem csinálok jól?
Sehogy nem lesz elég 1 x 15V. A felső tranzisztoroknak teljesen különálló (leválasztott) tápfeszültség kell. Az IGBT Gate elektródáját az Emitterhez képest kell 12-15 V-ra emelni. Mindegy hova és milyen diódát teszel, a feltétel nem fog teljesülni.
Akkor a felső kettő IGBT-nek és az alsó kettőnek lehet azonos tápja nem?
A felső IGBT-knek akkor lehet közös a tápja, ha P csatornás IGBT-t használsz felül. Ekkor persze a vezérlését is invertálni kell.
Három tápegység fog kelleni (a két emittert sem kötheted össze), lásd melléklet. A negyedik az Arduino tápegysége.
U1 - U4 teljesen más típusú meghajtó, ez ne zavarjon meg, olyat nem találtam az alkatrészlistában, mint amilyet te használsz. Semmilyen zavarszűrés sincs a rendszerben. Az elv a lényeg.
Köszönöm, akkor maradok a táp DC-DC -k megrendelése mellett.
Az adatlapját nézd át alaposan, 1000 V szigetelési feszültség alattit ne vegyél!
400V felett szinte nem gyártanak P csatornás FET-et, a RET nél egy fajta kapható MOSFET, 500 V 2 A, IGBT egyáltalán nincsen P típusú, nem gyártanak elméletileg lehetne de nincsen
Ez nem azon múlik, hogy mini, vagy más. Valószínűleg nincs rajta bootloader, vagy ha van, az valami más, mint a szokásos optiboot. Próbáltál reset gombot gyomni programozás induláskor? Lehet, hogy a programozód nem jól adja ki, vagy a mini reset áramköre nem hagyja magát olyan könnyen.
Már nyomtam mindent IS . Akkor megpróbálom újra írni a bootloadert. Ehhez van egy AVRISP mkII készülékem. remélem jobb lesz.
|
Bejelentkezés
Hirdetés |








(Az usb soros átalakító hibátlanul írja pl az 





