Fórum témák
» Több friss téma |
Sziasztok, beszereztem végül a 15pF kondikat és beépítettem. Működik, sőt: az egyiket nem módosítottam így össze tudtam hasonlítani és jobb a vétel, találok olyan adót, amit a másik észre sem vesz (most még Pesten vannak a Danskok, de majd vidéken is kipróbálom, inkább ott lesz jelentősége). A lényeg, hogy tudom ajánlani ezt a módosítást is!
Másik: sikerült beoperálnom a helipoti, így kb 2x annyi a tekerőút, így kellemesebb a hangolás. Sajnos később tudtam csak levenni a tekerőgombot, így már látom, hogy felezett tengelyvégűt kell majd rendelnem vagy ehhez találni egy hasonló gombot... Üdv
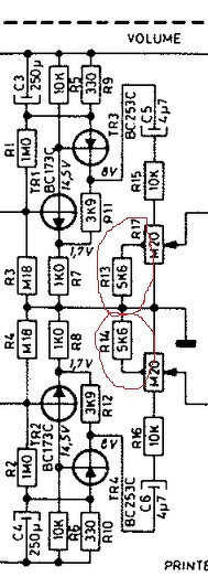
Sziasztok, a hangerő potinál mi a lényege annak a középleágazásnak? Bekarikáztam a képen.
Szevasz!
Próbáltam visszakeresni,de nem találtam meg,hogy hova is kellene a 15pF kondikat berakni? eccerű halandó is elboldogul vele? Nekem fontos volna hogy érzékenyebb legyen a rádióm,mert vidéken lakom..és Tilost hallgatok,ami ritka gyenge. Köszike
Logaritmizálás?
Üdv, az FM tunerbe kell beépíteni 1 tranzisztort, 3 ellenállást és 2 kondenzátort :
azaz nem egyszerűen egy kondi, de halandó is meg tudja oldani ha nekem is sikerült ![]() ez a rajz: https://www.hobbielektronika.hu/forum/topic_post_2384835.html#2384835 ami nem látszik rendesen: 200kOhm és 3.9nF, tranyónak nálam BF199 lett beépítve, a maradék alkatelemek (15pF és 2db 2.2Kohm-os ellenállások, ezek olvashatóak) ilyen a tuner szétszedve: https://www.hobbielektronika.hu/forum/topic_post_2385645.html#2385645 ilyen a tunerbe beépítve: https://www.hobbielektronika.hu/forum/topic_post_2387334.html#2387334
A potit kimérve az eleve logaritmikus.
Ez olyan mint egy leágazás, kimérve 33Kohm-nál van kivezetve. A poti 200K-s. Akkor igazából ezt az alsó 33K-s szakaszt söntöli és nyilván valamilyen módon torzítja is a karakterisztikát, csak nem tudom miért vagy minek vagy ... Próbálnám kiváltani a potit, de ha ez egy fontos valami, akkor ezt is bele kell kalkulálnom.
ok..köszi..majd megpróbáom
A hozzászólás módosítva: Okt 20, 2020
OK, ha nagyon nem megy, akkor ezt ki lehet venni egyben (nem nagy) és elpostázható külön (és olcsón), megoldjuk valahogy.
Üdv, megérkezett a relés védelem:
https://www.banggood.com/UPC1237-Dual-Channel-Speaker-Power-Amplifi...use=CN Ha megosztanád a kiszámolt ellenállásértékeidet azt megköszönném, ill, hogy melyik tápfeszekre kötötted pontosan. Nekem annyi a külnönbség, hogy a relék 12V-osak, ezt is átszámolom majd.
Köszönöm a segítségeteket!!!!
Sikerült a"nagy álom",most már a helyén,megérte a törődést.
Bővebben: Link
4. kép
Köszi, akkor a rajz szerint kötötted és számoltad: UAC: kb. 25VAC, Utáp: kb. 34VDC.
Én inkább kb. 22-23V UAC / 30-32V VDC-VEL számoltam, mert a hálózati trafót direktbe 240V AC-ra kötöttem be: (kellett a hely az uPC1237 védelemnek, így azt a bazi nagy feszültség átkapcsolót kitermeltem a rendszerből) R4-13k; R8- 10k és R6- 330 Ohm, de 24V/1000 Ohm relénél.
Ez nem látszik a leírásban: Figyelem! -A „fentebb” közölt ellenállás táblázatok csak ajánlások! Az itt látható két adatlapi diagram alapján készítettem őket. -Az ellenállások (R4,R8) választásnál mindig a kiválasztott pontos értékhez legközelebb lévő, kisebb szabványos értéket válasszuk! -R6-ot a képlet alapján számoljuk és itt is a pontos értékhez legközelebb levő, kisebb szabványos értéket válasszuk! -C7 növelésével pl: 47…100uF, növekedni fog a relé késleltetési ideje! Az időértéket a fenti képlettel számolhatjuk mindent SI-be helyettesítve. - C3 beépítésével „baj” esetén csak az áramkör ki és bekapcsolásával lehet aktívvá tenni a védelmet, tehát „resetelni” kell, addig nem fog behúzni a relé! C3 rövidre zárásának az IC egyes lábhoz tartozó áramvédelemnél van jelentősége. - C1, C2 értéke lehet 470µF is. C1, C2 helyett lehet 1 db 330µF-os bipoláris kondenzátor is. Szükség esetén nem kell 2db kondenzátor elég egy 330µF-os elkó is. A tesztek során úgy is működött a védelem. A két negatív sarkaival szembefordított kondenzátor, vagy a bipoláris kondenzátor biztonsági okok miatt jobb megoldás, ugyanis szimmetrikus táp esetén a végfok kimenetére negatív táp is kikerülhet és ez a kondenzátor pozitív kivezetésére kerül, amit az nem sokáig tolerál. -A kondenzátorok feszültségértékét nem érdemes az Utáp értékénél nagyobbra választani! Pl: 60V esetén C3,C4,C7 63V-osak legyenek! Ezekre egyébként ennél jóval kevesebb feszültség jut, C1,C2-őt is elég 25-35V-osra választani, itt is jóval kevesebb a valódi feszültség. -A relé ellenállás értéke ne legyen 500 Ω-nál kisebb!!! A relé kapcsoló felületei lehetőség szerint legyenek nagyok és oxidmentesek. (Min. 5Ampert tudjon kapcsolni) -Az ellenállások 0,5-0,6W-osak! Ha a relé ellenállása 500…800Ω –os, R6 teljesítményét minimum 1W-osra növeljük. -R4-et az erősítő transzformátorának egyik szekunder ágára kell kötni. Aszimmetrikus transzformátornál mindegy, hogy melyikre kötjük a kettőből, szimmetrikus transzformátornál a középkivezetést kivéve a másik kettő egyikéhez kell kötni, mindegy, hogy melyikhez. -A kapcsolás külön tápegységről is működtethető, ebben az esetben az erősítő tápegységének GND-jét össze kell kötni a védelem GND-jével. A hozzászólás módosítva: Okt 21, 2020
Siker, köszi!
Ami nem tetszik, hogy a 12V-os relé miatt nagy fesz esik az R8-on (itt írja is, hogy minimum 1W-os kell, nálam 1.2W-ot számolok, 3db 1K-s ellenállást tettem párhuzamosan emiatt csak félek, hogy hosszabb távon pl. kifűti a forrasztást vagy hasonló). - vagy a relét kellene cserélni pl 24V-osra (csak ugye pont azért vettem ezt, mert nagyon olcsó volt és másik 2 relé vetekedne az egész árával ?- vagy kivezetem az ellenállást hogy ne a panel magasságában fűtsön? - vagy egy stabilizátorral lecsökkentem a feszt, szintén távolabb a paneltő? Esetleg egyéb ötletek? Most ugrott be, hogy esetleg sorba is köthetném a reléket?! A hozzászólás módosítva: Okt 22, 2020
Végül a sorba kötött reléket próbáltam ki és bevált, nincs melegedés sehol. Elég ronda, mert csak megemeltem a relét, hogy kivezethessem a tekercset a próbához, de valszeg így is marad. A felfogatáson még finomítok, hogy legyen valami derékszög benne
![]() Most vidéken vagyok a rádióval együtt 50km-re Budapest közepétől északra, ha van valami frekvencia kívánság, amit próbáljak befogni, akkor jelezzétek (a tranyóval erősített FM tuner van benne). Üdv
Mondjuk Tilos Rádió...90,3Mhz
Egy műszerzsinór most az antenna és befogható a Tilos, sistereg valamennyire. Holnap keresek egy jobb antennát...
http://radiomap.eu/hu/budapest A Mária is bejön ami előtte van kettővel, ugyanonnan adják, lehet a teljesítményben van különbség, mert az jobban vehető.
Pontosítom az adótól (Citadella) a távolságot: kb. 38 Km. északra.
Nos, egy jobb antennával jobb a vétel egy kicsit, számomra max. mono-ban hallgatható és pici sistergés is van, nagy csodák nincsenek.
Talán itt még annyival rosszabb a helyzet, hogy útban van a Visegrádi-hegység, sík irányban lehet jobb a terjedés.
Sziasztok, végre véglegesnek tekintem (még vadászok egy szebb hangológombra) az egyik Dansk-ot (elfoglalta helyét a monitor alatt
:Megkapta az ajánlott módosításokat: - primer oldali biztosíték - AFC kondi pótlás - TR4 csere - összes elkó cseréje - végfokok teljes módosítása plusz: - FM tuner tranzisztoros erősítése - állomáskereső potméter helipotira (sokfordulatos) cserélése - relés hangszóróvédelem amit még nem mertem kipróbálni: - a 3F Dansk matrica leszedése, hátha alatta lenne a Tungsram logó ![]() Nélkületek ez nem jöhetett volna létre, köszönöm!
Szia!
Ha megnézed súrlófényben, bizonyos szögből látszik a matricán az átdomborodó Tungsram felirat. Az enyémen kopott volt a matrica, ezért egész jól látható.
Köszi az ötletet: SIKER
Végre nem kell álnéven bujkálnia
Errefelé is leárnyékolja az adót a Hármashatárhegy,és kb 26km-re lakom a citadellától de itt most szintén csak monoban hallgatható a Tilos,így nagy reményeim vannak..köszi hogy kipróbáltad!
Biztos, hogy javulni fog a tranyótól. Utána még az antenna oldalon is lehet javítani ha kevés lenne.
Beiktattam egy antennaerősítőt a külső antennámhoz és így a szlovák adók elnyomják a Tilos-t is. Azaz ha majd az antennánál próbálsz erősíteni, akkor valami irányérzékennyel próbáld inkább.
A primer oldalon milyen értékű biztosíték a nyerő? Mert nálam van úgy, hogy a N800 / 250V-ost is 'ellövi' a Dansk, sőt a több Dansk esetében is előfordul(t) bekapcsoláskor...Mondjuk az biztos, hogy nem mai széria a berakott olvadó biztosítotték sem, nem tudom, hogy az évek alatti oxidáció, vagy meg egyéb öregedés ezeknél számít-e...
Így most már N1,25 / 250V-nál tartok, mert ilyenem még van egy 100-as zacsival...
Üdv, nekem nem volt a fentebb ajánlott 500mA-es, így egy T1A-erest tettem bele, még bírja. Szerintem 'szinte mindegy' milyen, mert ha valóban primer zárlat lenne a trafóban, akkor az eddigi semmihez képest bármi jó. A T-s lassú, ami esetleg a bekapcsolási hirtelen áramlöketet tolerálja.
Na nekiálltam a sajátomat is rendbe tenni...Jelenség: a diódás bemenetválasztó egy bizonyos szint után (nem mértem, de szerintem 150-200 mV bemeneti szint után) valamiért vágja a szinusz jel negatív hullám csúcsát...A diódák előtt tökéletes a szinusz, de a hangerő/hangszín bemenetére már a vágott jel kerül. Az egyenfeszültségeket mértem, azok jónak tűnnek. Van két kapcsolási rajzom is a Danskhoz, az egyikben 47k/100k, a másik szerint 47k/10k 'feszíti' a diódákat. A panelon nálam a 47k/100k páros van. Minden bemenetnél ez a helyzet, így valami közös ponton lehet a bibi...?...
A hozzászólás módosítva: Nov 4, 2020
Üdv, megnézve a rajzot mégis a diódákat tippelném, mert más lehetőség nincs. Füllel a hangon is hallható ez a vágás? Melyik az a 47K/10K rjaz, csak olyan rajzom van, amin a 47K/M10 páros van?
Igen, sajnos hallani a kimeneteken is, ezért is kezdtem el keresni, hogy hol a bibi. Szkópon szépen látszik is a vágás. Mindjárt rakok rá hangfrekvenciás szintmérőt és pontosan megmérem, hogy hány mV-nál kezdődik a vágás. Rajz csatolva!
|
Bejelentkezés
Hirdetés |















Így most már N1,25 / 250V-nál tartok, mert ilyenem még van egy 100-as zacsival...





