Fórum témák
» Több friss téma |
Mielőtt kérdezel, a következő két dolgot ellenőrizd!
I. A helyes tápfeszültségek megléte.
II. A kimeneten van-e egyenfeszültség.
Élesztés.
Ha csak az a cél, hogy pendrive-ről tudj zenét hallgatni, arra nekem nagyon jól bevált egy Ilyen egység.
Bár az adatlap nem említi, támogatja a FLAC formátumot is. Ez azért nem utolsó.
Szia Béla!
Hát nem tudom miért hagyjam benne a NYÁK-ot? Ami nekem kell az az előlapon van. Csak 5V-ot kell adnom neki és lényegében kapok egy hasonló MP3 modult, ailyet Alkotó ajánlott. Az IC-n még +4-es szemüveggel sem láttam feliratot. A TDA7377-ről az alábbiakat találtam.
Szia Reloop!
Az Akais projektet egy döglött Sony CD lejátszó dobozába építem be, tehát van hely nagyobb végfokoknak is. Nem ragaszkodok a kicsi panelmérethez. A lényeg az hogy 4db 8 Ohmos dobozt meg tudjak hajtani csatornánként kb. 20-30W-tal. A Demóról meg azért gondoltam hogy erősítő mert a képen látható 2-2 vezetékcsonk 1-1 60W/4 Ohmos Philips hangszóróra ment.
Szia Alkotó!
Olyanom is van, az egy aktív dobozba lesz beépítve. Bluetooth-os, tehát telefonról is lehet nyomatni.
Szia! A 7377 felirat ezen a képen látszik. Legalábbis a monitoromon egyértelműen kivehető.
Mielőtt nagyobb átalakításba fognál, próbáld ki a híd-kapcsolást! Az általad feltett ábrán látszik, hogy a csatoló kondi értékét kell dupláznod, a bemenetek a rajz szerint összekötnöd és áthelyezned a hangszó bekötését. A híd kimenet 4 Ω-mal terhelhető, tehát két 8 Ω-os hangszórót párhuzamosan köthetsz. Ezzel 30 W feletti összteljesítményt vehetsz ki az erősítőből, ami négyszerese a korábbinak. Ebben az aktív mélysugárzóban is ezt használom teljes megelégedéssel. A somik 4 Ω-osak. Az Akaiban valószínűleg lesz egy polaritásvédő dióda amit célszerű átkötnöd, mert egyrészt nem bírná a terhelést, másrészt veszteség és az IC mögé feltétlen hűtőbordát raknék Bővebben: Link.
Szia!
Klassz ládát csináltál, hihetetlen hogy ez a kis vakarcs meg tudja mozgatni. Most így hűtőborda nélkül összesen 10W-ot sem néznék ki belőle. Bordával azért majd izmosabbnak fog látszani. Na jó, rábeszéltél. Megpróbálom hídban. Lehet hogy ma nem lesz rá időm, meg nem biztos hogy van itthon 10-12V körüli trafóm 2mm-es szekunderrel. Mennyi lehet az áramfelvétele?
A tápot 5 A-re méretezd! A terheletlen feszültség ne legyen több 16 V-nál. A végfok IC ugyan bírná de az 5 V-os stabilizátornak nagyon melege lenne. Az elé amúgy L7808-at szoktam beiktatni, ami hűlhet a készülék házán.
Szia!
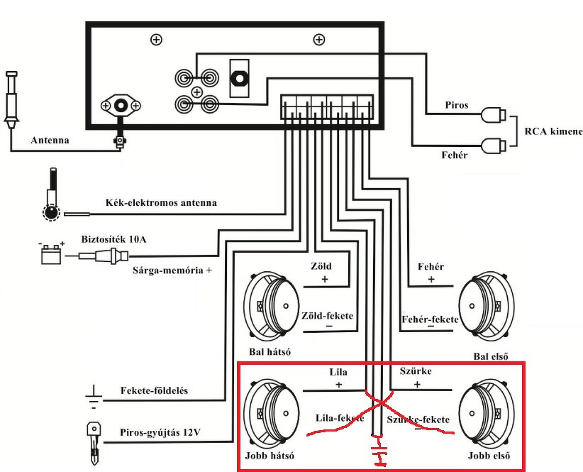
Ha jól látom a négy hangszóró kimenethez kettő darab 1000µF van a TDA mellett. Ezt úgy próbálom értelmezni, hogy a végfok mind a négy kimenete ki van vezetve, és a hangszórók hideg (nem feltétlen mínusz) pontja pedig az 1000µF-okon keresztül csatlakozik a GND-re. Az IC négy csatornájából kettő invertáló, így alapból jelen van a hidalt kimenet. Tehát semmit sem kell forrasztani, csak a megfelelő pontokra kell csatlakozni a hangsugárzókkal.
Pontos!
Szerk.: valószínűleg elég a kollégának a Federt középre állítania a próbához. A hozzászólás módosítva: Okt 25, 2020
Sziasztok Tisztelt Fórumtársak!
Segítséget kérnék, kezeim közé került, eg Deton A-250 végfok. Működik, csak egy két apróságot kell rajta megjavítanom. A kimenti XLR és bemeneti Jack csatlakozókat kell cserélnem, továbbá, a panelon egy két forrasztás elengedett, a bementi részeken. De van két 5 wattos ellenállás, ami feltünően melegszik, illetve a ventillátorok körébe szerintem utólag be lett kötve két-két ellenállás. Ezeket szeretném kideríteni, hogy milyen értéküek, illetve kellenek e oda az ellenállások. Biztos volt már javítva, mivel a tápegység panelon alkoholos filccel rá lett írva a vezeték színek. Segítséget előre is köszönök.
Amelyik nagyon melegszik annak ellenőrizd a tranyóját, lehet hogy zárlatos vagy a meghajtása rossz.
Szia. Ez nem a végeket vezérli. Kettő van belőle! És mind a kettő melegszik. Holnap teszek fel képeket is.
Ha tippelhetek, akkor az a két ellenállás a kisjelű fokozatok tápfeszültségét állítja elő zenerekkel.
Szia Béla!
Akkor szerinted a kimeneti csatoló elkó a panelen testre megy? Akkor a mellékelt rajz szerint kössek be 2db 8 Ohmos hangszórót? Persze az általam odarajzolt kondi nem kell, mert az már a dobozban van. Mi történik ha a Fédert eltekerem és a bemenet durván aszimmetrikus jelet kap? A gyakorlati megvalósítást elnapoltam, mert nincs megfelelő trafóm hozzá.
Biztosat csak akkor lehet mondani, ha élesebb fotók lennének. Egy szakadásvizsgálóval ki kell csengetni az elkók lábait, valamint a hangszóró vezetékeket is. Mint írtam, a végfokok fele invertáló, ezért a rajzod nem pontos. Valóságban ha az első hangszórók meleg pontja pozitív, a hátsóké negatív.
A fader állítgatása esetén közép állásban lesz optimális a kivezérelhetőség, minden más esetben nem. Ha ezt a nem kedvező helyzetet el akarod kerülni, javaslom a végfok panelon kösd össze a megfelelő pontokat. Ha nem találod meg, PC elé kerülésemkor berajzolom. Trafó témában kérdezz itt a fórumon, viszont szükséged lesz jó nagy kondenzátorra is. 10000uF, 22000uF, de akár nagyobb is lehet. Alacsony feszültség/nagy áram esetén egy rezonáns SMPS is nagyon jó. Skori weblapja mutat ilyen kapcsolásokat.
Ha a végfok nyák mindkét oldaláról egy-egy jó képet csinálsz (a beültetési oldalról többet is, mivel az alkatrészek részben kitakarnak), biztosan meg lehet mondani a pontos bekötést. jelenlegi "párás szemüveg" fotók szerint a huzalozási rajz és az IC adatlapja nem egészen egyeznek.
Jo estet mindenkinek!
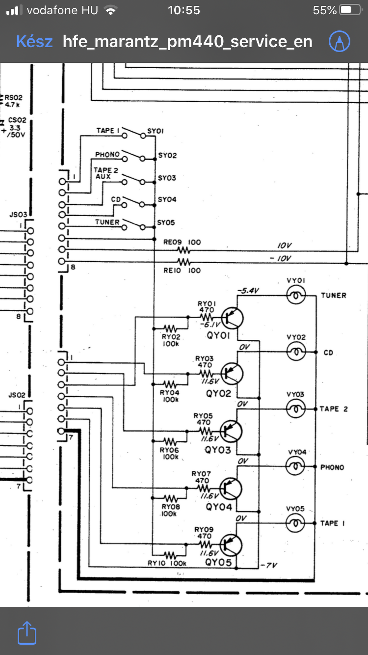
Egy Marantz pm 440 tipusu erositon bug vagy zug mindket csatorna. Hozzam kerult es igaz nem dugtam a halozatra hanem egybol a vegfok negy darab tranzisztoraval kezdtem. Gondoltam hibasak de nem. Mindegyik rendben van.Javitas nyomait nem latom,egyforma csavarok hianytalanul mindenhol. Holnap visszaforrasztom a tranzisztorokat es megnezem,hogy mi merheto a kimeneten. Viszont a ket darab pufferkondi nagyon fel van puposodva. Ezt a meres elott cserelem. Ha fennal a hiba akkor hogyan tovabb? A munkapontnak van a nyakon 4 meropontja,azt is ellenorzom majd,az izzot se felejtem el a primmer korbol. Vegul a rajz reszlet: A hozzászólás módosítva: Okt 27, 2020
Ja meg annyit vettem eszre,hogy a halozati feszultseg 220V-ra volt beallitva.
240-re atallitottam.
Szia!
Az lett volna az első lépés, hogy izzón keresztül áram alá helyezed a készüléket, mivel mechanikai sérülés nem volt látható. Következő lépés a táp- és a kimeneti feszültség mérése. A puffer búgást okozó kiszáradása esetén volt nagyságú váltakozó feszültség mérhető a tápágon. Ehhez célszerű a multiméter és az adott táp közé egy soros 330 nF - 680 nF kondenzátort iktatnod, ha nem vagy biztos a mérőeszközödben. A kondenzátort csak indokolt esetben cseréld! Ez nem kapcsolóüzemű táp! Ha felforrtak netán a kondik az egyenirányító diódákat mérd ki!
Gyanús puffer esetén az eredeti kondenzátorokkal párhuzamosan be lehet drótozni 220-470µF-ot. Ennyi elég hogy működjön az erősítő, legfeljebb nem szereti a nagy hangerőt. Ha nincs változás, nem a puffereket kell hibáztatni. A púposodást megkérdőjelezném, mert nagyon sokan hitték már, miközben csak a kondenzátor tetején a műanyag szigetelő lap domború.
Jo reggelt.
Tranzisztorok visszakerultek uj csillammokkal pasztazva. A puffereken szimmetrikus 46.4V DC-t mertem. Viszont a d801-en 0,8V a d802-n 11,19V merheto. R802/801 sem egyforma,820/1k. Illetve a csatornavalaszto nem reagal a valasztasra es vilagit a cd es a phono bemenetek lampai.
Ez lemaradt...
Es a biztositek helye: A hozzászólás módosítva: Okt 28, 2020
Kovetkezo meresi eredmeny:
js03 7-8-as laban nincs meg a +-10V.
Sajnos nehezen olvashatók a kapcsolási rajz részletek és nem tekinthető át egyben a készülék. Csatold pdf-ben!
Amennyire kivehető, nincs segédtápod. Ha az előtét-ellenállás hideg, akkor valószínűleg szakadt, ha forró, az zárlatra, túlterhelésre utal.
Csatoltam:
Az primmer kori izzo felvillan es el is alszik par mp.-en belul... A hozzászólás módosítva: Okt 28, 2020
R801/802 lenne az elotet ellenallas?
Azok elegge melegszenek,mindketto szinte egyforman.Viszont a trafoja egyaltalan nem meleg. Bar 2-3 percig volt bekapcsolva es onmagahoz kepest eleg combos trafo van benne. Egyik sem szakadt,820 es 1k koruli ertekeket mertem rajtuk.
Rajz segítségével mindjárt könnyebb. Az eddigi tapasztalataid alapján a QS01 IC-t találom gyanúsnak. A DS01 dióda kiemelésével válaszd le a tápról és mérd meg a JS03/7-en megjelenik-e ettől a +12 V?
A ds01 kapott abbol a masszabol amit a cs05 rogzitesere hasznaltak.
Szinte be van ontve az egesz,de kibanyaszom. Esetlegesen ha a qs01 hibas akkor meg vagyunk love? Annak van helyettesitoje? Bar ennyire nem akarok eloreszaladni... A hozzászólás módosítva: Okt 29, 2020
Ránézésre egy 1N4148 megfelel helyette.
|
Bejelentkezés
Hirdetés |





















