Fórum témák

» Több friss téma
Fórum » Arduino
A klónok CH340 Soros-USB illesztőjének drivere (Letöltés)
Lapozás: OK   659 / 865
(#) usane válasza enree hozzászólására (») Okt 22, 2020 / 1
 
Ahogy elnézem nem nagy ördöngősség.
(#) sargarigo válasza enree hozzászólására (») Okt 22, 2020 / 1
 
Annyira nem lenne ördöngős feladat, ha lenne bármennyi gyakorlatod benne. Viszont a hardver még nincs meg, a programozás meg tipikusan az a próbálkozós dolog. Mondunk valamit, te kipróbálod, változtatsz rajta, elmondod mi történt.. Nem lehetetlen a dolog, de így sok türelem kell hozzá.
A te döntésed hogy mennyire akarod magad beleásni a témába! Ha úgy döntesz hogy belevágsz, itt sok segítséget kaphatsz hozzá. De ha azt szeretnéd hogy valaki megcsinálja helyetted, akkor lehet tényleg inkább az apróban kellene folyatni. Gondold át mennyi energiát tennél bele, esetleg tudnád-e máshol is alkalmazni a tapasztalatokat!
A szavaidból azt veszem le hogy az elektronika nem áll messze tőled, talán megérné nyitni ebbe az irányba is.
(#) enree válasza sargarigo hozzászólására (») Okt 23, 2020 /
 
Sziasztok!
köszönöm mindkettőtöknek a választ. A hardver tulajdonképpen megvan, azt össze dugdostam, ha működik majd kap nyákot
Valóban nem áll távol tőlem a dolog, de én inkább PIC-el szoktam játszani flowcode-ban és ennél egyszerűbb dolgokat szoktam csinálni, de számtalan bonyolult dolgot építettem már után leírás alapján, ha van HEX, meg kapcsolás, akkor megoldom
Akkor keresek rá embert, köszönöm szépen a szakvéleményt
(#) jeges válasza enree hozzászólására (») Okt 23, 2020 / 1
 
Ezt meg tudod proteus alatt tenni arduinoval is bele tudsz menni teljes belső perifériáig (debug)....
(#) enree válasza enree hozzászólására (») Okt 27, 2020 /
 
Sziasztok!
Elkezdtem ezzel a dologgal foglalkozni, első körben kipróbálnám az eredeti verziót, hogy néz ki, mennyire stabil, stb...
De már a fordításnál elakadtam, a hiányzó könyvtárakat levadásztam hozzá, de így is ezt a kilométeres hibaüzenetet dobja
Tudnátok segíteni, hogy merre tovább?

hiba.txt
    
(#) icserny válasza enree hozzászólására (») Okt 27, 2020 / 1
 
Ilyenkor lenne jó tudni, hogy "vajon, mire gondolt a költő", azaz az eredeti projekt szerzője pontosan milyen programkönyvtárakat használt? Ebben a témakorban vannak hasonló nevű, de egymással nem kompatibilis könyvtárak, nem mindegy, hogy melyikkel próbálkozol.
(#) b10up válasza enree hozzászólására (») Okt 27, 2020 /
 
Szerintem ez a projekt annyira egyszerű (is) tud lenni, hogy lehet érdemesebb nulláról megírni és gitlab-ra feltenni a használt könyvtárakkal együtt. Viszont ha egy mód van rá, arduinot nem használnék webszervernek főleg olyan üzemben, ami fűtést vezérelhet. Inkább csinálnék a termosztátos arduinoból egy MQTT-klienst, szerver pedig ha van otthon egy okosítható router, az már adná neki a rendes grafikus felületet.
(#) kapu48 válasza enree hozzászólására (») Okt 27, 2020 /
 
Próbálkozz ezzel: Bővebben: RTC Lib
(#) Action2K hozzászólása Okt 27, 2020 /
 
Sziasztok!
A két modulon az USB-RS232 illesztésen kívül van e komolyabb különbség?
Illetve, azt a +1120HUF-ot ér e a különbség?
AR-NANOCH <-> AR-NANOFT
Köszi!
A hozzászólás módosítva: Okt 27, 2020
(#) enree hozzászólása Okt 27, 2020 /
 
Köszönöm mindhármatoknak!
Végig próbálgattam mindenféle könyvtárat, amit csak találtam, a kapu48 által ajánlottat is, de semmit sem változott a helyzet
b10up! Örülök, hogy Neked ennyire egyszerű, nekem kínai
A lakás vezérlését is arduino csinálja és elég megbízható, hát... akkor majd meglátjuk mi lesz belőle.
Azért köszi még egyszer
(#) b10up válasza enree hozzászólására (») Okt 28, 2020 /
 
Pontosítok : ha van egy bármilyen szervernek használható tárgyad (okosítható router, raspberry, vps tárhely, bármi) ami 0-24 elérhető, akkor mqtt-vel webesen segítek megírni, ha így is érdekes neked.
A hozzászólás módosítva: Okt 28, 2020
(#) icserny válasza enree hozzászólására (») Okt 28, 2020 /
 
A kapu48 által ajánlott könyvtárnak vannak saját mintapéldái, azokból kellene kiindulni.
(#) zoz11 hozzászólása Okt 30, 2020 /
 
Üdv
Megint segítségért tanácsért fordulnék hozzátok. Arduinoval szeretnék kiküldeni egy paramétert rs485/modbus os eszközre.
Egy ilyen átalakítót már beszereztem : Bővebben: Link

Amit tudni az eszközről: bite size: 8 bits, stop bitek 2; paritás nincs, transmission mode: RTU
A mellékelt képen szereplő paramétert kellene közbe közbe módosítanom, arduino segítségével.

Ezt hogyan, miként lehetne megvalósítani?

Segítséget előre is köszönöm.

image.png
    
(#) kapu48 válasza zoz11 hozzászólására (») Nov 1, 2020 /
 
Keresgélj: Bővebben: Link
(#) zoz11 válasza kapu48 hozzászólására (») Nov 1, 2020 /
 
Köszönöm!
Végig nézem, találtam benne hasznos infot.
(#) tomat5 válasza zoz11 hozzászólására (») Nov 2, 2020 /
 
Szia,

A modbus RTU protokollal az eszközöd regiszetereit tudod írni olvasni. Az egyik ilyen regiszetrben benne van a módosítandó paraméter. Kell lennie egy regiszter hozzárendelési táblázatnak amiban benne van, hogy milyen paraméter milyen című és típusú regiszetrben érhető el.
Maga a modbud RTU protokoll megtalálható a neten. az eszköz címével kezdődik a keret, majd a funkciótól függően folytatodik. A végén van 2 byte CRC.
Ha csak ezt az egy paraméteret szeretnéd módosítgatni, akkor azt megoldhatod egyedi üzenetekkel is. Van egy ingyenes modbus master program: Qmodmaster. Ha azzal küldesz tesztüzenetet, akkor ki tudod nézni belőle, hogy pontosan hogy néz ki a keret aminek ki kellene mennie. Egy USB-RS485 átalakító használatával a válaszüzenetet is meg tudod nézni ha rákötöd az eszközödet.
Egyébként arduinora van megírt modbus könyvtár, szerintem a komplett RTU protolkoll implementálva van.
Ami még érdekes lehet:
A busz master-slave kialakítású, azaz csak az válaszolhat, akit a master (itt az arduino) megszólít. A kommunikáció a half-duplex, úgyhogy az adatirány váltásról neked kell godoskodnod. Az átalakítódat alap esetben olvasás állapotban kell tartanod egy GPIO -val. Ha megszólítasz valakit, akkor írásba kell billenteni az átalakítót -> kiírni az üzenetet -> visszaállni olvasásba. (Olvasásba állás előtt meg kell győződni róla, hogy valóban kiért e az utolsó byte, mert le tud maradni pár bit a végéről.)
Üdv.
(#) zoz11 válasza tomat5 hozzászólására (») Nov 2, 2020 /
 
Hello
Igazából csak azt az egy paramétert szeretném írogatni, 3,0-6,0 ig, Tízedes pontossággal, semmi mást nem szeretnék módosítani.
Minél többet olvasok róla annál jobban elveszek a dolgokba. Igazából ha már meglenne, hogy mit is, hogyan kellene küldenem az eszköznek, onnantól már szerintem nem probléma. Nézegettem a megírt arduino alap programokat, de még nem jutotam velük előbbre.
(#) tomat5 válasza zoz11 hozzászólására (») Nov 2, 2020 /
 
Szia
Van adatlapja az eszközödnek? Jó lenne látni a modbus -os részét.
(#) jimmi12 hozzászólása Nov 3, 2020 /
 
Sziasztok, arduinoval kapcsolatban remélem valaki tud nekem segíteni az alábbiakban:
- soros porton kellene küldenem egy parancsot aminek a szintaktikája a következő: wifi.con("ssid","password"). Próbáltam többféle módon, de valamiért (ha jól sejtem a parancsban levő "" miatt a serial.println parancs nem fogadja el. (serial.println("wifi.con("ssid","password")").
Valakinek van ötlete, hogyan lehetne ezt megoldani?
Simán alkalmazva pl.: a serial.println("wifi.discon"); működik, viszont a vissza csatlakozáshoz kellene az ssid és a password, ezeknek viszont muszály "" között lennie.
(#) b10up válasza jimmi12 hozzászólására (») Nov 3, 2020 /
 
Szia,

Escapeld ki. Írj a kiküldendő idézőjelek elé egy \ jelet.
  1. Serial.println("wifi.con(\"ssid\",\"password\")");


Vagy a másik opció, hogy az ascii kódját küldöd ki és több sorban.
Pl.
  1. Serial.print("wifi.con(");
  2. Serial.print(0x22);
  3. Serial.print("ssid");
  4. Serial.print(0x22);
  5. Serial.print(",");
  6. Serial.print(0x22);
  7. Serial.print("password");
  8. Serial.print(0x22);
  9. Serial.println(")");
A hozzászólás módosítva: Nov 3, 2020
(#) zoz11 válasza tomat5 hozzászólására (») Nov 3, 2020 /
 
Üdv
Bővebben: Link
Ennyi van róla.
(#) maybal hozzászólása Nov 3, 2020 /
 
Sziasztok. Felprogramozott Arduino-ból, hogy lehet kiolvasni az éppen rá töltött programot?
(#) sargarigo válasza maybal hozzászólására (») Nov 3, 2020 /
 
Szia! Ha a megírt programot kérded, azt sehogy. Feltöltés előtt a fordító átalakítja gépi kódra, amit a vezérlő már meg is ért. Ezt hívjuk amúgy hex-nek. Ezt tudtommal már vissza lehet olvasni ha nincs védve a chip, de gondolom nem erre van szükséged. Tehát sehogy.
A hozzászólás módosítva: Nov 3, 2020
(#) Vacok hozzászólása Nov 3, 2020 /
 
Sziasztok!
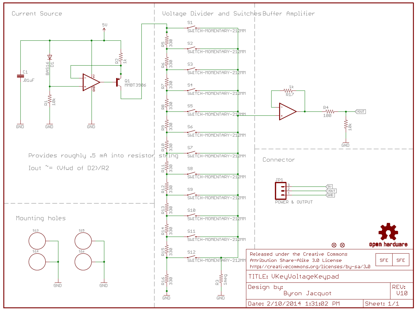
Építettem egy a képen látható billentyűzetet. Az interneten voltage keypad címszó alatt szerepel. A mellékelt könyvtárat nem használtam fel, mert feleslegesnek tartottam. AnalogRead() függvénnyel olvasom ki az aktuális gombhoz tartozó analóg értéket. Működik is, de időnként összevissza kilengések tapasztalhatóak a billentyűzet OUT kimenetén (pl. ha hozzáérek valamelyik nyomógomb lábához vagy, leteszem az asztalra a billentyűzetet). Előfordul, ha a kezemben tartom minden jól működik, de ha leteszem, akkor pl. 1-es helyett 5-öst olvas be. Ez mitől lehet? Már csökkentettem az R3 1M értékét 100k-ra. valamelyest stabilabb lett, de még így is nagyon érzékeny. A kimenetre a 10k a mikrokontrollert tartalmazó nyákra került rá közvetlenül az analog bemenetre, arra az esetre, ha lehúzom a billentyűzetet, akkor ne lebegjen a bemenet.

keypad.png
    
(#) superuser válasza Vacok hozzászólására (») Nov 3, 2020 /
 
Hiányoznak a kapacitások az áramkörből. R3-al párhuzamosan kell egy kondi. Mivel az 1MOhm elég nagy érték, 1nF-al indítanék. (most olvasom, hogy az már 100k, akkor legyen 10nF) De lehet, hogy R16-ra is kéne mondjuk 100nF.
Az analóg olvasást pedig ismételd többször. Az lenne az ideális ha úgy állítanád be, hogy pl. 2 azonos érték (azonos alatt értem a +/- 2 -t) után fogadod el az eredményt. Mert a gyakorlatban így fognak kinézni az olvasások:

pl. 0,0,45,321,322,321,321,322,128,0,0
A hozzászólás módosítva: Nov 3, 2020
(#) superuser válasza superuser hozzászólására (») Nov 3, 2020 /
 
Idézet:
„De lehet, hogy R16-ra is kéne mondjuk 100nF.”
- ez nem jó.
Helyette Q1-R5 közös pontja és a GND közé. De ez utóbbi valószínűleg annyira nem számít.
(#) Vacok válasza superuser hozzászólására (») Nov 4, 2020 /
 
Értem, köszi a segítséget. Este bele is vágok a módosításba.
(#) proli007 válasza Vacok hozzászólására (») Nov 4, 2020 /
 
Hello! Mi a fenének ehhez áramgenerátor? Az AVR úgy is a tápot veszi referenciának. Egy 330k-val felkötöd az 5V-ra a tetejét és kész vagy. Sokkal egyszerűbb, nagyobb a lépcső és az AVR csak az arányokat látja. Hiszen az kell neked.
(#) superuser válasza proli007 hozzászólására (») Nov 4, 2020 /
 
Hát igen, egy sima ellenállás létra nem adna fals eredményt attól ha megmozdítod, vagy hozzáérsz
(#) Vacok válasza proli007 hozzászólására (») Nov 4, 2020 / 1
 
Azért választottam áramgenerátoros megoldást, hogy ha véletlenül megnyomnak két gombot egy ellenállás vagy ellenállások rövidte zárása miatt ne adjon olyan alalóg értéket, ami nincsen előre meghatározva. Így két vagy több gomb megnyomása mindig a létrán lentebb lévő gomb megnyomásával lesz egyenértékű.
Következő: »»   659 / 865
Bejelentkezés

Belépés

Hirdetés
XDT.hu
Az oldalon sütiket használunk a helyes működéshez. Bővebb információt az adatvédelmi szabályzatban olvashatsz. Megértettem