Fórum témák

» Több friss téma
Fórum » Tápegységgel kapcsolatos kérdések
Lapozás: OK   145 / 182
(#) Sebi válasza kékestv hozzászólására (») Júl 14, 2020 /
 
Igen, működik a módszer, magam is alkalmaztam, de ehhez 20...25A-es táp kell. Mint írtam, a védelem - ha van - az áramkorlátozást jelent. Tehát az áramkorlátot kell szabályozhatóvá tenni 5A-től 25A-ig, hogy ne a fóliát robbantsa fel. Hall-elemes érzékelővel lehet követni az áram útját.
(#) ferci válasza kékestv hozzászólására (») Júl 14, 2020 /
 
Szia!
Könnyen nem úszod meg, ha viszonylag jót akarsz...
Kell egy LM317, amit beállítasz alapra, 1.2 voltra ( talán megengeded a +0.2 voltot ).
Erre ráteszel pl. egy BD250-et, aminek a nagy áramával ( pl. 4 csak elég? ) kikerülöd az LM317-et.
Az egész elé pedig beteszel egy BD-t áramgenerátornak.
Ha összeadod a szükséges "veszteségeket" feszültségben, kijönne egy 8-9 voltos puffer is, ami viszont kell, hogy tudja a szükséges amperedet.
Hűtés is kell rendesen mindegyikre, ha sokáig füstöltetsz.
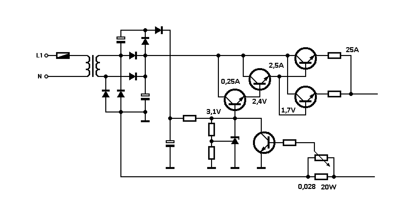
(#) Sebi válasza Sebi hozzászólására (») Júl 14, 2020 /
 
Rajzoltam egyet IC nélkül, de legalább az áramkorláthoz jobb a műveleti erősítő, mert akkor nem 20W-os az érzékelő ellenállás...

1V.GIF
    
(#) kékestv válasza Sebi hozzászólására (») Júl 14, 2020 /
 
Üdv.
Tetszik a rajz,valamilyen részletesebb paraméterezett nem lenne?
(#) kékestv válasza ferci hozzászólására (») Júl 14, 2020 /
 
Szia!
Érdekes a kapcsolás de a gyakorlat mit mutat.Megépítette valaki közületek?
üdv.
(#) ferci válasza kékestv hozzászólására (») Júl 14, 2020 /
 
Biztosan, több részletben és darabban.
(#) Skori válasza Sebi hozzászólására (») Júl 14, 2020 /
 
Ugyanezt eddig nagy elkóval oldottam meg n*100.000uF. Plexi védőlap mögé a panel, ha netán valami túl nagyot pukkanna. Feltöltöm a kondit és rá a tápsínre. A zárlatos alkatrész leadja a füstjelet, és lehet cserélni...
(#) kékestv válasza Skori hozzászólására (») Júl 15, 2020 /
 
Szia!
Van ilyen kondim. 1v-on is menne szerinted?
(#) oatis hozzászólása Okt 15, 2020 /
 
Üdv!
Van egy ceruza elemes egerem, átalakítottam li-ion akkusra, csak van egy aprócska probléma. 3,4V akkufesz felett instabillá válik az egér. Esetleg valakinek valami ötlete, hogy mivel tudnám beszabályozni az akkufeszt 3V-ra? Most egy 3,3V-os stab ic van benne, de nem vagyok meg elégedve a végeredménnyel. Valami kiseb egyszerű kapcsolást keresnék, mert helyem nem nagyon van.
Előre is köszönöm!
A hozzászólás módosítva: Okt 15, 2020
(#) ferci válasza oatis hozzászólására (») Okt 15, 2020 /
 
Szia!
Tegyél utána egy kis schottkyt, levesz belőle kb. 0.4-0.5 voltot - hátha megfelel.
(#) oatis válasza ferci hozzászólására (») Okt 15, 2020 /
 
Üdv! Ezen túl vagyok, instabil volt diódával is.
(#) ferci válasza oatis hozzászólására (») Okt 15, 2020 /
 
Akkor keress egy low drop 2.5 V körüli stab ic-t, amit pár tized volttal feljebb tudsz emelni.
Ugye, be vagy határolva "fentről" is a li-ionnal..
(#) Bakman válasza oatis hozzászólására (») Okt 15, 2020 /
 
Ebben az esetben mint jelent az is? 3.3 V-os stabilizátor IC-vel is instabil? Ha igen, használj 3 V-os verziót.
(#) oatis válasza Bakman hozzászólására (») Okt 15, 2020 /
 
Azzal addig jutottam, hogy akku merülés esetén lesz az. Gondolom sokat vesz le a stab ic, ha már csak 3,3v körül jár az akku.
(#) Bakman válasza oatis hozzászólására (») Okt 15, 2020 /
 
Próbáld ki az LP2950 nevű LDO stabilizátort, 100 mA-t tud, már ha ennyi elég az egérnek.
(#) Sebi válasza oatis hozzászólására (») Okt 15, 2020 /
 
Lehet azért is instabil, mert nem közvetlenül a kis belső ellenállású telep táplálja és az impulzusok zavarják a procit. Tégy egy 100µF elkót a 3V-ra.
(#) kisist1 hozzászólása Okt 20, 2020 /
 
Sziasztok!

Egy alacsonyabb, változó, AC feszültségről szeretnék DC 14V-ot előállítani. Konkrétan motorkerékpár feszültségszabályzó leváltására. Nem tetszik az a megoldás ahogy a feszültségszabályzók működnek ("a felesleges áramot zárjuk rövidre") és ezért gondoltam ilyenre

A motoron 3 fázisú generátor van, olyan 17V~60V AC között változik fordulatszámtól függően. Ez egyenirányítva kb 24V~90V.
Ekkora feszültségnél én arra gondoltam hogy egy kapcsolóüzemű táp lehet nem igazán kifizetődő, ezért inkább egy "buck" konverterre gondoltam (elnézést, nem tudom ennek mi a magyar megnevezése). Ezt lenne szerintetek is célszerű használni?

Ehhez egy TL594-et gondoltam használni. A csatolt kapcsolásokat találtam hozzá.
Ezeket persze módosítani kell kicsit, PL a TL594 VCC lábát egy Zener diódával + kondival gondoltam megtáplálni, meg a FET-eket a feszültségeknek megfelelőre cserélni.

Működhet ez így szerintetek? melyik kapcsolás a szimpatikusabb? Teljesítményben 100W-nál nem kellene több, de azért inkább túlméretezem a FET-eket

Köszönöm a válaszokat/tanácsokat!

Még egy apróság, kicsit OFF téma. Olyat hallottam hogy azért működnek így a feszültség szabályzók motorokon, mert különben a tekercs túlmelegedne. De szerintem pont így van rajta felesleges terhelés. Nem?
A hozzászólás módosítva: Okt 20, 2020
(#) Sebi válasza kisist1 hozzászólására (») Okt 20, 2020 /
 
Nem a túlmelegedés miatt van a paralel stabilizálás, inkább azért, mert nem engedi a generátor feszültségét terhelés nélkül megszaladni, amitől a tekercs átüthet - ezért leéghet.
Mindenképp kell neki egy disszipatív terhelés, amit használhatsz a PWM IC tápjának előállítására is.
Szerencsésebb lenne, ha a generátor gerjesztését lehetne szabályozni, mint az autókban, de a gazdaságossági szempontok előtérbe helyezése miatt itt nem azt választották...
(#) h.adam hozzászólása Nov 4, 2020 /
 
Sziasztok!

Kaptam egy tápegységet, teljesen jól működik, csak az egyik csatlakozójáról nem tudok semmit. Írtam a gyártónak, de annyit válaszolt, hogy ez egy régi termékük és már nincs meg az adatlapja.
Mellékeltem képeket a csatiról és a tápról.
Ha esetleg van valakinek valami infója, kérem ne tartsa magában.
Köszönöm szépen.
(#) Bakman válasza h.adam hozzászólására (») Nov 4, 2020 /
 
Mérd le az érintkezők közötti távolságot. Távolság alatt a középvonalak távolságát kell érteni. Ránézésre erről a csatlatlakozóról van szó: Bővebben: Link.

Meglepő, hogy milyen átlátszó hazugságokkal tudják elhajtani az embert egyes cégek.
(#) h.adam válasza Bakman hozzászólására (») Nov 4, 2020 /
 
Köszi a választ, de az a kérdésem hogy mire használható ez a csatlakozó. Igen nekem is nagyon gyenge volt ez a kifogás, de mivel nem a cég adta a választ, hanem egy magyarországi partner, így nem kötözködtem vele. Bízom benne hogy itt valaki ismeri .
(#) Bakman válasza h.adam hozzászólására (») Nov 4, 2020 / 1
 
Azt hittem, a csatlakozó típusa érdekel. Átnézve pár mostani adatlapukat:

Return = GND
Remote On/Off = Bemenet. Kikapcsolható a tápegység kimenete ha ezt GND-re kötöd.
Power Good = Kimenet. Ha a tápegység készen áll a munkára, azt itt lehet detektálni. Aktív alacsony vagy aktív magas kimenet, a polaritásra passzolok. Egy másik adatlapban aktív magasként van jelölve.
Return = GND
Remote Sense +
Remote Sense -


Utóbbi kettőt közvetlen a terhelés mellé kell kötni, a tápegység kompenzálja a hozzávetetéseken eső feszültséget.

Ha nem tévedek.
(#) h.adam válasza Bakman hozzászólására (») Nov 6, 2020 /
 
Nagyon szépen köszönöm a választ.
(#) fityiszkukac hozzászólása Nov 27, 2020 /
 
Sziasztok.

Azt szeretném megkérdezni, mitől lehet az, hogy a mellékletben lévő táp +32V kivezetésén 92V körüli váltótés +45V-48V körüli egyen, a -32V kivezetésen pedig 0V váltó és -45V - -48V körüli egyen feszültség mérhető.
A trafón 2db 23V-os kivezetésén, ha nincs rákötve a tápegység panelre, akkor mind két kivezetésen 32V váltó mérhető.

Előre is köszönöm a válaszokat.
A hozzászólás módosítva: Nov 27, 2020
(#) gg630504 válasza fityiszkukac hozzászólására (») Nov 27, 2020 /
 
Ha 120 voltos berendezést 230 voltos hálózatra kapcsolsz...
(#) fityiszkukac válasza gg630504 hozzászólására (») Nov 27, 2020 /
 
Ez 220V -os verzió, de csak a primer tekercsben tér el.
(#) proli007 válasza fityiszkukac hozzászólására (») Nov 27, 2020 / 1
 
Hello! Gyanús, hogy nem jó ponthoz képest mérsz, vagy valami szakadás van. Mert ez a 92V váltó akkor szokott előjönni, ha a hálózat és a mért pont közötti kapacitív feszültség van.
(#) fityiszkukac válasza proli007 hozzászólására (») Nov 27, 2020 /
 
A trafóbol 2 piros és 1 fekete vezeték. a két piros között 64V váltó, a pirosak és a fekete között 32V váltó van.
Ezek bemennek a rajzon látható 10,7(két piros) és a 8(fekete) bemenetekre. A fekete egyből a fém házhoz is hozzá van kötve. Én a 9(+32V) és a 6(-32V) kimenetek és a fém ház között mérem az említett feszültségeket.
(#) proli007 válasza fityiszkukac hozzászólására (») Nov 27, 2020 /
 
Kikapcsolva mérd meg OHM állásban van-e rendes kapcsolat az összetartozó vezetékek között és a test és a vezetékek között. Mert olyan mint ha szakadás lenne valahol. 32V váltóból kb 42V egyenfeszültség lesz a C302 és C303 kondiban. Persze terhelés nélkül.
(#) fityiszkukac válasza proli007 hozzászólására (») Nov 27, 2020 /
 
A vezetékek és a kontaktusok jók.
Én azt nem értem ami a képen látható AC állásban...
Következő: »»   145 / 182
Bejelentkezés

Belépés

Hirdetés
XDT.hu
Az oldalon sütiket használunk a helyes működéshez. Bővebb információt az adatvédelmi szabályzatban olvashatsz. Megértettem