Fórum témák
» Több friss téma |
Fórum » Adatlapot keresek
Üdv mindenkinek !
Van egy M204SD01AA tipusú 4 sor,soronként 20 karakter kijelzésű LCD panelom amit szeretnék LPT portra kötni. Találtam az interneten egy 8 oldalból álló adatlapot róla ,de nincs rajta a bekötési rajza .Ha tud valaki , kérem segítsen. Előre is köszönöm . Tisztelettel :Zomby
Sziasztok szükségem lenne egy lb 1021-es hangszóró adatlapjára légyszi küldjétek el.
Illetve van két tannoy m2-es hangfal dobozom erről tud valaki valamit, hogy mijen hangszórók kellenek bele illetve milyen váltó? A google- el nem találtam semmit
Sziasztok !
Creative CT1297 adatlapot keresek, tud valaki segiteni?
sziasztok!
kiszedtem egy régi epson nyomtatóból két léptetőmotort, de nem találom az adatlapjukat. Segítségetkérnék, ha valaki tud. Ez van ráírva az egyikre: EM-50 EPM 4233 2305 Másikra: EM-93 STH-39D172 azt találtam, ezek SEIKO EPSON motorok Előre is köszi!
Helló! Egy CMT - 107F jeölésű rádióvevő alkatrészéről keresek leírást. Google nem talál részletes adatokat, csak tudja h van. Szerintem egy induktív tuner lehet 10,7 es középfrekvenciás kimenettel. Van valakinek ettől részletesebb információja róla?
Sziasztok! Egy bizonyos C1182H 3 -as IC-ről lenne szó, valami kis teljesítményű végfok lehet, és ehez lenne szükségem adatlapra. Köszi előre is.
Helló
Keresem az LA4125-ös IC adatlapját. Kerestem már, de olyat nem találtam, amiben benne van a bekötése, és egy alapkapcsolás. Csak olyat találtam, amiben egy rövid leírás volt. Előre is köszi Ricsi
Köszi. Most már csinálhatom a kis erősítőt.
Sziasztok!
UM440078 IC-nek az adatlapját keresem, esetleges kapcsolást vele. Egy számítógép alaplapon van rajta, a DDR RAM-nak állítja elő a frekvenciát. De hiányzik melőle 3 smd alkatrész. Ha valakinek van ilyen alaplapja min ilyen IC van, az szóljon légyszi! Köszönöm!
Sziasztok!
Én a Monolithic Power Sysems által gyártott MP3410, MP2481, MP2370-hez keresnék adatlapot. A gyártó honlapjáról viszont csak regisztrálás után lehet letölteni. A gond ezzel csak az hogy @ingyenmail-es címmel nem fogadja el a regisztrációmat. Ebben kérném a segítségeteket!
Üdv!
Egy vezeték nélküli telefonból van 2 RF transceiverem. A gyártójuk SHARP. Az egyik típusa:RY3GB032 A másik típusa: RY3GH032 Ezekhez ha tudna adni valaki adatlapot, vagy legalább lábkiosztást, az nagy segítség lenne. Előre is kösz!
Nah alakul a holmi. Lábkiosztás már nagyjából megvan. Van benne egy TB31202FNG típusú PLL. Ezt ugye minden bekapcsolásnál fel kell programozni. Az adatlap nem sokat segít e téren, nincs valakinek tippje hogy hogy is kezdjem?
Sziasztok!
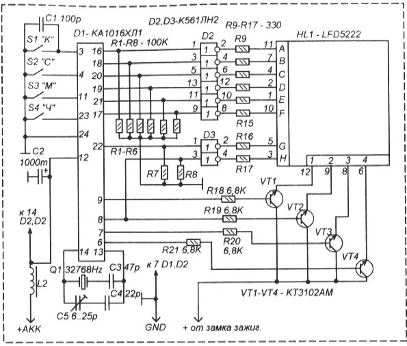
Keresek 4X7 szegmenses LED kijelző adatlapot, melynek tipusa: LIGITEK LFD5222-10 google talált egy oldalt, de nemtudom hogy itt mit kéne csinálni Bővebben: Link
Sziasztok!
Ha jól tudom, néhány STK IC adatlapja nagyon nehezen fellelhető. Találtam egy webáruházat, ahol van egy kisebb adatlapgyűjtemény (sok STK IC pdf-jével), gondoltam belinkelem, hátha valaki itt fogja megtalálni régen keresett adatlapját ![]() (Megj: Lehet feljebb is navigálni az FTP szerveren)Bővebben: Link
Üdv!
Goggle-ban 1 perc alatt megtaláltam az anyagot. Adatlap: itt, itt az LFD5222-XX linkre kattints... Lábkiosztás csatolva.
2T931A hoz keresek adatlapot, sehol nam találok, valaki tud segíteni, előre is köszönöm!
Igaz ez házon kívül van, de szerintem tedd fel itt is a kérdést: itt
Adatlapot megtaláltad azon a linken amit adtam? Ott fenn van minden
köszi, tényleg minden fent van, de adatlapot nem találtam eddig....
Ha jól tudom ez egy orosz gyártmányú tranyó, régebben találkoztam egy oldallal, ahol zip fájlban lehetett letölteni KT-s tranyók (orosz) adatlapokat, de nem találtam az oldalt. Esetleg próbálkozz te is úgy keresni, hogy orosz tranzisztor katalógus, vagy valami ilyesmi kulcsszavakkal. Próbálkozz ebben a topikban is: Orosz tranzisztorok helyettesítése.
Üdv!
A képen látható trafó adatlapját keresem. A gyártó oldalán ezt a típust nem találtam. Ha valaki tudja az adatait ossza meg velem. Köszi.
Sziasztok.
Tudna valaki segíteni abban, hogy ic-k adatlapjait hol lehetne megnézni?
Helló!
Mondjuk itt: http://www.datasheetcatalog.com/
Sziasztok! Nekem van egy LCD modulom amit szeretnék feléleszteni, tudnátok ehhez valami doksit adni? Egy Panasonic Fax-ból lett kitermelve. Képek csatolva.
A választ előre is köszi! |
Bejelentkezés
Hirdetés |
















