Fórum témák
» Több friss téma |
Fórum » Kapcsolási rajzot keresek
Témaindító: Kallai Csaba, idő: Márc 11, 2006
Témakörök:
Ezen a gépen nem tudok rajzolni, de ugyan így mint itt, csak az R1-et fogja kapcsolni az IC kimente.
Nekem "A" verzióm van.
Te pedig "D" verzióra gondoltál közvetlenül ellenállás nélkül az IC kimenetről ? Bővebben: Link A hozzászólás módosítva: Dec 8, 2020
Meg az L,Z,H nem világít együtt, mehetne egy áramgenerátorról is...
Üdv!A képen látható kézszárító elektronika rajzát keresem,illetve az Ic tipusát (lecsiszolták a feliratot). Köszönöm!
Hasonlítsd össze a bekötését az NE555-tel! Az lehet.
Egy "srófra" jár az agyunk...Én is néztem,sajnos a táp fordítva van. Köszönöm a választ!
Igen, egyetértek. Köszönöm a választ!
Üdv!
Valamikor az RT újság 1979-1989 között jelent meg egy kis kapcsolás, ami alapján egy nagyon egyszerű komparátor a hálózati feszültséghez egy 12-24V-os trafó feszültségét hozzáadta a gyenge hálózati feszültséghez. A trafó méretezését a védett fogyasztó 5-10%-ban lehet megállapítani. Én ezt anno megépítettem és prímán ment. Jelenleg nálam a házban a 3 fázis 214-223-232V. Ez eléggé állandó értéken van. Hátha rémlik valakinek és nem kell végig nyálaznom 10 évfolyamot. Ha nem lesz megfejtő, akkor magam uram... A hozzászólás módosítva: Dec 19, 2020
Átnéztem, megtaláltam.
Feszültség stabilizátor színes TV-hez. RT. 1982.10.476-477. oldal.
A topic címe: "Kapcsolási rajzot keresek"
Keresem a Samsung 2243NW monitor rajzát, pontosabban a bemenő jelfeldolgozó panelét. Ezen is a Q301 típusát. A Neten semmit sem találtam, csak az Eletrotanyán, de oda nincs hozzáférésem.
Az összeégett SMD (3,6x1,6 mm) valószínűleg tranzisztor, a felirata A11V (ilyet sem találtam). Tud valaki segíteni?
Oda mindenkinek van hozzáférése napi 5 rajz erejéig: tessék. Lejjebb görgetsz, kipipálod a pipálni valót, kattintasz a go to download-ra, vársz vagy fél percet és már töltheted is le a rajzot.
Üdv!
Keresek dB sub 05D aktív subwoferhez kapcsolási rajzot. Elektrotanyán nem találtam. Köszönöm szépen!
Bővebben: Link
Itt találtam az eggyel nagyobb szubhoz leírást, sajnos nem tudom letölteni. Fizetnék is a kapcsolási rajzért. Köszönöm! A hozzászólás módosítva: Jan 3, 2021
Szép jó napot mindenkinek ! Adott egy Wharfedale power cube 8+ szubláda. ehhez keresnék kapcsolási rajzot . Köszönöm a segítséget . Kellemes hétvégét kívánok!
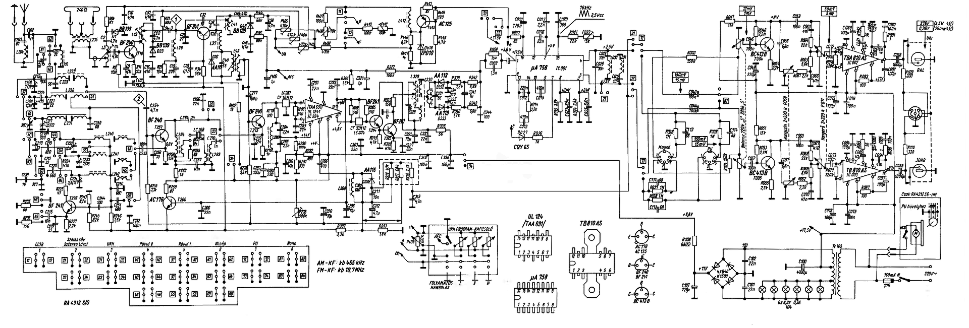
Keresem a Videoton gyártmányú Disco Baby rádió kapcsolási rajzát
Gagyi volt, de nagyon vágytam rá.
Végül egy Apolló lett. ![]() Na az is egy nagy..... A rádió része kiváló, de az erősítője... TBA810.
A 1581/S rajzát keresem ahol két EL84-es cső van. Itt van az amire gondolok de a rajz mégsem ezt mutatja.
Szia!
Feltettem mindkét változatot.
Köszi. Csodálkoztam is hogy ennyire nem lehet titok a rajz.
RA4312. S a Baby, G a Boy (lemezjátszós)
Szép rajzok... akkoriban jobban ráértem javítgatni...
Fogadd köszönetünk érte!
Sziasztok.
Orion/EMG 1538/B kapcsolási rajzot keresek. Válaszokat előre is köszönöm. |
Bejelentkezés
Hirdetés |













