Fórum témák
» Több friss téma |
Mielőtt kérdezel, a következő két dolgot ellenőrizd!
I. A helyes tápfeszültségek megléte.
II. A kimeneten van-e egyenfeszültség.
Élesztés.
Rendben van , holnap utána járok a dolognak!
2db 5wattos ellenállás párhuzamba kötése is jó lehet?
Egyenlőre nem muszály, egy is elég csak jó legyen és legyen. Nem is jó kettő mert feltételezem, hogy 22ohmosak. Az pedig már barátok között is 11ohm, így nár nem kerek érték, nehezebben fogsz pontos áramot mérni, de lehet. Én még a 10 ohmosokat is válogatnám, mert van köztük meglepetést okozó különbség is értékben. Én a GU 50 PP-m katódjaiba 20 db-ból alíg leltem négyet 10W-ost.
((Az 5W-os ha már forró akkor nagyon megy a cső, de ezt már tuti látni is kell a vörössen izzó anódon. )) 60-65mA-t állíts be. Ki kell nyitni a csövet, különben erőtlen és torz, bagyobb dinamikusabb zenékkel elviselhetetlen. De a kimenő is csinál ilyet, ha az nem jó, A hozzászólás módosítva: Feb 8, 2021
Ezt lehetőleg ne nagyon próbálgasd, mert átüthet tőle a kimenő. Általános szabály, hogy trafós kimenetű erősítőt nem használunk terhelés nélkül!
Földre kötött katód esetén úgy is lehet anód áramot mérni, hogy kikapcsolt állapotban megméred a kimenő primerének ellenállását, majd bekapcsolt állapotban de kivezérlés nélkül megméred mekkora feszültség esik a kimenő primer tekercsén. (I=U/R).
80mA áram esetén a 10 Ohmos ellenéllást csak 0,064W terheli, 1 Ohmos ellenállás esetén pedig csak 0,0064W.
Köszönöm mindenkinek a segítséget , rengeteg hasznos tanács van , amit meg is fogadok!
Sziasztok!
Nemrèg próbáltam nyugalmi áramot mèrni, de valami nem stimmel! 2db sorbakötött 4,7 ohm 5 wattos ellenállással, az ellenáláson 630 mv mèrhető, ahogy rákapcsol az anódkèsleltető azonnal szökik fel a feszültsèg, ès bizony nem áll meg 80-90 mv környèkèn! Tanácstalan vagyok, mind a 2 oldalon ugyan ez, a potmèter teljesen "levan" tekerve, ha elkezdem tekerni a másik irányba akkor felmegy hirtelen 1 voltra is! Idézet: „valami nem stimmel! 2db sorbakötött 4,7 ohm 5 wattos ellenállással, az ellenáláson 630 mv mèrhető, ahogy rákapcsol az anódkèsleltető azonnal szökik fel a feszültsèg, ès bizony nem áll meg 80-90 mv környèkèn!” Nagyon nem stimmel, anódfesz nélkül ott 000V ot kéne mérned!
Az nagyon nagy baj! Iszonyatos anód áramod van, csoda, hogy nem izzik az anód. Ha kell, kábelezd az egészet újra, de ez amit mértél egyáltalán nem jó.
Amit írt az is ellentmondásos!
Anódfesz nélkül 630mV, ha késleltetés bekapcsol felmegy 80-90mA re. 630 meggy fel 90mA re????
Fejleszti az áramot kikapcsolt állapotban? Valami nagyon el van ott kötözve, vagy a műszer se mér jól neki. Ilyen nem történhet meg soha.
Én csesztem el , ezért elnézést is kérek!!!
Most beforrasztottam a katódra egy 1ohm 10 wattos ellenállást , és 70 mv-ot mérek az ellenálláson , kis idő után beállítottam 100mv-ra , 100-101 mv van jelenleg , így kellőképpen "nyitva van cső"! Egyébként meg anódfesz is volt , az megvolt csak késleltetve indul , itt a baj az volt , hogy 10ohm ellenállást tettem a katódra 1ohm helyett, de most úgy néz ki, hogy jó! Most pedig próbálom letesztelni, megnézem változott e valamit!
Azért a 100mA-rel vigyázz mert az már eléggé a disszipációs határon van. Itt egy GU50 trióda görbesereg, nem én mértem, a neten találtam. A kimenőben mekkora légrés van?
Furcsálltam is a rajzon a -45V értéket, mert e szerint olyan -75V körüli negatív rácsfeszre van szüksége.
A legmagasabb állítható fesz -50 volt! Semmiképp nem tudnék -75voltot adni a rácsnak!
Részemről egy újabb hiba , nem néztem az anóddisszipációt!Légrésnek egy egy vastagabb papírcsíkot használtam , talán 0.2 mm vastag lehetett , de mivel sokkal élvezhetetlenebb volt a hangja , így kivettem belőle , jelenleg nincs légrés a hiperszil magok között !
Hát akkor tessék tenni bele, de miután összeforgattad a patkó feleket, hogy síkban passzoljanak egymáshoz. Légrés SE kimenőbe kell! a papírodnak is harmad vékonyságú papírt keress.
Rendben van ! Ma már nem teszem ezt meg , kissé fáradt vagyok , munka után macerás kissé!
![]() Egyébként sokkal jobb lett a dinamika , mondom sokkal!!! Ezer köszönet a segítségért, most már csak nagy érzékenységű hangfalak kellenek hozzá , viszont ezekkel a phillipsekkel is iszonyat telt , meleg kellemes a hangja!
Légrés mindenképp kell, ha hiperszil, ha nem. Azért, mert együtemű a végfokod és az egyenáramú előmágnesezést ezzel kell ellensúlyozni. Rendkívűl fontos és még a légrés anyaga se mindegy, audiofil SE fanok külön kísérleteznek a légrésbe tett különféle anyagokkal és annak hallható hatását vizitálják. Csakis PP, azaz Push-Pull kimenőbe nem kell légrés. De ha PP-t pítenél, az teljesen másképp szólna. 92-95dB/ 1W/ m érzékenységű hangfalat keress, ezekkel már nagyot fog szólni.
Èrtelek!
Az az igazság, hogy rengeteget javult!! Mostmár több a kraft is, de mindenkèppen keresek hangfalat hozzá, csak èppen nem tudom ,hol kezdjem a kutatást!! Valami jó kis vintage hangfalpárost szeretnèk hozzá, ès persze zárt dobozosat, nem szubcsöveset! Mèg egy kèrdès, hány ohmos ellenállattal hidegítsem a dobozt, hogy az a kicsi 50 hz búgás se hallatszódjon a kimeneten?
Írok privátot pikli ügyileg.
Hidegíteni?? Dobozt?? ![]() Nem attól búg. De mint látom oldalai fa, tehát az a kis fedél ami fém, az tökmindegy, nem sok vizet zavar. A búgattyúd oka példáúl a rosz TV-ből kitermelt lemágnesező köri fojtó, ami itt semmit se ér, mivel LÉGRÉSES fojtó kell aminek értéke legalább 5-6 H. Azaz attól a fojtócskától háromszor nagyobb EI, vagy kétszer nagyyobb kis hiperszil mag csévéje (pl. SM56) teljesen tele tekerve 0,22-0,26-s dróttal, légrés nyomtatópapír. Példáúl. Na ez fojtó, ami szűr is, de az ami neked van, az semit se csinál. Tehát dióda, graetz után 47u/450V, utána normális fojtó, /pl. amit említettem/majd lehet akér 680u/450V elkó is. Így lesz jó a szűrésed. Ellenállással is kipróbálhatod, ha nem találsz fojtónak valót, de jócskán fűteni fog, mert azért jó kis áram folyik a nagyfeszültségű tápon, mert A osztályú a végfokod. Tekercs job lesz.
Jelenleg 1000uf szűres van , szóval az nem lehet a búgás forrássa , mivel elég rendesen megvan pufferelve! Ettől sokkal jobban búgott , szinte gerjedt , hallgatni sem tudtam annyira, de rögzítettem a doboz fém részéhez egy 22ohm 3 wattos ellenállást amit összekötöttem az egyenirányóhíd negatív pólusával ,ekkor majdnem teljesen csendben lett , de attól még zavar kicsit , mert zene nélkül csöppet behallatszik a hangfalakba!Esetleg egy kisebb 10watt teljesítményű trafó primerje nem lenne jó ide , pl egy ei lemezelésű?
Nem jó hidd el. Csöves erősítőnél nagyon nem mindegy hogy van a tápegység kialakítva és szűrve. SE és egyéb A osztályú PP esetében is még kritikusabb a tápegység pontos szűrése, annak kialakítása. Legalább úgy kell, mint ahogy írtam a szűrést csinálni. A fojtó után teheted az 1000u-t, ha már van, de előtte nem. Ezen felűl még belső földhurok is lehet.
Csak úgy megjegyzem, hogy a 300b SE-mben egy megveszekedett elkó sincs a nagyfeszültség tápban, összesen 120u fólia kondi van és csöves az egyenirányításom is. De különben rád hagyom, csak előbb-utóbb a próbálkozások sorai után rá fogsz jönni, hogy nem hülyeség amit írtam. A tápegység kiléte drasztikus hatással van a hanfalban hallottakra. Pl. szuper gyors giódákat érdemes használni, ha nem csöves az egyenirányíteásod, (pl. SF18, vagy több áramra BYW) Ez is sokat jelent. Elkódra kell tenned egy 1u/600-630V MKP 10 Wimát, vagy hasonlót MKP-t, de lehet hegyezgetni a csillagos égig, a pénztárcád szab határt.
Nem vitatkozom én ! Teljesen igazad van , én csak kérdéseket teszek fel, anélkül nem fogom tudni a megoldást!
Köszönöm is a segítséget! Arra viszont nem válaszoltál , hogy miért szűnt meg majdnem teljesen a hangos búgás ,ahogy beiktattam a 22 ohm ellenállást? Lehet más értékkel el is tűnne teljesen? Nem tudom! Ha lesz időm szépen lassan mindent kipróbálok amiket javasoltál! A hozzászólás módosítva: Feb 9, 2021
Nem is vitának szántam írásaimat, még ugyan nyugodt vagyok. Hová tetted azt a 22 ohmot??
A dobozod fém felületére?? Ezzel letestelted. Ez jó. Viszont csillagpontos testet kell kialakítani a puffernél és ide kell lekötni a fém vázat is. Minden áramköri egységed hideg pontja ide csatlakozzék egyetlen pontba. Ha árnyékolt jelkábelt használsz, akkor annak egyik végén kell bekötni az ányékot sassihoz. A potméternél. Ha az fém házas, akkor azt is le kell kötni hidegpontra. A hozzászólás módosítva: Feb 9, 2021
Attila jó dolgokat ír, pár csövest megépített már Ő is. Bármilyen erősítőben a tápegység sokkal fontosabb szerepet kap mint maga a kapcsolás. Ha nem jó minőségű a tápfesz akkor sosem lesz jó minőségű a legjobb kapcsolás sem a legjobb alkatrészekkel megépítve. A tápegységbe kell egy C-L-C Pí szűrő, amelybe egy 8-10H-s fojtót teszel. Ez egy légréses EI magos vagy hipersil legyen, természetesen áramra méretezve! Ha nem jó, akkor nem látja el a feladatát, mert telítődik. A hálózati trafó primerje nem jó fojtónak, mert egyrészt kevés a menetszám, 5-600 menet van rajta, a fojtón meg 5-6000 menet van. Másrészt nincs légrés benne. A 22 Ohmos helyett inkább a bemenetnél kösd rá a házat a testre, és megszűnik a búgás, jó esetben, ha nincs földhurok. Egy SE-t sokkal gondosabban kell megcsinálni mint egy PP-t, mert a PP működési módja miatt jobban kikompenzálja a zavarokat, az SE kényesebb erre.
A kimenőidet is el kell szegetelni a fém váztól! És rezgésmentesíteni gumi távtartókkal, csavar se érhet a vázhoz. A trafó bilincseit is elszigeteled a vasmagjaidtól és azokat összehúzó csavarokat is nem mágneses annyagú csavarral kiváltod, pl.sárgaréz csavart meccel, de konrádnál van még négyes menetes szár is, és ezeket a csavarokat is elszigeteled a bilincsektől szigetelőgyűrűvel.
A szekunderek hidegpontjait is arra a sasszi szemre kötöd. A tàptrafót pedig le kell kötni a fém vázhoz, amire a földelés is kötve van. A hozzászólás módosítva: Feb 9, 2021
Közben ahogy nézem, éppen a legfontosabbról nem esett szó, pedig ott van a rajzon, azaz hogy nincs ott. A segédrácsokat soha ne kösd közvetlenül az anódra, hanem tegyél közéjük egy 100 ohmot, mert anélkül egy adott kivezérlési szint felett be fog gerjedni a cső.
Ez tökéletes magyarázata is lenne a nagyobb kivezérlésen jelentkező torzításnak amit tapasztaltál. Brumm semekkora sem lehet egy ilyen végfokban, 2-3 méterről semmit nem hallhatnál a hangszórókból jel nélkül csak a csendet. A fűtés egyik felét kösd le a GND-re egy 10-22 ohmmal. A tápban SE-nél a CRC szűrés általában nem ad kellő eredményt, vagy kell a fojtó, vagy az anódszűrő, első körben utóbbit javaslom, pár alkatrész az egész és számos előnye van, egyben késleltet is, azaz nincs szükség külön anódfesz késleltető áramkörre pláne relére.
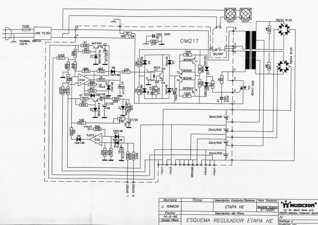
Sziasztok!
Szeretnék segítséget kérni a mellékelt kapcsolási rajzzal kapcsolatban. Ez egy 2*1200W/4Ohm rms teljesítményű végfok tápja. A Trafóra 900W-van írva, az erősítő hátuljára 3,3kW max. teljesítményfelévtel. Most ebbe a watt kérdésbe nem mennék bele, csak megjegyeztem. Viszont a tápja érdekes számomra. Látszik, hogy egy triakkal hergeli a primer tekercset. Valakinek ismerős ez a tápegység megoldás?
Egy nagy teljesítményű végfoknak nem /feltétlenűl/ kell tudásához megfelelő trafót beépíteni. Ha a tápjában kellő elkó, kapacitás van, a pillanatnyi zenei csúcsoknál pufferekből táplálkozik a végfok. Rengeteg gyári példa van erre. Ez régen megszokott dolog már.
a triak és az azt vezérlő áramköröd ott egy jó kis védelem. Baj esetén lekapcsolja a hálózati trafót. Ugy viselkedhet, mint a régi HED 60-as Cervin-Wega! végfok. Abban is volt hasonló dolog, de amikor a trafót kikapcsolja a triak, egy idő után elfogy a tápkondiból a védelem tápja is és egy pillanatra ujra bekapcsol, és megint és megint. A hangszóróból pattanó hangot haallasz ilyenkor, ha nem kapcsilod le azonnal a hibásodott végfokról. De ez csak akkor van, ha a védelmének nincsen külön kis trafós tápellátása! Remélem érted már a lényegét A hozzászólás módosítva: Feb 10, 2021
Szia! A 900 W-os transzformátor nem gyullad ki, ha a dinamikacsúcsokban 3300 W-tal terheled be.
Tartósan nem bírná, de a hangfrekvenciás jel teljesítmény eloszlása miatt, helyes a trafó méretezése. A hergelés alatt a kimeneti egyenfeszültség és tápfeszültségek meglétének figyelését kell érteni. Hiba esetén a triak zárva marad. |
Bejelentkezés
Hirdetés |












