Fórum témák

» Több friss téma
Fórum » AVR - Miértek hogyanok
 
Témaindító: pakibec, idő: Márc 11, 2006
Témakörök:
WinAVR / GCC alapszabályok:
1. Ha ISR-ben használsz globális változót, az legyen "volatile"
2. Soha ne érjen véget a main() függvény
3. UART/USART hibák 99,9% a rossz órajel miatt van
4. Kerüld el a -O0 optimalizációs beállítást minden áron
5. Ha nem jó a _delay időzítése, akkor túllépted a 65ms-et, vagy rossz az optimalizációs beállítás
6. Ha a PORTC-n nem működik valami, kapcsold ki a JTAG-et
Bővebben: AVR-libc FAQ
Lapozás: OK   59 / 843
(#) TavIR-AVR válasza wg_kezdo hozzászólására (») Jún 26, 2008 /
 
Szebbítve....

  1. #
  2. #
  3. Deflcdchar 1 , 32 , 32 , 32 , 16 , 30 , 31 , 32 , 32        
  4. #
  5. Deflcdchar 2 , 32 , 32 , 16 , 30 , 31 , 32 , 32 , 32        
  6. #
  7. do
  8. #
  9. Locate 1 , 1
  10. #
  11. Lcd Chr(1)
  12. #
  13. Waitms 10
  14. #
  15. Locate 2 , 1
  16. #
  17. Lcd Chr(2)
  18. #
  19. Waitms 10
  20. #
  21. Loop
  22. #
  23. End
(#) wg_kezdo válasza TavIR-AVR hozzászólására (») Jún 26, 2008 /
 
Összesen 40 átdefiniált karakterre lenne szükségem, de egyszerre max 6-ra. Ezért kell sajnos menet közben átdefiniálnom.
Amikor a repülővel felfelé mozog akkor egyszerűen átdefiniálom, ha előre definiálnám őket akkor egyből elfoglalna 5-6 karaktert és akkor az épületek még nincsenek sehol , Na meg a bombák .
De valóban ez lenne az elegánsabb megoldás.
(#) wg_kezdo hozzászólása Jún 28, 2008 /
 
Lassan megérkezik a próbapanelem amivel szeretném majd kipróbálni az AVR-t, gondoltam először veszek egy kisebbet és építek egy szokásos villogót.
Ehhez lenne szükségem egy kapcsolási rajzra aminél lenne 4 bemenet (kapcsolók) és mondjuk 4-8 kimenet (LED-ek).
(#) Topi válasza wg_kezdo hozzászólására (») Jún 28, 2008 /
 
Olvasd el a pic-es cikket, hogy kell ledet és kapcsolót hozzáilleszteni. Elv és a hardver ugyan az. Senki nem fogja részletesen egyedi kapcsolási rajzot rajzolni Neked!
(#) TavIR-AVR válasza wg_kezdo hozzászólására (») Jún 28, 2008 /
 
A LED a kimeneti lábra sorosan 680R + LED.

A kapcsoló hasonló.

Tessék elkezdeni olvasni.... magyarul:
Bővebben: Link
(#) wg_kezdo válasza TavIR-AVR hozzászólására (») Jún 29, 2008 /
 
Köszi, pontosan ezt kerestem így már van kiindulási alapom.
Furcsa, hogy már vagy 5x láttam ezt az oldalt a videóval együtt. Sajnos túl sok az infó egyszerre és még nem tudtam rendszerezni, de igyekszem.
(#) huba hozzászólása Jún 30, 2008 /
 
Sziasztok
Egy ilyen ledmatrix kijelzőt hogy célszerü meghajtani? 60x21 képpontos. Az adatokat bele kell shiftelnim, eddig eljutottam. Ma nekifogok részlegesen kirajzolni a belegyömöszölt logikahálót.

Elöször úgy gondoltam hogy veszek egy brutális matrixot minden pixelnek egy byte, de kis számitás után rájöttem temérdek ramot elvesz. Ezért egy byte minden bitjét ki kell majd használni. Valószínüleg nem célszerü videómemóriát használni, bár ebben az esentben nem lehet rá rajzolni csak a definiált karaktereket kitenni.

Mindenképpen úgy látom kinötte az eredetileg neki tervezett AtMega48-at. Utánaszámoltam 158 bytba beleférne a videómemoria ha kihasználok minden bitet.

Ha valakinek van karakerkészlete ne tarsa vissza.

kijelzo.jpg
    
(#) trudnai válasza huba hozzászólására (») Júl 1, 2008 /
 
Szia huba,

Nem tudom ez milyen formaban varja az adatokat, de en ugy latom ez 5x7-es karakter helyekbol all, akkor pedig lehet celszerubb lenne 1 byte-on 7 bitet kihasznalni es igy 5 byte 1 karakter hely. 5*3*12 = 180byte kellene a video ramnak ahogy hivod. 5x7-es karakter keszlethez meg konnyu hozza jutni... De mondom, ez fugg attol is milyen formatumban varja az adatokat, lehet van celravezetobb modszer is.

Udv,
Tamas
(#) GTI hozzászólása Júl 2, 2008 /
 
Sziasztok

Abban kérném a segítségeteket, hogy van nekem egy STK200-as programozóm (Csak simán vezeték semmi buffer) és egy atmega8-ast programozok vele. De az a baj hogy mindig le kell húzni a programozót ahoz hogy elinduljon a program.
Gondolom a Makfile-ban valahol be lehet állítani hogy program feltöltés után a reset láb magas állapotba váltson de hol?
(#) gtk válasza GTI hozzászólására (») Júl 2, 2008 /
 
Idézet:
„Gondolom a Makfile-ban valahol be lehet állítani hogy program feltöltés után a reset láb magas állapotba váltson de hol?”

Inkabb fel kell huzni egy ellenallassal.
(#) MaSTeRFoXX válasza GTI hozzászólására (») Júl 2, 2008 /
 
Építsd meg az IC-s STK200-ast, az leválik felprogramozás után, nem kell lehúzgálni, meg persze 10k-val felhúzni a resetet
(#) mazso1988 hozzászólása Júl 4, 2008 /
 
Sziasztok
szeretnék segítséget kérni van egy ATTiny 2313 kontrolerem és véletlenül engedélyeztem a Dwen bitet
és most egyáltalán nem csinálsemmit a proci próbáltam már külső órajelről üzemeltetni míg visszaállítom de semmit nem csinál
mit lehetne ilyenor tenni vele?
segítséget előre köszönöm
Üdv
(#) Topi válasza mazso1988 hozzászólására (») Júl 4, 2008 /
 
Resetet 10K-s ellenállással húzd tápra.
(#) mazso1988 hozzászólása Júl 4, 2008 /
 
Szia
felvan hüzva tápra a reset de sajna nem csinál így sem semmit.
Üdv
(#) huba válasza huba hozzászólására (») Júl 4, 2008 /
 
A kijelző logikahálózatát kirajzolva és tanulmányozva arra a következtetésre jutottam hogy értelmetlen és rengeteg időt venne igénybe átverekednem magam a bemeneti shift regisztekreken és számlálókon, csak azért hogy pár portlábat megspórólyak. Odáig jutottam hogy van két 21*8 as matrixom. Amig az egyikböl folyamatosan irom ki a dolgokat, a proci szabadidelyében a másikban elvégzi a másikban az elvárt módosításokat és mikor végez akkor elkezd abbol kirni. A kiirás már müködik elég jól, még timer-hez kell kössem. Most következik a neheze. Két lehetőséget látok. Beleprogramozni a karakterkészletet a prociba és sorosporton küldeni neki a kivánt stringeket módosítás esetén, ha nem elég az eeprom akkor van itthon 1Mbites SPI-s flash-em, vagy irni egy pc-s programot ami kiszámol mindent csak kiüldi az egymásután megjelenítendő
Idézet:
„képeket”
.

kijelzo2.jpg
    
(#) TavIR-AVR válasza mazso1988 hozzászólására (») Júl 4, 2008 /
 
Valakitől kérsz Paralell nagyfeszültségű programozót, vagy DW képes programozót.

Csak ezzel lehet visszanyitni.

Esetleg chip kuka....
(#) mazso1988 hozzászólása Júl 4, 2008 /
 
Szia
és úgy mégis merre érdeklődjek.
annyira nem vészes mert 300 forintért vettem az AVR-t csak mégis legalább megpróbálnám valahogy életre kelteni de eddig egyáltalán nem találtam ilyen programozóhoz kapcsrajzot.
Üdv
(#) TavIR-AVR válasza mazso1988 hozzászólására (») Júl 4, 2008 /
 
DW-hez nincsen
Az atmel dragonfly tud ilyet (~10eFt)


Inkább maradnék a másik ICnél, ez meg félrerak....
(#) mazso1988 hozzászólása Júl 4, 2008 /
 
Szia
de egyébként ilyenkor teljesen letiltja a reset lábat?
(#) MaSTeRFoXX hozzászólása Júl 7, 2008 /
 
Sziasztok!

Van valakinek valamilyen használható információja arról hogy hogy lehet az ATtiny2313 USI modulját használni I2c kommunikációra Winavr/Avr-gcc alatt? Már második napja koptatom a google-t eredménytelenül, vagy ha valaki tudna egy jó szofveres I2C megvalósítást annak is örülnék(úgyis rosszul terveztem meg a nyákot az USI-s megvalósításhoz...). 1 szer használtam eddig I2C-t, bascom alatt, ott minden ment pöccre, itt meg elég gáz jelenleg. Egy MCP9801-be akarok életet lehelni.
(#) zoknee válasza MaSTeRFoXX hozzászólására (») Júl 7, 2008 /
 
Hello!

Én Peter Fleury honlapján található I2C library-t használom, igaz a szoftverest nem próbáltam, de a hardveres az teljesen jól megy.
(#) MaSTeRFoXX válasza zoknee hozzászólására (») Júl 7, 2008 /
 
Köszönöm, tegnap is megtaláltam de akkor nem tudtam működésre bírni, de akkor véletlen a hardveres részével próbáltam, de persze egy darab hasonló regiszter sem volt a tinyban. A .S kiterjesztésű fájlal nem tudtam mit kezdeni, most hogy belinkelted, alaposan megnéztem, és kiderült hogy a makefileba bele kell rakni a .S fájlt az asm-ek közé. De most sikerült végre elindítanom a hőmérőt, szoftveres I2C-vel
(#) TavIR-AVR válasza mazso1988 hozzászólására (») Júl 7, 2008 /
 
Igen, a Reset megszűnik Reset lenni....
(#) mazso1988 hozzászólása Júl 7, 2008 /
 
Szia
igen megszűnt egyáltalán semmilyen eszközzelnemtudtam ujra programozásba léptetni asszem a sorsa kuka lesz mindenképp.
(#) mazso1988 hozzászólása Júl 8, 2008 /
 
Sziasztok
valaki nemtudna valami hasznos információt arrol hogy az
AVR-ek Lock bitjeit hogyan kell konfigurálni külömböző memória zárolásra az adatlapban olvasgattam csak annyira azért nemtudok angolrol fordítani hogy valóságban be is merjem álljtani őket.
Üdv
(#) TavIR-AVR válasza mazso1988 hozzászólására (») Júl 8, 2008 /
 
Bővebben: Link

"Védelmi szempontból a legfontosabb biztosítékbitek az ún. LockBit-ek. Itt többféle beállítással találkozhatunk:

A chip asm utasításaival (LPM/SPM) írható és olvasható a belső programmemória. Ezt tilthatjuk a program- illetve a boot-flash részre is külön-külön. A külső programozók (soros és párhuzamos esetre is) szintén letilthatóak.

A legtöbb kontrollernél az ISP letöltés a biztosítékbitekkel kikapcsolható, ezzel az egyszerű átprogramozhatóságot és kiolvasást le lehet tiltani. Fontos! Ha ISP-n át programozunk, ez nem járható út, ugyanis ez olyan lenne, mintha a szőnyeget rántanánk ki magunk alól.

A nagyobb ATMega chipek esetén elérhető a JTAG port. Ezen keresztül valós idejű hibakövetést, debugolást végezhetünk programfutás alatt az éles rendszerben; valamint programozásra is alkalmas. Előnye mellett vannak hátrányai is: 5 kivezetést elfoglal használat közben, a processzor normál működése alatt is! Ha nem használjuk a JTAG funkciókat, érdemes letiltani."
(#) mazso1988 hozzászólása Júl 8, 2008 /
 
Szia
köszönöm a választ de ha letiltom az irás és mondjuk az olvasást akkor még attol a konfigurációs biteket belehet olvasni és visszalehet állitani alaphelyzetbe mindent igaz?
csak a programmemóriát zárolja?
Üdv
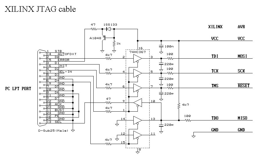
(#) AtomCity hozzászólása Júl 8, 2008 /
 
Sziasztok!

ATMega162-t és XC9572-t szeretnék programozni.
Az AVR-eknél láttam olyan égetőket, amik TDI,TDO,TCK,TMS-t használnak, vannak, amik MOSI,MISO,SCK,RESET-t, ezek megfelelnek egymásnak?
A másik kérdésem, ha JTAG kábelt készítek, akkor az vajon jó-e az avr-hez és a xilinx-hez is?
Az alábbi kapcsolások közül melyiket ajánlanátok (jó lenne, ha minél egyszerűbb lenne és mind a 2 ic-t tudja programozni, kezdő célra lenne!) ???
Előre is köszönöm!
Üdv
(#) AtomCity válasza AtomCity hozzászólására (») Júl 8, 2008 /
 
Még 2db kapcsolás
(#) TavIR-AVR válasza mazso1988 hozzászólására (») Júl 8, 2008 /
 
SPI-t tartsd. meg. kolvasni nem tudod. DE:
chip reset(alaphelyzetbe állítás) esetén:
- Lockbit kinyit
- EEPROM töröl
- Flash töröl
Következő: »»   59 / 843
Bejelentkezés

Belépés

Hirdetés
XDT.hu
Az oldalon sütiket használunk a helyes működéshez. Bővebb információt az adatvédelmi szabályzatban olvashatsz. Megértettem