Fórum témák
» Több friss téma |
Közbe keresgéltem neked adó vevő modult, ez kb 2km-ig jó azt írják nyílt terepen és ezzel elég egyszerűen meg lehetne építeni a lámpát. Bővebben: Link
Üdvözlet!
Ez nem ilyen egyszerű. Közúton csak bevizsgált és minősített berendezést használhatsz!Nekünk is volt házi vezérlőnk gyári lámpákkal (közmű építés), majdnem bünti (százezres tétel) lett belőle úgyhogy gyorsan megváltunk tőle... A hozzászólás módosítva: Szept 15, 2014
Hello! Igazából Tatu fórumtársunknak rajzoltam ezt az áramkört, de hátha másnak is megtetszik, vagy egyéb ötletet szerez belőle.
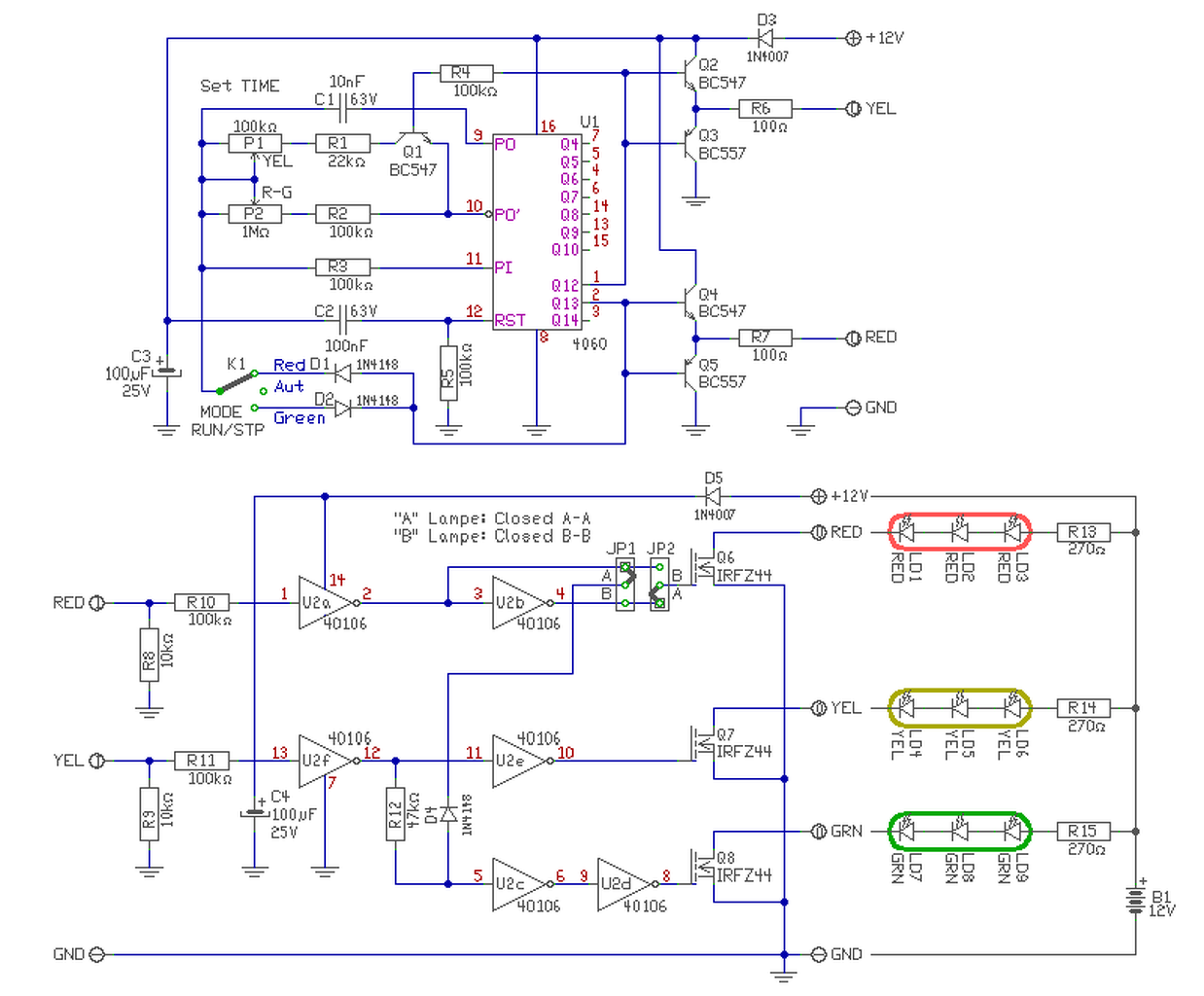
- Egy forgalmi lámpa jelzése 4 ütemből áll. Így a működés ütemezését a "központi vezérlő", tulajdonképpen egy bináris számláló két bitjével vezérli a lámpákat. (Két bitnek négy állapota lehetséges.) A lámpa keresztirányú forgalom vezetésére is alkalmas. - A vezérlő egyetlen CD4060-as számlálót alkalmaz, ahol az időt az IC oszcillátora szolgáltatja. A működési idő két potival állítható. A P1 a sárga jelzését, míg a P2 a piros-zöld jelzések idejét állítja. (Teljesen nem független a két is azért egymástól, de ez még szerintem az "elviselhető tartományban " van.) Látható, hogy a sárga kimenet magas szintje alatt, a Q1 tranzisztor bekapcsol, és gyorsítja az oszcillátor működését. A K1 kapcsoló középállásban hagyja futni az oszcillátort, így a lámpa automatikusan váltogat. Viszont a "RED" vagy "GREEN" állásában megállítja az oszcillátort, ha a számlálás oda ér. Így a lámpa egy forgalomirányban megállítható. A kimenti jeleket a Q2..Q4 tranyók, mindössze csak terhelhetővé teszik. - A lámpa áramkörök kialakítása egységes. Minden lámpa dekódolja a saját jelzését, a "RED-YEL" két adatvonalából. Hogy "egyenes irányú", vagy "kereszt irányú" lámpáról van szó, azt a két Jumper-el (vagy sima átkötéssel) meghatározható. Így a lámpa áramkörök kialakítása egységes lehet. Ha a lámpa "egyenes irányú" (A) akkor az "A"-val jelzett pontokat kötjük össze a lámpában. Ha "keresztirányú, akkor a "B"-vel jelzett átkötéseket használjuk. - A lámpák táplálása akkumulátorosra lett kigondolva. Lehet a vezérlőnél is elhelyezni a "központi aksit", ekkor minden lámpához négy vezetéknek kell menni. Plusz, GND (mínusz), Red, Yellow. Természetesen a tápvezetékeknek kellően vastagnak kell lenni, a jelvezetékek lehetnek vékonyak. (Létezik ilyen speciális riasztó kábel, ha jól emlékeszem.) De mód van arra is, hogy a lámpák önálló akkumulátorral rendelkezzenek. Ekkor csak három vezetéket kell lámpáról-lámpára vezetni. GND, Red, Yellow. Ez lehet vékony kábel, vagy akár egy kéteres árnyékolt valamilyen hangfrekis dugóval is. - Magában a lámpákban Led-ek vannak elhelyezve, amit az IRFZ44 kapcsolgat. A Led-ek csoportosítása (soros kapcsolása és a párhuzamos ágak kialakítása "létra jellegű lehet) tetszőlegesen kialakítható. Egy-Egy kimenet akár 2A-al is terhelhető. Természetesen ha kis makett lámpát készítünk belőle, akkor a Fet akár el is maradhat, az IC maga is képes meghajtani egy-egy Led-sort. De ekkor természetesen a Led-ek közös pontja a plusz táp helyett a GND lesz és nem az anódok, hanem a katódok lesznek a GND-n.. A hozzászólás módosítva: Okt 15, 2014
Hello
Ezeknél a sablonos 555-4017 es kapcsolásoknál hogy lehet start-stop gombbal ellátni? Városunkban szokott lenni roncsderbi-autócross s megkértek készítsek egy start lámpát. Az alapja ugyan ez lenne, csak gombnyomásra indulna el a folyamat. 2mp-enként felgyullad sorba a 3 lámpa ennyi, max a végén mind kialszik szerintem ez lenne a leglátványosabb. 250w-os reflektorok megvannak már. Alap ic-k itthon megvannak, csak a reset funkcióra nem jövök rá. Köszi
Hello! Legegyszerűbben, ha a három lámpa a Q0-Q1-Q2 kimenetre van kötve. A Q3 ütemnél megállítod az ütemadót. Majd a Start gombbal pedig törlöd a számlálót. Megnyomva ezt újra el fog számolni Q3-ig és ott leáll. (Egy szépséghibája lesz, hogy tápfesz bekapcsolásakor eljátszik egy "indítást". De lehet tesz gyanánt ez nem is rossz. Vagy a lámpák tápját később kapcsolod be.)
De kívánságra rajzoltam már ilyesmi áramkört. Itt pld. négy piros után jön egy zöld.
Megépìtettem csak az ic-s részt. Bekapcsoláskor nem fut végig,alap állapot hogy a Q0 aktìv. Gombnyomásra lefut a lépkedés Q1-Q2-Q3 Q4-re kötve IC 8-9 lába. Meg is áll a lépés újra Q0 aktìv. Működik csak máshogy
Ha nem rajzolod le, nem fogom megtudni mit is építettél. Valamint pontosan le kellene írni, hogy hogyan is szeretnéd, hogy működjön.
Tökéletesen működik köszönöm szépen! Annyi hogy mikor áramot kap nem fut végig, plusz alap állapotban mikor lefutott a Q1 aktìv, s az is marad. Nincs a cd4017 nek olyan állapota,hogy egyik kimenete sem aktìv, mint ahogy gondoltad/tervezted .Videjom Linkje
Hello! Egyszerű a dolog, a Q0 kimenrtét nem használod, csak a Q1-Q2-Q3-at kötöd a lámpákhoz. Ekkor Reset alatt a mindig a Q0 aktív (nem a Q1). Oda nem lámpát kötsz, hanem egy Led-et. Akkor azon látod hogy amikor bekapcsolod Reset-ben van a dolog.
Egyébként nem lehet olyan, hogy "egyik kimenete sem aktív". Hiszen ez egy dakádikus számláló, ami 0..9-ig számol. Nyilván valamelyik kimenetének mindig aktívnak kell lenni. Egyébként nem illendő egy Led-et közvetlen a kimenetre kötni. Túlterhelheti az áramkört.
Szia!
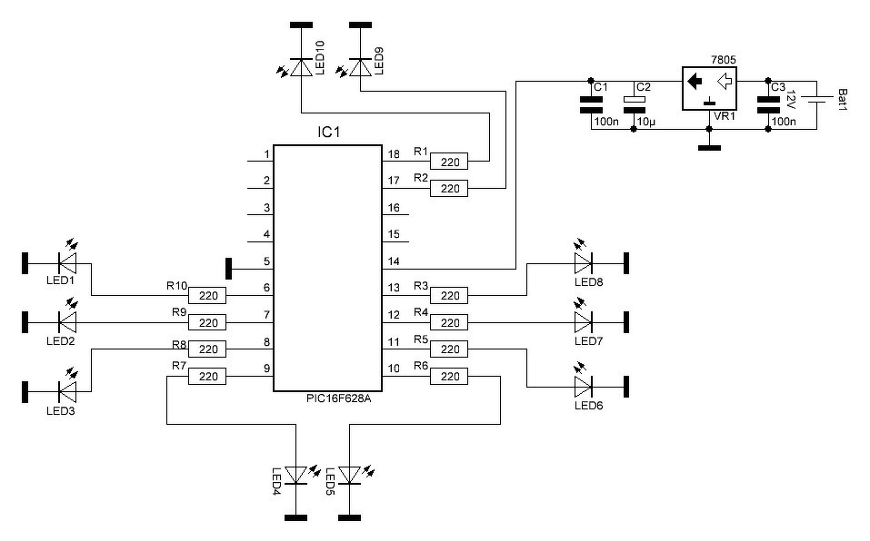
Szeretném elkészíteni az általad közkincsé tett közlekedési lámpát. A hex file-t sikeresen letöltöttem. A programozással szerencsére nem lesz problémám. Nagyon megköszönném, ha tudnál küldeni számomra kapcsolási rajzot a készülékről, ami nagy segítség lenne. Üdvözlettel: János
Üdv!
Ez annyira egyszerű mint egy faék.. Azért nem is csinált hozzá kapcsolási rajzot szerintem. Amit leírt abból 5 perc alatt bárki meg tudja építeni, vagy kapcsolási rajzot csinálni.
Mellesleg én a programot a videóhoz hasonlóra módosítanám.
Ez pont úgy működik mint a videóban, annyi különbséggel hogy állítható a váltás ideje 10-60 másodperc közt
A hozzászólás módosítva: Okt 11, 2018
Szia! csak ez meg nem kompatibilis az első verzió hardverével..
Csinálhatok új kapcsolási rajzot.
Szia ne haragudj a zavarásért , de valami nem stimmel ezzel a lámpával kérlek nézd már meg. az lehet hogy a nyomógombok nem jól vannak bekötve de nem is úgy váltanak mint ahogy kellene. próbáltam végig követni de valami más hiba lehet, lehet szoftverbe van gond.
Az RA6 lábra a bekütütt led nem világit soha például A hozzászólás módosítva: Máj 23, 2021
Módositottam a rajzon a kapcsolóknál nem tudom azok igy jól vannak
értelek köszönöm, csakm a kérdés az miért nem világit a RA6-RA7 Ra3 rendesen it a két kép váltásukkal
A hozzászólás módosítva: Máj 23, 2021
Mit jelent az hogy rendesen ? Világít de nem jókor vagy összevissza vagy egyáltalán nem ?
Videót tudnál róla csinálni ?
A 2 perc után lehet látni hogy a sárga led nem csinál semmit, D11 ledről beszélek
A hozzászólás módosítva: Máj 23, 2021
Szerintem meg van mi a baj , a leirásban nem ott vannak a lábak ahol a rajz meg mutatja szerintem ott a baj. Csak kérdés a hex program hogy van most akkor
Az MCLR láb fel van kötve + tápra 1-10k ellenállással ? Ha benyomod az RB 5 kapcsolót akkor villog minden sárga ?
A hozzászólás módosítva: Máj 23, 2021
most már fel kötöttem , de változás semmi, sőt a rb5 kapcsolót bekapcsoltam és nem reagál rá hogy a sárga zöld villogjon, mint látod bekapcsolás után igy indul
majd egy idő után jön a többi A hozzászólás módosítva: Máj 23, 2021
Próbáld ki ezt a hex et (itt csak a lámpák vannak ) de ha jó akkor beleteszem a gombokat is, olyan régi a hex hogy a forrást már nem is találom.
A hozzászólás módosítva: Máj 23, 2021
RA+,RA6,RA= vannak a led lábai ? vagy RA4 -es a sárga led é
RA4 open drain (mint az open collector) kimenet, magától soha nem megy magas szintre, felhúzó kell rá
Hello! Már bocs hogy beleszólok, de at RA4 sosem fog magas szintet kiadni, ugyan is nyitott Drain kapcsolású a kimenet.
rendbenn köszi én nem értek hozzá csak gondoltam a kapcsolási rajzból. köszi
|
Bejelentkezés
Hirdetés |




úgyhogy gyorsan megváltunk tőle... 


Csinálhatok új kapcsolási rajzot. 









