Fórum témák
» Több friss téma |
Mielőtt kérdezel, a következő két dolgot ellenőrizd!
I. A helyes tápfeszültségek megléte.
II. A kimeneten van-e egyenfeszültség.
Élesztés.
Szerintem 4-5 pár FET-tel kalkulálj, pláne, ha később 4ohmot is szeretnél használni.
+/-70V-al kb. 800-900W érhető el hidalva, trafótól és puffertől függően.
Ha a meghajtásnál nem okoz gondot, akkor természetesen bővítem a fetek számát.
Valószínűleg nem lesz vele gond, maximum a magasaknál megnövekszik a torzítás.
Az nem lenne gond. A mély tartományban kell dolgoznia majdan.
Akkor hajrá. Nekem egyébként ilyen volt a 600W-os végfokom.
Szia!
A párhuzamos fetek nagyobb áramnál már közel egyformán fognak vezetni, a gond a kis áramoknál jelentkezik. Ezeket a feteket nem 10mA áramra tervezték. Vagy elfogadod hogy a nyugalmi áramnál csak egy-egy fet vezet, vagy válogatod, vagy egyenként trimmeled ki őket. Én ez utóbbit alkalmaztam egy basszus gitár erősítőben. Nekem 2X70V tápról ment 6 pár IRFP240/9240. Azért kellett ennyi fet, mert az EBS 610 csak 2,66 Ohm. Az "N" csatornás fetek gate soros ellenállása 680 Ohm, a "P" csatornásoké a nagyobb CGS és CGD kapacitások miatt 470 Ohm. A fetek GS lábai közé kerültek a trimmelő ellenállások. Nálam 22kOhm és 330kOhm közötti értékek oldották meg a problémát. Munkapint stabilizálásként nálam is mosfet került beépítésre.
Köszönöm! Így már értem, hogy miért van akkora szórás a nyugalmi áramoknál. Engem önmagában az nem zavarna, hogy így alakulnak a fetek nyugalmi áramai. gondolom, hogy ez főleg kis kivezérlés mellett okozhat számottevő torzítást. Vagy okozhat ez más jellegű problémát is?
Esetemben a gate-ek soros ellenállásai egységesen 100 Ohmosak. Jobb lenne ezeket az N csatornás 240-ek esetében mondjuk 200 Ohmra cserélni az egyensúly érdekében?
Ha csak mélyeket erősítesz vele, akkor nem kritikus a gate ellenállások értéke.
Azért szeretném kihozni belőle amit lehet. Elgondolkodom a fetek trimmelésén is. Egyébként az általam említett 100-200 Ohmos gate ellenállás érték nagyjából megállja a helyét?
Ha nem gerjed, akkor jó. Ezeknek az ellenállásoknak ez a szerepe.
Igazából a trimmelés akkor lenne inkább fontos, ha otthoni hifire tervezed. Hangosítás, vagy diszkó esetén a nyugalmi áram kevésbé kell, hogy pontos legyen
Érdekelne ez a nyugalmi áram beállító, illetve az is, hogy ezt hogyan tudom a saját kapcsolásomba beilleszteni.
A BD139-et váltja ki.
Köszönöm! Az irf pedig ugyanúgy a teljesítmény fetekkel közös hűtőre megy, ha jól sejtem.
Ahogy mcc is írta, szub esetén nem kell foglalkozni vele.
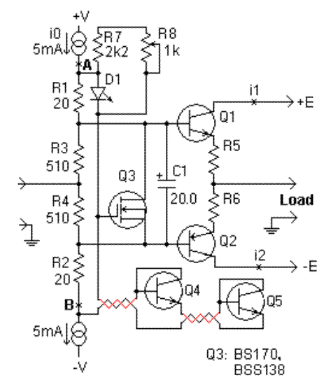
Itt van egy kísérleti módosítás, ahol a nyugalmi áram elmászását próbáltam javítani. Egyetlen pár feten folyik csak nyugalmi áram, és ahogy látszik, ezeknek 1 Ohm a SOURCE ellenállásuk. Ez elég nagy érték ahhoz, hogy ne legyen tudjon megszaladni az áram. A többi három pár fet "C" osztályban dolgozik, ezért kivezérlés nélkül nem folyik rajtuk áram. Ezt úgy érjük el, hogy egy PN átmenetnyi feszültséggel kisebb GATE feszültséget kapnak. Ezeknek minimális értékű is lehet a SOURCE ellenállása, mindössze a túláram védelem miatt van szükség rájuk. A rajzon ez a részlet nincs az egyszerűség miatt. Az emelt meghajtó tápfesz miatt szinte tápig kivezérelhető a végfok, ez már a megépült basszus erősítő esetében is jól működött, azóta is szeretem használni.
A D2-D3 diódákat bent kell hagyni a kapcsolásban? Ez a fetes, illetve a tranzisztoros nyugalmi áram szabályzásnál is így van? Mármint a reloop féle BD-s szabályzó esetében is szükségesek?
Nem kell. Az egy hozadék, vagyis eredetileg egy olyan erősítőt próbált meg a szerző olcsósítani, ami laterális fetekkel készült. Vélhetően nem nagy sikerrel. A laterális fetek azért lettek kedveltek, mert 100mA áramnál van a hőmérsékletfüggetlen munkapontja. Ráadásul ez 0,3-0,8V UGS feszültségnél áll be. Ha vakon egy-egy PN átmenetnyi előfeszültséget alkalmaznánk mindenféle trimmer nélkül, akkor is 40-150mA közé állna be a nyugalmi áram, és ez télen-nyáron alig változna, így nem is kell hozzá figyelni a fetek hőmérsékletét.
Az IRFP240-9240 is rendelkezik hőmérsékletfüggetlen munkaponti árammal, de ez az áram az IRFP240 esetében 15A, az IRFP9240 esetében 5A körül van. Ekkora áramot nyilván nem akarunk beállítani.
Addig értem, hogy a laterális fetek használata mellett nincs szükség rájuk. De nekem az IRFP-k mellett kell plusz dióda a nyugalmi áram stabilizáló kapcsolással sorosan? Vagy a tranzisztor / fet helyettesíti őket?
Nem kell a két dióda. Csak a tranzisztor.
Ha a túlszabályzást el akarod kerülni, akkor inkább mosfet. A szilícium PN átmenet ami normál esetben 0,6-0,7V körül van -2mV/Fok értékkel változik, azaz 50 Fokkal melegebben ez a feszültség már csak 0,5-0,6V lesz. Az UBE sokszorozó (ez az az áramköri részlet, ami a munkaponti nyitófeszültséget állítja elő) ezt a -2mV/Fok értéket annyiszorosára növeli, ahányszorosra van beállítva a BE sokszorozás. Saccra ebben a Baji végfokban 6-7V szükséges a P és N csatornás mosfetek GATE elektródjai közé, így ez kb 10X-es értéknek felel meg, tehát -20mV/Fok. 25 Fokról 75 Fokra melegedés esetén kereken 1V feszültséggel fog csökkenni a GATE elektródok közötti (bias) feszültség. Az IRFP240/9240 együttes transzfer karakterisztikáit nézve 20mA nyugalmi áram felett már túlszabályoz a BD verzió, 100mA esetén több mint 2,5X nagyobbat változtat a tranzisztoros változat a kelleténél. Az IRF530 is csak akkor szabályoz szinkronban, ha olyan áram folyik rajta ahol éppen azonos lesz a UGS változás a végfetekével. Profi megoldást jelentené, ha két sokszorozót kötnénk sorba. Egyik tag egy BD13x, a másik pedig TL431 lenne.
Látom, hogy léteznek jobbnál jobb megoldások a nyugalmi áram beállítására (pl. a lenti képen), és örülök, hogy a leírásod alapján egy kicsit érthetőbb is számora a dolog.
A kérdés az, hogy konkrétan ezzel a kapcsolással milyen szintig érdemes elmenni? Az alap kapcsolást hőfok független, instabil nyugalmi áram szabályzással adták ki (Bajiék) és ehhez képest nyilván hatalmas előrelépés a BD-s megoldás is. Ezt a kivitelt jó néhányan meg is építették az itteni fórumozók közül is. A gyakorlatban van értelme az IRF530-as szabályzásnál is komolyabbat építeni? Van ennek hallható, vagy érezhető hatása? A hozzászólás módosítva: Máj 26, 2021
Valóban el lehetne bonyolítani a bias áramkört a végtelenségig, de kérdés, hogy szükséges-e. Ezt az erősítőt amúgy sem hifisek fogják használni, ezért elsődleges szempont a stabil, megbízható működés. Ez elsődlegesen a drága hangsugárzók védelmében nyilvánul meg, másodlagosan pedig hogy végig bírja a bulit. A torzítás harmadrendű.
Ez utóbbi függ a korrekt nyugalmi áramtól, de szub esetében szerintem nem lesz érezhető az sem, ha nullára esik, főleg hogy alapértelmezetten közel maximális hangerővel fog dübörögni. Ami még fontos, hogy milyen körülmények közt fog üzemelni. Ha zárt teremben folyamatosan nagy hangerőn, akkor relatív kis hőmérséklet tartományban kell stabilnak lennie. Ebben az esetben a BD-s verzió sem tud túlszabályozni, legfeljebb ha üzemmeleg állapotban lesz belőve a nyugalmi áram, hidegen kicsit nagyobb lesz. Ez a buli első húsz percében 20-100W-tal nagyobb áramfelvételt jelent, amit a hideg fetek nem fognak rossz néven venni, lévén ez számukra jelentéktelen. Kültéri hangosítás esetén viszont gyakorlatilag a karácsonyi -20 Foktól a nyári verőfényes délutáni +60 Fok között bármi előfordulhat. Ráadásul néha halkan, néha ordítva kell szólnia az erősítőnek. Ha ez még azzal is társul hogy széles sávú hangsugárzót kell hajtani, akkor mindenképpen hőfokstabil munkapont beállítást kell választani. Összefoglalva mélyládához zárt teremben BD vagy IRF. Szabadtér mélyládához, és zárt teremben szélessávra IRF. Szabadtér szélessávra egyedileg trimmelt, de én itt már topológiát váltanék.
Köszönöm! Ez a válasz teljes mértékben tisztázza a szóban forgó kapcsolás, nyugalmi áram stabilizálásának, illetve a fet trimmelésének kérdését.
SziaSZTOK! GYári vintage erősítőket használok (Sony és gruNDIG), viszont ezeknek kevés a bemenete. Készítettem egy bemenetválasztót, viszont ha erre a laptopot teszem, alacsonyabb a hangerő. Tudnátok ehhez egy erősítőfokozatot ajánlani? A többi jó, csak a laptop hangszórókimenete kevés.Köszönöm!
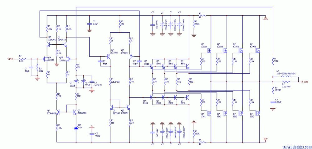
Érdekelne a véleményetek egy másik, ugyancsak IRFP240-9240-es kapcsolásról (LJM-L15). Érdekes számomra, mert minden fet külön tranzisztortól kapja a maghajtást. A hőkompenzálás IRFS610, tehát elméletileg kicsit fejlettebb, mint a Baji fél panel. Ami szerintem probléma, és ha tévedek javítsatok ki, hogy bár a fetek egy sorozatból származnak, nincs kimeneti drain ellenállás. Az eddigi ismereteim alapján szinte lehetetlen olyan pontosan összeválogatni a feteket, hogy ne legyen rá szükség.
Az erősítő egyébként működik. +-45 Voltról indítottam, nincs különösebb melegedés, nem zúg, igazából stabilnak tűnik. Életképes megoldásnak tűnik? A kici kínai megoldások ugyan nem élvezik feltétlen bizalmamat, de azért vannak olyan eszközeim tőlük, amik probléma nélkül működnek.
Helló
Ezt a Videotonos dolgot a facebookon is kitárgyaltuk,de ott se fogadtad meg senkinek a tanácsát ,mindenkinèl többet tudtál. Ott is rengetek segítsèget kaptál,ès úgy látom mèg mindíg egyhelyben toporogsz. Itt sem fogják tudni online - on kicserèlni az alkatrèszt ami hibás.
Az első projekt a lenti kép szerinti állapotban van jelenleg. Mesze még a végső kivitel, de azzal nyilván meg is kell várni, hogy stabil legyen az egész szerkezet. Örülök, hogy vannak még ilyen fórumok. Vannak tagok akiktől rengeteget lehet tanulni, és azért bőven akadnak itt olyan problémák, amiket a kellő tudás hiányában, a segítségetek nélkül nem, vagy csak rengeteg idő és energia ráfordításával sikerült volna megoldani.
Ezt a modult nem ismerem, de hirtelen nem is találtam róla kapcsolási rajzot.
Mire is jó a SOURCE ellenállás? Lehet rajta figyelni a feteken folyó áramot, vagy inkább az áram miatt a rajta eső feszültséget, így túláram védelemnél ez jól jöhet. De mekkora feszültség is esik rajtuk? Egy tipikus 0,22-0,47 Ohmos érték esetén 1A áramnál 0,22-0,47V. 5A áramnál 1,1-2,35V. Ezek a feszültségek már elég nagyok hozzá, hogy az ilyen áramok esetén előforduló 0,2-0,5V közötti UGS feszültség eltérések miatti DRAIN áramokat úgy tudják kiegyenlíteni, hogy a párhuzamosan használt mosfetek disszipációs terhelése 20-30%-on belül legyen. De ha megnézzük az egy szériából származó feteket, ekkora áramok esetében SOURCE ellenállások nélkül is tudják ezt a 20-30%-ot. Ráadásul nagyobb áramok esetén egyre közelebb van a termikusan stabil munkapont, ami azt eredményezi, hogy akkor is együtt fogak dolgozni a párhuzamos fetek. Ha azok hőmérséklete nem azonos. Az pedig nem lesz az, mert ventilátoros hűtésnél a beáramlási oldal mindig hidegebb. Ennyiből kiderül, hogy nagy áramoknál nem is kellene ellenállás, vagyis legfeljebb akkora, ami elégséges egy esetleges túláram, vagy zárlatvédelemhez. De most igazából a nyugalmi áram egyenletes eloszlásában kellene hogy segítsen az a DRAIN ellenállás. Egy hangosítós végfok nyugalmi áramát nem szoktuk nagyra választani. Gyakorlatilag 50mA teljesen általános ebben a kategóriában, ami 4 pár fét esetén 12,5mA fetenként. Ez a 0,22 illetve 0,47 Ohmos ellenálláson 2,75, és 5,875 mV feszültségesést jelent. Ez nagyon kevés az ekkora áramokhoz tartozó UGS feszültségek (200-500mV) eltéréseinek kiegyenlítésére. Ebből látszik, hogy a nyugalmi áram egyenletes elosztásának ez a módja teljesen értelmetlen, ha nem tudunk nagy számú mosfetekből mérés segítségével válogatni. Ha lemondunk az áramkorlátozásról, akkor gyakorlatilag nincs szükség a DRAIN ellenállások alkalmazására. Laterális feteknél én nem is használok, ennek ellenére áramkorlátozásra ott is szükség van. Mivel ezek a laterális fetek viszonylak kis meredekségűek, egyszerű zéner diódás korlátozóval könnyen be lehet skálázni az áramlimitet. IRFP240/9240 esetében ez kicsit nehezebb, mert nagyobb meredekségűek, nagyobb nyitófeszültségűek, ezért egészen szűk az a sáv, ahol limitálni kellene az UGS feszültséget a túláram védelem céljából, ami ráadásul hőmérséklet függő is. Ezt gyakran elhanyagolják, pedig egy eltaposott hangszóró vezeték nagy károkat tud okozni. Áramlimit nélkül csak az otthoni hifit szabadna üzemeltetni, de azt is csak akkor, ha senki más nem piszkál hozzá, csak mi.
Kapcsolási rajzot azt én sem találtam, pedig rengeteg oldalt végignéztem ez ügyben. Nem igen találkoztam még olyan kapcsolással, ahol így van megoldva a végfokozat meghajtása. Megpróbálom ez ügyben megkeresni a fejlesztőt, bár nem hinném, hogy sikerrel járok. Néhány fórumban tárgyalják a kapcsolás összeállítójának a többi erősítőjét, de pont erről sajnos nincs túl sok infó. Jól értem akkor, hogy ha ebben a kapcsolásban nincs védelem, akkor igazából nincs is értelme ellenállásokkal bővíteni? Első hallásra nem volt hallhatóan torz, alacsony kivezérlés mellett sem. (Asszem lassan csinálnom kellene valami egyszerű, op ampos fázis fordítót, mondjuk egy 5534-esre építve.)
Nos, mégis sikerült beszélnem a szerzővel. Azt írta, hogy nem adja ki a kapcsolás rajzát, mivel nem akarja, hogy bárki változtasson rajta. Ez nyilván érthető is. Annyi iránymutatást adott, hogy a Goldmund erősítők irányvonalát követi a panel. Erről már találtam rajzokat. Érdekes felépítés. Az utánrajzolat természetesen nem az én munkám, de talán valósághűbb képet ad, mint a másik kép.
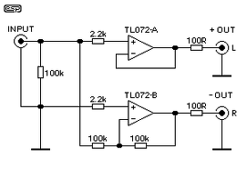
Igaz, hogy alapvetően ez nem ide tartozik, de érdekelne, hogy ha megépítem a képen látható fázisfordítót 5532-vel, illetve a megadott ellenállás értékekkel, az jó lesz nekem a híd elé? Esetemben a végfok - bemenete és a gnd ugyanaz. Ez problémát jelent?
A hozzászólás módosítva: Máj 28, 2021
0,5mV körüli értéket mértem, de azok tranzisztorok jók, egy multiméterrel, és egy tranzisztor tesztelővel is néztem. Az ellenállások is megfelelőek a környékén és a diódák is.
|
Bejelentkezés
Hirdetés |






Esetemben a gate-ek soros ellenállásai egységesen 100 Ohmosak. Jobb lenne ezeket az N csatornás 240-ek esetében mondjuk 200 Ohmra cserélni az egyensúly érdekében?














