Fórum témák

» Több friss téma
Fórum » Erősítő mindig és mindig
Mielőtt kérdezel, a következő két dolgot ellenőrizd! I. A helyes tápfeszültségek megléte. II. A kimeneten van-e egyenfeszültség. Élesztés.
Lapozás: OK   151 / 2577
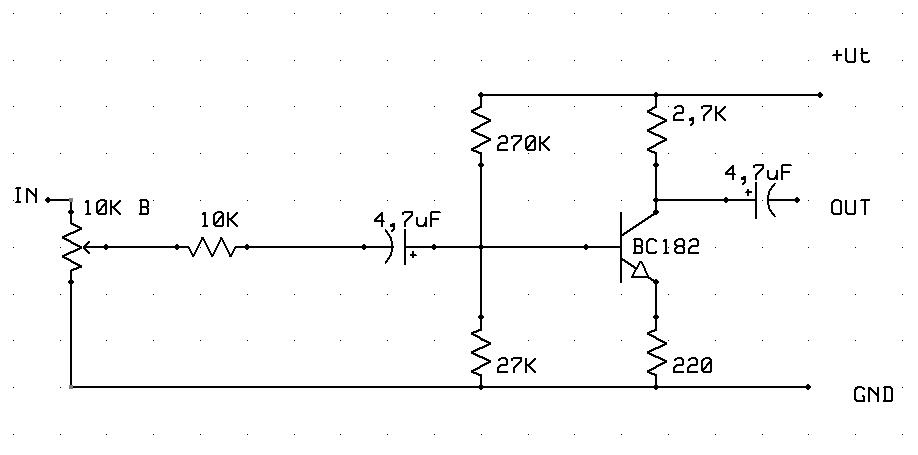
(#) szamóca válasza roland9 hozzászólására (») Jún 29, 2008 /
 
De igen. A Q8 pozíciószámú végmeghajtó IRF610-et, És hűtést igényel még Az LM317 stabilizátor IC is.
(#) szamóca válasza pesta19920809 hozzászólására (») Jún 29, 2008 /
 
Nem értek mindent (lehet öreg vagyok ) amit kérdezel.
25+25W os hibrid most egy tokon belül, vagy monoblokként akarod építeni? Ilyeneket az STK sorozat moduljai közt találhatsz.
Sajna a könyvet nem ismerem.
A hangszóró impedanciával, valamiféle teljesítményadatával meg nem tudom mit akarsz . A "2va" ha 2VA (voltamper) akkor ezzel sem értem mit akarsz .
(#) roland9 válasza szamóca hozzászólására (») Jún 29, 2008 /
 
okés akkor jól gondoltam IRF610-es védd a hőmegfutástól ha jól gondolom.
köszi szépen a segítséget
(#) Joseppe210 hozzászólása Jún 30, 2008 /
 
Szevasztok. Vettem 2 éve egy Hitachi HA-250 erősítőt.
1 hétig használtam semmi gond nélkül.
Aztán egyszercsak már nem adott ki semmi hangot.
A Piros kontroll led világít, de semmi hang nem jön ki rajta. Észrevettem, hogy amikor jó volt bekapcsolás után 1-2 másodpercel kattant egy rellé, gondolom ez a koppanás elkerülése miatt van,. Mostmár ezt nem csinálja. Bizti jó, Gréchez elmegy az áram egyenírányítja. 2db - 40v 5600µF kondí van utána egy kicsit puposak. A rellé=koppamás védő gondolom, leszedtem a kupakját és lezártam az érintkezőjét, de csak búgnak a hangszórók. Kérlek titeket valaki segítsen mert én még erősítőt nem javítottam ilyet.
Köszönöm előre is. Még annyit, hogy ez egy tranzisztoros elég régi szerkezet de, nagyon jó volt.
(#) roland9 válasza Joseppe210 hozzászólására (») Jún 30, 2008 /
 
valószínüleg elpukkantak a végfok tranzisztorok
(#) Joseppe210 hozzászólása Jún 30, 2008 /
 
Értem de akkor nem lenne szabad bígnia sem, mert elszállt nem?
(#) Moderátor hozzászólása Joseppe210 hozzászólására (») Jún 30, 2008
 
Mivel értelmetlennek tartom 2 topicban ugyanazt a kérdést feltenni, a másikból törötem...
(#) sound.man válasza Joseppe210 hozzászólására (») Jún 30, 2008 /
 
Azért nem kapcsol fel mert a végtranyó zárlatos lett és kirakta a kimenetre ez egyenfeszt. Ahogy áthúztad a relét úgy te a hangfalakra rátetted az egyenfeszt. Örülj h túlélték. Végtranyók valószínű h zárlatosak most olyan mintha nem is tranyó lenne benne hanem mondjuk szög.
(#) Joseppe210 hozzászólása Jún 30, 2008 /
 
ok. Én is erre azaz a legrosszabbra számítottam.
Ezért vettem 4 db végtranyót, de nem kaptam csak helyettesítőt ami nagyob áramokat képes kapcsolni és a tokozása is más, mert ezek a régi fülesek az ujjaknak meg 3 lábuk van és csavaros felfogatásuak
(#) Joseppe210 hozzászólása Jún 30, 2008 /
 
Oké Bocs hogy 2 helyre tettem, csak nagyon be vagyok zsongva miatta.Szereténém ha menne, mert holnap kertiparty.
Mégegyszer bocs.
(#) Joseppe210 hozzászólása Jún 30, 2008 /
 
Igaz, hogy meg lettek hajtva egyszer rendesen azért, adta be gondolom a kulcsot. És akkor lehet, hogy nincs is más baj és a tranyók cseréjvel megoldom a problémát?
Az nem baj, hogy az ujak amiket vettem kicsit nagyobb teljesítményűek, a tokozés külömbséget megoldom vettem hővezető anyagot a nyékba meg beteszem valahpgy
(#) sound.man válasza Joseppe210 hozzászólására (») Jún 30, 2008 /
 
Annak is a "fülesnek" is három kivezetése a harmadik maga az egész. Azért méregesd ki a többi alakatrészt is nehogy vigye a végtranyókat. Indítás elött el ne felejtsd a tápágakba az izzót! Nyugodtan kösd be kábellel a másik tranyókat.
(#) zoly15 válasza Joseppe210 hozzászólására (») Jún 30, 2008 /
 
Az nem baj ha többet bírnak csak a többi paraméterei jók legyenek.
Ha más nem akkor a nyákba vezetékkel kösd be de igyekezz a lehető legrövidebb vezetékkel és ne legyenek vékonyak...
Amikor hajtottad a gyárilag megadott impdenciát betartottad?

üdv!
(#) Joseppe210 hozzászólása Jún 30, 2008 /
 
Csak Négy óhmmosak voltak a hangszórók 8 hejett.
Gondolom ez baj.
4 8 16 ohmosat lehet rá tenni, csak nem egyértelmű hogy hogyan mert a-b meg azon belül left right azon belül 1-2-3-4 azaz 8 kivezetés van.
(#) Joseppe210 hozzászólása Jún 30, 2008 /
 
Hogy érted, azt, hogy izzót a táp ágra?
(#) fureszk válasza Joseppe210 hozzászólására (») Jún 30, 2008 /
 
Használd légyszíves a válasz gombot!
(#) Joseppe210 válasza sound.man hozzászólására (») Jún 30, 2008 /
 
Helló. Hogy érted, azt, hogy izzót a táp ágra?
(#) sound.man válasza Joseppe210 hozzászólására (») Jún 30, 2008 /
 
Amikor belteszed az új végtranyókat akkor ha szimetrikus tápos akkor +- ágba egy izzót ha szimpla akkor a + ágba de valószínű h szimetrikus. Havalami gond van nem a végtranyók szállnak el hanem az izzó világít.
(#) DJ Szabcsa válasza sound.man hozzászólására (») Jún 30, 2008 /
 
Egyszerűbb is van.Fogsz egy 230voltos 40 vagy 60 wattos mezei izzót és bekötöd az erősítő 230voltjának a fázisába.Ha bekapcsoláskor halványan izzik semmi gond.Ha erősen világít gáz van,de nem fog elszállni semmi csak az izzó világít.Csatolok egy képet a bekötésről.

kep.JPG
    
(#) sound.man válasza DJ Szabcsa hozzászólására (») Jún 30, 2008 /
 
Lehet egyszerűbb én úgy szoktam ahogy leírtam de ha szimetrikus a táp és csak az egyik izzó világít lehet sejteni h hol kell keresni a hibát. Most ezen nem veszünk össze

Joseppe210 úgy csináld ami neked jobban tetszik az a lényeg h valahol legyen!
(#) DJ Szabcsa válasza sound.man hozzászólására (») Jún 30, 2008 /
 
Persze kinek mi az egyszerűbb és a megszokotabb.De szép is lenne a ha mind egyformák lennénk Unalmas lenne a világ
(#) Joseppe210 válasza DJ Szabcsa hozzászólására (») Jún 30, 2008 /
 
köszi szépen mindenkinek a segítséget.
(#) denes44 hozzászólása Jún 30, 2008 /
 
Az mennyire jó megoldás, hogy az erősítőhöz tartozó dolgokat egy nyák-ra teszem (vu meter vezérlés, digitális hangerőszabályzás, fesz stabok, pufferkondi). Így a különböző panelek között nem kell a hangot meg a tápot huzalozni. Bejön a táp és a hang a hátoldalról, rá erre az "alaplapra" aztán innen tovább a két végfokpanelre.
(#) Joseppe210 hozzászólása Jún 30, 2008 /
 
meg tudná nekem nézni hogy a kövekező végfok tranyókat valóban helyettesíthetem azokkal amiket vettem.
1 ami volt benne de meghalt
2 amit vettem és azt mondták hogy helyettesíti-
2sd180-bd249
2sa626-bd250
2sd188-bd549
2sb539-bd250
nem tudom eldönteni.
(#) Mikrosilver hozzászólása Júl 2, 2008 /
 
Heló van ez a tda1562q erősitőm de nem megy igy kötötem be, esetleg kell még valahova feszt(vagy valamit) kapcsolni?
(2-3mp után nagyon meleg lett az ic ezért nem is kinoztam)Gyári az erősitő mindent átnéztem töbször is.

tda1562q.JPG
    
(#) pb hozzászólása Júl 2, 2008 /
 
hellósztok
valaki felbirná ide tölteni ezt a kapcsolást jpg-be vagy olyanbva amit a windowws meg bir nyitni mert nekem az eagle nem nyitja meg
(#) valve válasza pb hozzászólására (») Júl 2, 2008 /
 
(#) Mikrosilver hozzászólása Júl 2, 2008 /
 
valaki segitene igy már jó lesz?

tda1562q.JPG
    
(#) DJ Szabcsa válasza Mikrosilver hozzászólására (») Júl 3, 2008 /
 
Hát ha a TDA 7294-es IC-ből indulok ki, akkor ott a standby lábra a +tápfeszt kell rátenni egy pár 100kilós ellenálláson keresztül.De lehet hogy itt nem így van és tévedek...
(#) zomatt válasza Mikrosilver hozzászólására (») Júl 3, 2008 /
 
Szerintem tanulmányozd kicsit az ic adatlapját. Én most nem látom át hirtelen, hogy mi az a status i/o láb, de az biztus hogy kapcsolatban van valahogyan a némítással. Sajnos azt sem tudom, hogy a nyák hogy néz ki pontosan. Az adatlapot le lehet tölteni. Bővebben: Link
Következő: »»   151 / 2577
Bejelentkezés

Belépés

Hirdetés
XDT.hu
Az oldalon sütiket használunk a helyes működéshez. Bővebb információt az adatvédelmi szabályzatban olvashatsz. Megértettem