Fórum témák
» Több friss téma |
Idézet: „That deck belongs to a rack system. It gets power from the amplifier that went with the system and contains no internal mains powered supply.”
Itt a megoldás. Csak a trafót spórolták ki.
Puskás trafót neki. ![]() Service manual. A hozzászólás módosítva: Júl 13, 2021
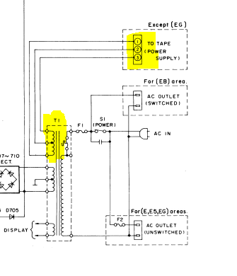
Ha már külső tápról van szó, van egy Sony TC-D505 deckem, eredetileg egy tunerről kapta a delejt egy lapkábelen, de azon nem csak az van, hanem oda-vissza vezérlik egymást a készülékek egy AU Bus nevű vonalon. A kérdésem, hogy ha csak tápot adok neki (trafóról), akkor működni fog-e önálló gépként, vagy valahogy át kell verjem ezt az adatbuszos rendszert, hogy engedélyezze a működést? Köszi
https://elektrotanya.com/sony_tc-d505.pdf/download.html
Közben reménykedtem, hogy valaki zsigerből bemondja hogy hány voltos kell bele...
![]() Szerintem kis szerencsével, valami nem túlzottan gusztustalan módon bele is tudod applikálni a dobozba, talán nem lesz tőle brummos (mert van beépitett tápos kivitele is). Esetleg előrébb vinne, ha megkeresnéd hogy hová megy a tápcsatlakozótól az a három vezeték a NYÁK-on, és ott a két combos diódát, elkót és környékét körbefényképeznéd. Akkor tudnánk saccolni hogy milyen trafó lenne jó. A fene sem akarja a deck service manualt rahedli pénzért letölteni... A hozzászólás módosítva: Júl 14, 2021
Szia!
Azt hiszem meg van a titok! 2 x 12,5V AC. (csatlakozó: a, b, c ---> 12,5V--0--12,5V) Megkerestem a cucchoz tartozó erősítő típusát, az pedig: TECHNICS SU-X933 Ennek a service manual-ja pedig letölthető ITT. megpróbálom csatolni, de több mint 7 Mb, nem tudom sikerül-e. A PDF 9.-13. oldalig a lap alján lekövethető. A hozzászólás módosítva: Júl 14, 2021
Bocsi, új hozzászólásként írtam, Neked szántam..
Igazad van
![]() Akkor lehet menni a boltba a kollégának: Transzformátor Hálózati zsinór Biztositék foglalat Biztositék Törésgátló Igény szerint hátulra, de ekkor már nagyon fúrni kell: Kapcsoló A felsorolt tételek csak szemléltesre szolgálnak, józan ész felülirja természetesen.
Gafly,metabo123 és mindenkinek köszönöm a segítséget a hozzászólásokat
Sziasztok! A minap vettem egy Akai cs-f 210 decket. Igen ám de az eladó nem mondta hogy levagdalta róla a Din csatlakozókat, gondoltam nem lehet ez olyan nagy probléma de nem találok róla semmi féle írást hogy hogy lehetne vissza kötni. Ebben kérném a segítségeteket. egy rajz vagy egy link most jól jönne. A segítséget előre is köszönöm. Üdv.
Nem akkora gond, pici tétel és bárhol kapható.
Árnyékolást az árnyékoláshoz, meleg eret a meleghez. Ha a bal és a jobb csatorna fel van cserélve, akkor átdugod... A hozzászólás módosítva: Júl 19, 2021
Sziasztok! Válaszolnék, kicsit megkésve. A készülék típusa: TC-W370.
Egyszerűbbet találtam ki a képnél. ht tps://drive.google.com/file/d/1-UTwUII-u F-zsp4WWaX3Mfcixoy31fL0/view?usp=sharing Szétszedtem a linket, hogy másolható legyen, mert a fórum rendszere miatt a videoazonosítóban levő egymás utáni µF karaktereket tévesen mikrofarad-nak ismeri fel, ezáltal linkelni sem tudom. Amikor felmegy az egész mechanika, hogy a szalagnak feszüljön és a nyomógörgő is húzza a szalagot akkor előtte gyorscsévélésben volt a magnó. Egyébként nem hajlandó rendesen működni. Amit meg észrevettem, hogy ugye írtam, hogy sebességbeállítás kéne a gépnek. Nem tudom, hogy hogyan, amikor próbáltam szíjcsere után mintha nem volt jó, most fülre jól szólnak a zenék a helyén van minden hang és tempó. Létezhet, hogy van ebben a magnóban automatikus korrekció sebességre? Üdv, Péter A hozzászólás módosítva: Júl 28, 2021
Azt hiszem a jó öreg repedt fogaskerék a ludas az összes mechanikus anomáliáért. Ha a mechanika alapjaiban hasonlít a linkben szereplő gépével, akkor a 3:35-nél éppen az általam gyanúsított fogast mutogatja a srác a csavarhúzójával. Egyesek meggyűrűzik, mások csináltatnak Sárközi mesterrel. mindkét megoldás jó.
A lényeg, hogy ha ez a fogas el van repedve, akkor körbeforog a tengelyen terhelés alatt és nem abban a pozícióban áll meg a mechanika, amiben kellene. Jártam így az első TC-K461S-emmel. Ja és a link: https://www.youtube.com/watch?v=5b8_0gWTbsA U.I.: rákerestem a típusra, szerintem jól mondtam, a mechanika stimmel és ezek szerint 99% hogy az említett fogaskerék a ludas.
Köszönöm!
Megbontom akkor a mechanikát és szerintem csináltatni fogok fogaskereket, már csak azért is mert egyszerűbbnek gondolom meg azért, mert nem tudom mit értesz "meggyűrűzésen".
Meggyűrűzésen azt értem, hogy a fogaskerék fogazatlan részére egy vékony (fém)gyűrűt húznak, ezzel összehúzva a fogast. Vastag golyóstoll csöve, ha a méret megfelel, akár jó is lehet, még ha műanyagból is van (csak ne nyúljon). Visszahúzva a tengelyre így már elég lesz a szorítása, hogy ne forogjon el semmilyen terhelés mellett. Probléma megoldva örökre, mert nincs tudomásom olyan esetről, hogy ennek a fogasnak kitört volna akár egy foga is, csak ez a szétrepedés a jellemző rá. Kicsit túlspórolták belőle az anyagot, a tengely feszítését nem bírják sokáig ezek az apróságok.
https://www.ebay.com/itm/144057968393
Marián igen jó minőségben gyártja ezeket. Nem kell kendácsolni, biztosan jó lesz, sőt, a gyárinál jobb lesz a megoldás. Szlovákiából pár nap alatt ideér.
Ez nekem is tetszik, nem összetévesztendő egy másik, asszem szintén szlovák sráccal, aki 3D nyomtatással csinál ilyen fogaskerekeket. Az sem rossz, de ha egyszer felhúztad a tengelyre, isten ments valami okból leszedni, mert kitágul rajta a lyuk és ott állsz megfőve... Az kicsit másképp néz ki, nem lehet azzal összetéveszteni, amit te linkeltél. Amúgy a FixYourAudio-tól már én is vásároltam, meg voltam elégedve.
Sziasztok!
Van egy Technics RS-BX501-es modellű deck-em amiben az egyik fő meghajtó fogaskerék csúnyán elkopott, a képeket mellékelem hogy hogy is néz ki. Az adatai pedig a következők: Magasság: 11,45mm Átmerő: 7,05mm Fogak száma: 16 Lyuk mérete: 1,93 mm A kérdésem az volna hogy hol lehetne be szerezni ilyen típusú fogaskereket?.
Üdv. Mindenkinek! Dolby IC beszerzésében tud valaki segíteni? HA-12090NT
Onkyo deck
Üdv mindenkinek!
Segítség kellene.15-16 év után újra leporoltam a régi kedves kis Technics RS-M215-ös deckemet.A fedelet levettem és kontaktspray-vel átfújtam,bár nem volt igazából koszos ránézésre.A fejet és a görgőket,tengelyeket is megtisztítottam.Gyönyörűen el is indult a szerkezet.Minden funkciója működik (lejátszás,jobb-bal csévélés,számláló stb).Viszont időnként a bal csatorna gerjed (a fluoreszcent kijelző teljesen kifekszik a maximumig) és a hangfalon is elektromos zaj hallatszik (nem tudom jobban megfogalmazni).Ki-bekapcsolás kis ideig hatásos (nyilván nem normális).Egyidejűleg a készülékből némi elektromos szag is érezhető.Mi lehet a hiba (tápegység,DC-motor,valami más)?Emlékeim szerint annak idején is emiatt dobozoltam be (igaz,már ritkán is hallgattam).
Szia!
Sajnos segíteni nem tudok, de kíváncsian várom én is a megoldást, mert az én M216-osom is ugyanezt produkálta... kivéve a szagot. Azóta ő is félre van téve és várja a feltámadást. Nagyon szerettem, ez volt az első "igazi" deckem. Én első körben a kombináltfejre menő árnyékolt vezetéket gyanúsítom, ha abban az egyik ér megszakad (a fel-le mozgástól előbb-utóbb kontakthibás lesz), akkor az antennaként is tud működni. Ha majd egyszer nagyon ráérek, kicserélem.
Szia!
Műkedvelő asztalosként egy megoldási javaslat. ![]() Felvétel lejátszás átkapcsoló kontakt gond lehet ott is. Nálam a NAD-nál úgy működik a megszüntetése, hogy kézzel felnyomom a felvétel kazetta érzékelőt nyitott ajtónál, majd jó pár felvétel/lejátszás kapcsolgatás közte stop gomb nyomogatással és akkor eltűnik. Utána normálisan játszik le. Szerelő javasolta, hogy házilagosan így tudom megszüntetni az ilyen gerjedést. Mivel már ez is ritkán használt, időnként ha beüzemelem, sokszor így kell kezdeni, mert ennél is gyakran kifekszik a mutató és gerjed. Viszont eddig mindig el tudtam tüntetni a fenti módon. Üdv.
Szóval ha az az IC halott, dobhatom a decket a kukába?
Biztos vagy abban, hogy az IC halott? Szerintem nem jellemző, hogy pont a dolby ic szálljon el. Nem lehet, hogy körülötte van elszállva valami, ami blokkolja a működését?
Mellesleg Alibabán kapható kemény 1 dolcsiért A hozzászólás módosítva: Aug 23, 2021
Én nem találtam ali-n. A tápot megkapja rendesen, de a bemenetén megvan a jel, kimenetén már nincs. A rajz szerinti fesz. értékek sem stimmelnek, mint a másikon.
Próbáltad kideríteni, hogy hol romlanak el a feszültség értékek? Hátha csak az IC körül valami hibás és azért nem működik...
Az Ali-n én ezt találtam, próbálj meg kapcsolatba lépni a gyártóval |
Bejelentkezés
Hirdetés |











