Fórum témák
» Több friss téma |
Sziasztok!
Olyan kapcsolási rajzot keresnék lehetőleg egyszerűt amivel megtudnám valósítani azt hogy a olyan legyen mint egy temetői mécses, az nem villog, hanem pont olyan mint a gyertya lángja, igazából 2 esetleg 4 ledet kellene meghajtani illetve 6 vagy 12V-ról menne(elemről) amelyiket könnyebb megcsinálni. igazából azért kellene egyszerű mert nem nyákon lenne hanem magába összeforrasztgatva a lényeg hogy minél kisebb legyen elemmel együtt bele kell férnie max 3centi magas 3cm átmérőjű helyre. Tudom vannak készen meg nem drágák de én nagyobbra gondoltam mármint teljesítmény és akku élettartam ügyileg. Ui: Kellene bele egy fotó ellenállás, hogy csak sötétben működjön. A hozzászólás módosítva: Okt 28, 2017
A perjeleket vedd már ki a téma címéből, mert széttolja az oldalt. Köszi.
A rendelkezésre álló helyen, mekkora akku/elem fér majd el?
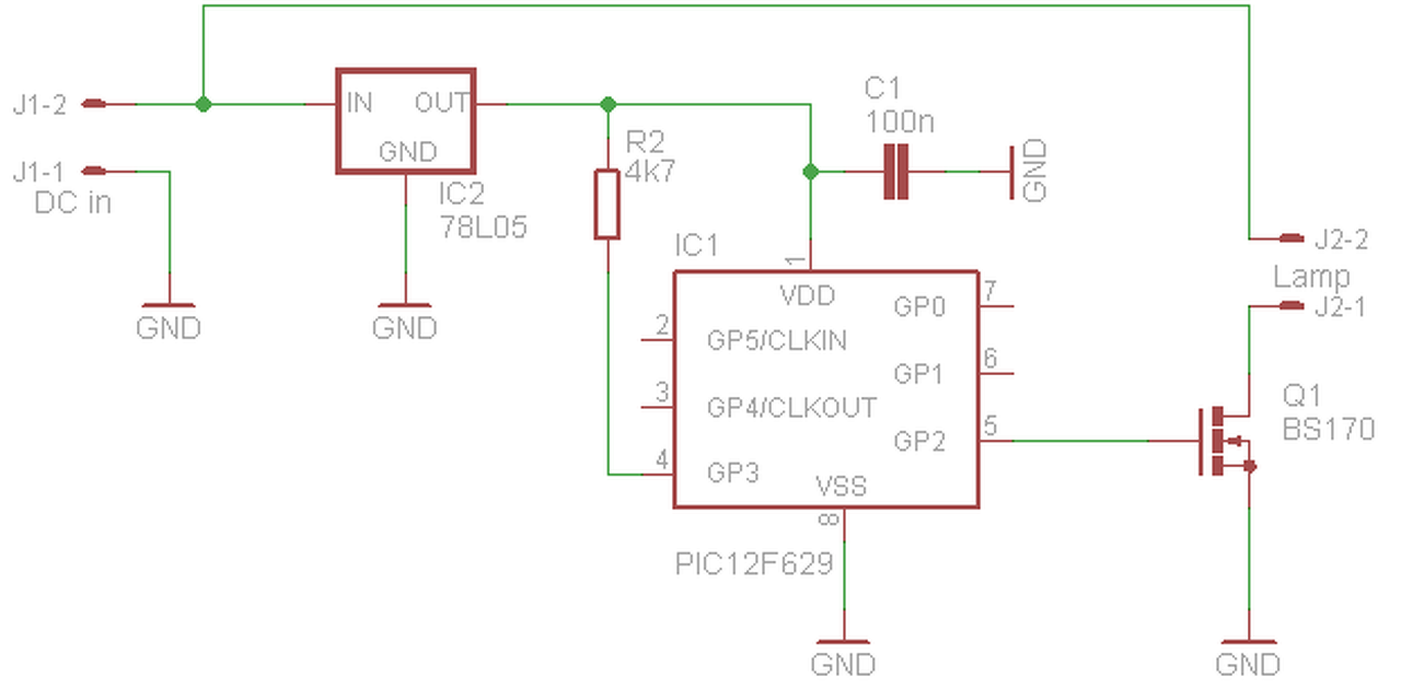
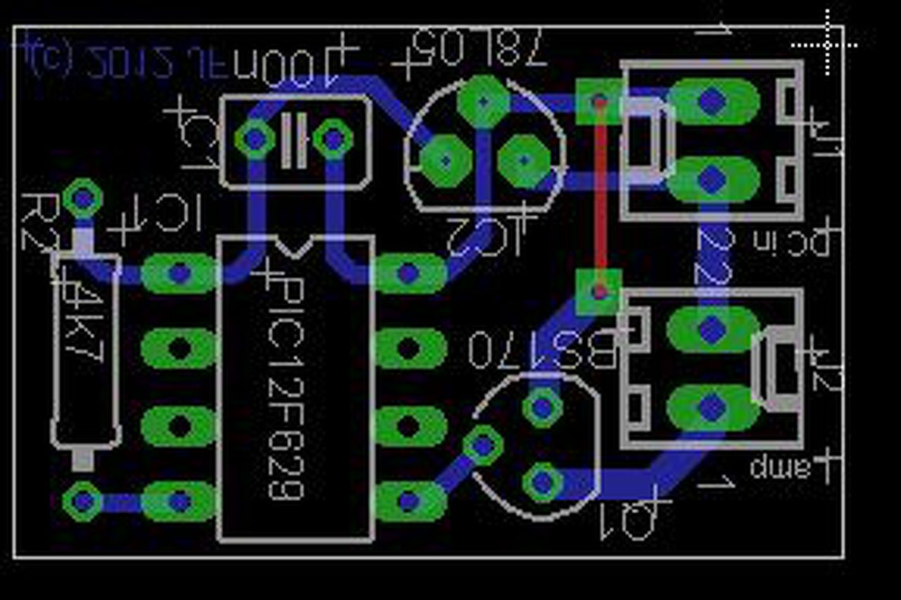
Tessék. Mondjuk, csak akkor tudod használni, ha tusz PIC-be HEX-et égetni, ha nem, kérj meg valakit. És ezért legközelebb ne nyiss új témát, van olyan, hogy kapcsolási rajzot keresek topic...
Na haragudjatok a per jelekért, hogy tudom kivenni?
Az elem mérete az mindegy a legnagyobb!
Picet sajna nem tudok ,és olyat ha csak simán világítana a led, de ha nappal van akkor nem, vagyis csak sötétben? az megvalósítható egyszerűen?
Akkor a LED előtét ellenállásán kell változtatnod. Az a 100K nincs ám kőbe vésve, azt az fotoellenálláshoz kel megválasztani. Vegyél egy próbapanelt és kísérletezz.
Köszi, a fotó ellenállás az mindegy hogy milyen?
Kis túlzással igen. Mérd az ellenállását, közben takard le, látod majd, hogy mennyit változik, így majd tudsz hozzá választani egy párt, amivel feszültség osztót képez. Bajt nem tudsz csinálni, kísérletezz, abból fogsz tanulni! LED előtét ellenállás számításhoz találsz itt az oldalon segédprogramot. És használd a google-t, sokat segít!
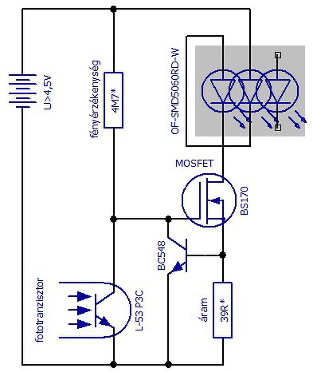
Én inkább fototranzisztort használnék -olcsóbb- L-53 P3C /remélhetőleg a napfénynek is van elegendő infra tartománya/; áramgenerátoros LED meghajtást -fettel- /precízebb + nappal elhanyagolható fogyasztás/.BS170 kb. 5 Volt felett használható.
LEDnek nagy fényerejű, nagy szögben sugárzó típust alkalmaznék (huzallábasok kis szögben világítanak). OF-SMD 5060 RD-W -egy tokban 3db független led Vf~2,2V Imax=60mA, de szerintem 15mA is elég lesz- 12V tápfesz esetén egyedül a sorbakötött ledek számát kell növelni >> 2 tok 4 vagy 5 led sorosan (ahogy a tápfesz kiadja)...
HobbyElektronikában, vagy a Rádiótechnikában olvastam lobogó fényhatás keltő áramkörről. Érdemes utánanézni.
Az hálózati feszültségre készült.
Létezik "Candle LED". Ahogy néztem, nem is vészes az ára. Csak tápot adsz neki, és van beépített elektronikája, ami "rángatja" a fényét. Simán megépíted elé az alkonykapcsolót, és kész is.
Esetleg ezzel a candle led felvett áramával lehetne egy áramtükröt vezérelni, amivel tetszőleges számú és teljesítményű led árama modulálható.
Most ünnep után szerintem 100 Ft alatt lesz darabja a gyárinak. Ebből kioperálható a speciális led. A hozzászólás módosítva: Okt 29, 2017
Itt lehet kapni: gyertyafény effektust imitáló ledek Simán sorba köthető vele néhány sima led. Előtét ellenállás+ párhuzamos eltérő nyitófeszültségű ledekkel tovább spécizhető az effekt, szinte nulla ráfordítással.
A hozzászólás módosítva: Okt 29, 2017
Sziasztok!
Most volt egy két hete a Penny-ben elemes "mécses", abban ilyen van, és CR2032-t is adtak hozzá! Nekünk a töklámpásba kellett, az oviba, vettem is 4-et, 400HUF-ért... A hozzászólás módosítva: Okt 30, 2017
Most az aktualitás miatt beszereztünk néhány villanyos gyertyát is, mert mama szokott éjjel gyertyát gyújtani otthon is. Idén le van tiltva az igaziról, csak ezt szabad neki. Csak ne tüzeskedjen. 5 percre lakunk tőle még gyalog is, de ne tüzeskedjen amikor alszik. Aztán majd lenyúlom tőle a kimerült mécseseket, és kitermelem belőle a ledeket. Jövőre lehet hogy tákolok belőle valami nagyobb fényforrást. Akár kandalló is készíthető belőle.
Köszi az ötletet.
Temetőn használt led mécsehez ( 3 voltos gombelemmel működik) kérnék kapcsolási rajzot. A mécsest 2 db ceruza akkuval (1.2 volt, vagy 1 db 18650 accuval 3.7 volt) szeretném működtetni melyet a napelemmel tölteném fel. Nappal kialszik, sötétben világít. Alapfokon értem a működéseket, de ha lehet pontos adatokkal kellene a rajz, és a szükséges alkatrészeket megnevezni, hogy betudjam szerezni. Nagyon szépen megköszönöm aki segít! Fontos lenne!!!
Mi itt inkább a belsejét szeretjük látni, nem a netes képét...
Kell hozzá 2 szál vezeték meg 4 forrasztás...meg egy gusztusos burkolat a nagyobb akkuknak.
Ezt nem igazán tudom értelmezni. Mi vezérli azt, hogy a led kialudjon és sötétedéskor vissza gyuladjon? Mert alapból ez amiről én beszélek elemről működik és folyamatosan ég, amíg az elemben van szufla. Nincs ennek a belsejében semmi csak az eelem, meg a direkben rákötött led, legfeljebb egy pici toló kapcsoló az elem és a led között.
A hozzászólás módosítva: Okt 17, 2021
Te magad írtad hogy napelemmel töltenéd fel. Na vajon akkor mi érzékeli szerinted azt hogy süt a nap vagy sötét van? (Amit fotót idebiggyesztettél azon hova gondoltad a napelemet?)
Egy napelemet megvenni boltban többe kerül mint egy komplett leszúrható napelemes kerti lámpa, beépített akkuval. Legpraktikusabb megvenni egy ilyen lámpát és lecserélni a fehér ledet a pislákolósra (vagy több pislákolósra), és egy ízléses burkolatot kialakítani. Ez utóbbi lesz a nagyobb kihívás. Ha kapcsolási rajzra vágysz, nyisd meg duplikált topikod helyett ajánlott topikok egyikét, pl. a "Napelemes kerti világítás" címűt, és a csatolt képek közt találsz többféle kedvedre valót.
Szia! Nem tudom mekkora napelemre gondolsz, de a leszúrható kis napelemes lámpák napeleme kicsi. Ha nem éri egész nap direkt napsütés, nem tölt fel, egy órát sem világít, felsős időben szinte semmit nem tölt.
Csináltam már napelemes mécsest: a napelem kínai napelemes lámpa napeleme( 2db párhuzamosan), egy szintén kínai töltőpanel, egy li-ion akku (18650 2000mAh) és egy led az általad linkelt lámpából soros ellenállással. Úgy kb 10 hónapja kinn van a temetőben, eddig nem merült le. Ez éjjel-nappal világít. Kíváncsi leszek, télen hogy bírja, ha keveset éri napfény. ( Számolva töltés nélkül kb 3 hétig bírja az akku, ezalatt csak töltődik) A két párhuzamos napelem direkt napfényben 60-90mA között töltött, a led 3-4mA körül fogyaszt. Csináltam másfajta mécsest napelem nélkül, li-ion akkuval, kívülről tölthetőt. Ebben két led (piros extrafényes)van, PIC vezérli, kicsit modulálja a két led fényét. Fogyasztása nincs 5mA. A PIC közben méri az akku feszültséget, úgy 3,05V-nál kapcsol ki, ekkor sleep-be lép. 20 napig működött kikapcsolásig. Ebben töltőáramkör nincs, a külső rádugható töltőben van a linkelt töltőpanel. Ez is világít nappal is. Az üvegmécsesekbe a hagyományos gyertya helyére tehető.
Az a LED gyertya csak ki-be kapcsolható..
Ha az elemeket akkura ceréled és azt a helyszínen szeretnéd napelemmel tölteni...hmm? (Mint pl. ahogyan ezek működnek?) Meg ugyebár az akku akár kivehető és egy különálló napelemes töltővel feltölthető.
Köszönöm, az első ajánlat érdekel, azon elgondolkodom. Van egyébként egy csomó kis napelemem, 1.5, 3, 5 V-osok mivel az ebayról rendelgettem, meg sok-sok ilyen töltő panelem, csak nem igazán értek hozzá. Ha van egy rajzom akkor már összetudom hozni. Találtam itt a neten egy rajzot, mellékelem ami alapján készítettem is panelt, de valamiért nem igazán tölti fel az akkut tartósan. Ilyet, hogy 10 hónapjg világít sajnos nem tapasztaltam.
Ezen a rajzon 4,4V-os napelem szerepel...
|
Bejelentkezés
Hirdetés |



















