Fórum témák
» Több friss téma |
Fórum » Egyszerű voltmérő
Témaindító: Dr.Megavolt, idő: Júl 31, 2007
Témakörök:
Idézet: „Nagyon szépen köszi a gyors választ,de a lábkiosztása ugyan az a 7106-nak?” Nem igazán értem a kérdést. A 7106- és a 7107 bekötése nem lehet teljesen egyező a LED és az LCD meghajtás miatt, de az alapkapcsolás nagyon hasonló. A 7106 és a 7136 testvérek, láb-kompatibilisek egymással, de a hozzájuk kapcsolódó alkatrészek értékei eltérnek, tehát csak az alkatrészek cseréjével tudod őket cserélni. Innen le tudod tölteni az adatlapjukat, abban több infót is találsz: Bővebben: Link
Köszi.Én úgy gondoltam,hogy ezt már megépítettem és tökéletes működik a kijelzés,tehát csak annyi lenne a dolgom,hogy szinte ugyan ezt a kapcsolást megépítem,csak a voltmérő alkatrészeivel?? tehát ugyan úgy kötöm be az 3,5digites lcd kijelzőt mint a hőmérőnél,de a többi lábaira azokat az alkatrészeket tenném ami a voltmérőhöz kell.Na most lehet megint kuszán írtam le,de remélem azért érthető.
Persze. A 7136 egy 200mV érzékenységű feszültségmérő, ha a megfelelő kapcsolást alakítod ki egyszerű voltmerőt kapsz.
Köszi szépen a választ akkor neki is állok hátha sikerül.De a 7136 az kicsit drága ehhez inkább a 7106-al próbálkozok az adatlapja szerint jó lcd-hez,meg led kijelzőhöz is.
Én ezt csinálom meg majd. Alkotó féle feszültség mérő. Elméleti határ 2000V de szerintem ezt nem kell mondani hogy ne próbáld ki! Amúgy kb kicsivel 200V fölött lehet még használni, és AC tápot kell neki adni. (Áramerősséget is mérhetsz vele)
SZiasztok,
a Voltcraft DVM 210-es voltmero modult szeretnem bekotni. A leirasban az szerepel, hogy kell egy SHUNT-öt 20A, 0.01Ohm értékkel bekötni. MIvel sose csinaltam ilyet, az a kerdesem, hogy nagyon szukeg van erre? Ha igen, honnan lehet ilyet szerezni? kesziteni nem hiszem, hogy tudnek. köszi szepen
Mit szeretnél a műszerrel mérni? A söntre akkor van szükség ha átfolyó áramot szeretnél mérni.
bocs, utana talaltam meg a masik topicot.
Egy LM317-tel szeretnek egy tapot, es gondoltam jo lenne tudni, epp mennyi a feszultseg.A conradnal lehet Söntöt kapni, de sztem nem er 5000-et es az ertekei sem jok.
szia
Feszültség méréshez, nem kell sönt. Oda feszültség osztó kell. Ha tudod a mérendő feszültséget és tudod hogy a műszer mit jelez ki akkor kell egy osztó. 37 V akarok mérni a műszerem 200,0mV tud fogadni. Tehát 37V csak a 200,0V ba fér bele. A kijelzett az jó esetbe 37,0 rosszesetbe 037,0 lesz. A mérendő feszültséget 1M ohm al kell terhelni. 200V/1M ohm =0,0002A Te 200,0mV ot akarsz kijelezni 200,0mV /0,0002A =1000 ohm 1M ohm ból vond ki a 1000 ohm ot 1000000-1000= 999000 ohm és a 1000 ohm os ellenállások kellenek. A 999000 ohm és a 1000 ohm sorba kötve a 999000 ohm szabad vége megy a mérendő feszültségre a 1000 ohm szabad fele megy a mérendő feszültség test pontjára és a műszer test pontjára a 999000 ohm és a 1000 ohm összekötése megy a műszer + pontjára. üdv.
Szia, én ezt a kapcsolast szeretném, ahogy az a müszerhez van adva. közben talaltam 600 Ft-ért is Söntöt, az pont jó lesz.
Csak 1 kerdesem maradt: a képen ugy tűnik, mintha a műszert a nulla ágba kellene kötnöm, ez igaz? Egy labortapba lenne, ahol egyetlen GND csatlakozom lesz, ha oda teszem, akkor minden kimenetet mutathat, ha zárom az áramkört nem? (persze egyszerre csak egyet) a tápon lenne fixen 5V, 12V és egy 0-24V-os kimenet. alapvetően a 0-24Vost kellene mérnem. ehhez persze tehetek kulon GND ágat is ha azzal jobban működne. (ha esetleg egyszerre több fogyasztót kötök rá, nem tudom mit mérne, talan összeadna az összes feszültséget, ami átmegy a nullán.) most hogy igy leirtam, jobbnak tunik, ha kulon droton megyek a GND kimenethez es oda kötöm be a müszert,, akkor a többi nem pofaz bele. mit gondoltok?
Szia
Alkotó gyűjteménye, de ajánlom végignézésre: Bővebben: pdf formátum Elvileg, teljesen mindegy, hogy melyik ágába kötöd. Csak a polaritás (műszernél) legyen jó. A negatív ágba azért teszik a söntöt, hogy ha feszültséget, és áramot mérsz, akkor nem a sönt előtt méred a feszültséget. Ha a 0-24V, 5V, 12V, test pontja összeköthető, akkor kösd össze. És ha a összekötés és a kimenet közé teszed a söntöt akkor a kimenő összes áramot fogod mérni. De ha csak a 0-24V negatív ágába teszed a söntöt, majd az kötöd a többihez, (5V,12V test pont) akkor csak a 0-24V os részen folyó áramot méred hiába egy csatlakozó van . üdv.
Helló!
Egy egyszerű voltmérőt szeretnék építeni motoromra. Ezt a ledes voltmérőt nézegettem de a tápfesz +5volt. ICL7106al rendbe lenne 7.5Vos max töltő feszültségen nem? 6Vos akkumulátorhoz kéne egy egyszerű és olcsó műszer amely menet közben mutatná a feszültséget lehetőleg PIC nélkül (Még kezdő vagyok és PIC égetéshez egyenlőre nem értek). Válaszokat előre is köszönöm! Üdv A hozzászólás módosítva: Okt 18, 2012
Segítséget szeretnék kérni.
Az akku töltöm visszajelzése úgy van megoldva, hogy töltés kezdetén piros a fény, utána lassan átmegy narancssárgába sárgászöldbe végül egyre zöldebb, s mikor zöld akkor készen van. szeretném megtoldani egy pontosabb visszajelzéssel, 7 szegmenses led kijelzővel, de lehetőleg század volt pontossággal. az lenne a legjobb ha nullára számolna vissza, de ha az nem megy kiegyezek egy feszültség mérővel is, nem is kell pontosnak lennie, elég az ha tudom mennyinél fog kb. leállni s ugye azt kell figyelni ha megáll a számolás. de ha megy nullára visszaszámolással az még jobb. láttam, hogy van mér mindenféle integrált voltmérő. tudtok erre alkalmasat s lehetőleg 3 számjegyest amiben az utolsó kettp tized vagy századvolt, s kapcsolást is hozzá? Köszi 1 cellás 3.7 voltos akkuról van szó A hozzászólás módosítva: Nov 5, 2014
Sziasztok!
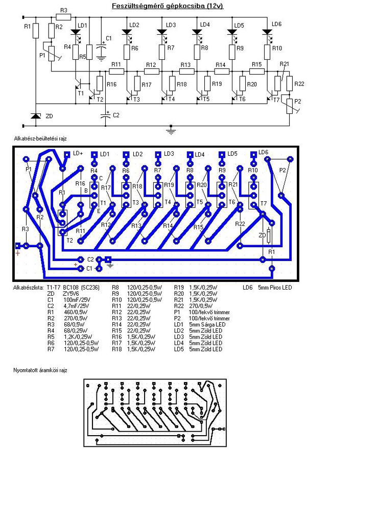
A segítségeteket szeretném kérni egyszerű ledes voltmérőben. A lényeg az lenne hogy kb 1 voltonként világítson mindig eggyel több led, ezeknek a száma akár 10 vagy több is lehet. A képen láthatót megépítettem BC108 helyett BC547-el, de ezen világít az összes, ha esik a feszültség csak halványabb lesz. Köszönöm!
Sziasztok! Én is szeretnék egy feszültségmérőt. Digitális kijelzővel kellene ami 0 és 10V között mér 0,1V os lépésekben. Saját tápfeszültségről kellene működjön hogy az egész kis értékeket is meg tudja jeleníteni. Ha valaki tud a feladathoz megfelelő modult azt is megköszönöm vagy ha egy jó kapcsolást tud valaki erre a célra az mégjobb. Köszönöm előre is!
DC feszültséget szeretnék mérni ez kimaradt!
Helo.
Bővebben: Link Annyi hogy független táp kell neki.
Szia!
Vagy vannak pl. ezek, különböző színű kijelzőkkel. A tápfeszültséget a mérendő jelből veszi, de a panelen átköthető független táplálásra, így már 0 V-tól mér.
Kezdem már érteni hogy miért nem szórakozik senki házilag voltmérő építéssel. Egy kijelző áráért adnak egy komplett műszert
Na én ezeket pont azért vetettem el mert csak 4,5V tól mér. Ezekszerint akkor megoldható hogy független tápról működjön és ki tud jelezni akár 0,5V ot is?
Létezik belőle olyan, ami 0 volttól mér, igaz ahhoz külön táp kell. A három vezetékesek azok.
A legegyszerűbb, ha a feszültségmérődet kész áramkörrel oldod meg. Ajánlom figyelmedbe az ICL7106 (LCD), és ICL7107 (LED) áramköröket. Ezek az áramkörök vannak a legtöbb egyszerű multiméterben is.
Egy tápfeszről működnek, többnyire 9 V elemről, de a 0 V -tól való méréshez szükség van negatív tápfeszre is. Ezt a pozitív tápfeszből elő lehet állítani egy ICL7660 áramkörrel, vagy a feszültségmérő áramkörórajeléből egy CMOS hex inverterrel (CD4009). Tekintsd át az említett IC -k adatlapjait, és láthatod a megoldásokat.
Köszönöm! Ez aztán a kimerítő válasz
Igen, kell egy független táp, 5-10 V közötti, nem kell stabilizáltnak lenni, a panelen van erre a célra IC.
Amiket eddig átalakítottam, azoknál így már 0 V-tól van kijelzés.
Rendeltem is belőle! Megpróbálom átalakítani én is. Mennyire lesz bonyolult megtalálni a független táp helyét?
A hozzászólás módosítva: Dec 17, 2021
Egyszerű lesz, mert a 3 forasztási pontból kettőn lesz vezeték, és a harmadik a NYÁK-on össze lesz kötve a másodikkal egy áthidalással. Ezt az összekötést kell bontani, és egy harmadik vezetéket bekötni.
Azt azért megjegyezném, hogy ezeknél a független táp azt jelenti, hogy a GND azért közös. A 710x-nél viszont teljesen független tápra van szükség, alap esetben a saját tápjának GND-jével nem lehet közösíteni a bemenetet. (vannak persze arra is megoldások) |
Bejelentkezés
Hirdetés |




Egy 





